Скачать Типовой проект 902-2-380.84 Альбом VI. Часть 2. Нестандартизированное оборудование. ИлососДата актуализации: 01.01.2021
|
| Обозначение: | Типовой проект 902-2-380.84 |
| Обозначение англ: | 902-2-380.84 |
| Статус: | не действует |
| Название рус.: | Альбом VI. Часть 2. Нестандартизированное оборудование. Илосос |
| Дата добавления в базу: | 01.09.2013 |
| Дата актуализации: | 01.01.2021 |
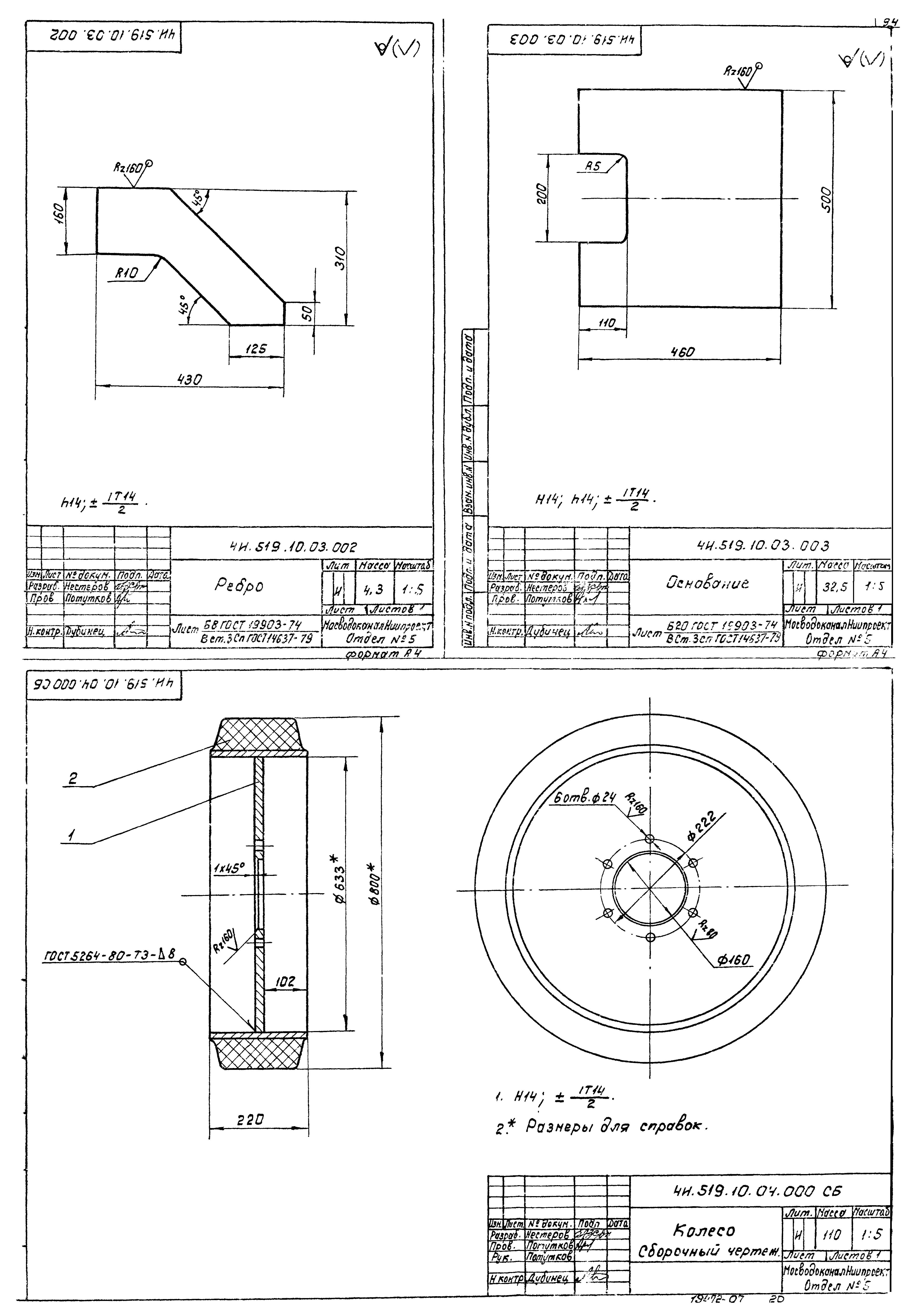
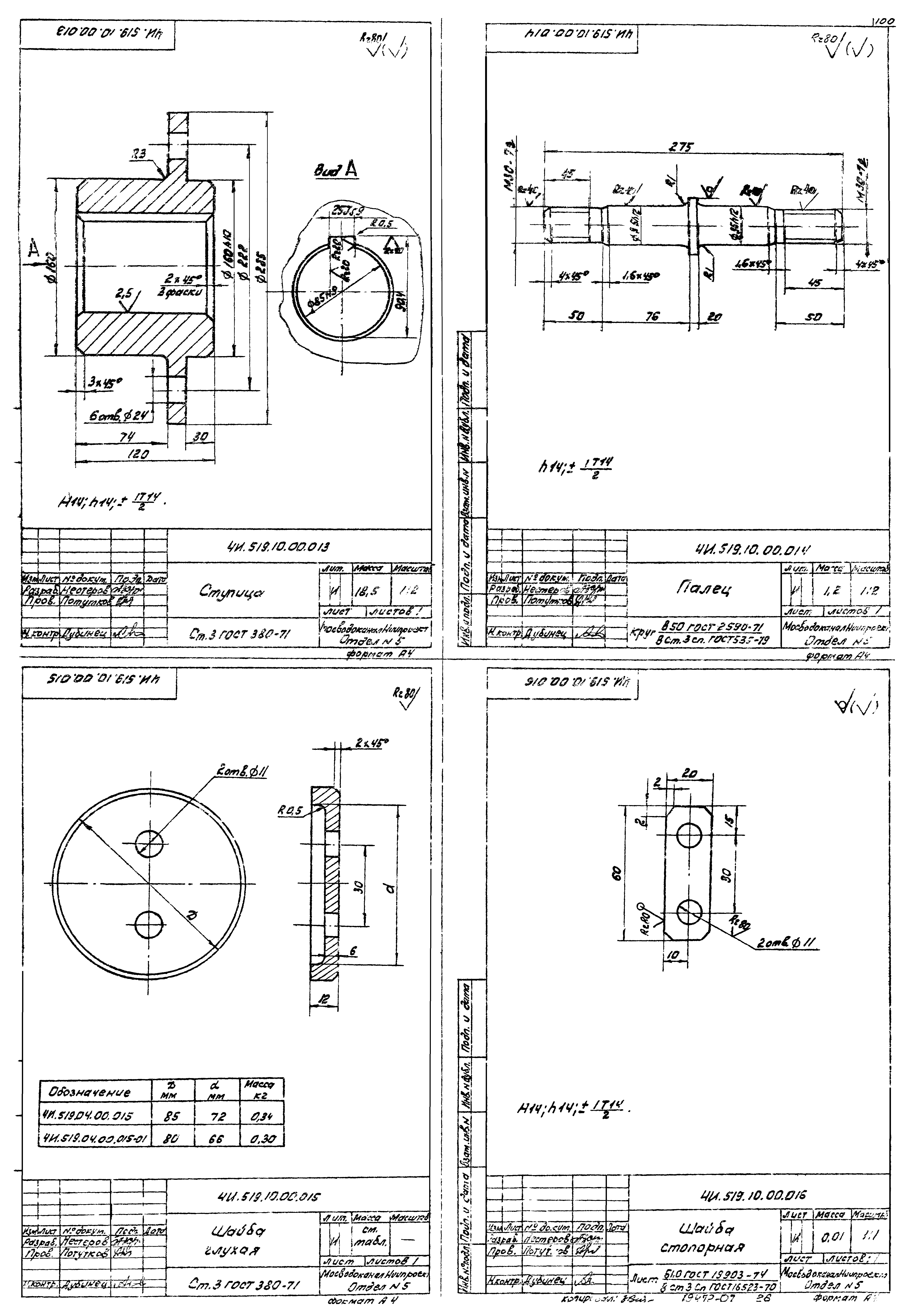
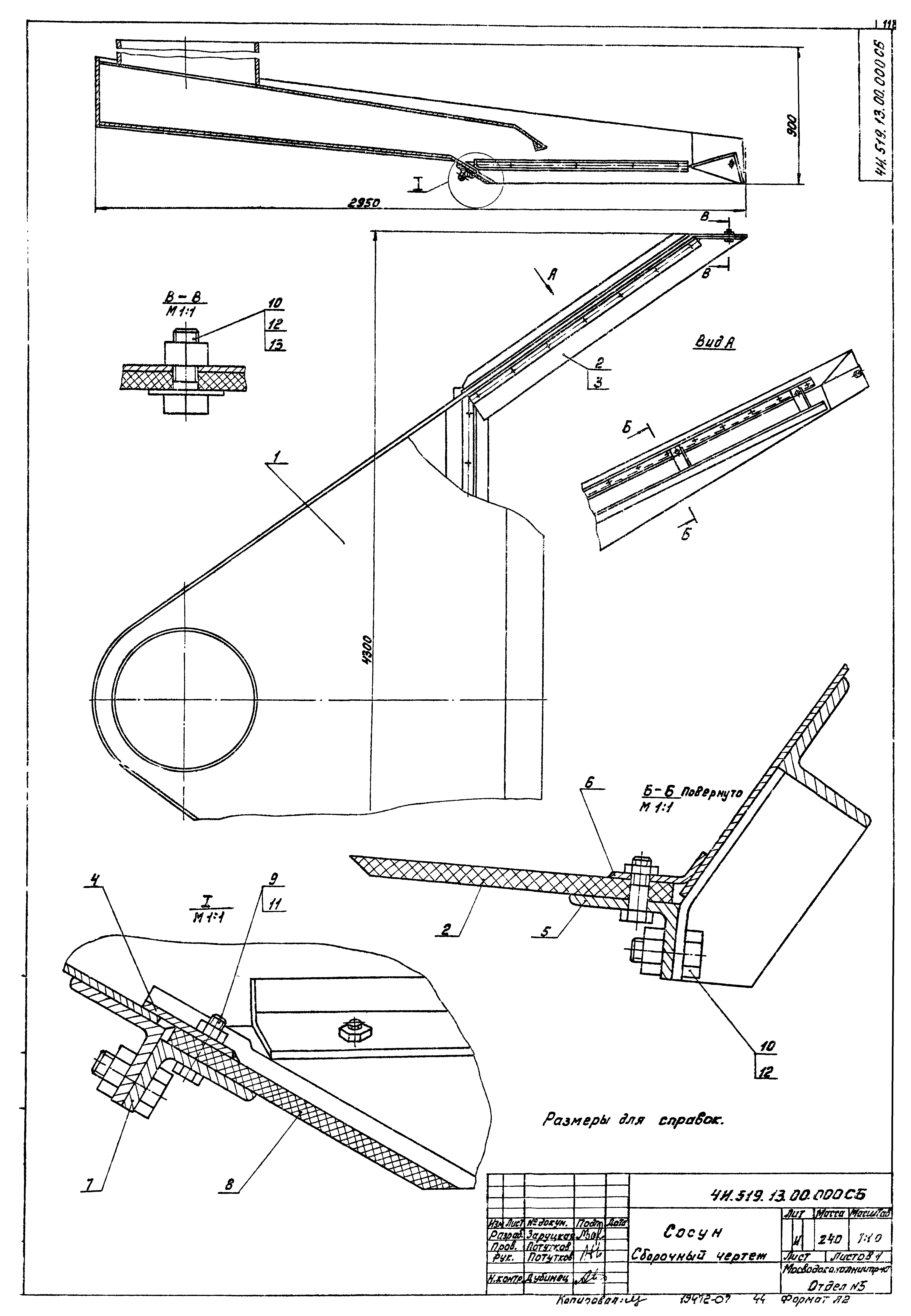
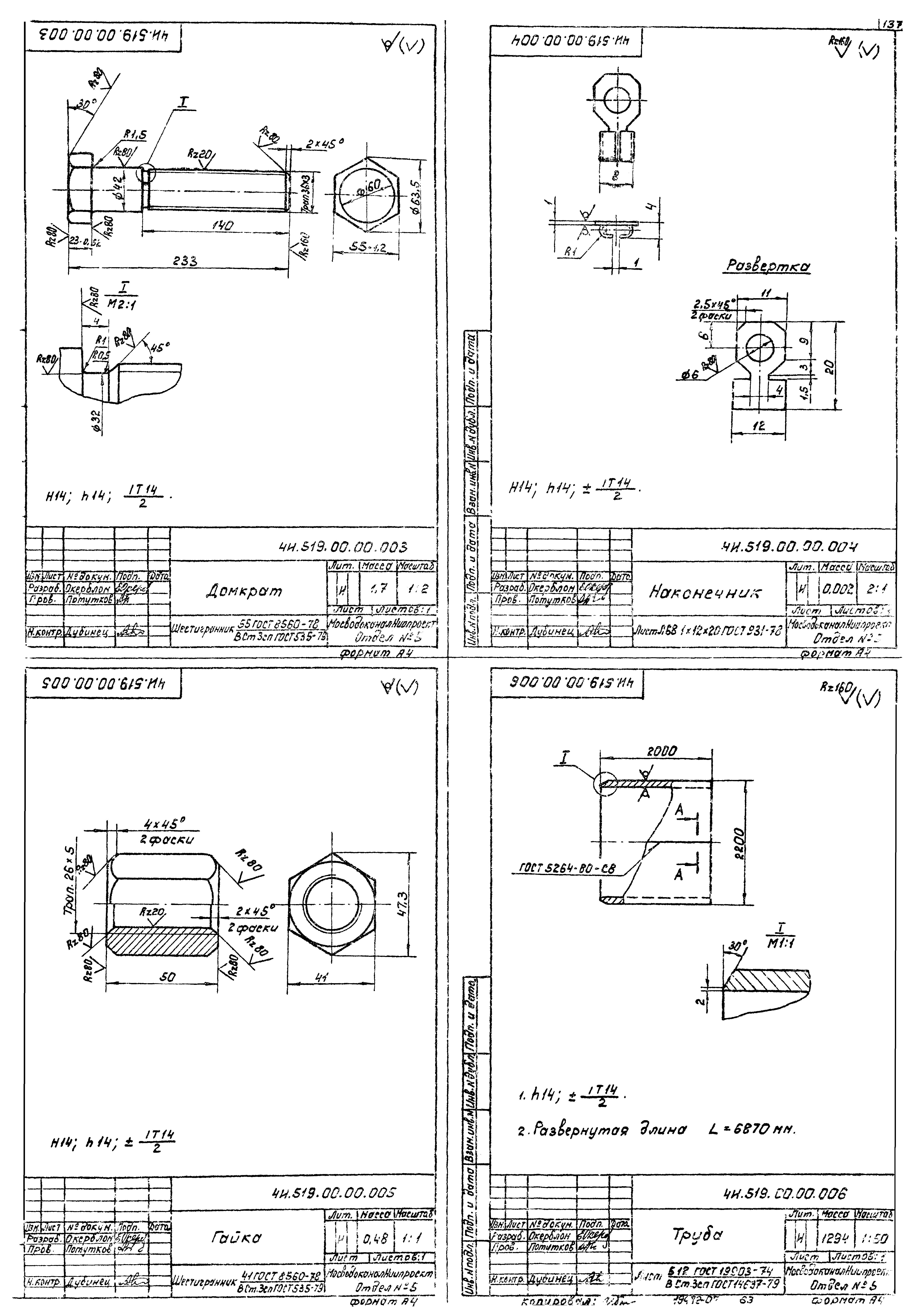
| Оглавление: | Часть 2 Титульный лист 4И.519.10.00.000 СБ Привод. Лист 1 4И.519.10.00.000 СБ Привод. Лист 2 4И.519.10.00.000 СБ Привод. Лист 3 4И.519.10.00.000 Привод. Спецификация 4И.519.10.01.000 СБ Вал в сборе 4И.519.10.01.000 Вал в сборе. Спецификация 4И.519.10.01.100 Траверса. Спецификация 4И.519.10.01.101 Полоса верхняя 4И.519.10.01.100 СБ Траверса 4И.519.10.01.102 Стенка 4И.519.10.01.103 Полоса нижняя 4И.519.10.01.104 Обойма 4И.519.10.01.001 Втулка 4И.519.10.01.002 Колесо зубчатое 4И.519.10.01.003 Крышка подшипника 4И.519.10.01.004 Вал 4И.519.10.01.005 Кольцо дистанционное 4И.519.10.01.006 Прокладка 4И.519.10.01.007 Кольцо уплотнительное 4И.519.10.01.008 Кольцо 4И.519.10.01.009 Крышка подшипника 4И.519.10.01.011 Крышка подшипника 4И.519.10.02.000 Рама. Спецификация 4И.519.10.02.000 СБ Рама. Лист 1 4И.519.10.02.000 СБ Рама. Лист 2 4И.519.10.02.000 СБ Рама. Лист 3 4И.519.10.02.001 Накладка 4И.519.10.02.002 Швеллер 4И.519.10.02.003 Ребро 4И.519.10.02.004 Лапа 4И.519.10.03.000 СБ Кронштейн 4И.519.10.03.000 Кронштейн. Спецификация 4И.519.10.03.001 Фланец 4И.519.10.03.002 Ребро 4И.519.10.03.003 Основание 4И.519.10.04.000 СБ Колесо 4И.519.10.04.000 Колесо. Спецификация 4И.519.10.04.001 Диск 4И.519.10.00.001 Шестерня сменная 4И.519.10.00.002 Шестерня сменная 4И.519.10.00.003 Шестерня сменная 4И.519.10.00.004 Колесо зубчатое сменное 4И.519.10.00.005 Колесо зубчатое сменное 4И.519.10.00.006 Колесо зубчатое сменное 4И.519.10.00.007 Втулка 4И.519.10.00.008 Прокладка 4И.519.10.00.009 Шестерня 4И.519.10.00.011 Стакан 4И.519.10.00.011-01 Стакан 4И.519.10.00.012 Вал промежуточный 4И.519.10.00.013 Ступица 4И.519.10.00.014 Палец 4И.519.10.00.015 Шайба глухая 4И.519.10.00.015-01 Шайба глухая 4И.519.10.00.016 Шайба стопорная 4И.519.11.00.000 СБ Труба 4И.519.11.00.000 Труба. Спецификация 4И.519.12.00.000 Опора центральная. Спецификация 4И.519.12.00.000 СБ Опора центральная. Лист 1 4И.519.12.00.000 СБ Опора центральная. Лист 2 4И.519.12.01.000 СБ Конус. Лист 1 4И.519.12.01.000 СБ Конус. Лист 2 4И.519.12.01.000 Конус. Спецификация 4И.519.12.01.000 СБ Фланец верхний 4И.519.12.01.100 Фланец верхний. Спецификация 4И.519.12.01.101 Ребро 4И.519.12.01.001 Стойка 4И.519.12.01.002 Ребро кольцевое 4И.519.12.01.003 Обечайка верхняя 4И.519.12.01.004 Ребро 4И.519.12.01.005 Обечайка внутренняя 4И.519.12.01.006 Секция нижней обечайки 4И.519.12.01.007 Секция пояса 4И.519.12.01.008 Фланец нижний 4И.519.12.01.009 Уголок 4И.519.12.01.009-01 Уголок 4И.519.12.01.011 Бобышка 4И.519.12.02.000 СБ Направляющая нижняя 4И.519.12.02.000 Направляющая нижняя. Спецификация 4И.519.12.02.001 Обечайка 4И.519.12.02.002 Рубашка 4И.519.12.02.003 Фланец 4И.519.12.03.000 СБ Направляющая верхняя 4И.519.12.03.000 Направляющая верхняя. Спецификация 4И.519.12.03.001 Обечайка 4И.519.12.03.002 Фланец 4И.519.12.04.000 Основание. Спецификация 4И.519.12.04.001 Фланец 4И.519.12.04.001-01 Фланец 4И.519.12.04.000 СБ Основание. Лист 1 4И.519.12.04.000 СБ Основание. Лист 2 4И.519.12.04.002 Труба 4И.519.12.04.003 Обечайка 4И.519.12.04.004 Фланец 4И.519.12.04.005 Ребро 4И.519.12.04.006 Фланец 4И.519.12.05.000 Труба для кабеля. Спецификация 4И.519.12.05.000 СБ Труба для кабеля 4И.519.12.05.001 Труба 4И.519.12.00.001 Труба 4И.519.12.00.002 Прокладка 4И.519.13.00.000 СБ Сосун 4И.519.13.00.000 Сосун. Спецификация 4И.519.13.00.100 Корпус сосуна. Спецификация 4И.519.13.00.101 Отросток 4И.519.13.00.100 СБ Корпус сосуна 4И.519.13.00.102 Стенка боковая 4И.519.13.00.103 Стенка 4И.519.13.00.103-01 Стенка 4И.519.13.00.104 Уголок 4И.519.13.00.105 Уголок 4И.519.13.00.105-01 Уголок 4И.519.13.00.106 Уголок 4И.519.13.00.001 Скребок 4И.519.13.00.001-01 Скребок 4И.519.13.00.002 Накладка 4И.519.13.00.003 Уголок 4И.519.13.00.004 Накладка 4И.519.13.00.005 Уголок 4И.519.13.00.006 Скребок 4И.519.14.00.000 СБ Стойка 4И.519.14.00.000 Стойка. Спецификация 4И.519.14.00.001 Пластина 4И.519.14.00.002 Ножка 4И.519.14.00.003 Лапа 4И.519.14.00.004 Распорка 4И.519.15.00.000 СБ Лестница 4И.519.15.00.000 Лестница. Спецификация 4И.519.15.00.001 Уголок 4И.519.15.00.001-01 Уголок 4И.519.15.00.002 Уголок 4И.519.15.00.002-01 Уголок 4И.519.16.00.000 Отвод 30º 1220х10 4И.519.16.00.001 Полусектор 4И.519.16.00.002 Сектор 4И.519.17.00.000 СБ Тяга 4И.519.17.00.000-01 Тяга 4И.519.17.00.000-02 Тяга 4И.519.17.00.000-03 Тяга 4И.519.17.00.000-04 Тяга 4И.519.17.00.000-05 Тяга 4И.519.17.00.000 Тяга. Спецификация. Лист 1 4И.519.17.00.000 Тяга. Спецификация. Лист 2-3 4И.519.17.00.001 Вилка 4И.519.18.00.000 Вилка 4И.519.19.00.000 СБ Распорка 4И.519.19.00.000-01 Распорка 4И.519.19.00.000 Распорка. Спецификация 4И.519.20.00.000 Расчалка. Спецификация 4И.519.20.00.000 СБ Расчалка 4И.519.20.00.001 Серьга 4И.519.21.00.000 Заслонка 4И.519.21.00.001 Ребро 4И.519.21.00.002 Втулка 4И.519.22.00.000 СБ Стойка 4И.519.22.00.000 Стойка. Спецификация 4И.519.22.00.001 Патрубок 4И.519.22.00.002 Палец 4И.519.23.00.000 СБ Настил 4И.519.23.00.000 Настил. Спецификация 4И.519.23.00.001 Пластина 4И.519.24.00.000 СБ Настил 4И.519.24.00.000 Настил. Спецификация 4И.519.25.00.000 СБ Короб специальный 4И.519.25.00.000 Короб специальный. Спецификация 4И.519.26.00.000 СБ Кожух 4И.519.26.00.000 Кожух. Спецификация 4И.519.26.00.001 Стенка 4И.519.26.00.002 Лист 4И.519.27.00.000 СБ Кожух 4И.519.27.00.000 Кожух 4И.519.27.00.001 Стенка 4И.519.27.00.002 Лист 4И.519.27.00.003 Ручка 4И.519.00.00.001 Ось 4И.519.00.00.002 Муфта монтажная 4И.519.00.00.003 Домкрат 4И.519.00.00.004 Наконечник 4И.519.00.00.005 Гайка 4И.519.00.00.006 Труба 4И.519.00.00.007 Уплотнение 4И.519.00.00.008 Уплотнение 4И.519.00.00.009 Уплотнение 4И.519.00.00.011 Крышка 4И.519.00.00.012 Прокладка 4И.519.00.00.013 Винт установочный 4И.519.00.00.014 Ушко 4И.519.00.00.015 Груз 4И.519.00.00.016 Переход специальный 4И.519.00.00.017 Болт специальный 4И.519.00.00.018 Перила 4И.519.00.00.019 Стойка 4И.519.00.00.021 Стойка 4И.519.00.00.022 Фартук 4И.519.00.00.023 Обод 4И.519.00.00.024 Перила |
| Разработан: | МосводоканалНИИпроект |
| Утверждён: | 20.12.1983 МосводоканалНИИпроект (312) |


































































