Скачать Серия 3.901.1-17 Выпуск 1. Виброизолирующие основания для насосов К и КМ. Рабочие чертежиДата актуализации: 01.01.2021
|
| Обозначение: | Серия 3.901.1-17 |
| Обозначение англ: | Series 3.901.1-17 |
| Статус: | не определен законодательством |
| Название рус.: | Выпуск 1. Виброизолирующие основания для насосов К и КМ. Рабочие чертежи |
| Дата добавления в базу: | 01.09.2013 |
| Дата актуализации: | 01.01.2021 |
| Дата введения: | 15.08.1991 |
| Дата окончания срока действия: | 30.06.2003 |
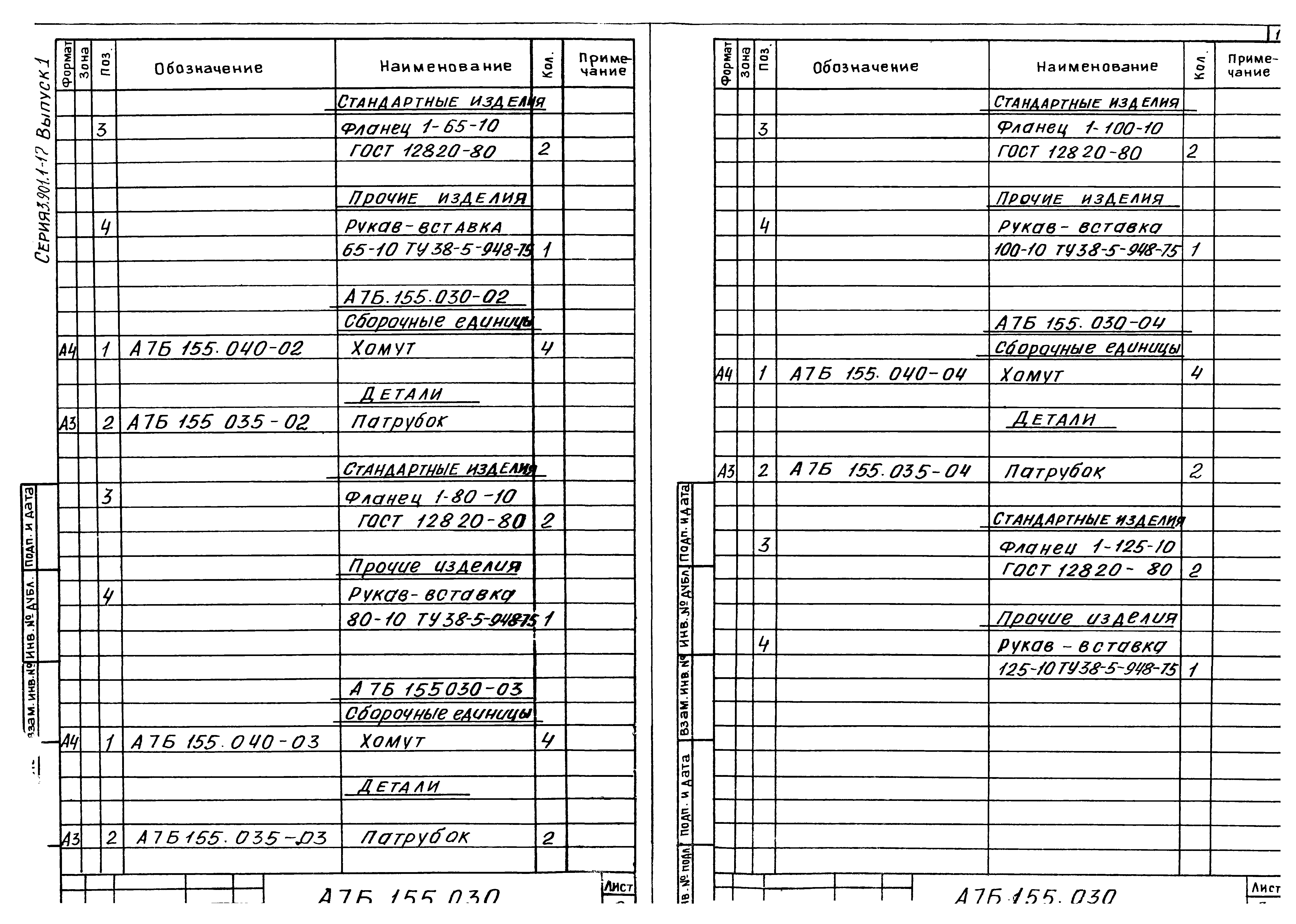
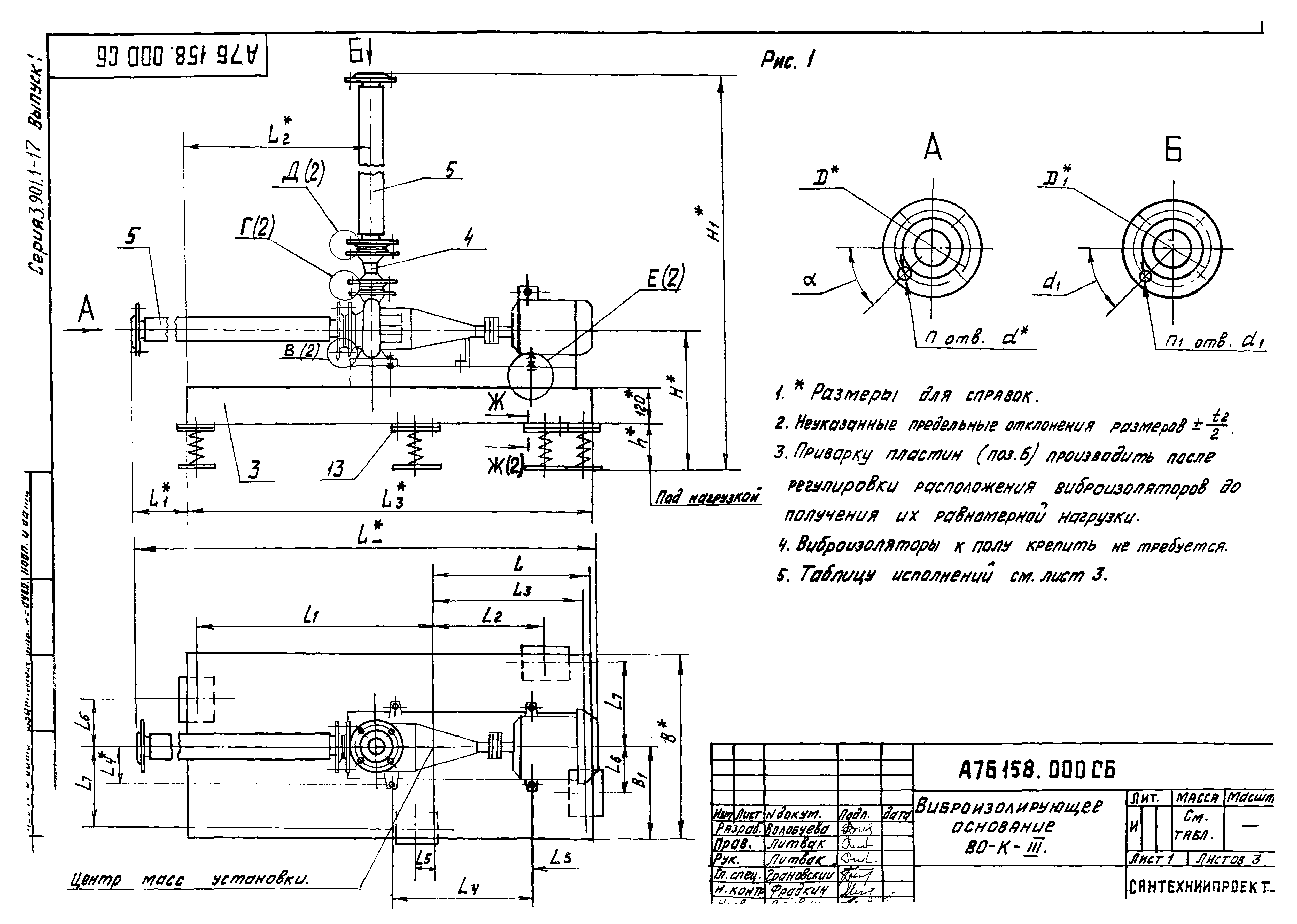
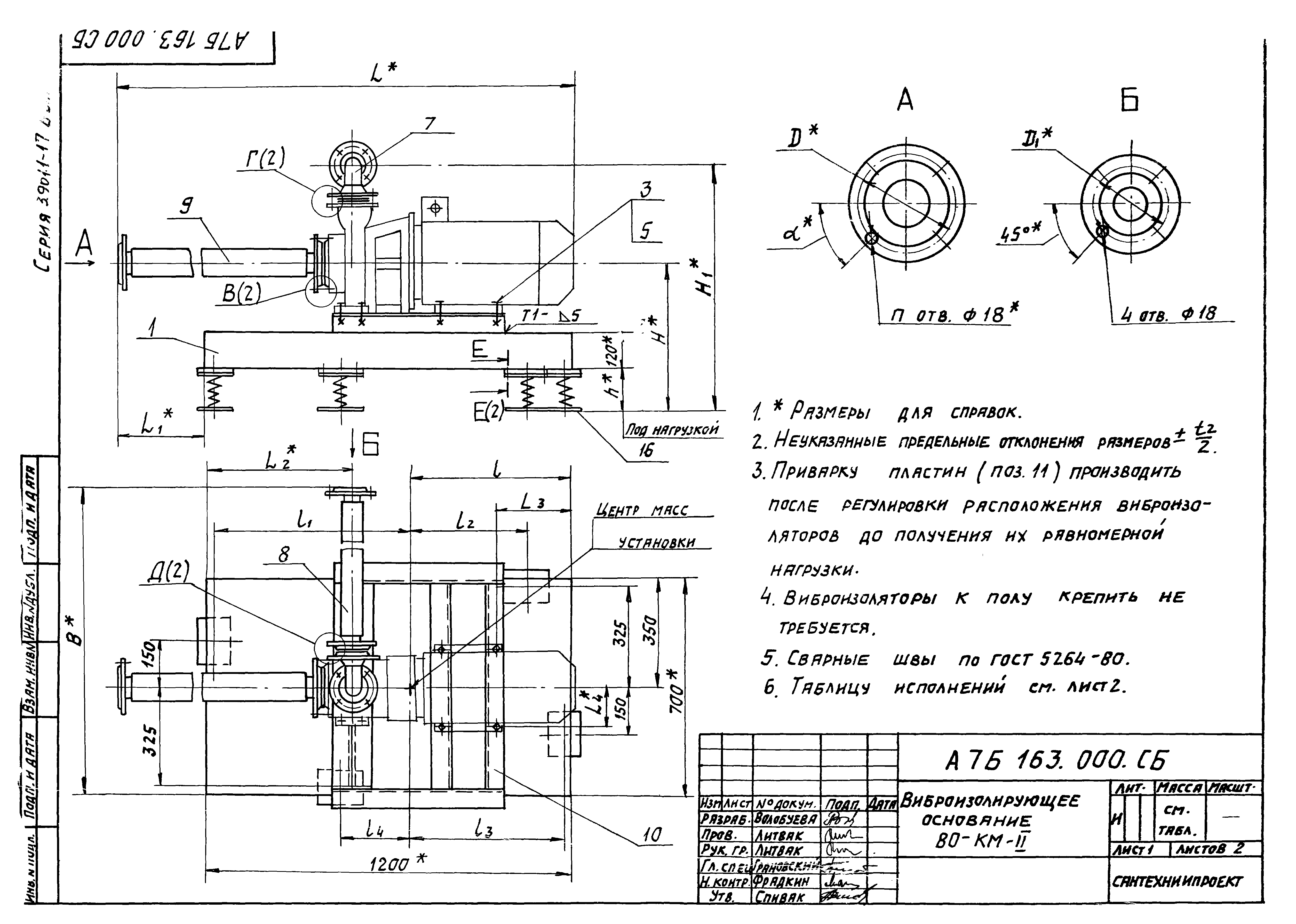
| Оглавление: | А 7Б 155.000 ТТ Виброизолирующие основания для насосов. Технические требования А 7Б 155.000 Виброизолирующее основание ВО-К-I А 7Б 155.000СБ Виброизолирующее основание ВО-К-I А 7Б 155.001 Пластина А 7Б 155.002 Болт фундаментный А 7Б 155.010 Отвод А 7Б 155.010СБ Отвод А 7Б 155.020 Переход А 7Б 155.020СБ Переход А 7Б 155.015 Шайба А 7Б 155.030 Рукав-вставка А 7Б 155.030СБ Рукав-вставка А 7Б 155.035 Патрубок А 7Б 155.040 Хомут А 7Б 155.040СБ Хомут А 7Б 155.011 Серьга хомута А 7Б 155.012 Гайка А 7Б 155.013 Болт А 7Б 155.014 Лента хомута А 7Б 156.000 Виброизолирующее основание ВО-К-I А 7Б 156.000СБ Виброизолирующее основание ВО-К-I А 7Б 156.010 Рукав-вставка А 7Б 156.010СБ Рукав-вставка А 7Б 157.000 Виброизолирующее основание ВО-К-II А 7Б 157.000СБ Виброизолирующее основание ВО-К-II А 7Б 158.000 Виброизолирующее основание ВО-К-III А 7Б 158.000СБ Виброизолирующее основание ВО-К-III А 7Б 159.000 Виброизолирующее основание ВО-КМ-I А 7Б 160.000 Виброизолирующее основание ВО-КМ-I А 7Б 159.000СБ Виброизолирующее основание ВО-КМ-I А 7Б 159.010 Основание А 7Б 159.010СБ Основание А 7Б 160.000СБ Виброизолирующее основание ВО-КМ-I А 7Б 160.010 Основание А 7Б 160.010СБ Основание А 7Б 161.000 Виброизолирующее основание ВО-КМ-II А 7Б 161.000СБ Виброизолирующее основание ВО-КМ-II А 7Б 162.000 Виброизолирующее основание ВО-КМ-III А 7Б 162.000СБ Виброизолирующее основание ВО-КМ-III А 7Б 163.000 Виброизолирующее основание ВО-КМ-II А 7Б 164.000 Виброизолирующее основание ВО-КМ-III А 7Б 163.000СБ Виброизолирующее основание ВО-КМ-II А 7Б 164.000СБ Виброизолирующее основание ВО-КМ-III |
| Разработан: | Сантехпроект Госстроя СССР |
| Утверждён: | 22.04.1991 ГПКНИИ Сантехниипроект Госстроя СССР (22) |







































































