Скачать Серия 3.904-24 Выпуск 1-2. Плиты. Рабочие чертежиДата актуализации: 01.01.2021
|
| Обозначение: | Серия 3.904-24 |
| Обозначение англ: | Series 3.904-24 |
| Статус: | не действует |
| Название рус.: | Выпуск 1-2. Плиты. Рабочие чертежи |
| Дата добавления в базу: | 01.09.2013 |
| Дата актуализации: | 01.01.2021 |
| Дата введения: | 15.12.1985 |
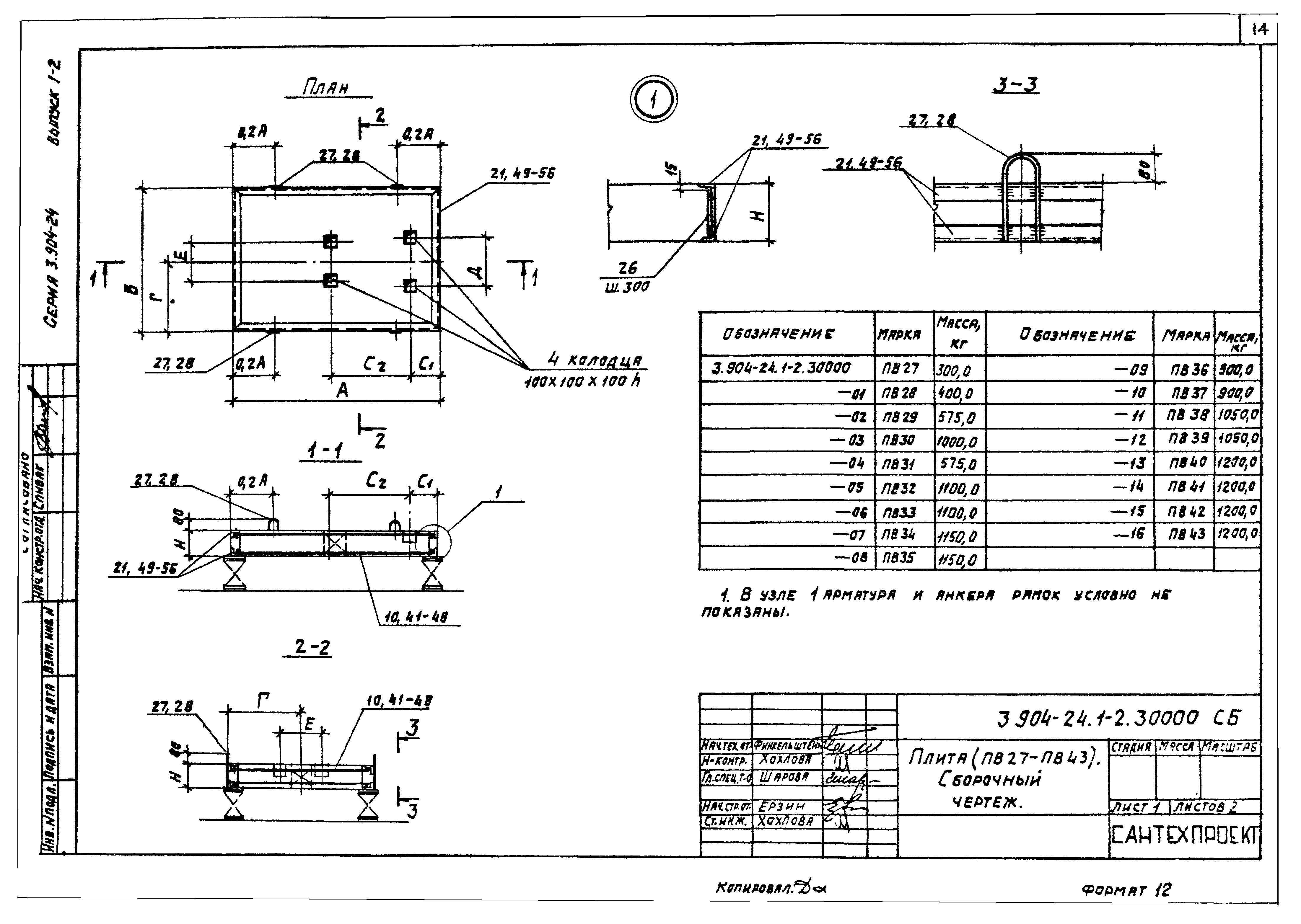
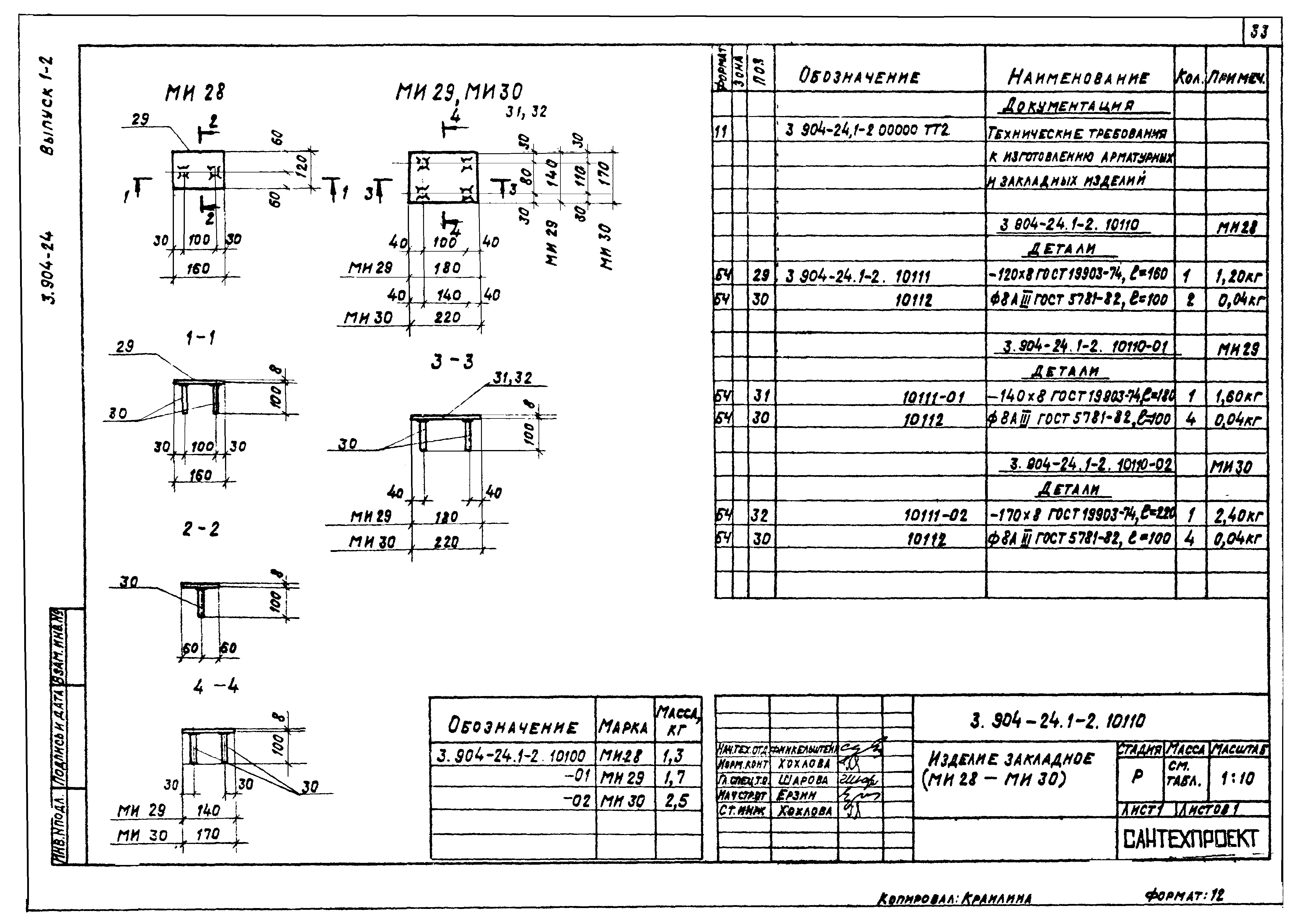
| Оглавление: | Содержание 3.904-24.1-2.00000 ТО Техническое описание 3.904-24.1-2.00000 ТТ1 Технические требования к изготовлению сборных железобетонных изделий 3.904-24.1-2.00000 ТТ2 Технические требования к изготовлению арматурных и закладных изделий 3.904-24.1-2.10000 Плита (ПВ1-ПА21) 3.904-24.1-2.10000 СБ Плита (ПВ1-ПА21). Сборочный чертеж 3.904-24.1-2.10000 ВС Плита (ПВ1-ПА21) 3.904-24.1-2.20000 Плита (ПВ22-ПА26) 3.904-24.1-2.20000 СБ Плита (ПВ22-ПА26). Сборочный чертеж 3.904-24.1-2.20000 ВС Плита (ПВ22-ПА26) 3.904-24.1-2.30000 Плита (ПВ27-ПА43) 3.904-24.1-2.30000 СБ Плита (ПВ27-ПА43). Сборочный чертеж 3.904-24.1-2.30000 ВС Плита (ПВ27-ПА43) 3.904-24.1-2.40000 Плита (ПВ44-ПА48) 3.904-24.1-2.40000 СБ Плита (ПВ44-ПА48). Сборочный чертеж 3.904-24.1-2.40000 ВС Плита (ПВ44-ПА48) 3.904-24.1-2.11000 Каркас пространственный (КП1-КП5) 3.904-24.1-2.12000 Каркас пространственный (КП6-КП11) 3.904-24.1-2.13000 Каркас пространственный (КП12-КП18) 3.904-24.1-2.14000 Каркас пространственный (КП19-КП23) 3.904-24.1-2.10010 Сетка (С1-С7) 3.904-24.1-2.10020 Сетка (С8-С14) 3.904-24.1-2.10030 Сетка (С15-С21) 3.904-24.1-2.10040 Сетка (С22-С27) 3.904-24.1-2.10050 Изделие закладное (МИ1-МИ4) 3.904-24.1-2.10060 Изделие закладное (МИ5-МИ9) 3.904-24.1-2.10070 Изделие закладное (МИ10-МИ14) 3.904-24.1-2.10080 Изделие закладное (МИ15-МИ19) 3.904-24.1-2.10090 Изделие закладное (МИ20-МИ23) 3.904-24.1-2.10100 Изделие закладное (МИ24-МИ27) 3.904-24.1-2.10110 Изделие закладное (МИ28-МИ30) 3.904-24.1-2.10120 Петля (МП1-МП4) 3.904-24.1-2.00000 ВМ1 Ведомость потребности в стали на плиту 3.904-24.1-2.00000 ВМ2 Ведомость потребности в цементе и инертных материалах |
| Разработан: | Сантехниипроект Госстроя России |
| Утверждён: | 03.10.1985 Госстрой СССР (Государственный комитет Совета Министров СССР по делам строительства) (USSR Gosstroy АЧ-42) |
| Чем заменён: |






































