Скачать Типовой проект 902-3-60.87 Альбом III. Строительные изделияДата актуализации: 01.01.2021
|
| Обозначение: | Типовой проект 902-3-60.87 |
| Обозначение англ: | 902-3-60.87 |
| Статус: | не определен законодательством |
| Название рус.: | Альбом III. Строительные изделия |
| Дата добавления в базу: | 01.09.2013 |
| Дата актуализации: | 01.01.2021 |
| Дата введения: | 01.06.1987 |
| Дата окончания срока действия: | 30.06.2003 |
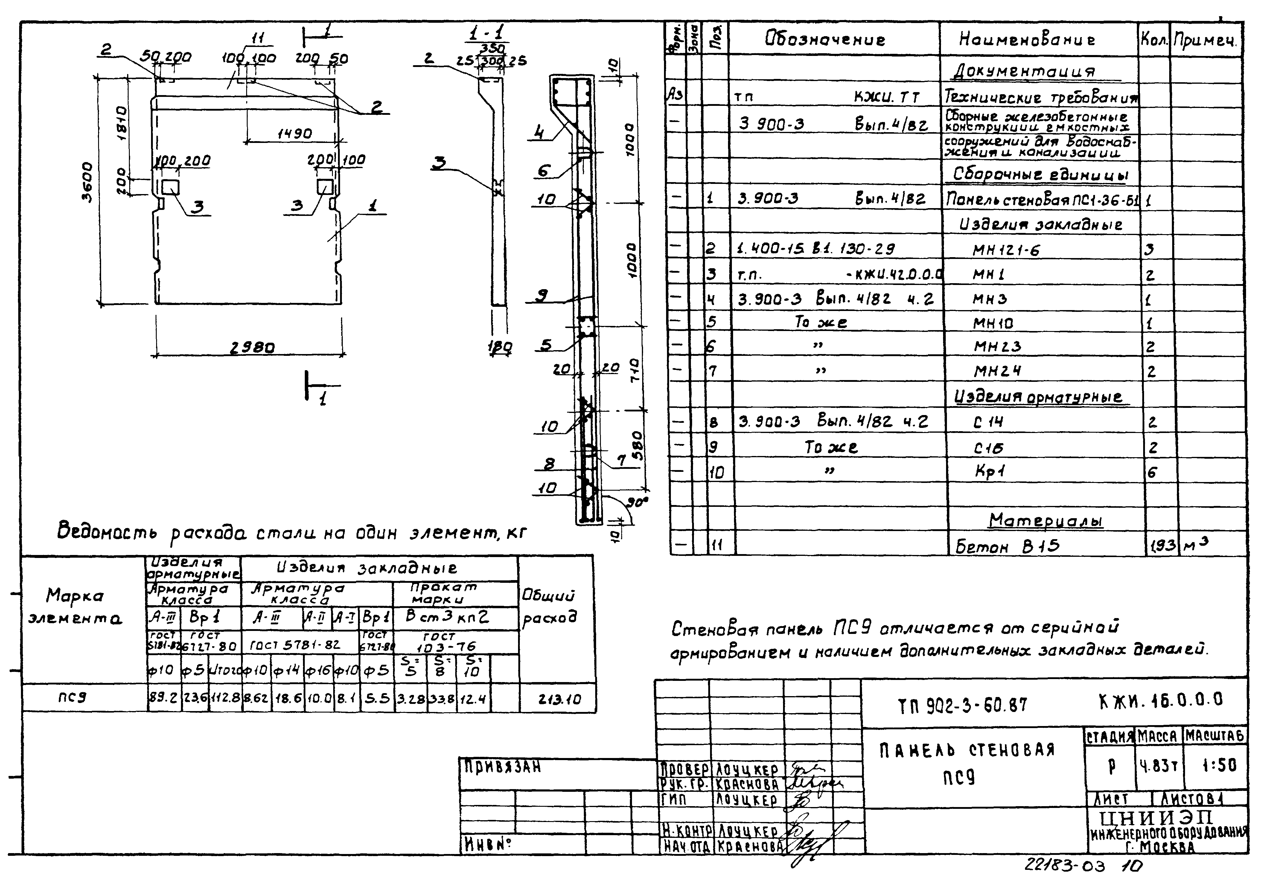
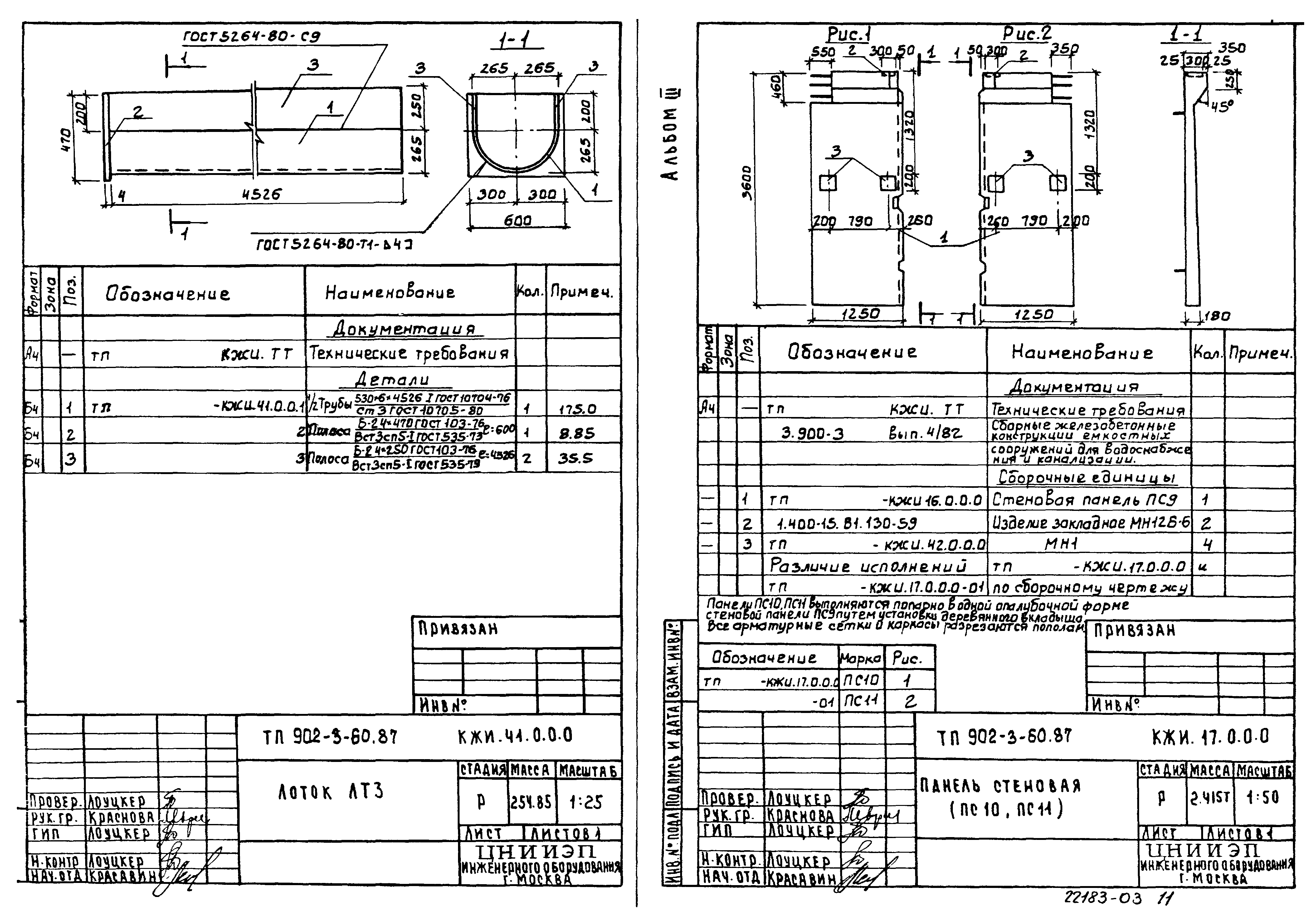
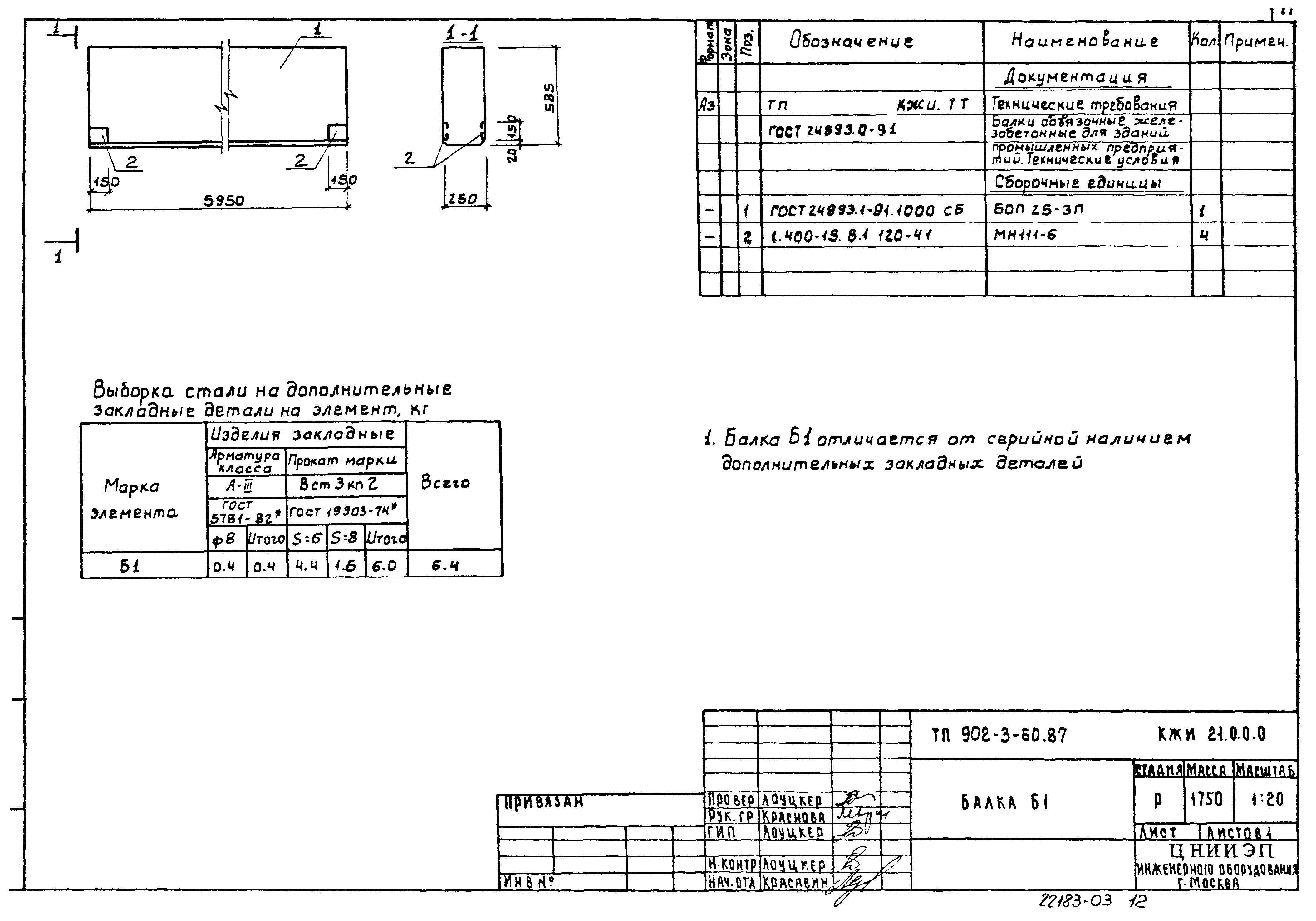
| Оглавление: | ТП 902-3-60.87-КЖИ.ТТ Технические требования ТП 902-3-60.87-КЖИ.11.0.0.0 Панель стеновая (ПС1,ПС2) ТП 902-3-60.87-КЖИ.12.0.0.0 Панель стеновая (ПС3,ПС4) ТП 902-3-60.87-КЖИ.13.0.0.0 Панель стеновая (ПС5,ПС6) ТП 902-3-60.87-КЖИ.14.0.0.0 Панель стеновая ПС7 ТП 902-3-60.87-КЖИ.15.0.0.0 Панель стеновая ПС8 ТП 902-3-60.87-КЖИ.16.0.0.0 Панель стеновая ПС9 ТП 902-3-60.87-КЖИ.41.0.0.0 Лоток ЛТ3 ТП 902-3-60.87-КЖИ.17.0.0.0 Панель стеновая (ПС10,ПС11) ТП 902-3-60.87-КЖИ.21.0.0.0 Балка Б1 ТП 902-3-60.87-КЖИ.31.0.0.0 Лоток ЛТ1 ТП 902-3-60.87-КЖИ.32.0.0.0 Лоток ЛТ2 ТП 902-3-60.87-КЖИ.42.0.0.0 Изделие закладное МН1 ТП 902-3-60.87-КЖИ.43.0.0.0 Изделие соединительное МС1 ТП 902-3-60.87-КЖИ.44.1.0.0 Каркас пространственный КП1 ТП 902-3-60.87-КЖИ.44.1.1.0 Каркас плоский КР1 ТП 902-3-60.87-КЖИ.45.0.1.0 Сетка арматурная С1 ТП 902-3-60.87-КЖИ.46.0.1.0 Сетка арматурная С2 ТП 902-3-60.87-КЖИ.47.0.1.0 Сетка арматурная С3 |
| Разработан: | ЦНИИЭП |
| Утверждён: | 05.11.1984 Госгражданстрой (Gosgrazhdanstroy 320) |


















