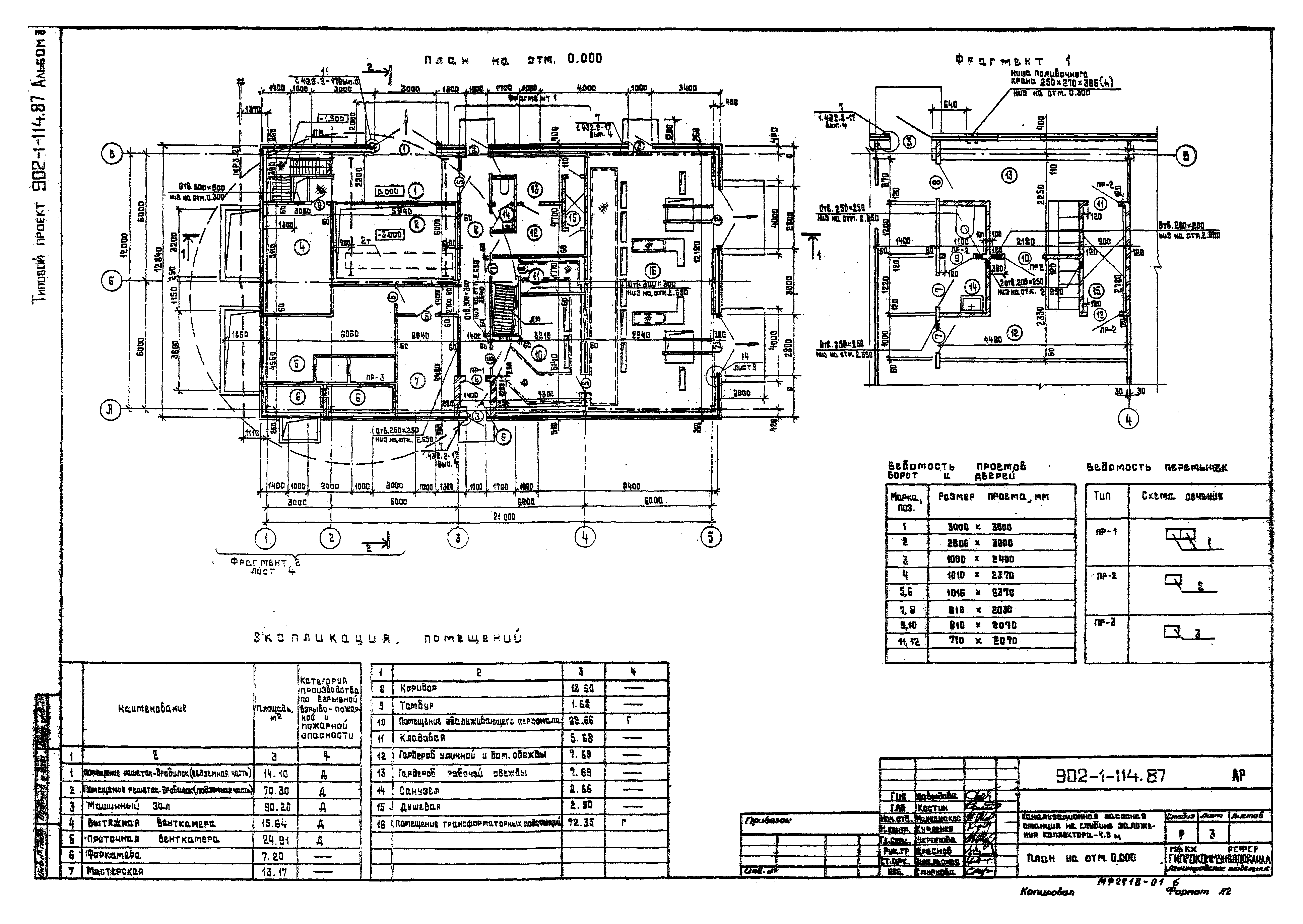
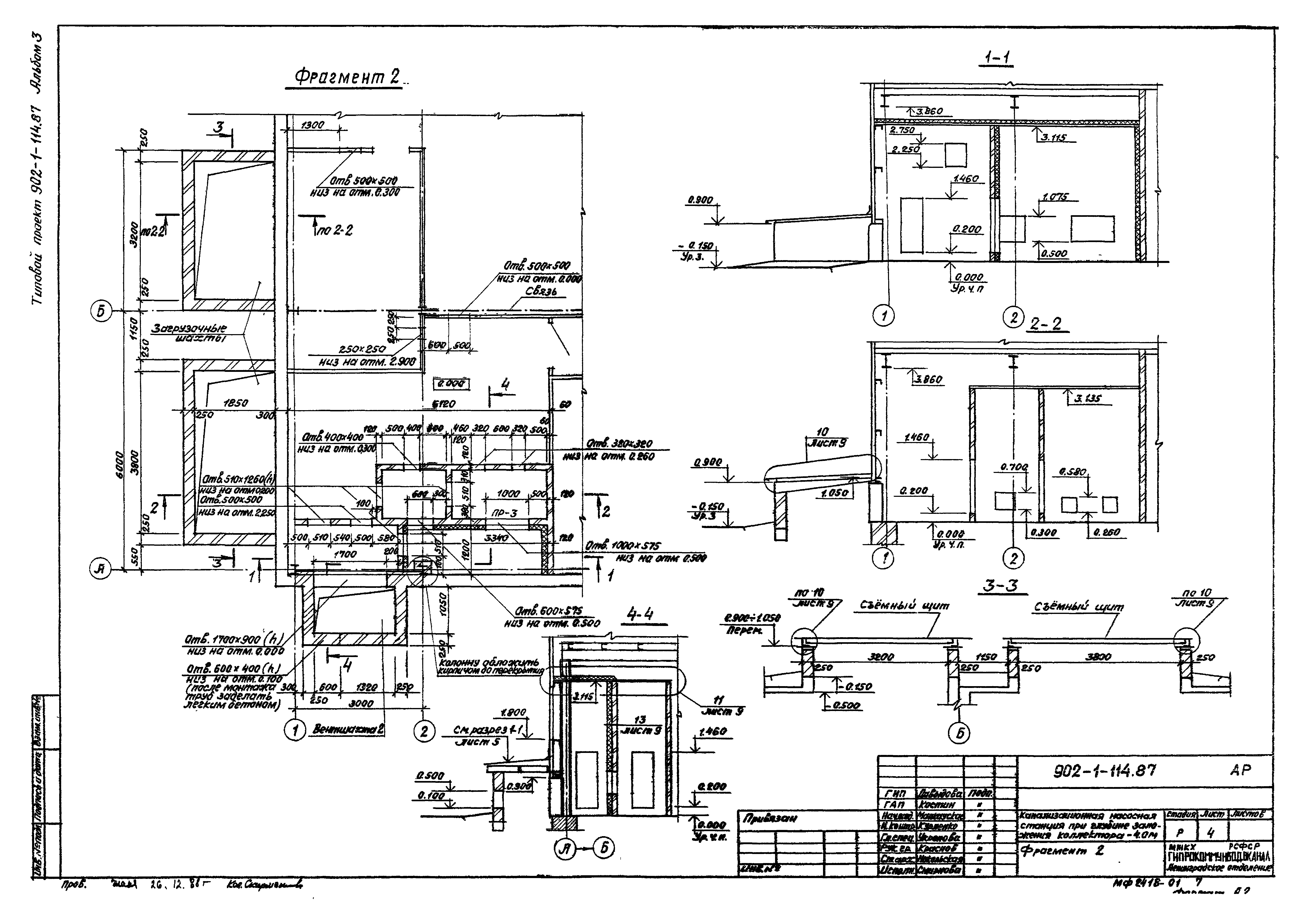
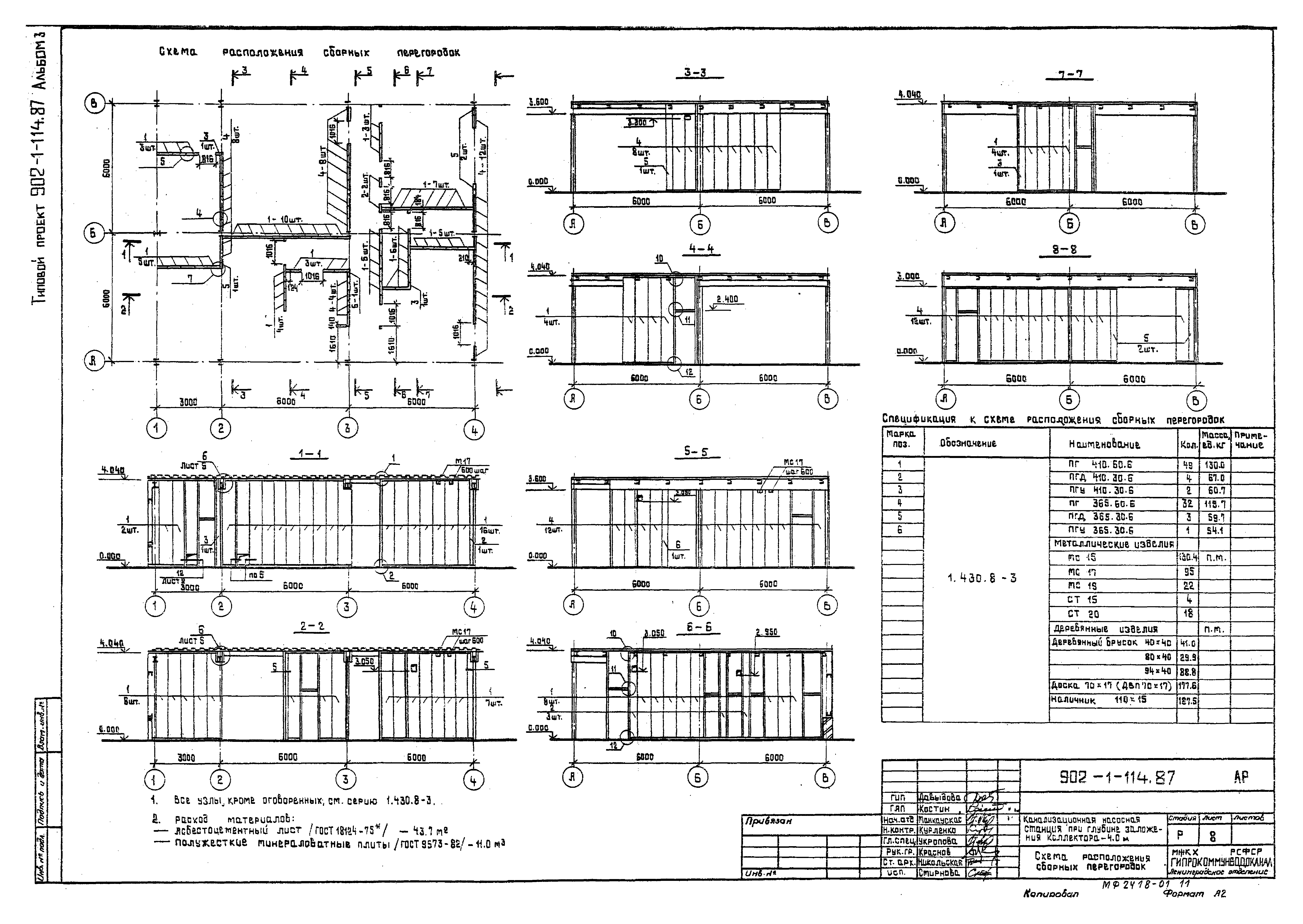
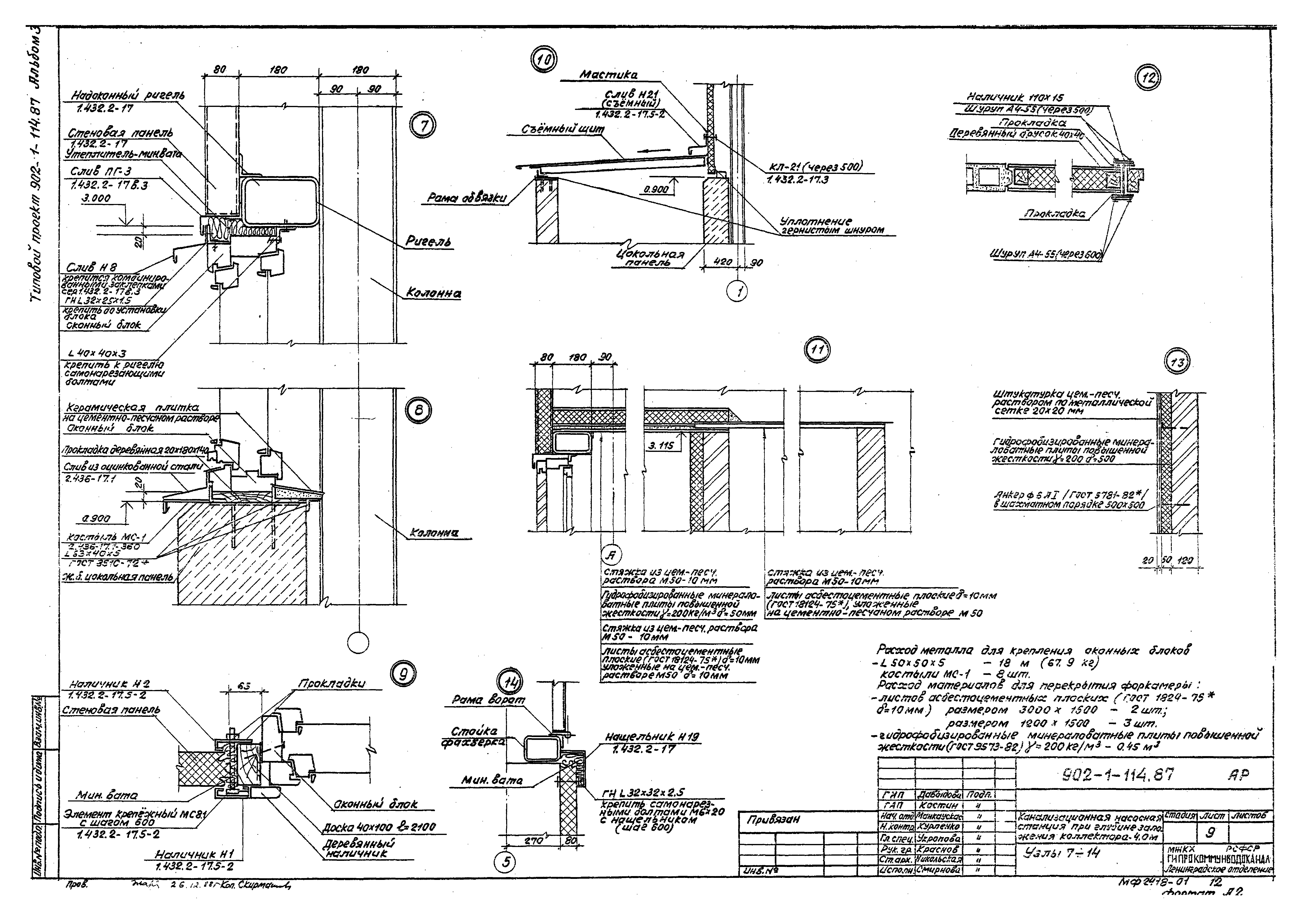
Скачать Типовой проект 902-1-114.87 Альбом 3. Архитектурно-строительные решения. Надземная частьДата актуализации: 01.01.2021
|
| Обозначение: | Типовой проект 902-1-114.87 |
| Обозначение англ: | 902-1-114.87 |
| Статус: | не определен законодательством |
| Название рус.: | Альбом 3. Архитектурно-строительные решения. Надземная часть |
| Дата добавления в базу: | 01.09.2013 |
| Дата актуализации: | 01.01.2021 |
| Дата введения: | 10.12.1987 |
| Дата окончания срока действия: | 30.06.2003 |
| Разработан: | Ленинградское отделение Гипрокоммунводоканала |
| Утверждён: | 09.12.1987 Госстрой РСФСР (Russian Federation Gosstroy 331) |























































