Скачать Типовая технологическая карта на строительство переходов магистральных трубопроводов диаметром 1020 мм под автомобильными и железными дорогами методом горизонтального бурения

Дата актуализации: 01.01.2021

Типовая технологическая карта на строительство переходов магистральных трубопроводов диаметром 1020 мм под автомобильными и железными дорогами методом горизонтального бурения

Статус:не действует
Название рус.:Типовая технологическая карта на строительство переходов магистральных трубопроводов диаметром 1020 мм под автомобильными и железными дорогами методом горизонтального бурения
Дата добавления в базу:01.09.2013
Дата актуализации:01.01.2021
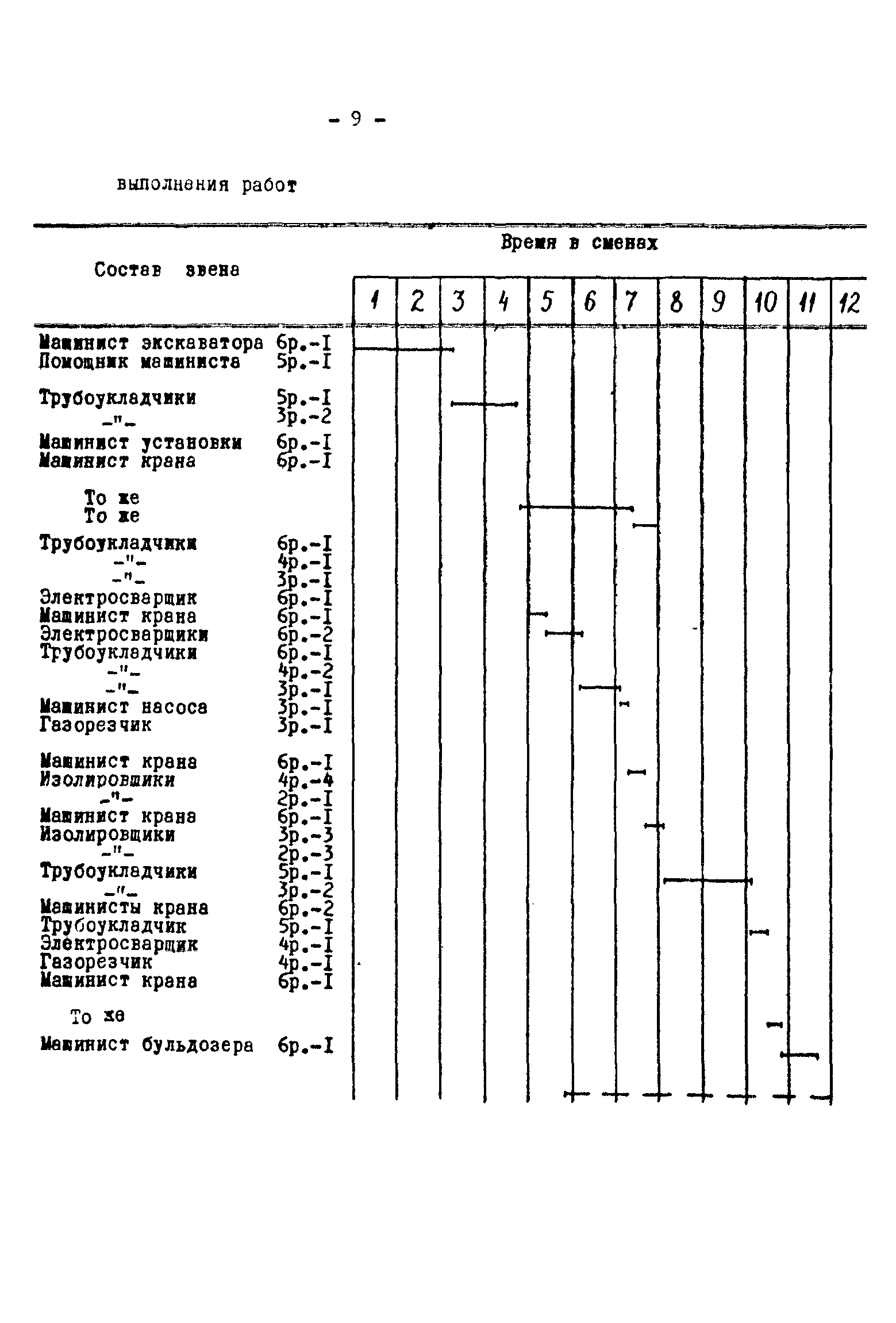
Область применения:В Карте рассматриваются организация и технология строительного процесса, организация и методы труда, приводятся технико-экономические показатели, график выполнения работ, калькуляция трудовых затрат, перечень машин, оборудования и инвентаря, а также требования техники безопасности.
Оглавление:Введение
1 Область применения
2 Технико-экономические показатели
3 Организация и технология производства работ
4 Организация и методы труда рабочих
5 Материально-технические ресурсы
6 Техника безопасности
Литература
Разработан: Производственно-техническая фирма Орггазстрой
Утверждён: Производственно-техническая фирма Орггазстрой (Orggazstroy Production and Technical Company )