Скачать Типовой проект 901-4-90.86 Альбом I. Конструктивные решенияДата актуализации: 01.01.2021
|
| Обозначение: | Типовой проект 901-4-90.86 |
| Обозначение англ: | 901-4-90.86 |
| Статус: | действует |
| Название рус.: | Альбом I. Конструктивные решения |
| Дата добавления в базу: | 01.09.2013 |
| Дата актуализации: | 01.01.2021 |
| Дата введения: | 12.11.1986 |
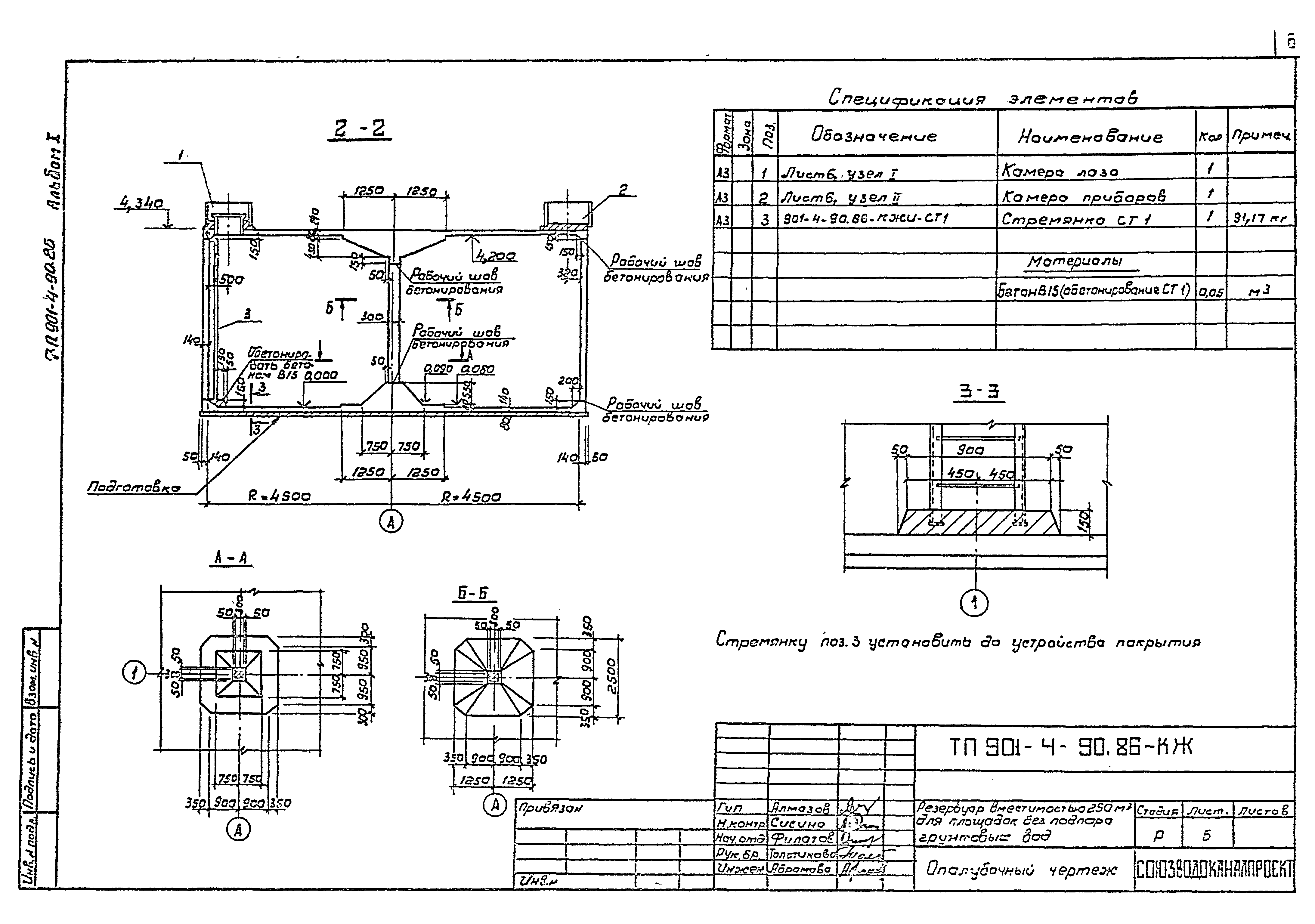
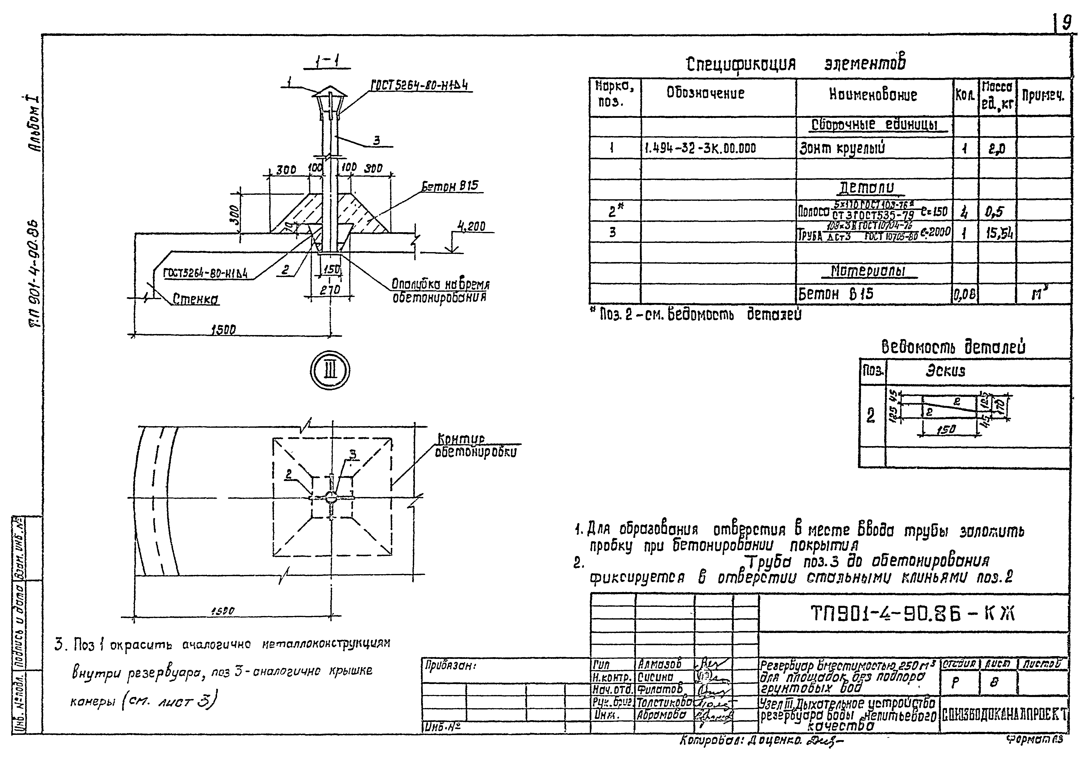
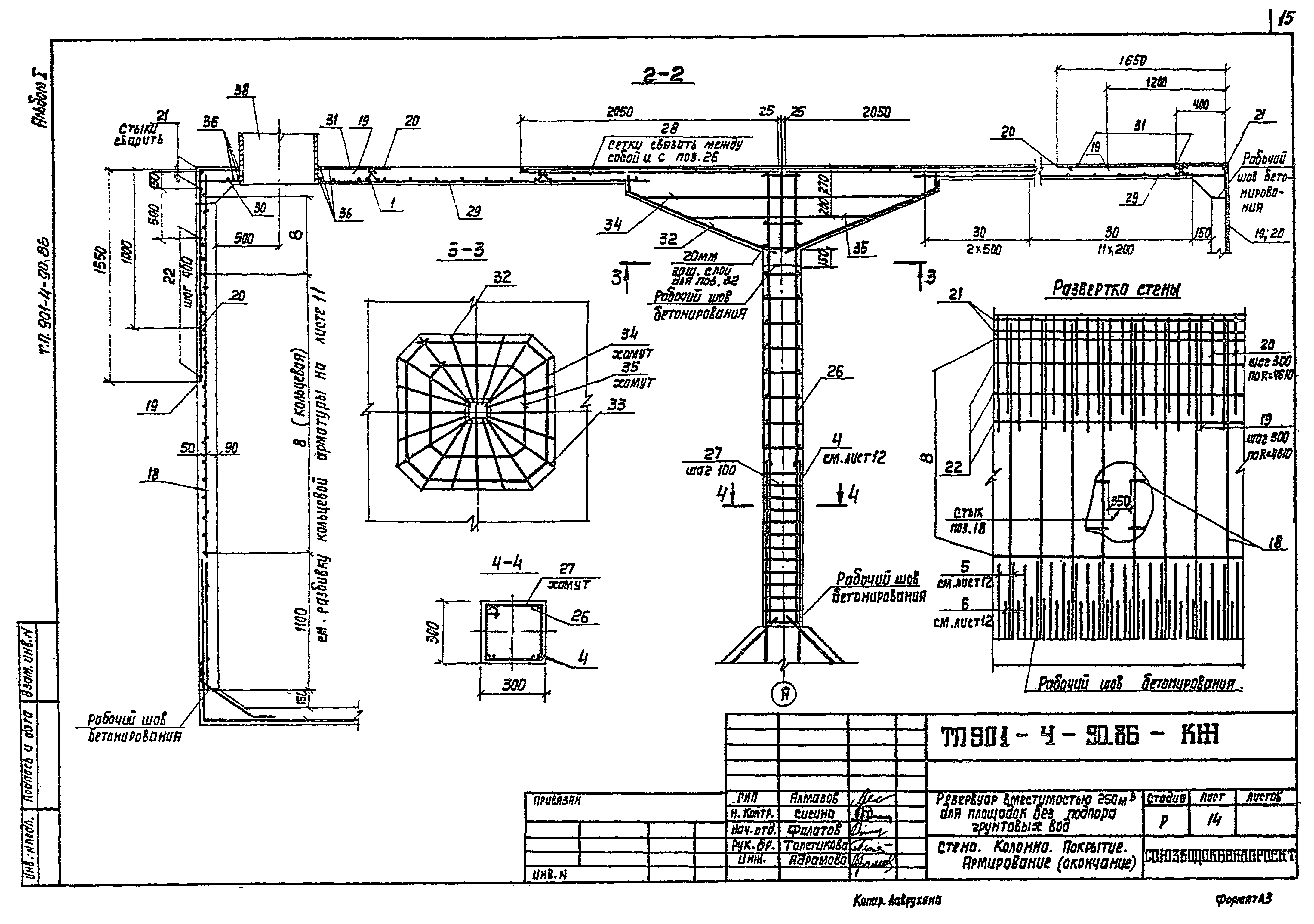
| Оглавление: | Общие данные Планы. Разрезы. Схема уклонов набетонки Опалубочный чертеж Узлы 1,2 Узел 3. Дыхательное устройство резервуара воды питьевого качества Узел 3. Дыхательное устройство резервуара воды непитьевого качества Армирование. Спецификация элементов Ведомость расхода стали Днище. Армирование Стена. Колонна. Покрытие. Армирование Проход труб через днище и стену Гидроизоляция Прилагаемые документы 901-4-90.86-КЖИ-ТУ Технические условия 901-4-90.86-КЖИ-С1 Сетка С1 901-4-90.86-КЖИ-С2 Сетка С2 901-4-90.86-КЖИ-С3 Сетка С3 901-4-90.86-КЖИ-С4 Сетка С4 901-4-90.86-КЖИ-С5 Сетка С5 901-4-90.86-КЖИ-КП Каркас пространственный КП 901-4-90.86-КЖИ-С6 Сетка С6 901-4-90.86-КЖИ-С7 Сетка С7 901-4-90.86-КЖИ-КК1 Крышка камеры КК1 901-4-90.86-КЖИ-МН1 Изделие закладное МН1 901-4-90.86-КЖИ-МН2 Изделие закладное МН2 901-4-90.86-КЖИ-СТ1 Стремянка СТ1 |
| Разработан: | Союзводоканалпроект НИИЖБ |
| Утверждён: | 06.11.1986 Госстрой СССР (Государственный комитет Совета Министров СССР по делам строительства) (USSR Gosstroy АЧ-73) |

























