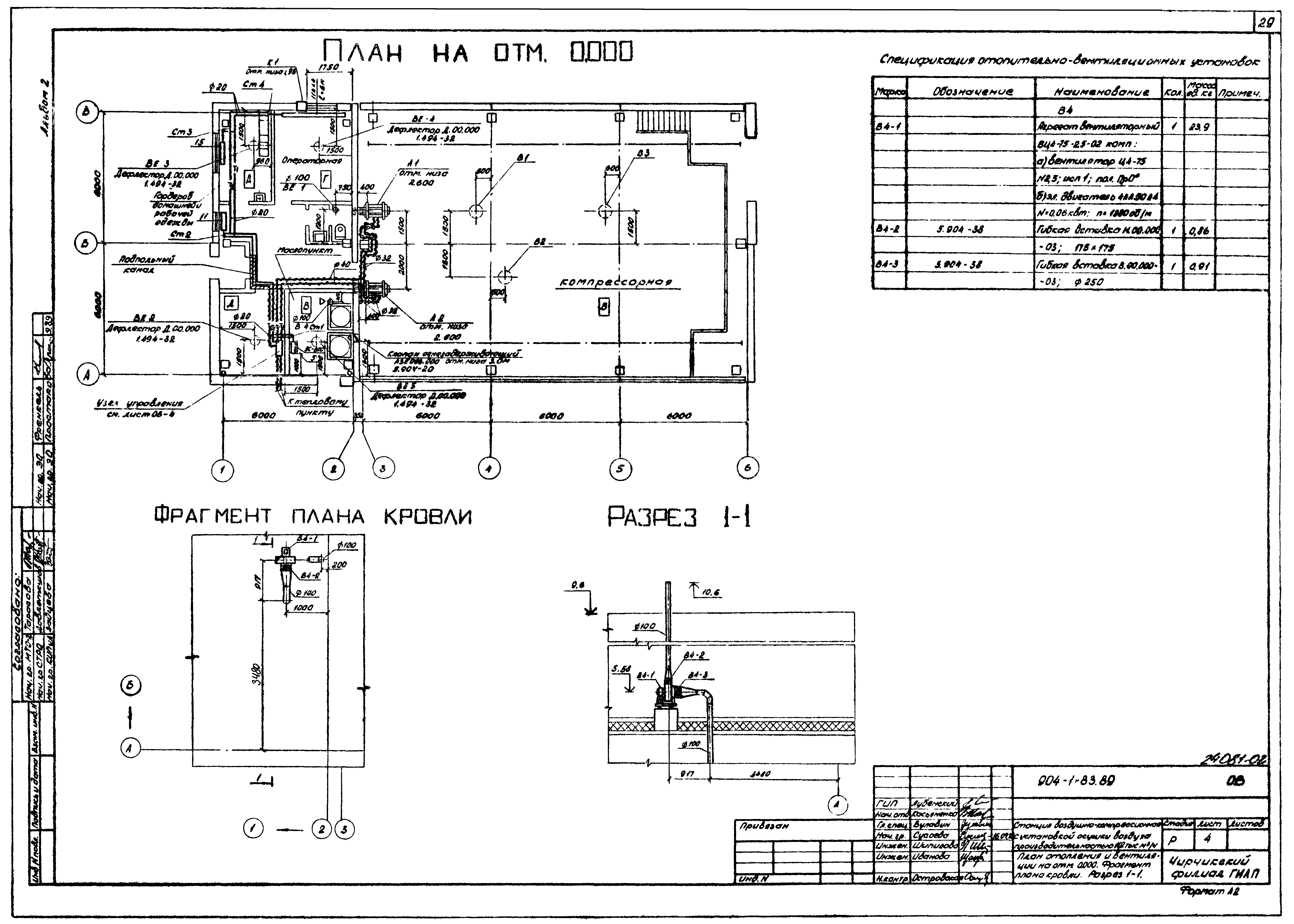
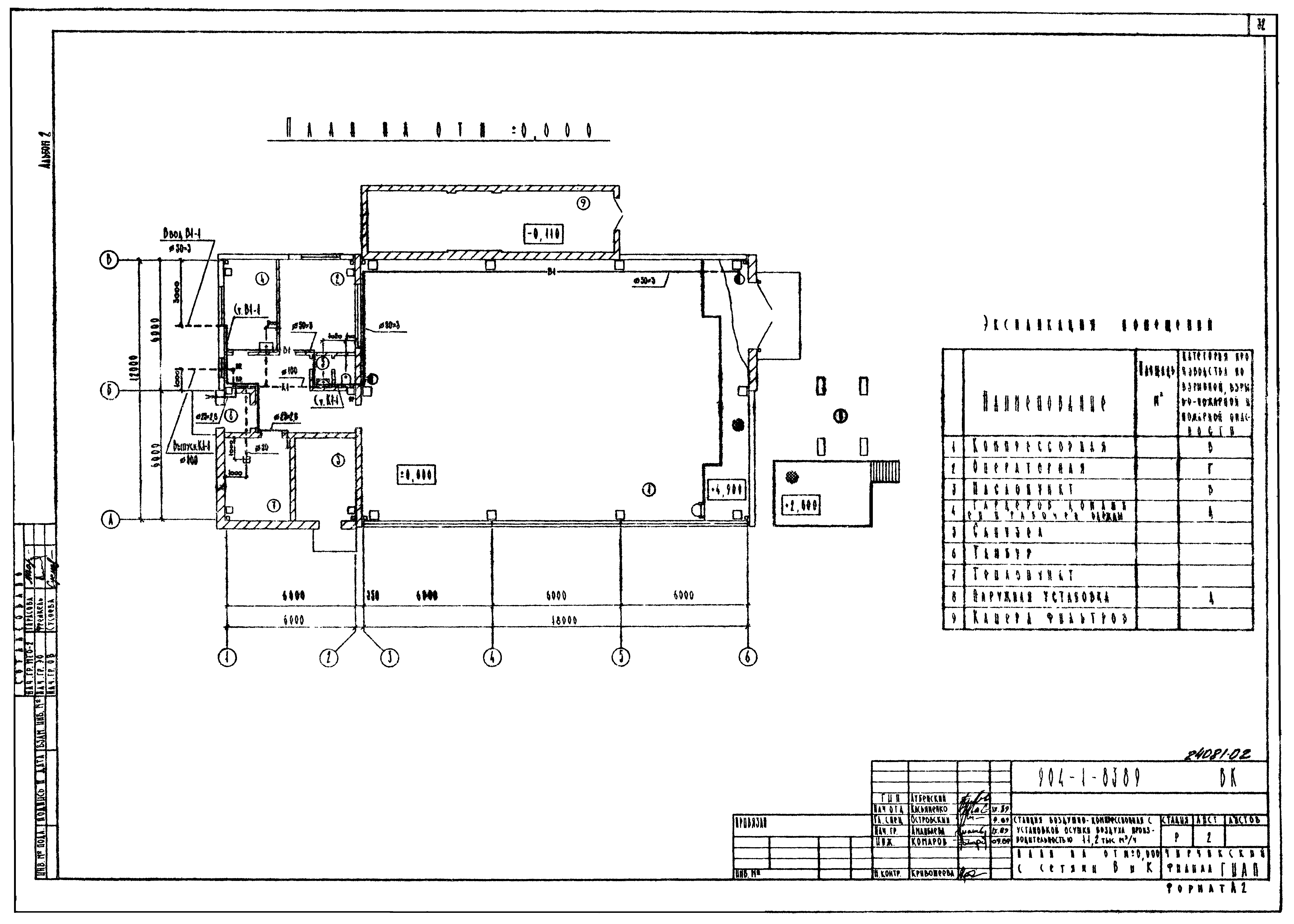
Скачать Типовой проект 904-1-83.89 Альбом 2. Силовое электрооборудование. Электрическое освещение. Связь и сигнализация. Отопление и вентиляция. Внутренний водопровод и канализацияДата актуализации: 01.01.2021 Типовой проект 904-1-83.89
Альбом 2. Силовое электрооборудование. Электрическое освещение. Связь и сигнализация. Отопление и вентиляция. Внутренний водопровод и канализация| Обозначение: | Типовой проект 904-1-83.89 | | Обозначение англ: | 904-1-83.89 | | Статус: | не действует | | Название рус.: | Альбом 2. Силовое электрооборудование. Электрическое освещение. Связь и сигнализация. Отопление и вентиляция. Внутренний водопровод и канализация | | Дата добавления в базу: | 01.09.2013 | | Дата актуализации: | 01.01.2021 | | Разработан: | Чирчикский филиал ГИАП
| | Утверждён: | 27.10.1989 Минудобрений СССР (USSR Minudobreniy 221)
|
                                 
|