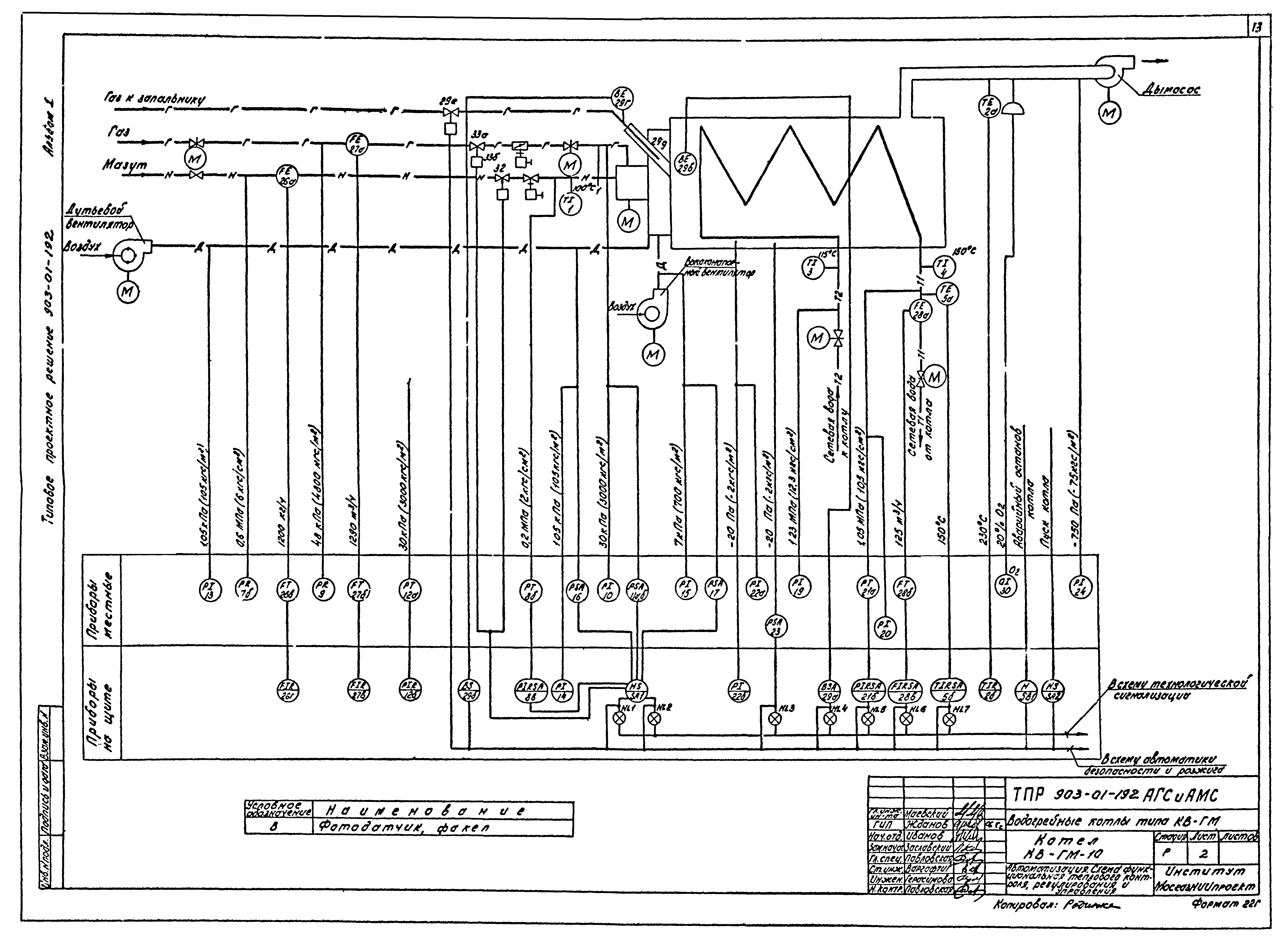
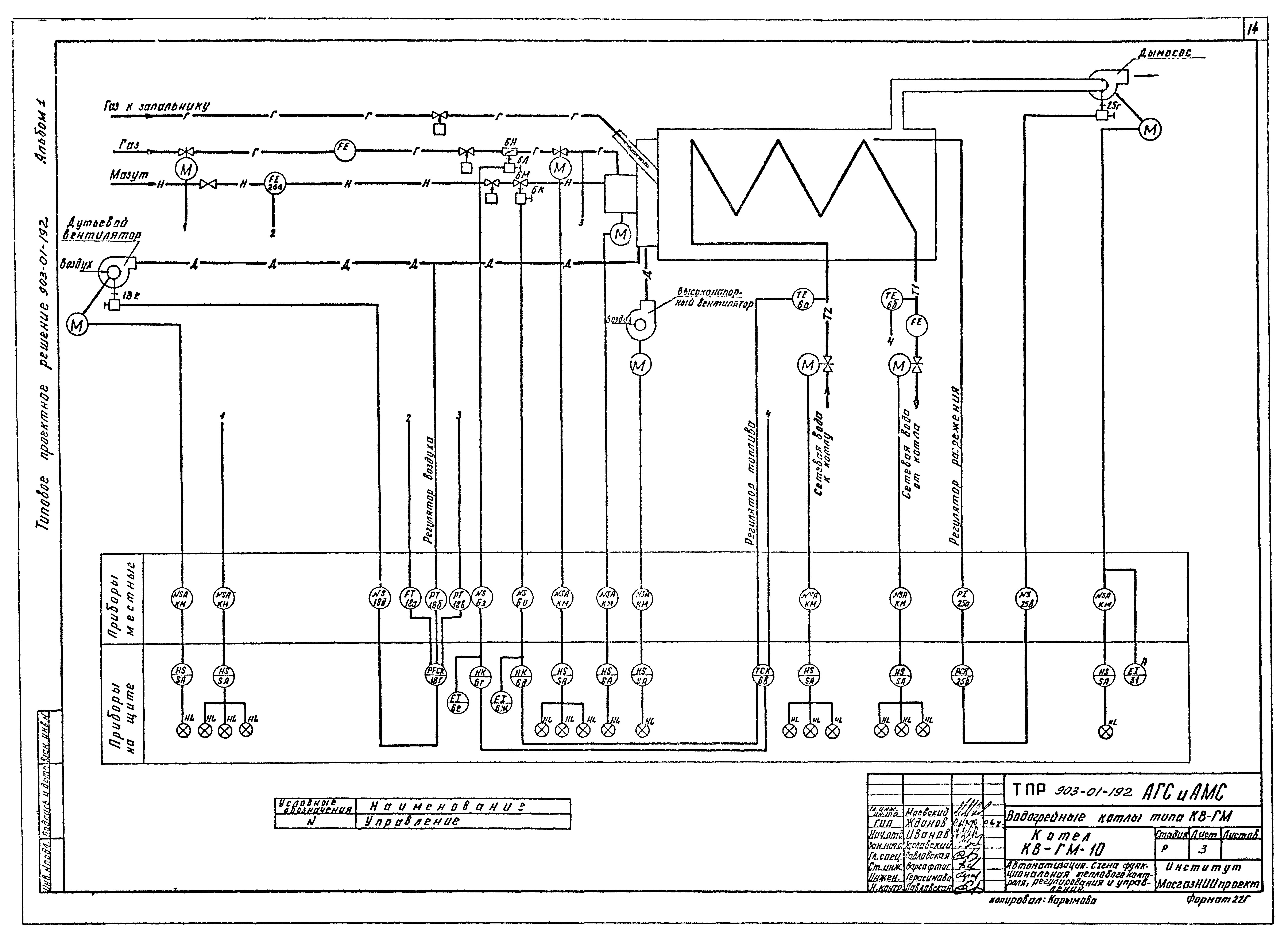
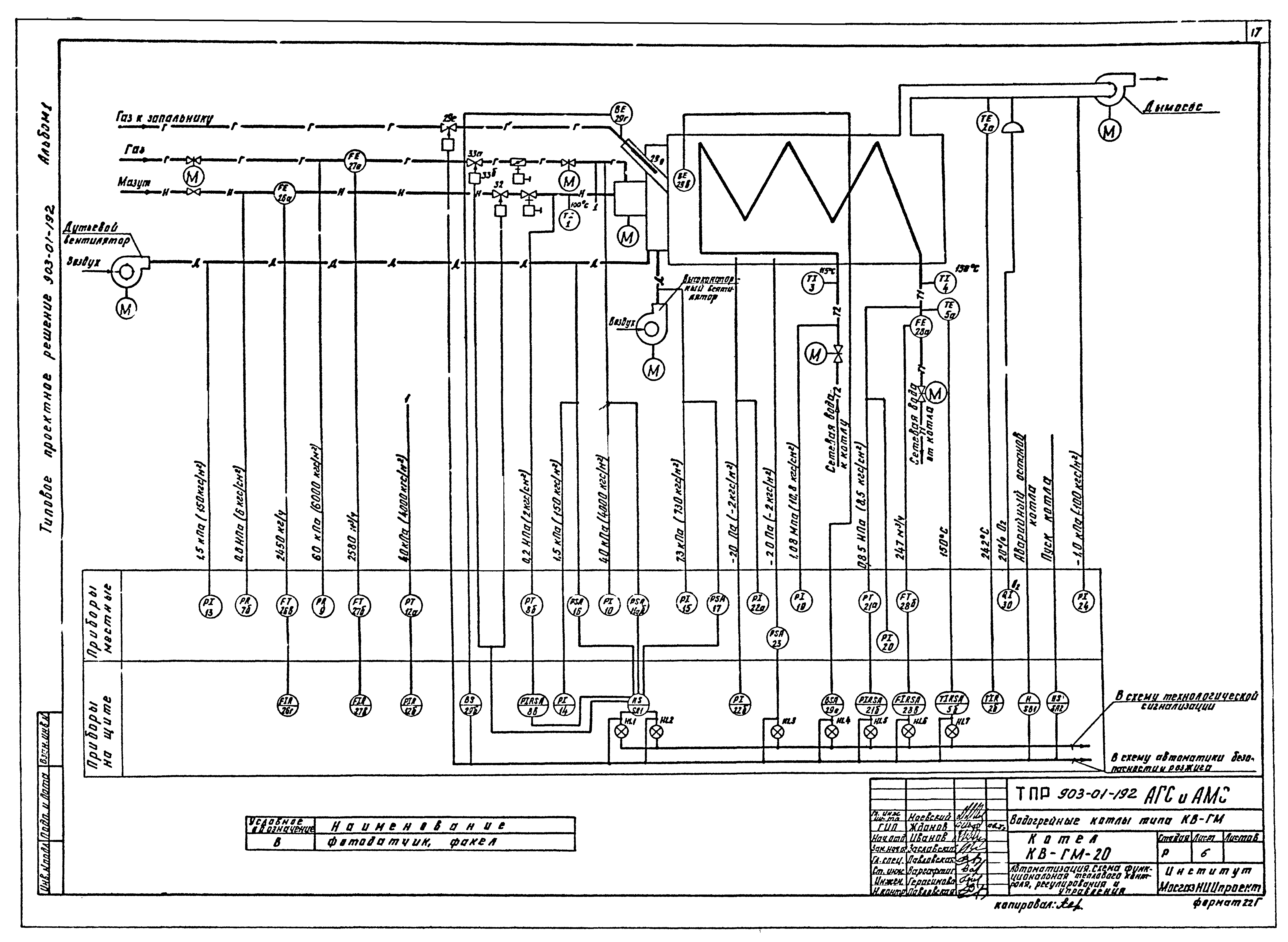
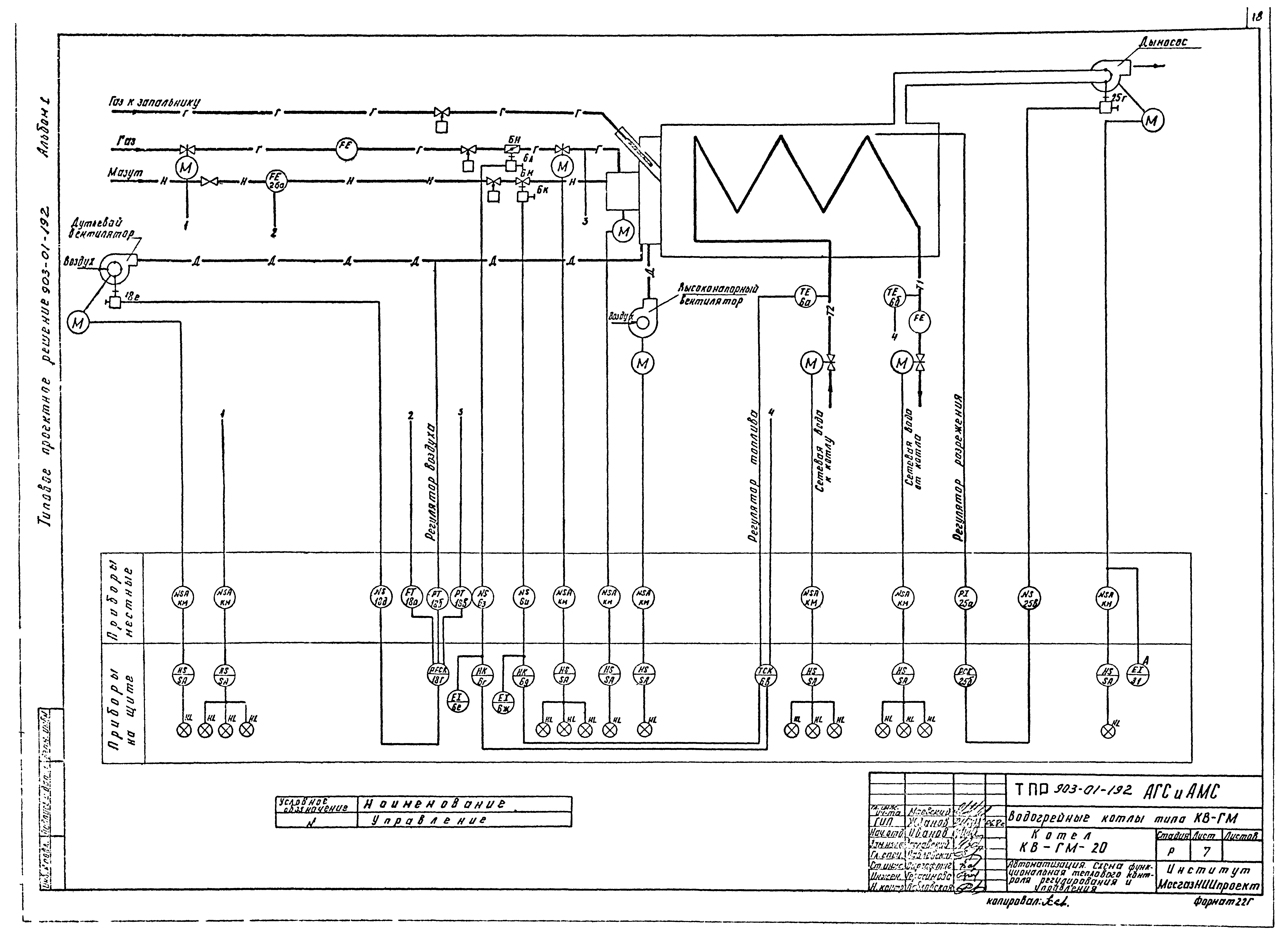
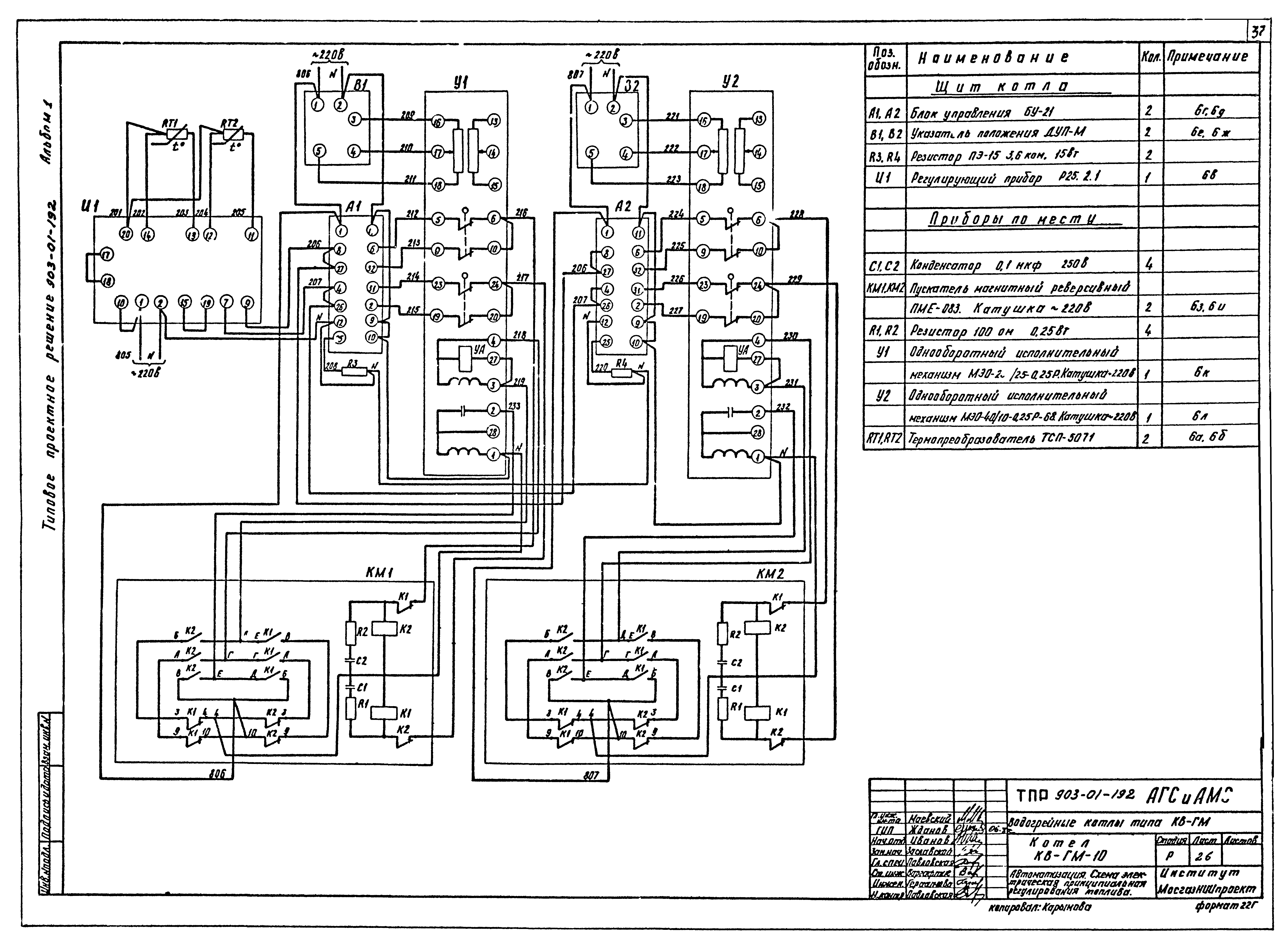
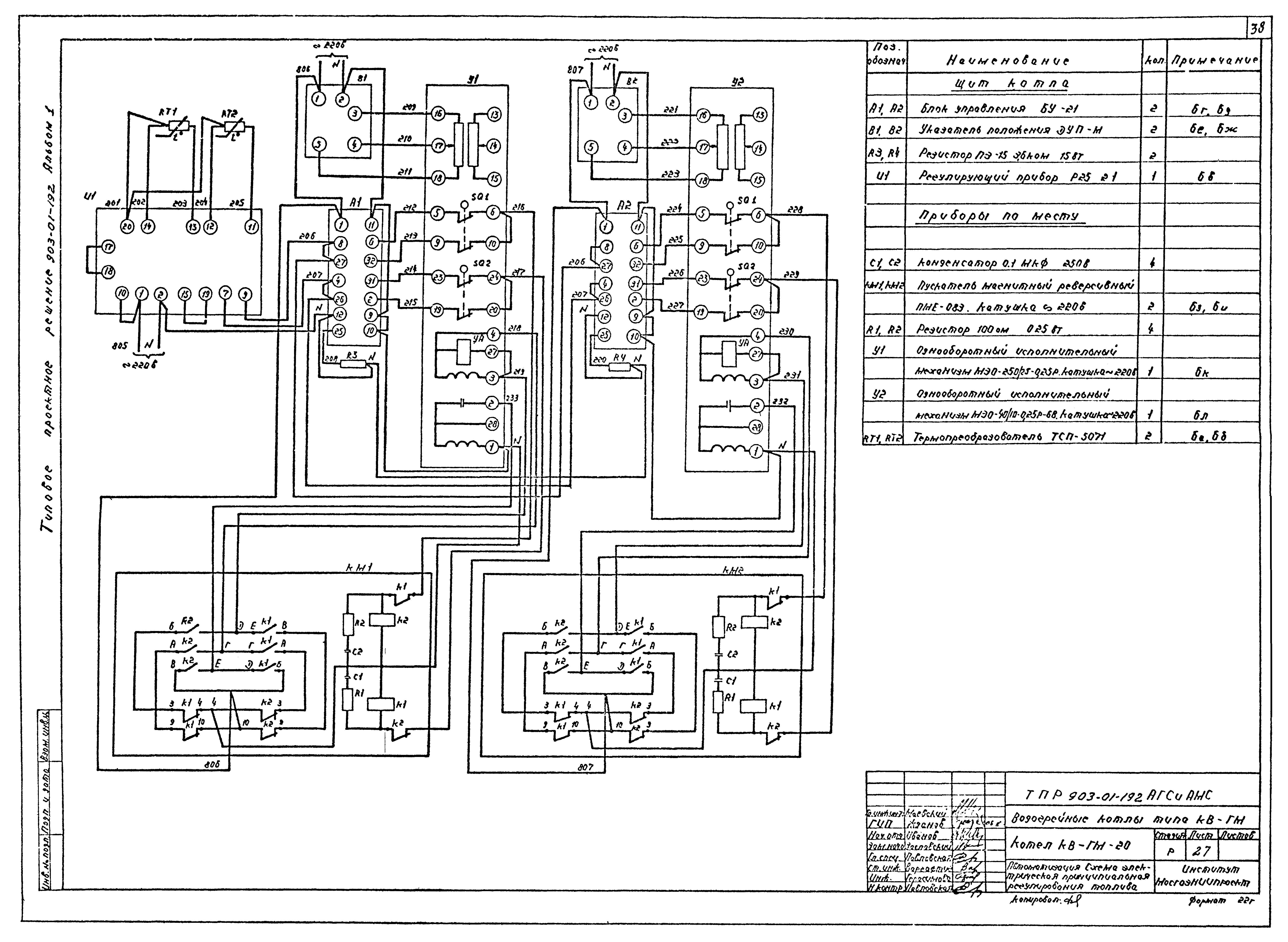
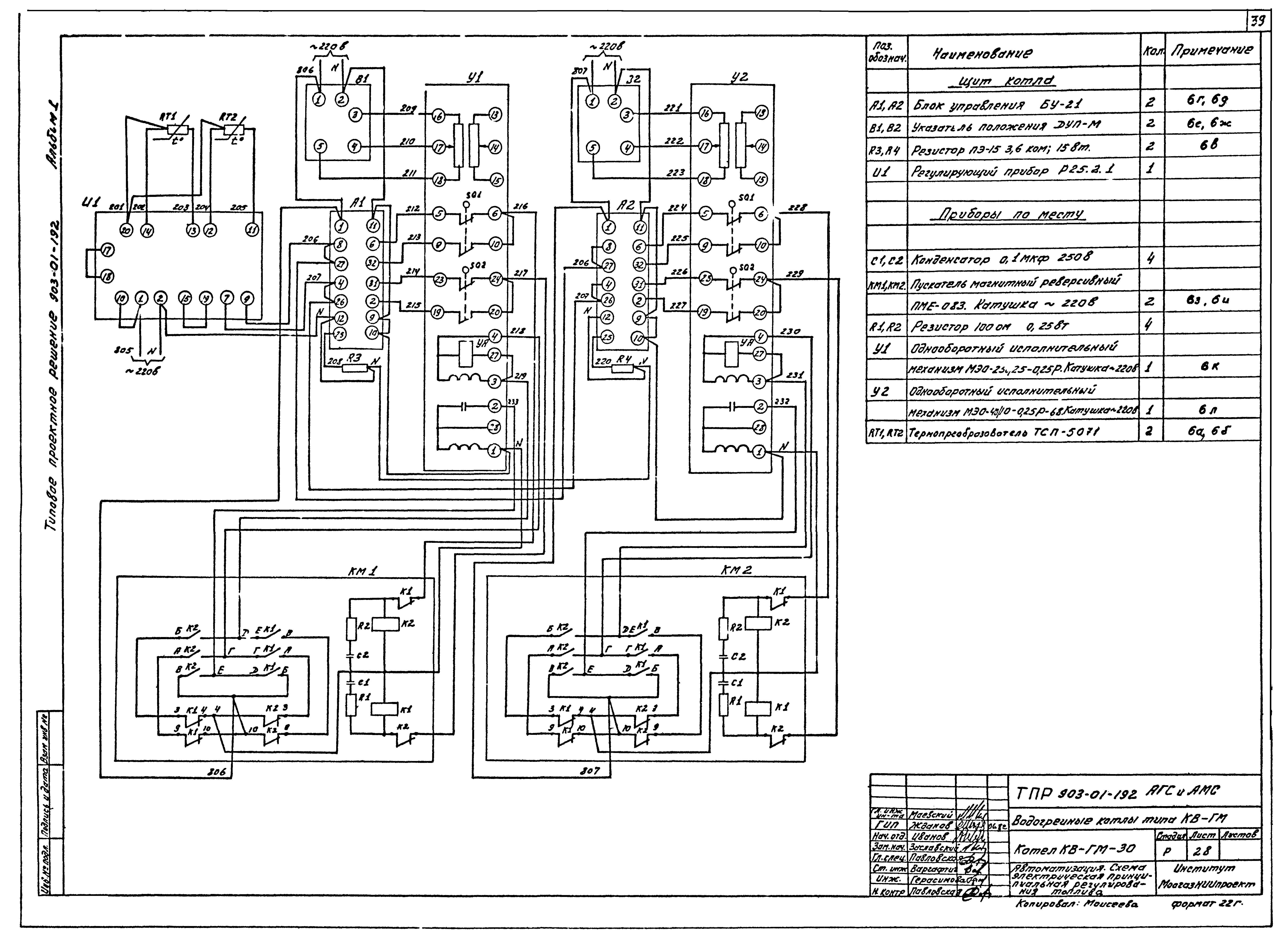
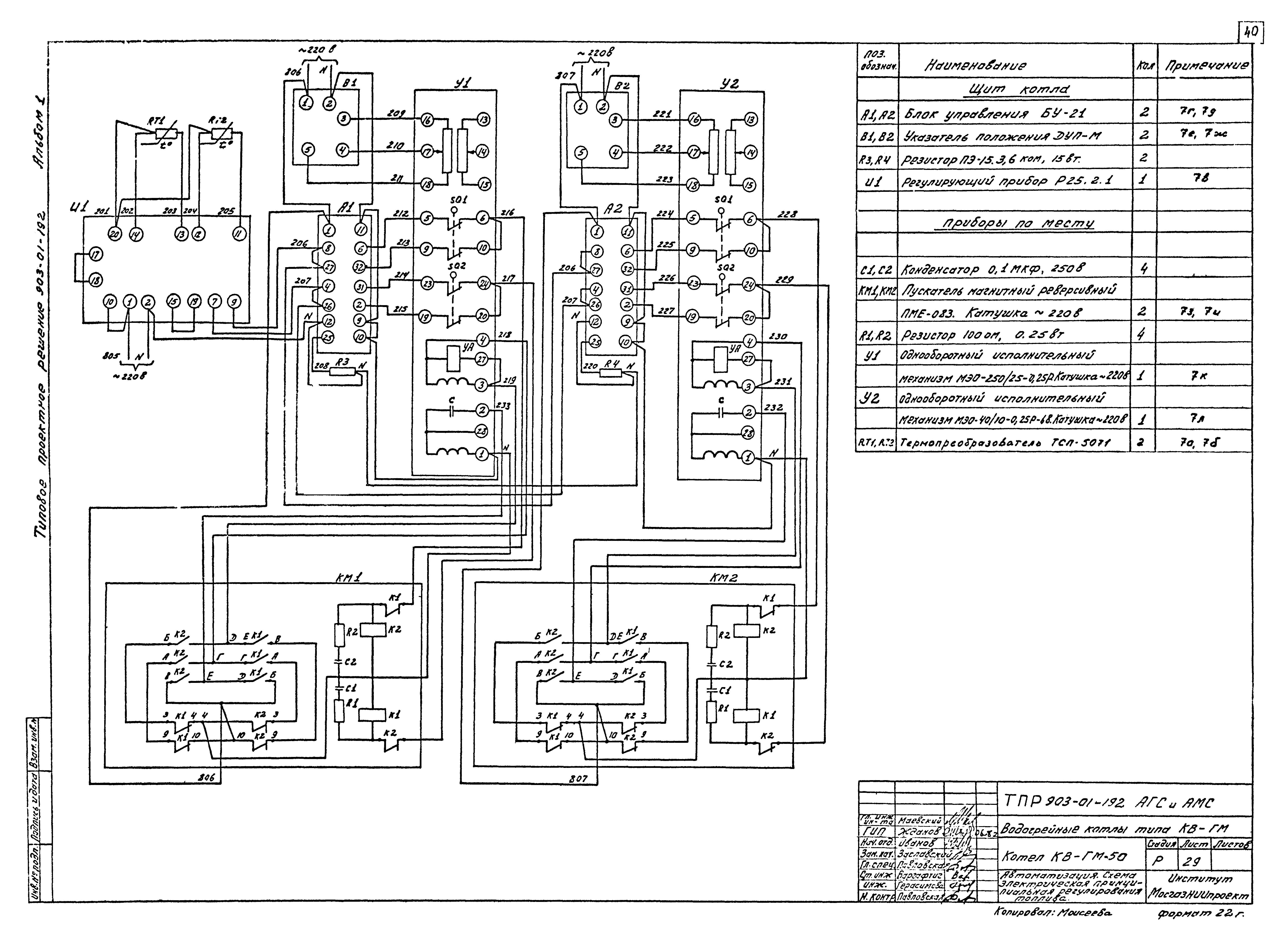
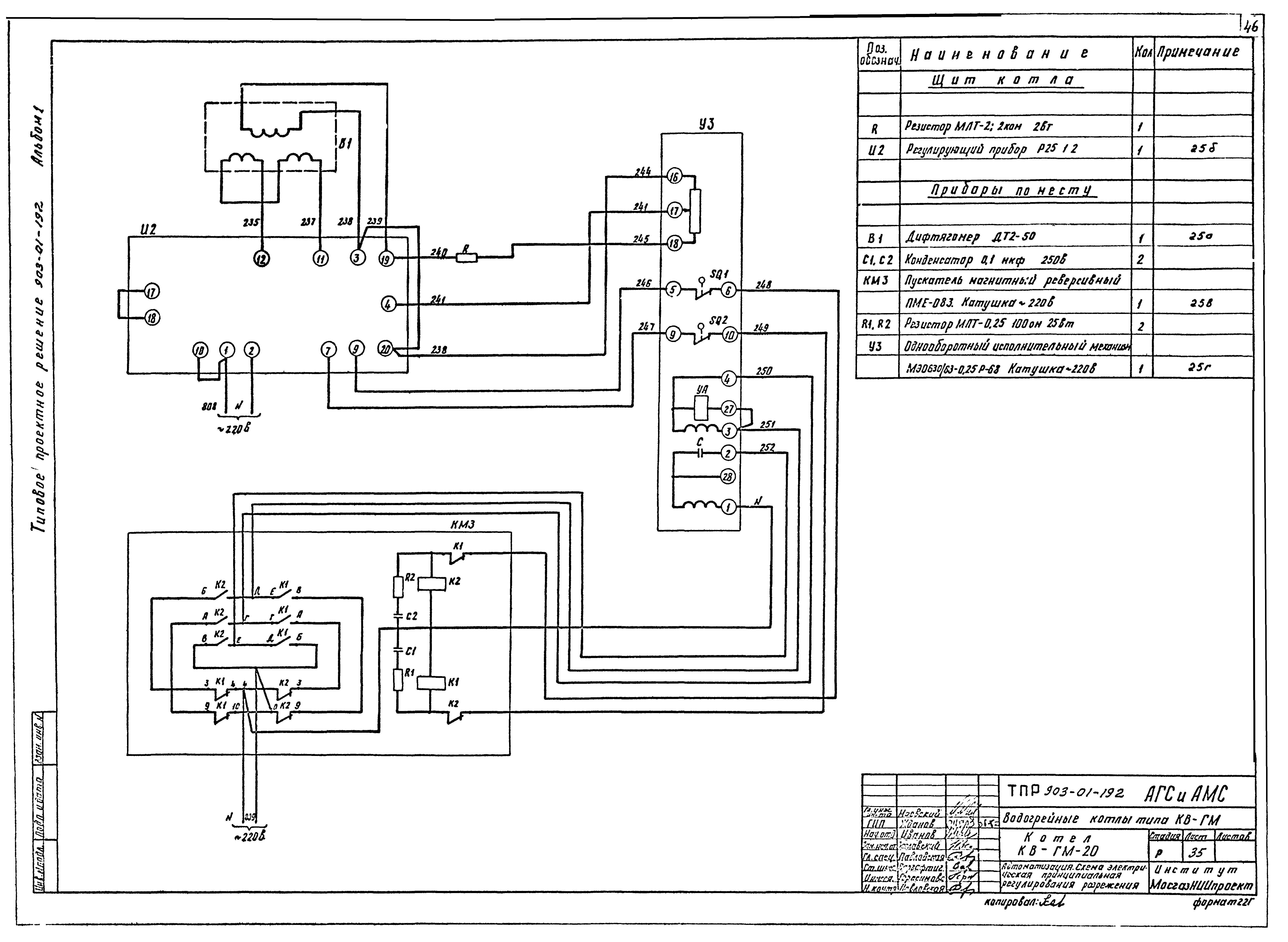
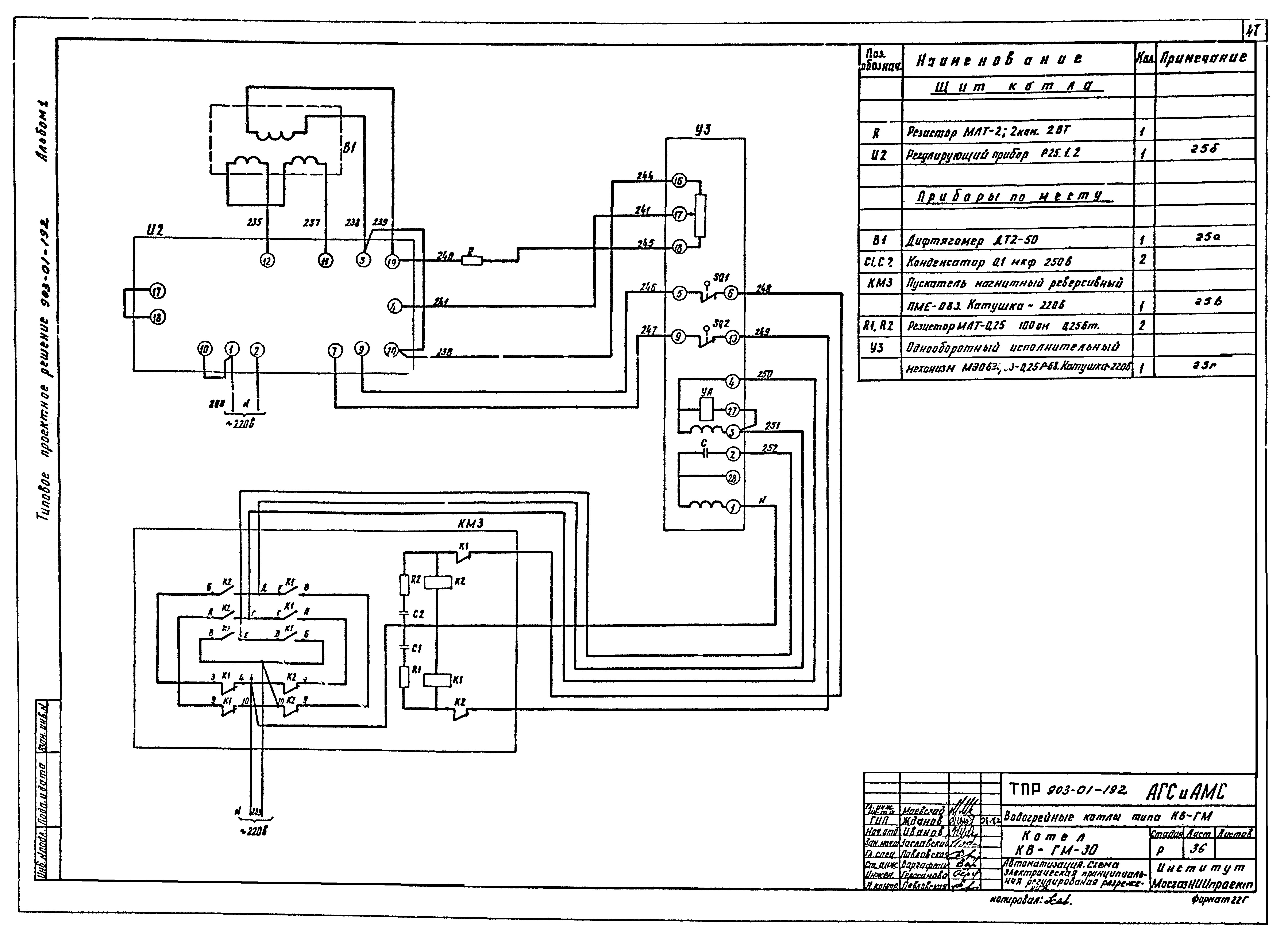
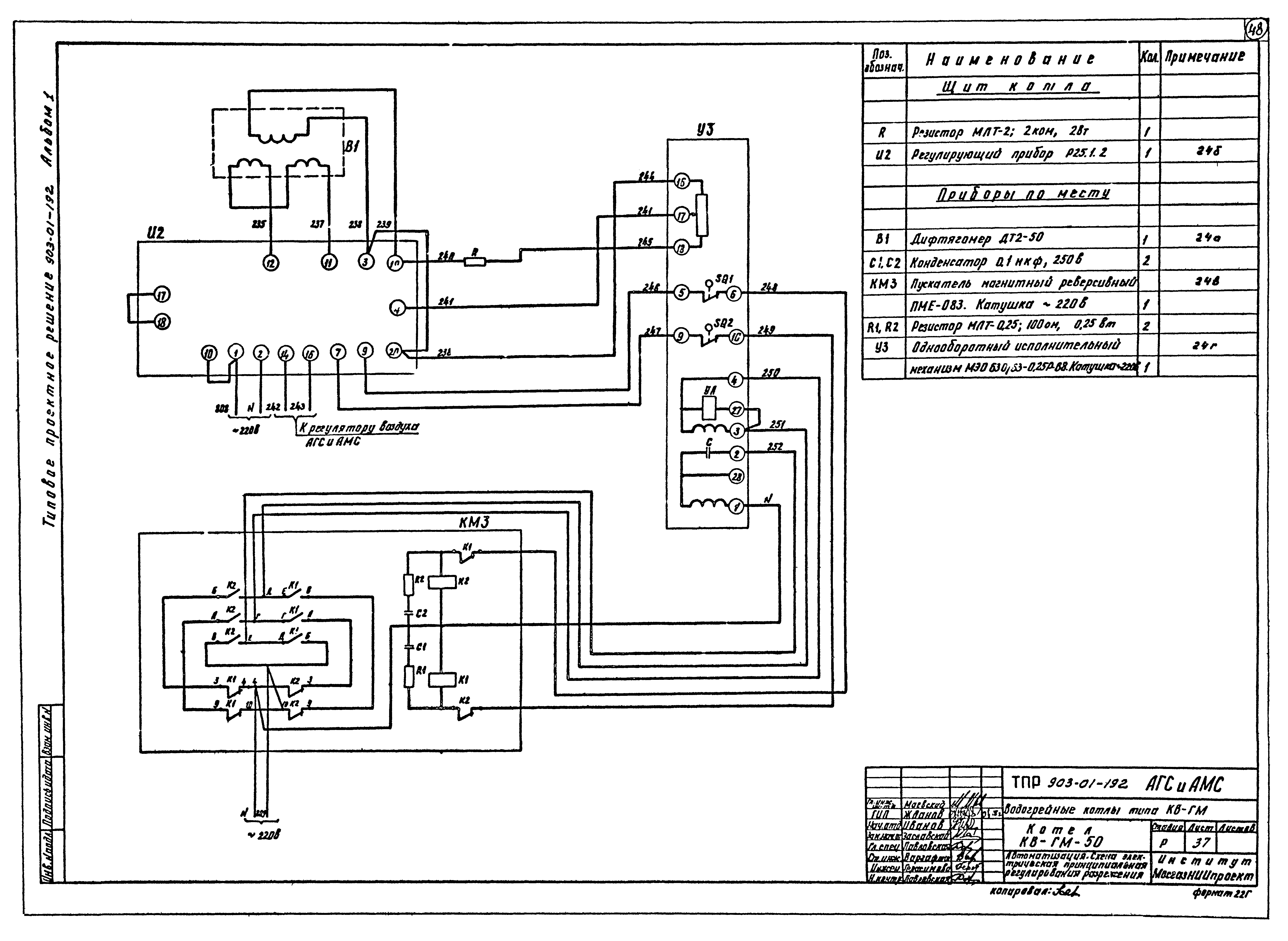
Скачать Типовые проектные решения 903-01-192 Альбом 1. Газоснабжение, мазутоснабжение, автоматизация газоснабжения и мазутоснабженияДата актуализации: 01.01.2021 Типовые проектные решения 903-01-192
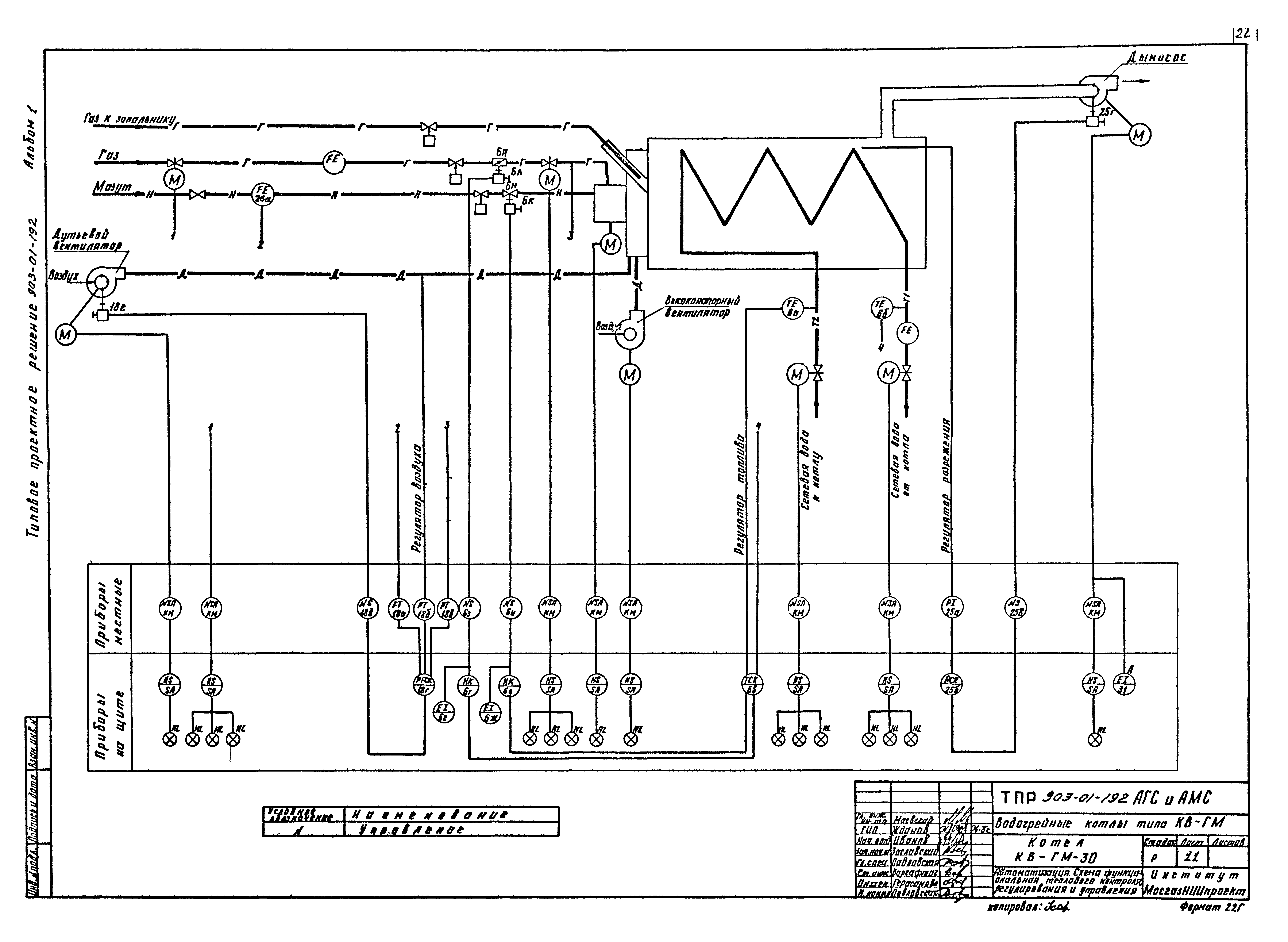
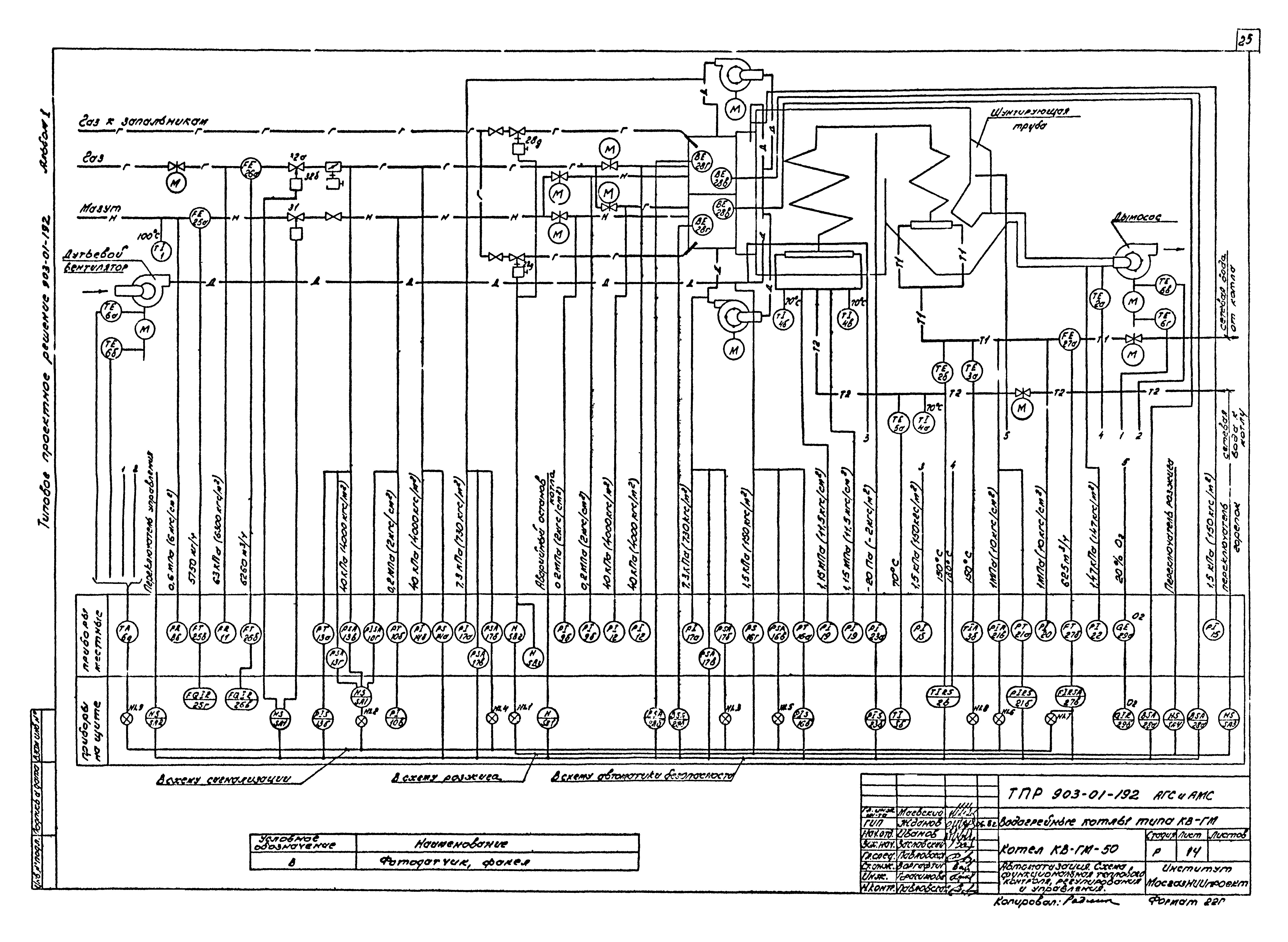
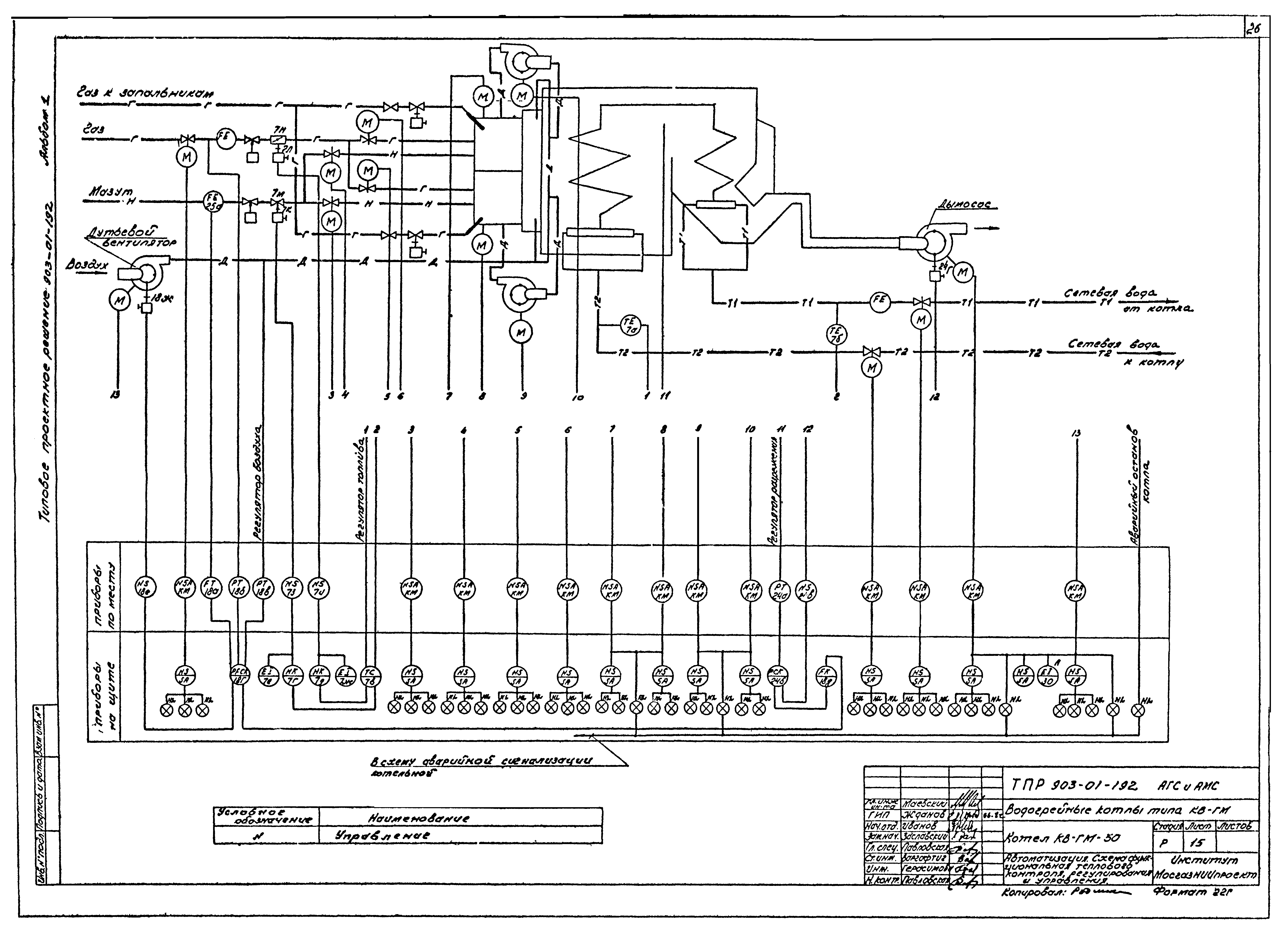
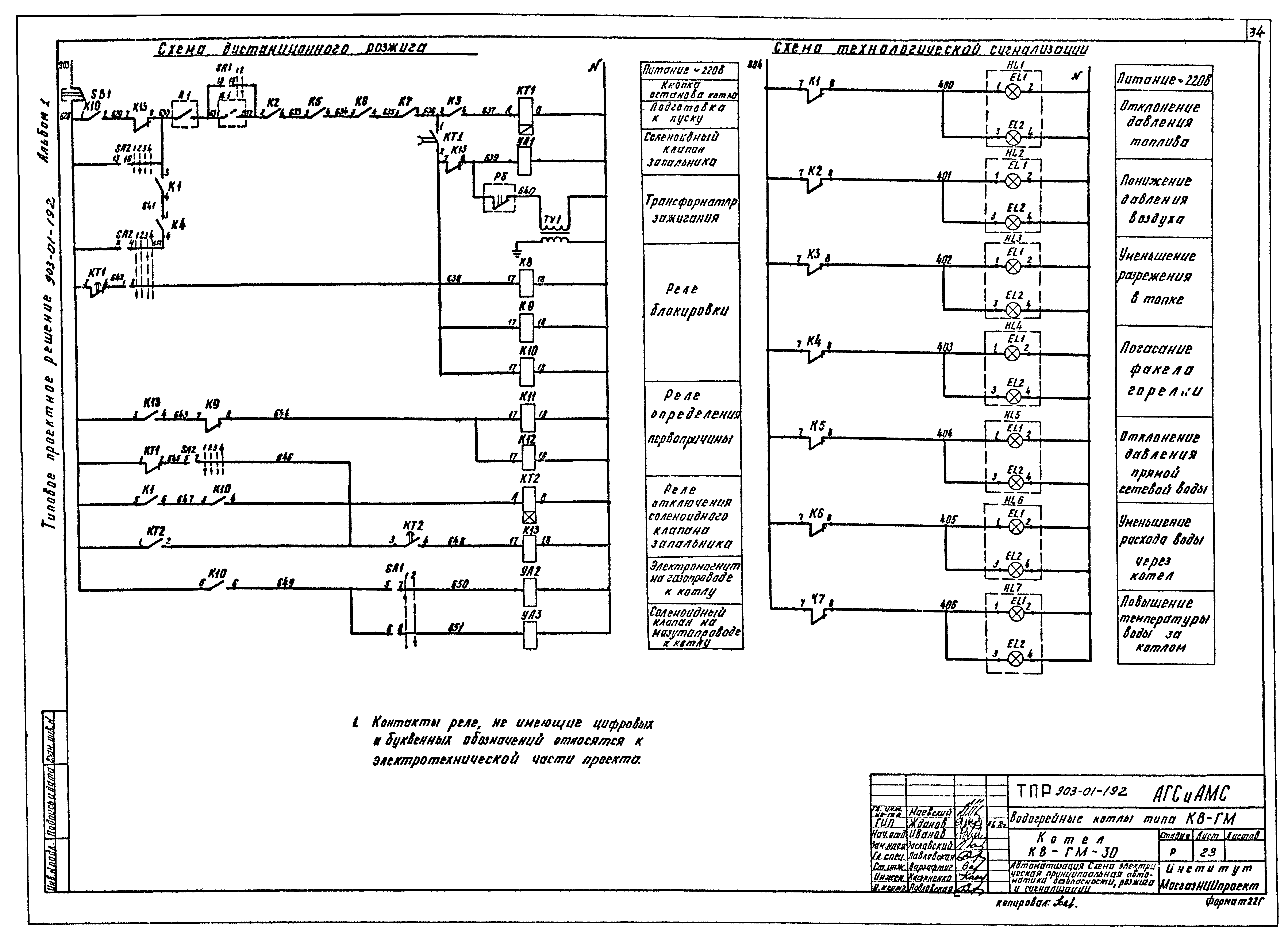
Альбом 1. Газоснабжение, мазутоснабжение, автоматизация газоснабжения и мазутоснабжения| Обозначение: | Типовые проектные решения 903-01-192 | | Обозначение англ: | 903-01-192 | | Статус: | справочные материалы, мп, тпр | | Название рус.: | Альбом 1. Газоснабжение, мазутоснабжение, автоматизация газоснабжения и мазутоснабжения | | Дата добавления в базу: | 01.09.2013 | | Дата актуализации: | 01.01.2021 | | Дата окончания срока действия: | 24.06.1982 | | Разработан: | Мосгазниипроект Мосгорисполкома
| | Утверждён: | 24.06.1982 МосгазНИИпроект (98)
|
                                               
|