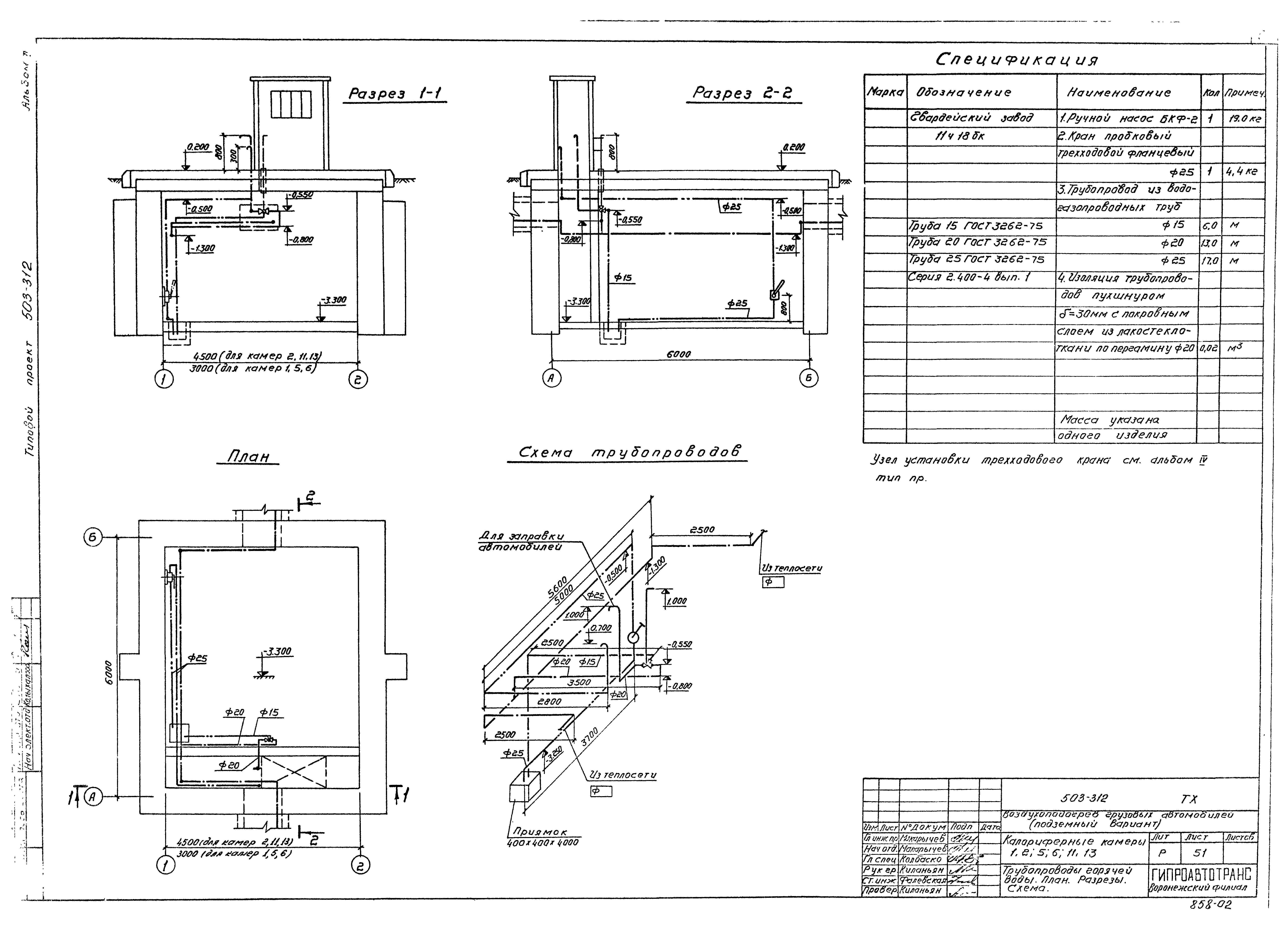
Скачать Типовой проект 503-312 Альбом II. Общая пояснительная записка. Технологические чертежи (вариант с рециркуляцией воздуха)Дата актуализации: 01.01.2021 Типовой проект 503-312
Альбом II. Общая пояснительная записка. Технологические чертежи (вариант с рециркуляцией воздуха)| Обозначение: | Типовой проект 503-312 | | Обозначение англ: | 503-312 | | Статус: | действует | | Название рус.: | Альбом II. Общая пояснительная записка. Технологические чертежи (вариант с рециркуляцией воздуха) | | Дата добавления в базу: | 01.09.2013 | | Дата актуализации: | 01.01.2021 | | Дата введения: | 30.04.1979 | | Разработан: | Воронежский филиал Гипроавтотранс
| | Утверждён: | 21.06.1978 Минавтотранс РСФСР (Russian Federation Minavtotrans 40)
|
                                                          
|