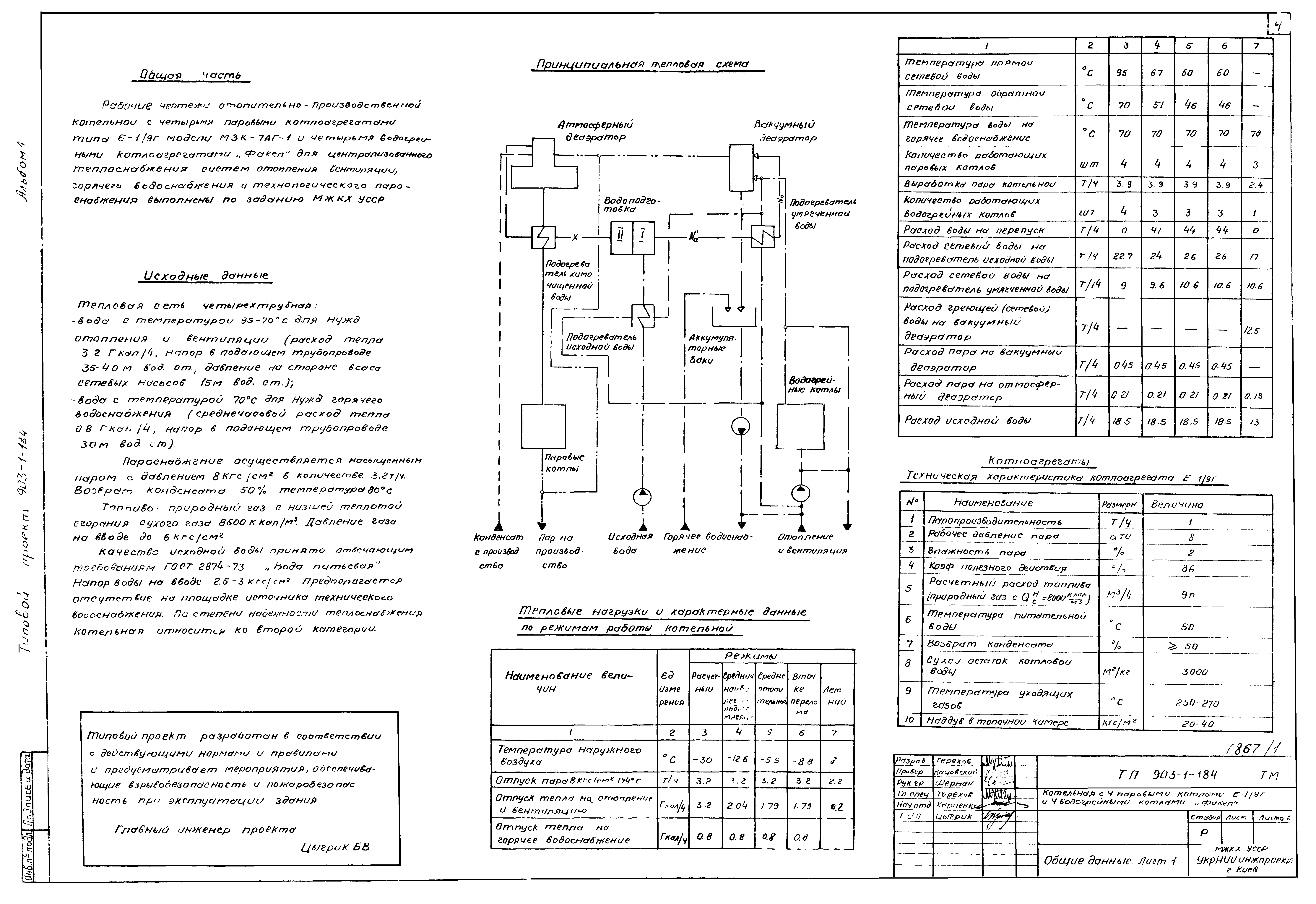
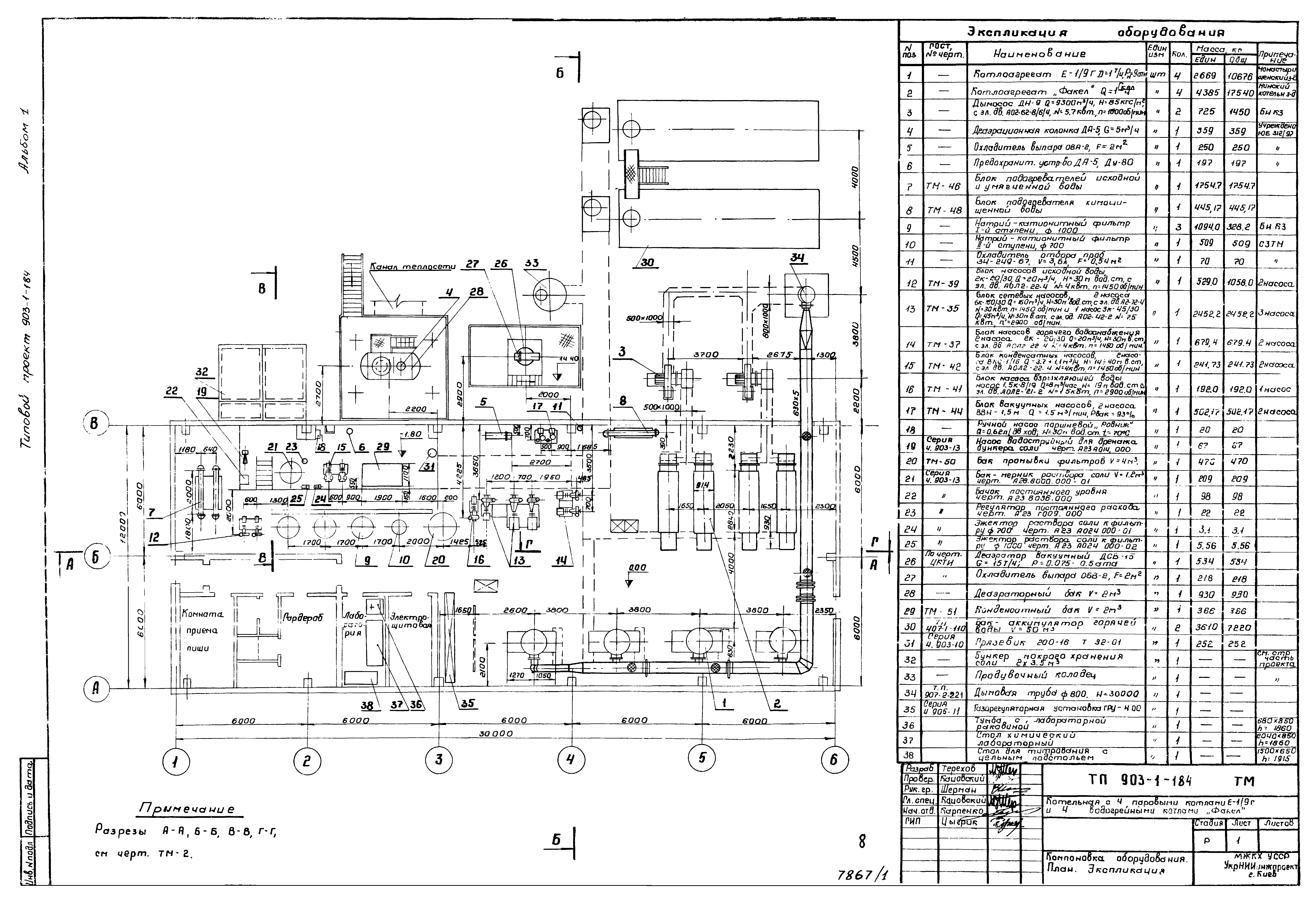
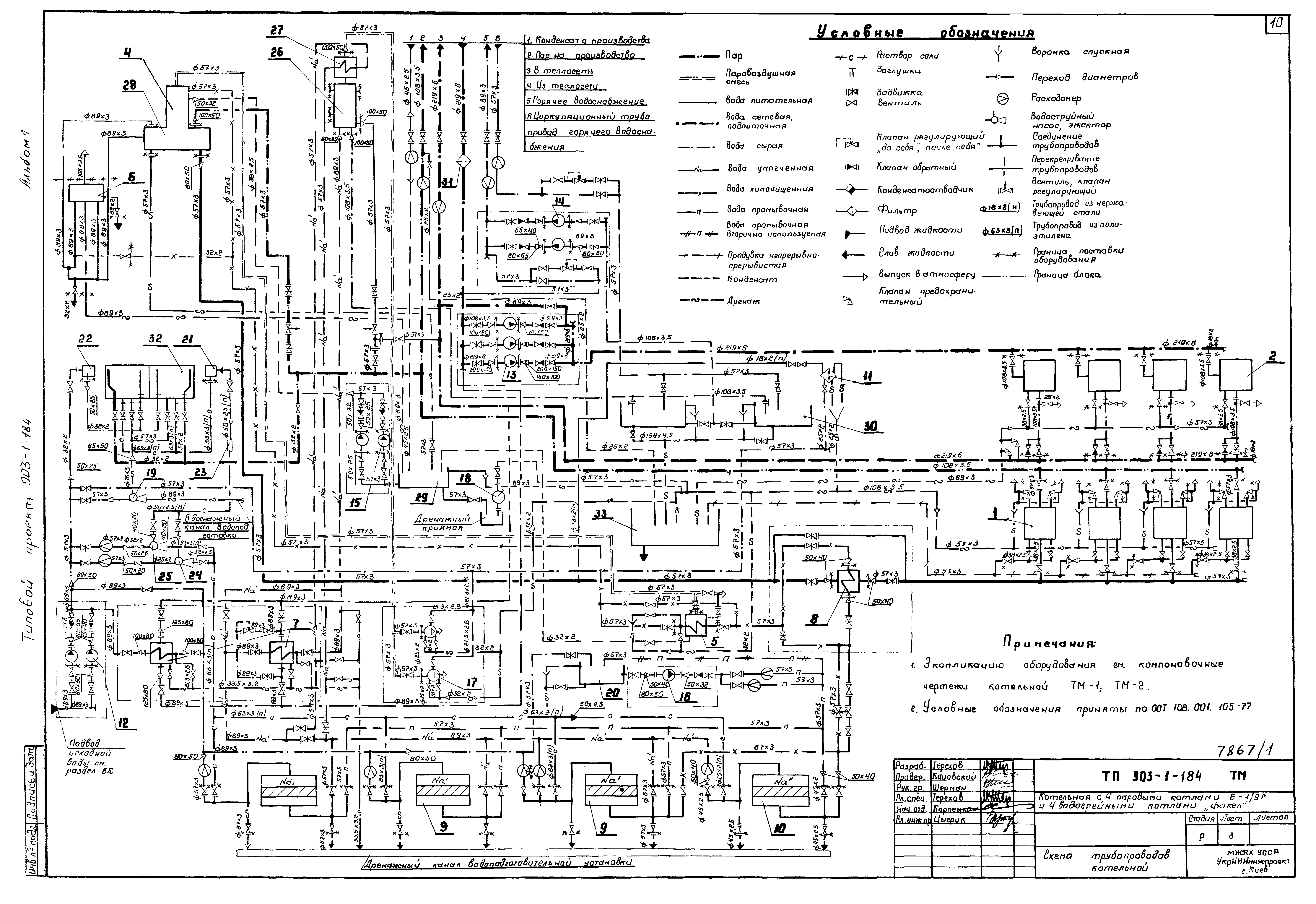
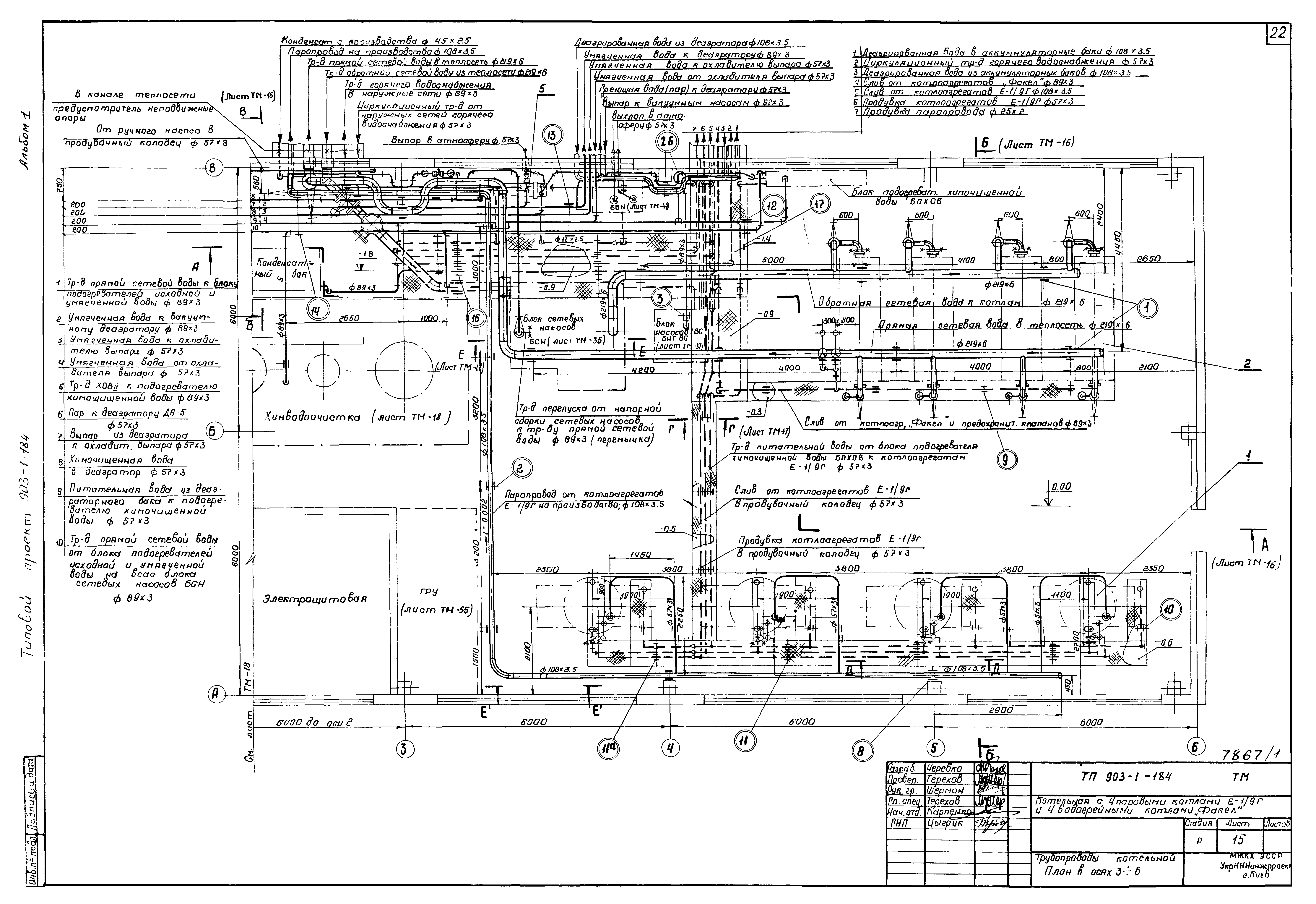
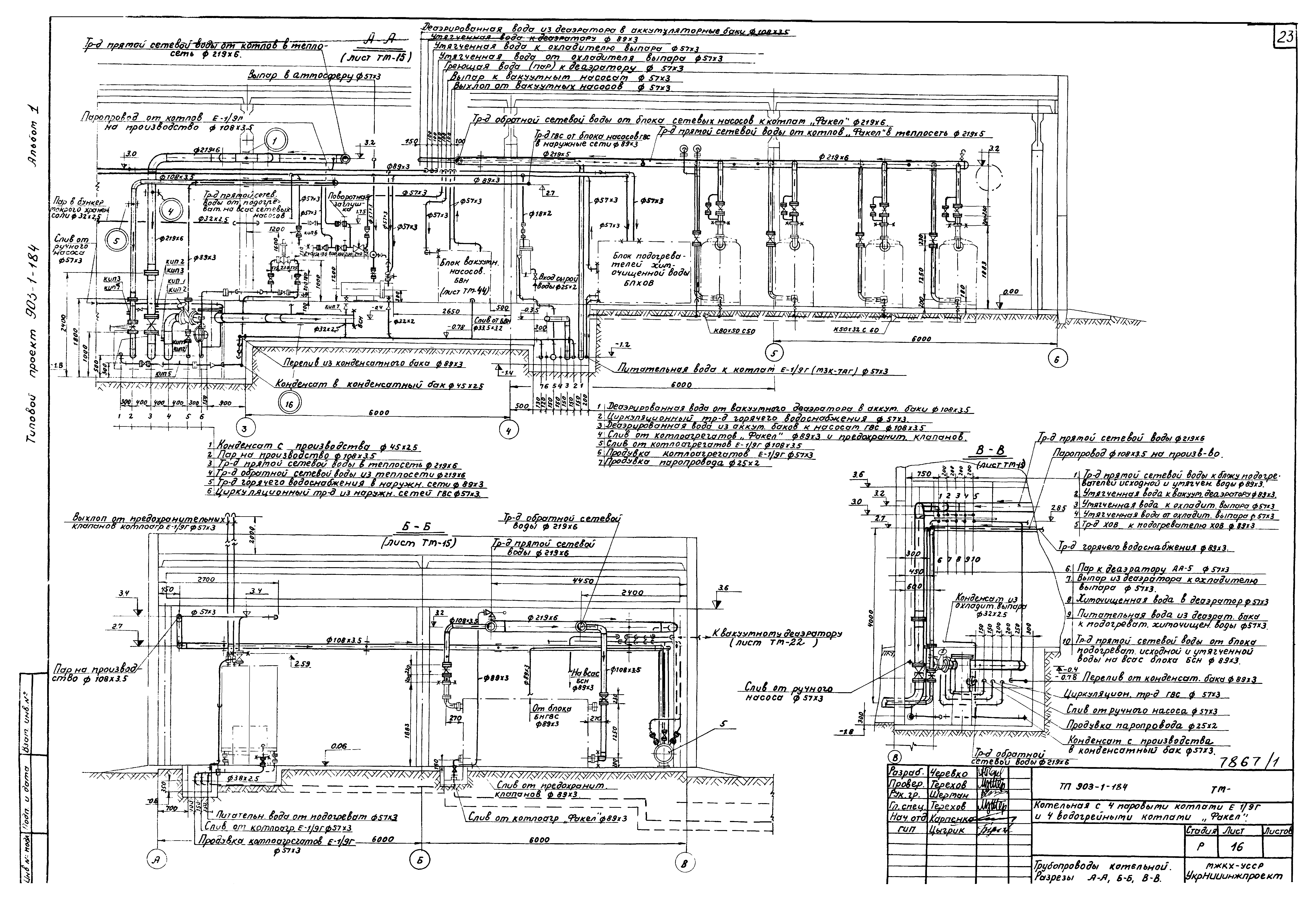
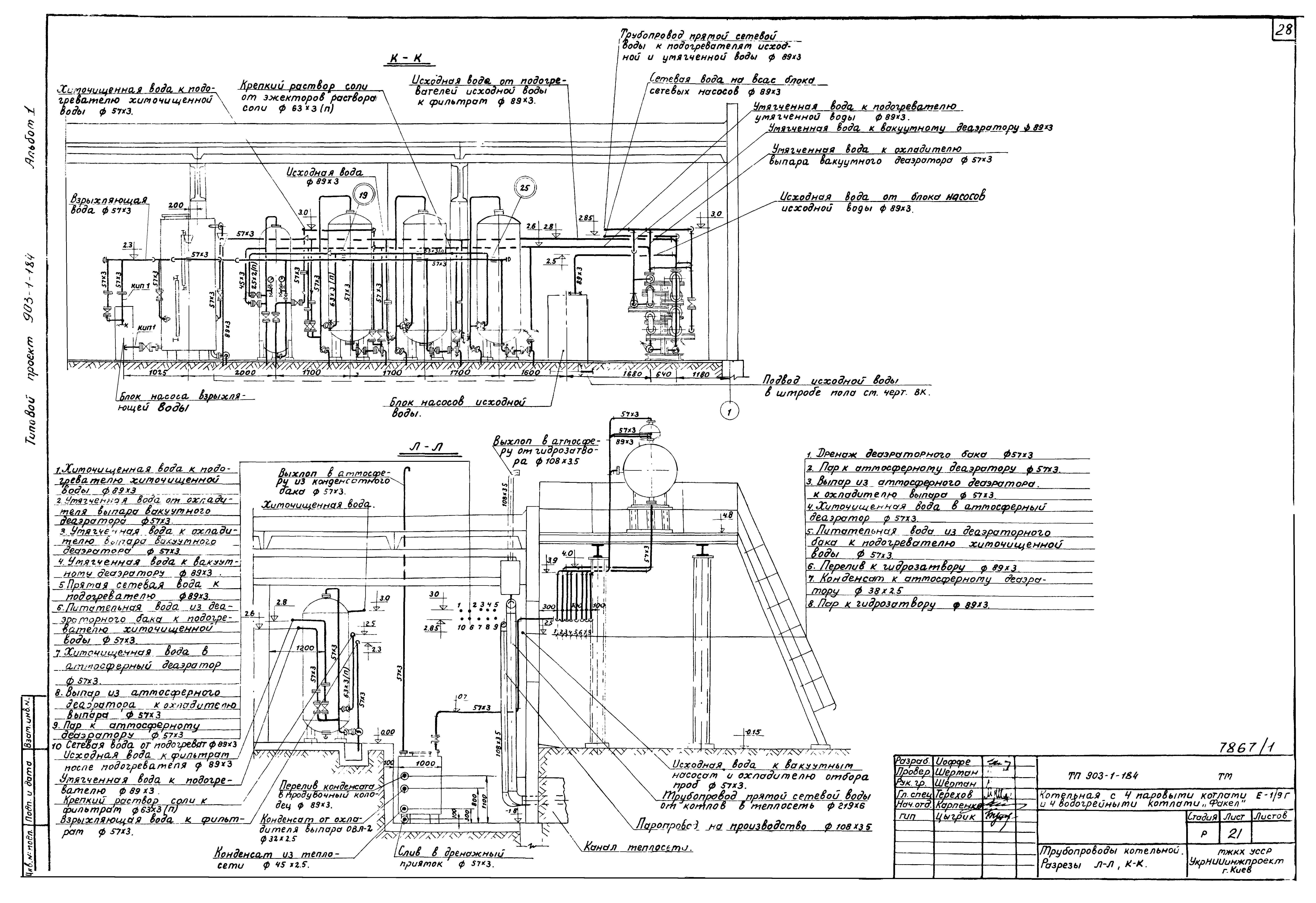
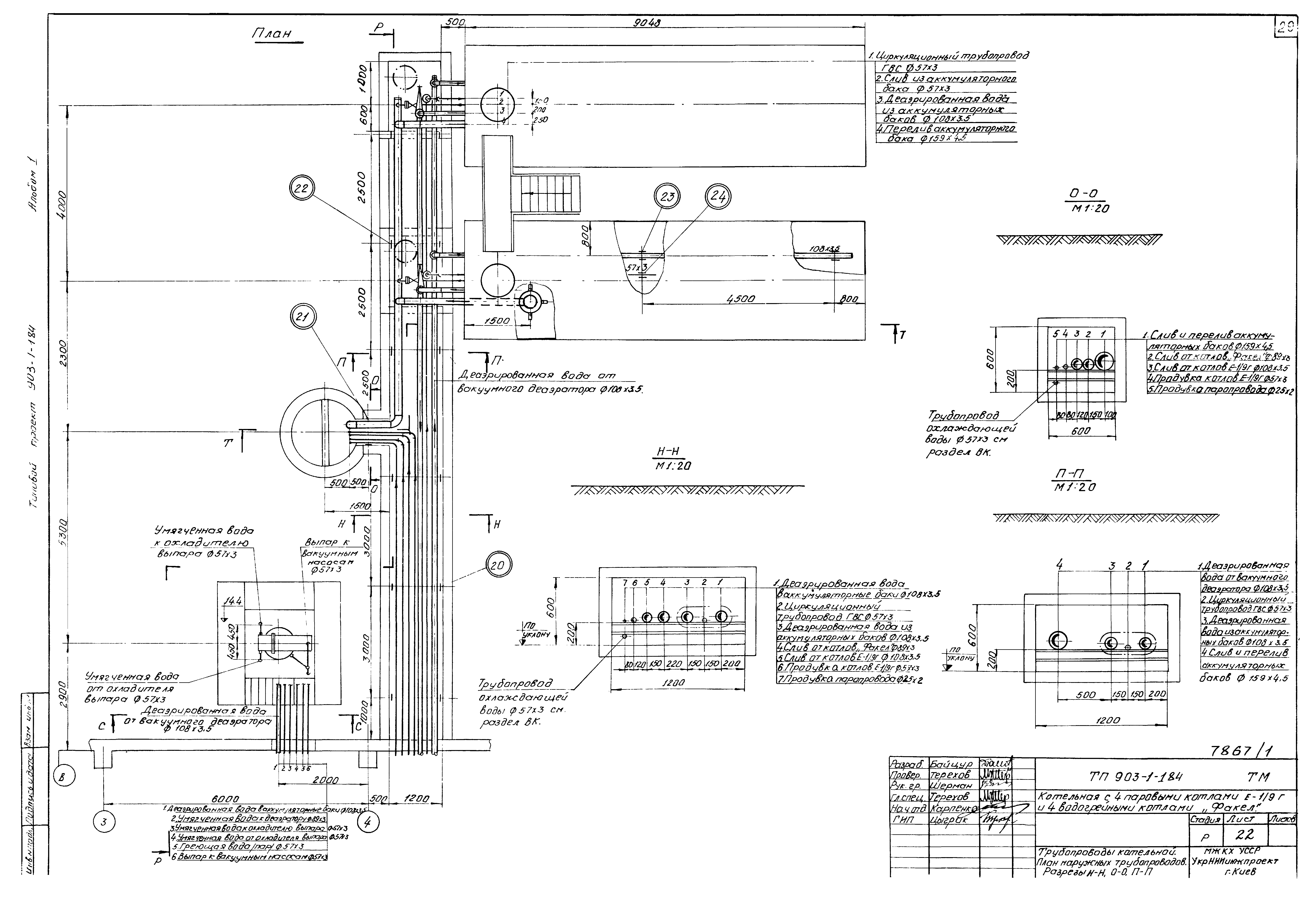
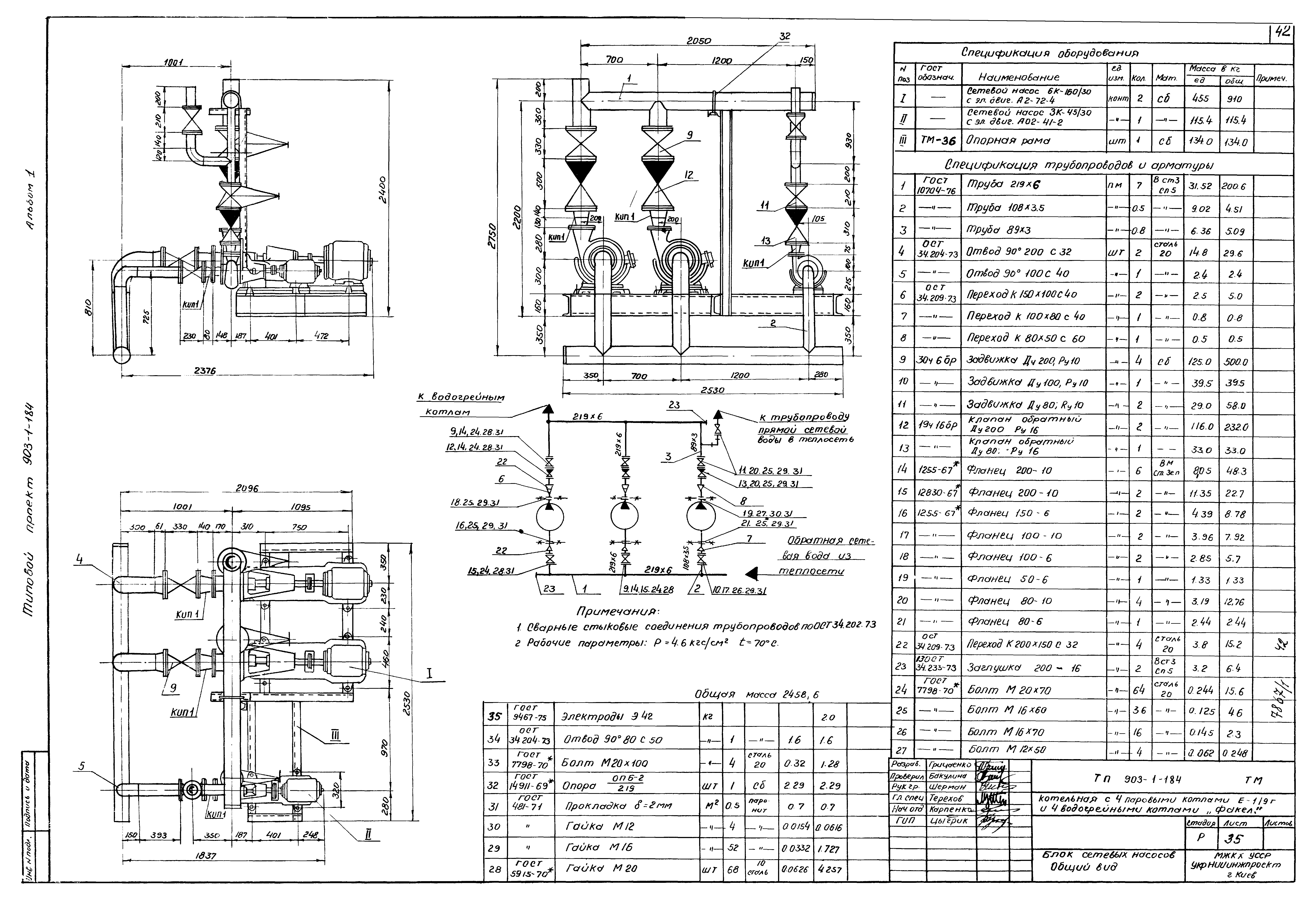
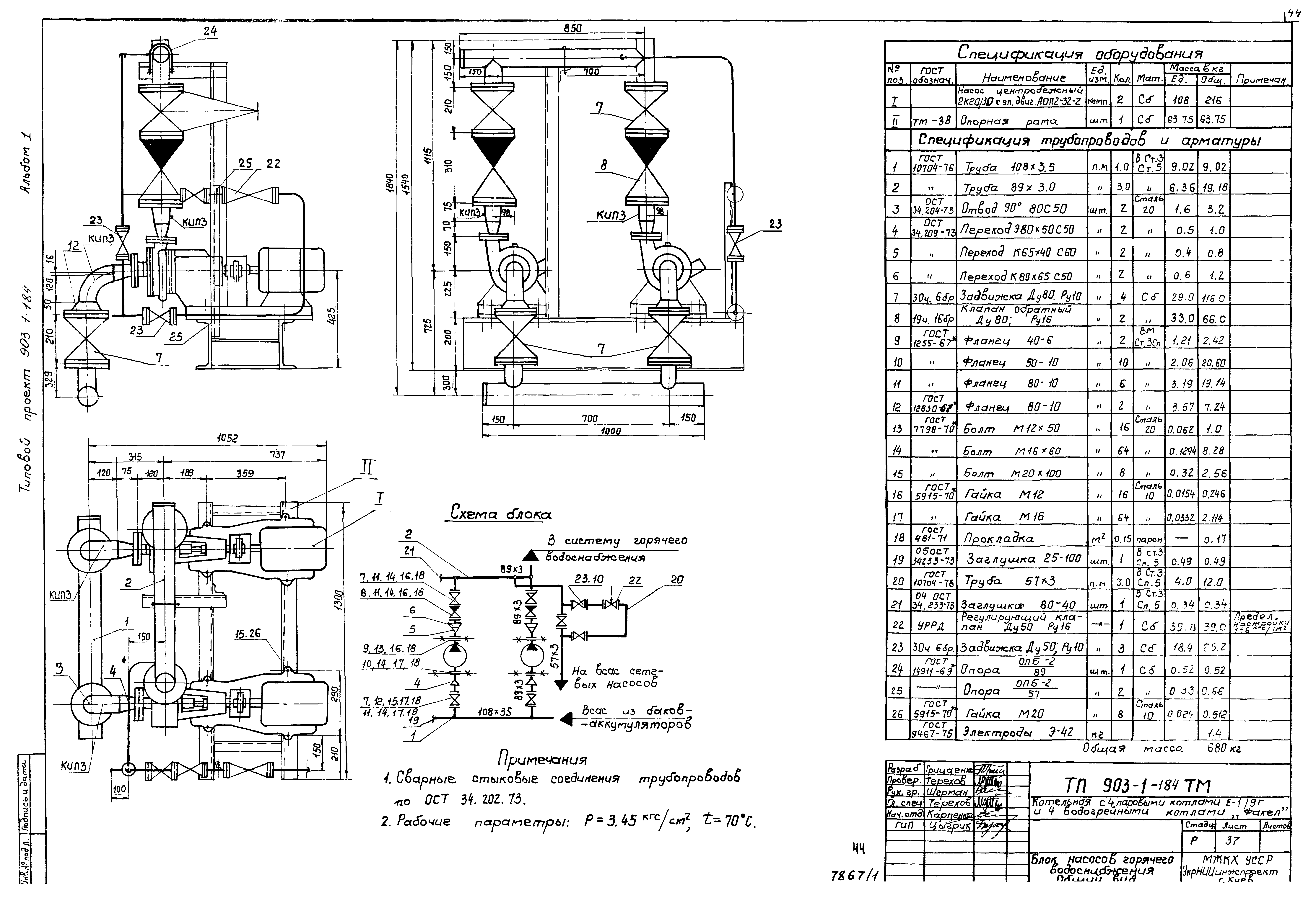
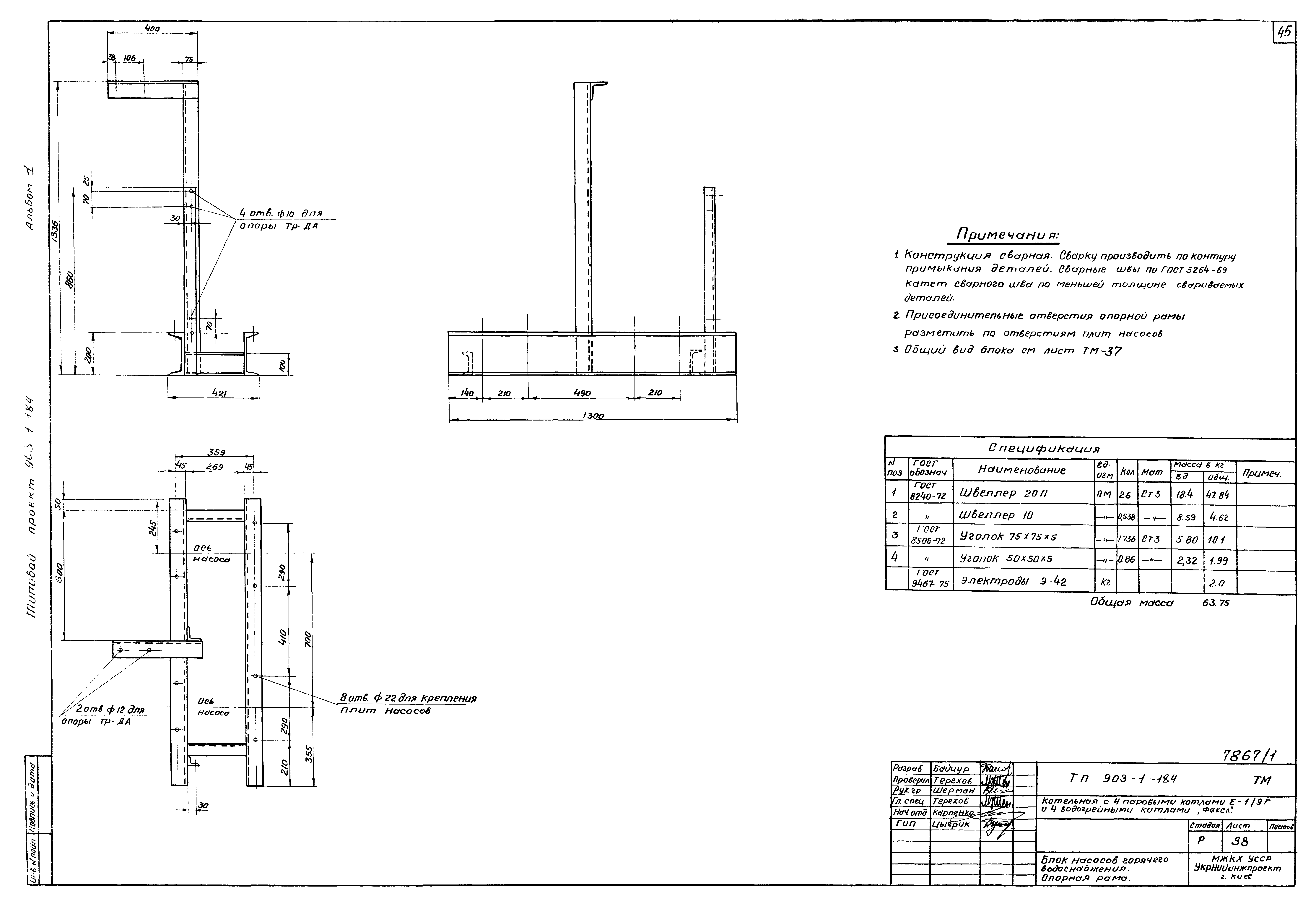
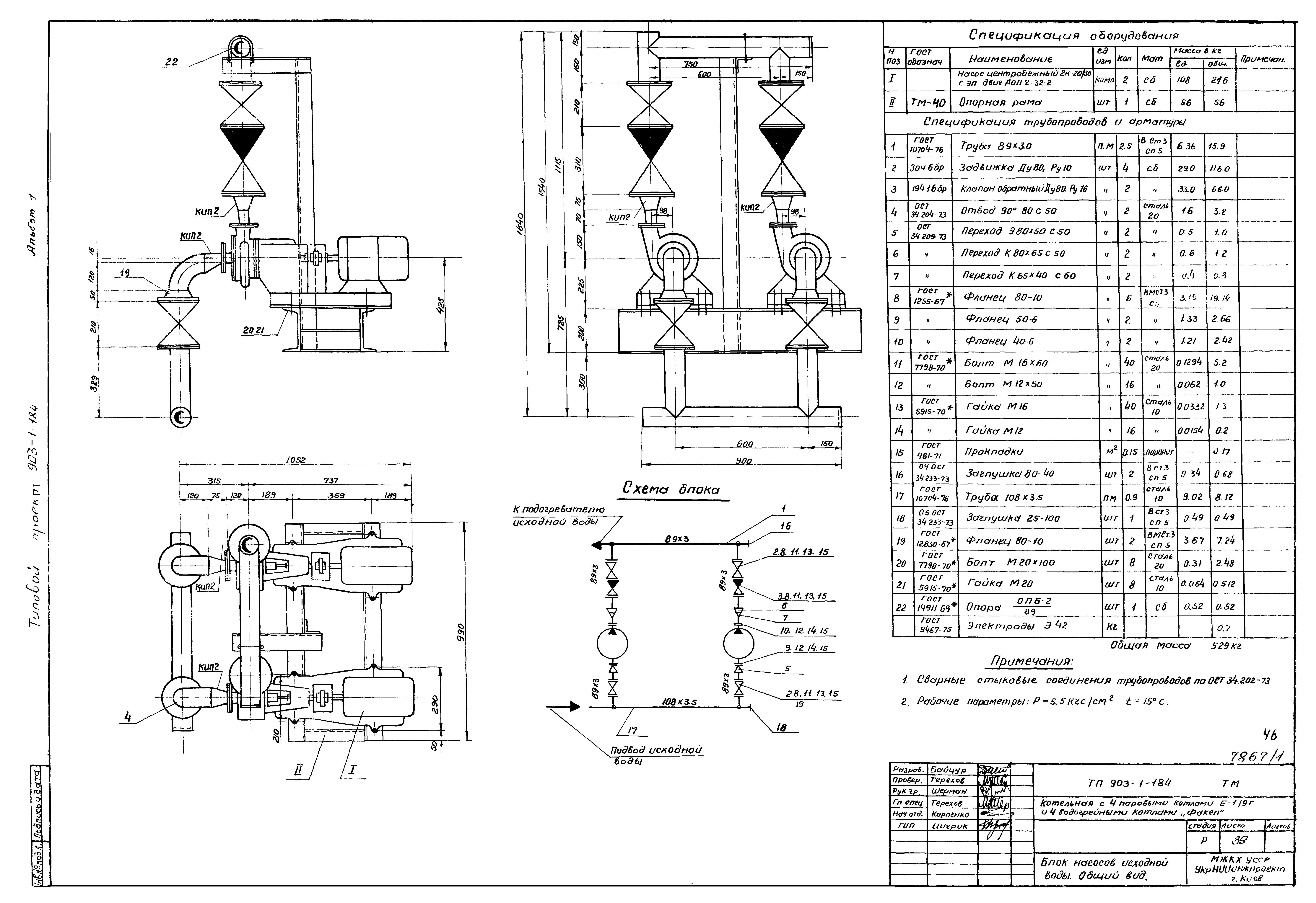
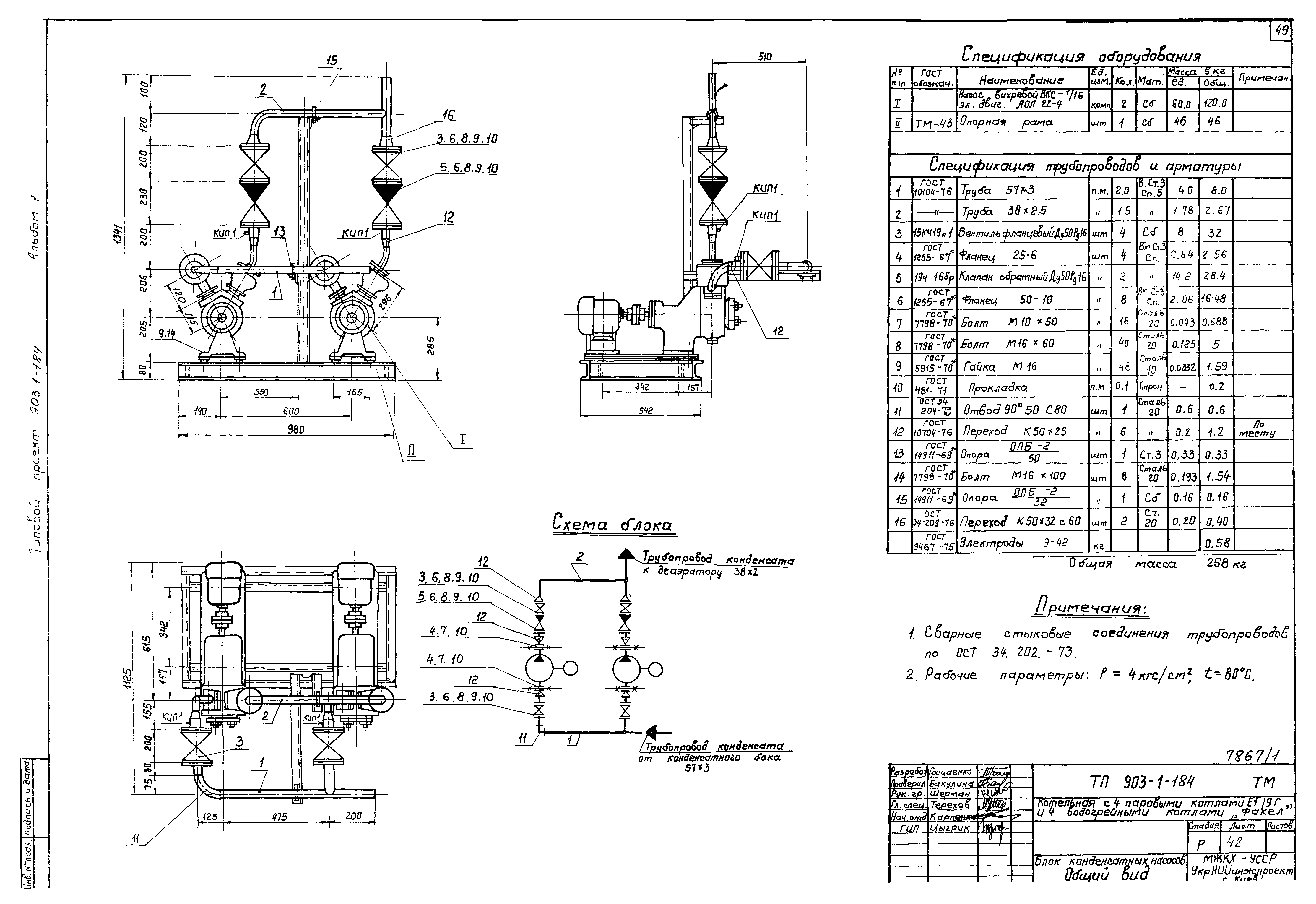
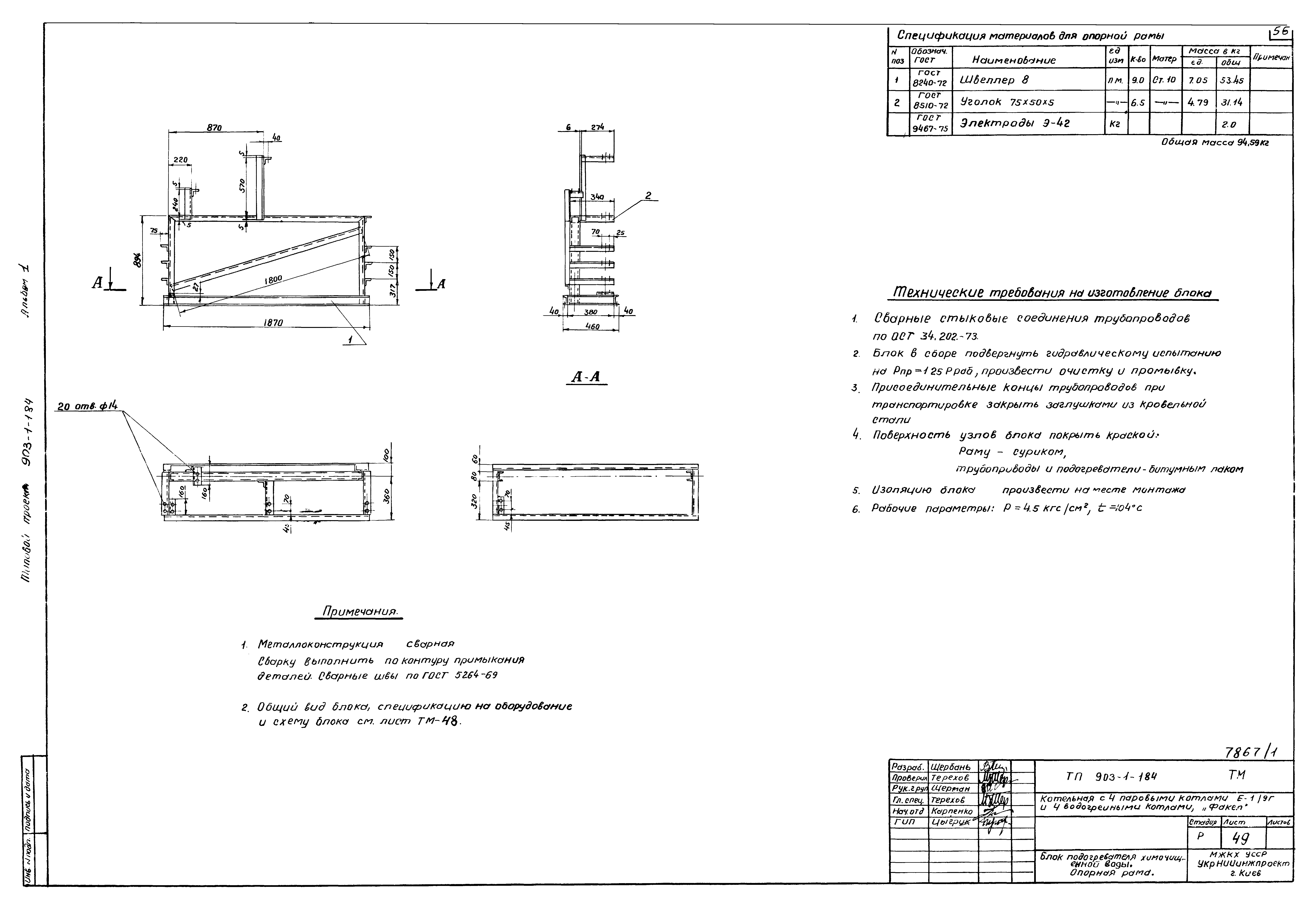
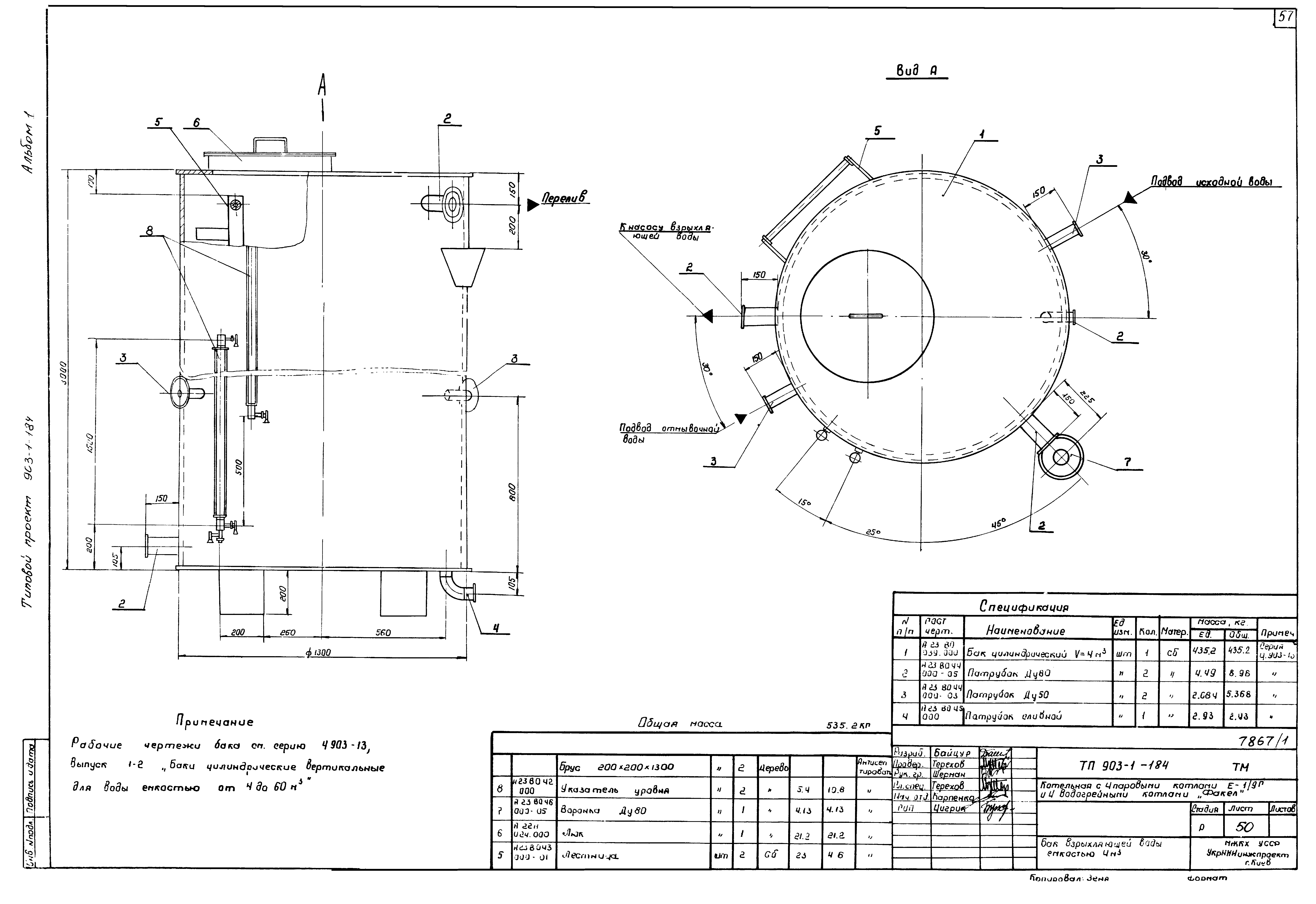
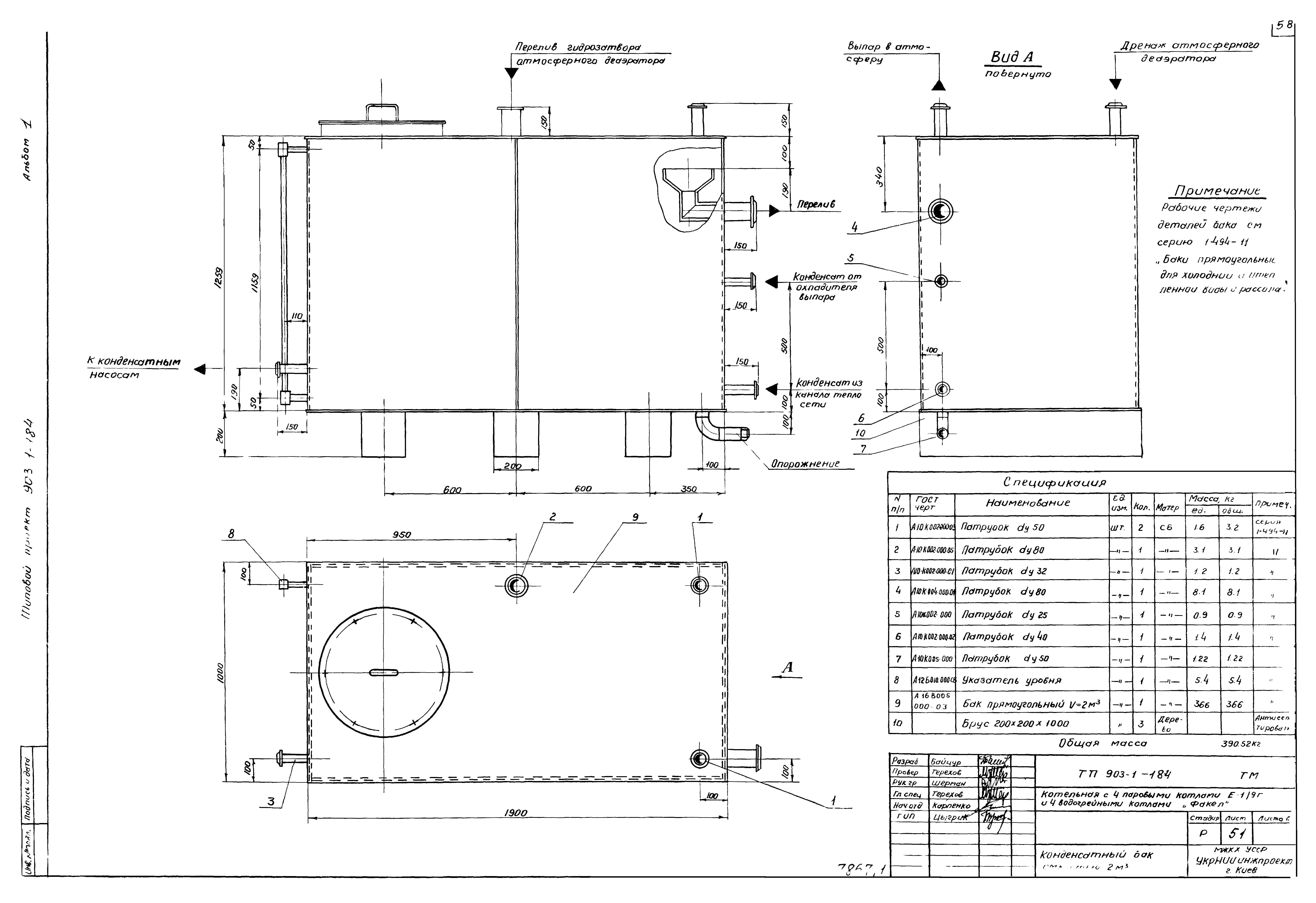
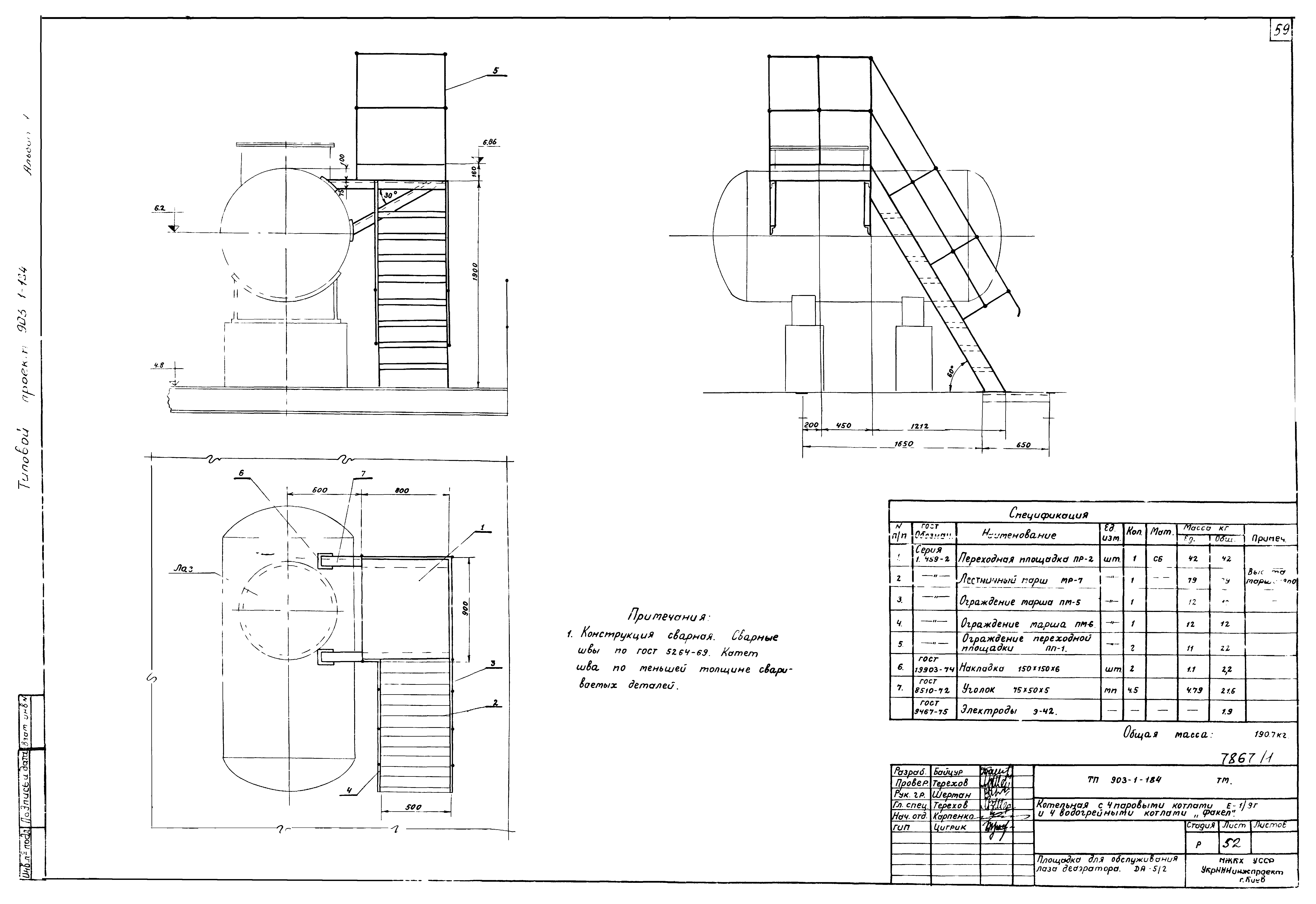
Скачать Типовой проект 903-1-184 Альбом I. Тепломеханическая частьДата актуализации: 01.01.2021
|
| Обозначение: | Типовой проект 903-1-184 |
| Обозначение англ: | 903-1-184 |
| Статус: | не действует |
| Название рус.: | Альбом I. Тепломеханическая часть |
| Дата добавления в базу: | 01.09.2013 |
| Дата актуализации: | 01.01.2021 |
| Разработан: | УкрНИИинжпроект Минжилкомхоза УССР |
| Утверждён: | 11.04.1980 Институт УкрНИИинжпроект (51) |
































































