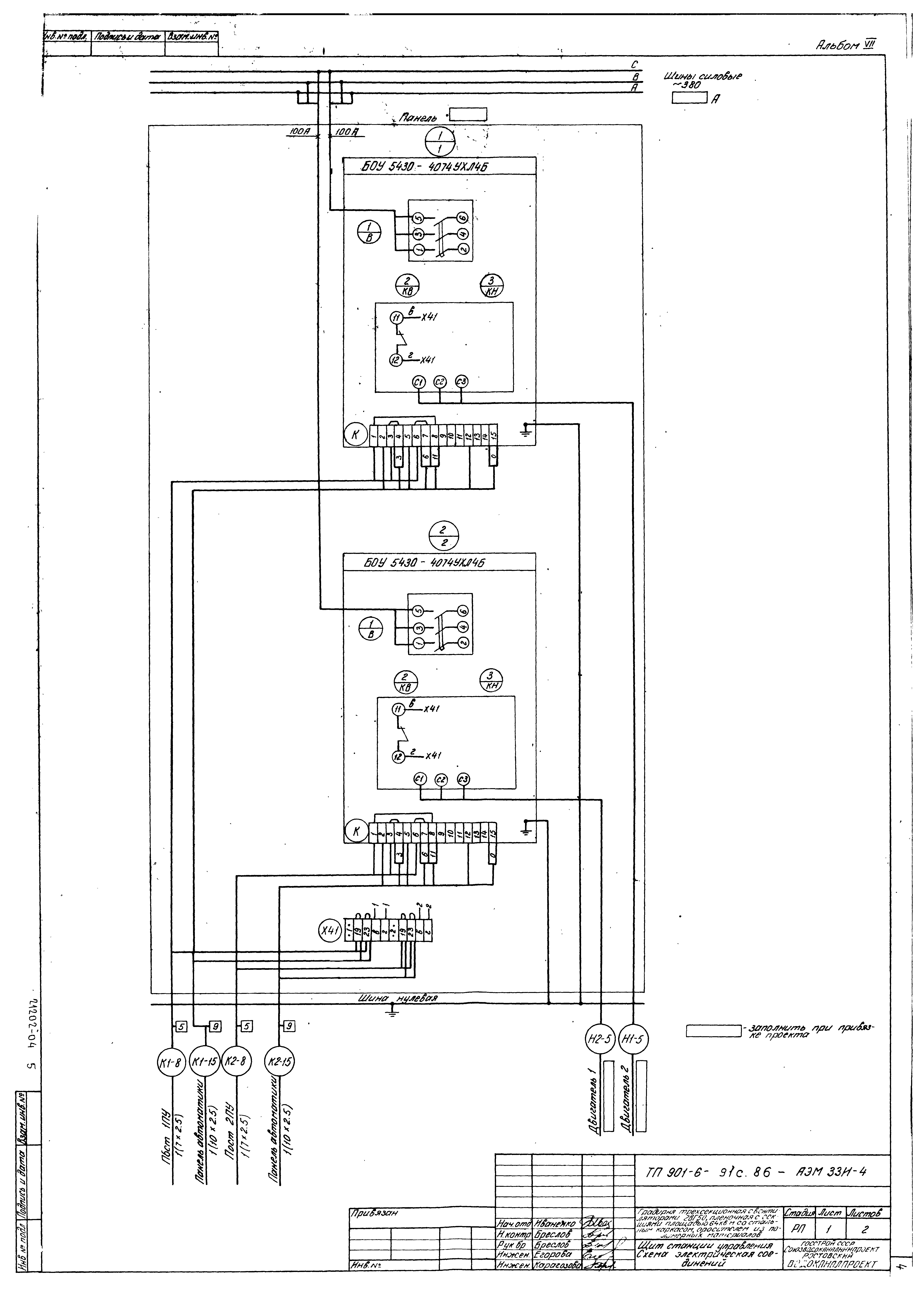
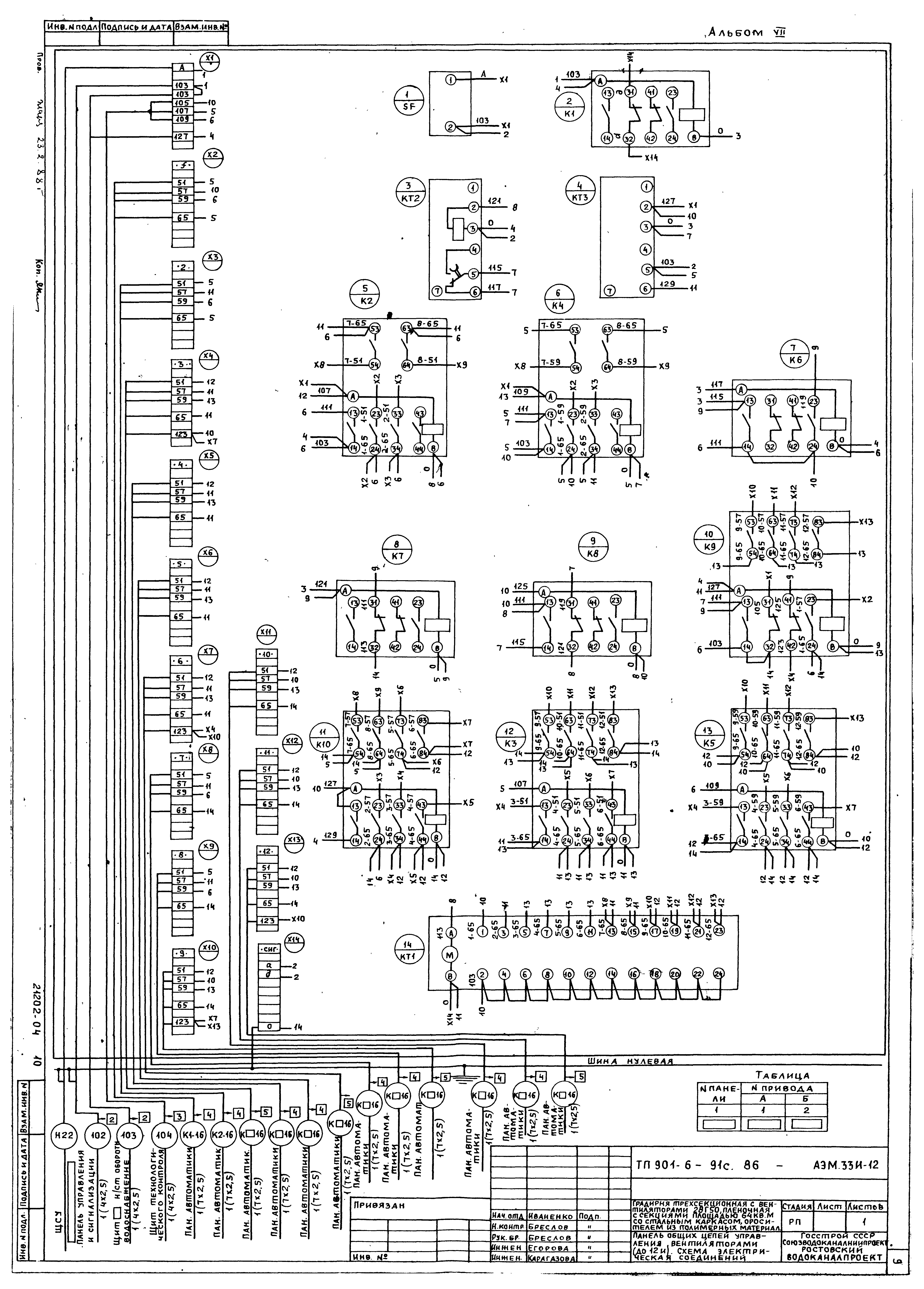
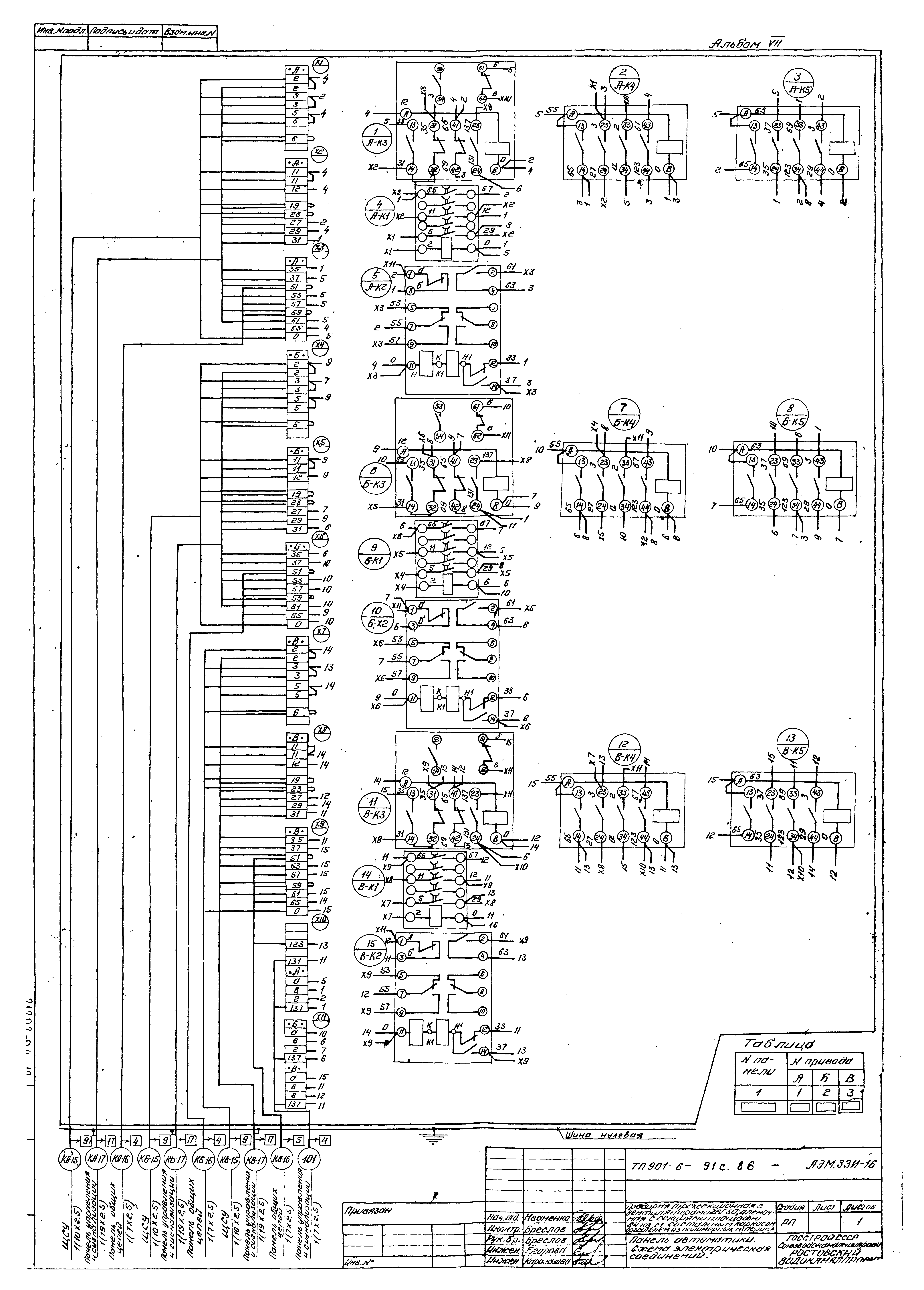
Скачать Типовой проект 901-6-91с.86 Альбом VII. Задание заводу-изготовителю на крупноблочное оборудованиеДата актуализации: 01.01.2021
|
| Обозначение: | Типовой проект 901-6-91с.86 |
| Обозначение англ: | 901-6-91с.86 |
| Статус: | не действует |
| Название рус.: | Альбом VII. Задание заводу-изготовителю на крупноблочное оборудование |
| Дата добавления в базу: | 01.09.2013 |
| Дата актуализации: | 01.01.2021 |
| Дата введения: | 05.03.1986 |
| Дата окончания срока действия: | 01.07.1996 |
| Разработан: | ЦНИИпроектстальконструкция Союзводоканалниипроект Ростовский Водоканалпроект |
| Утверждён: | 15.01.1986 Госстрой СССР (Государственный комитет Совета Министров СССР по делам строительства) (USSR Gosstroy АЧ-3) |














