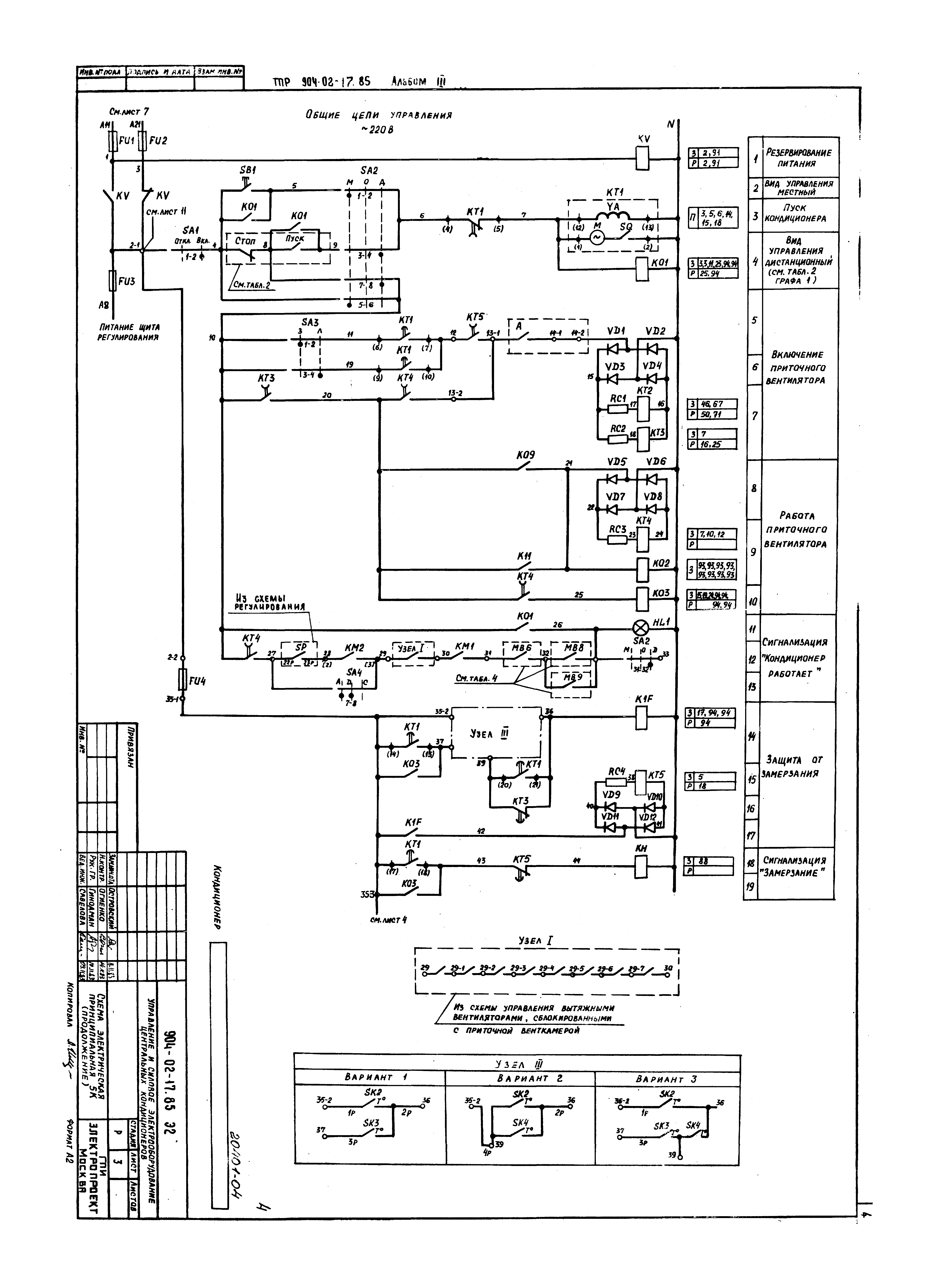
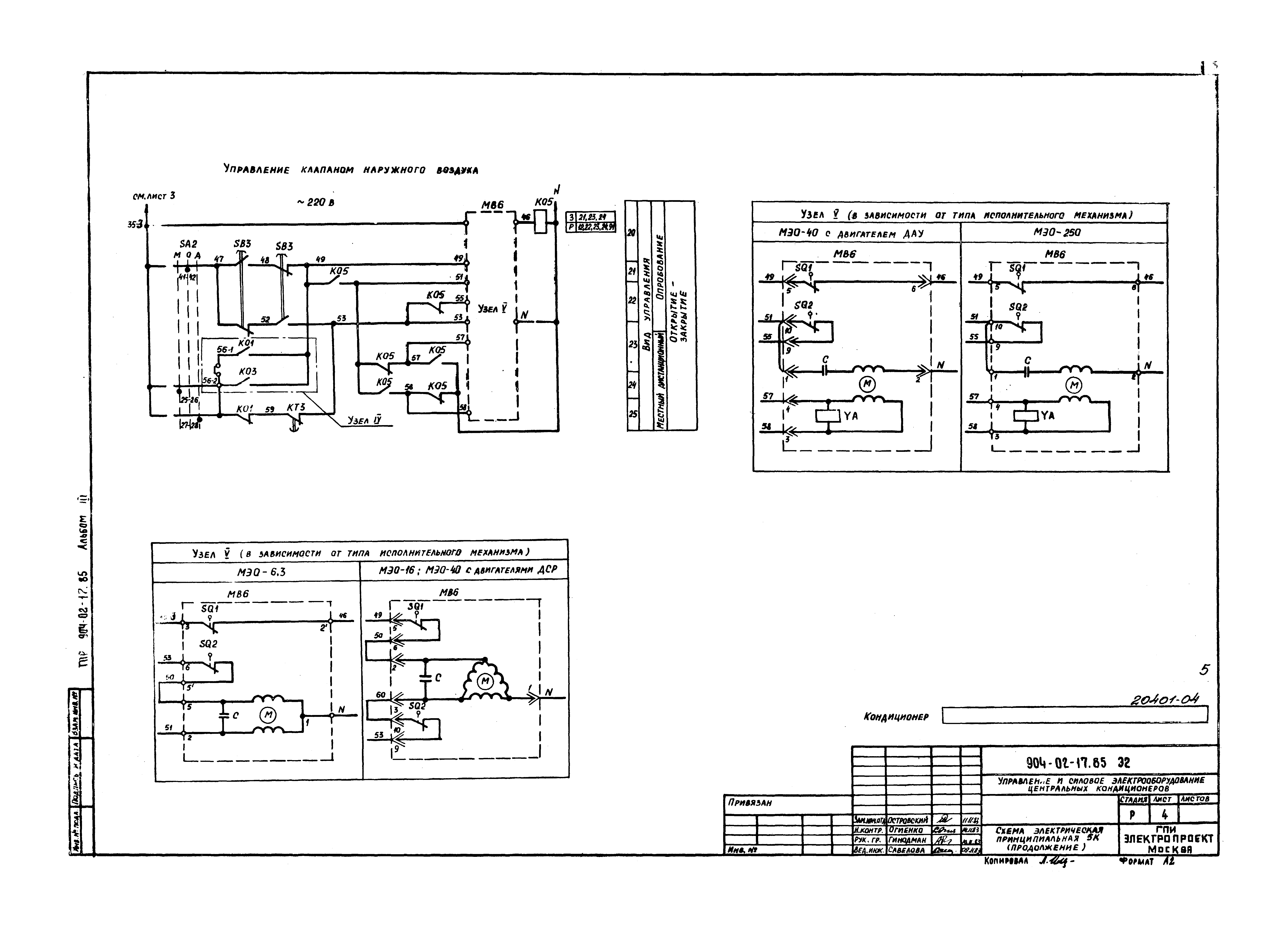
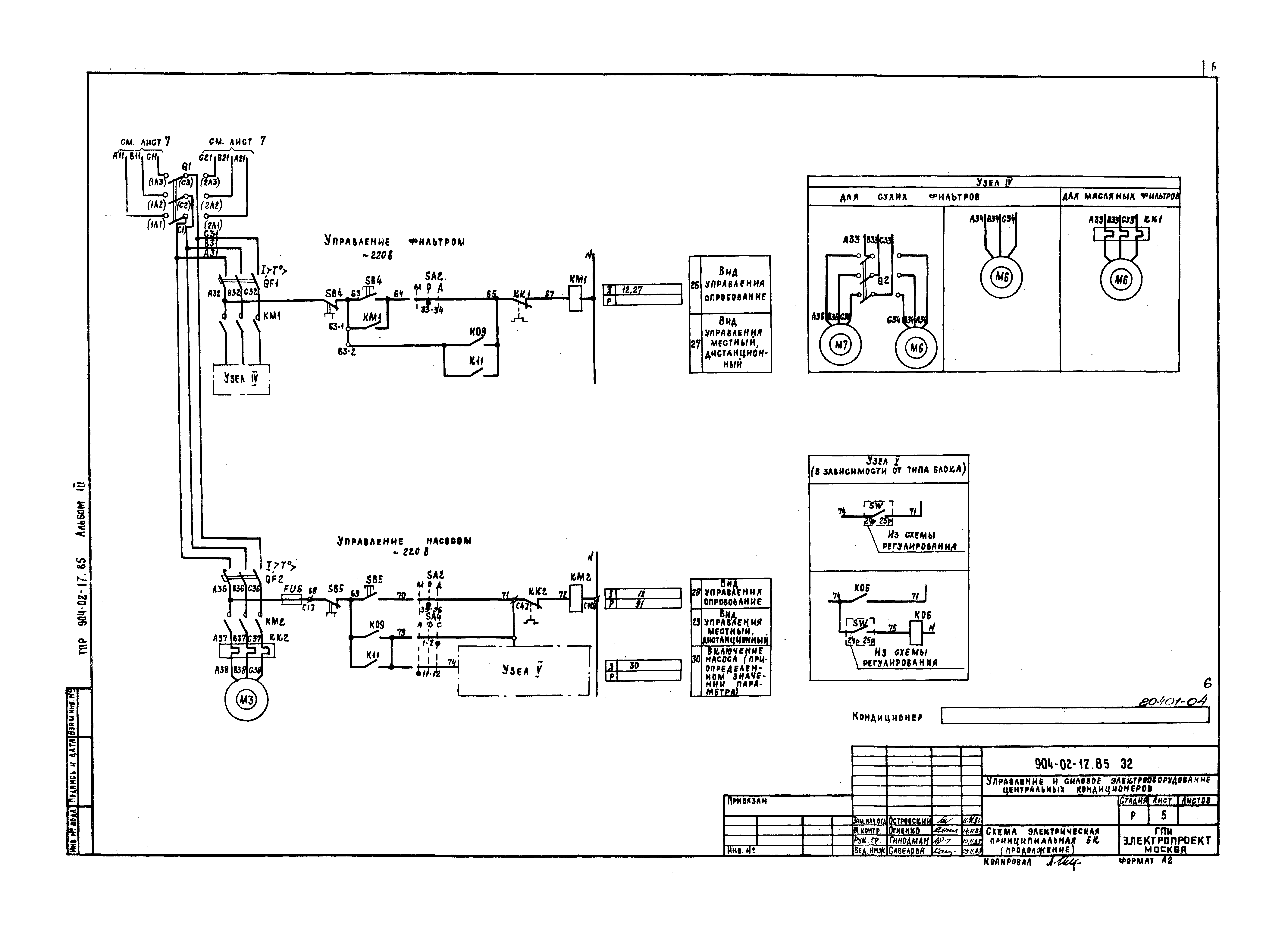
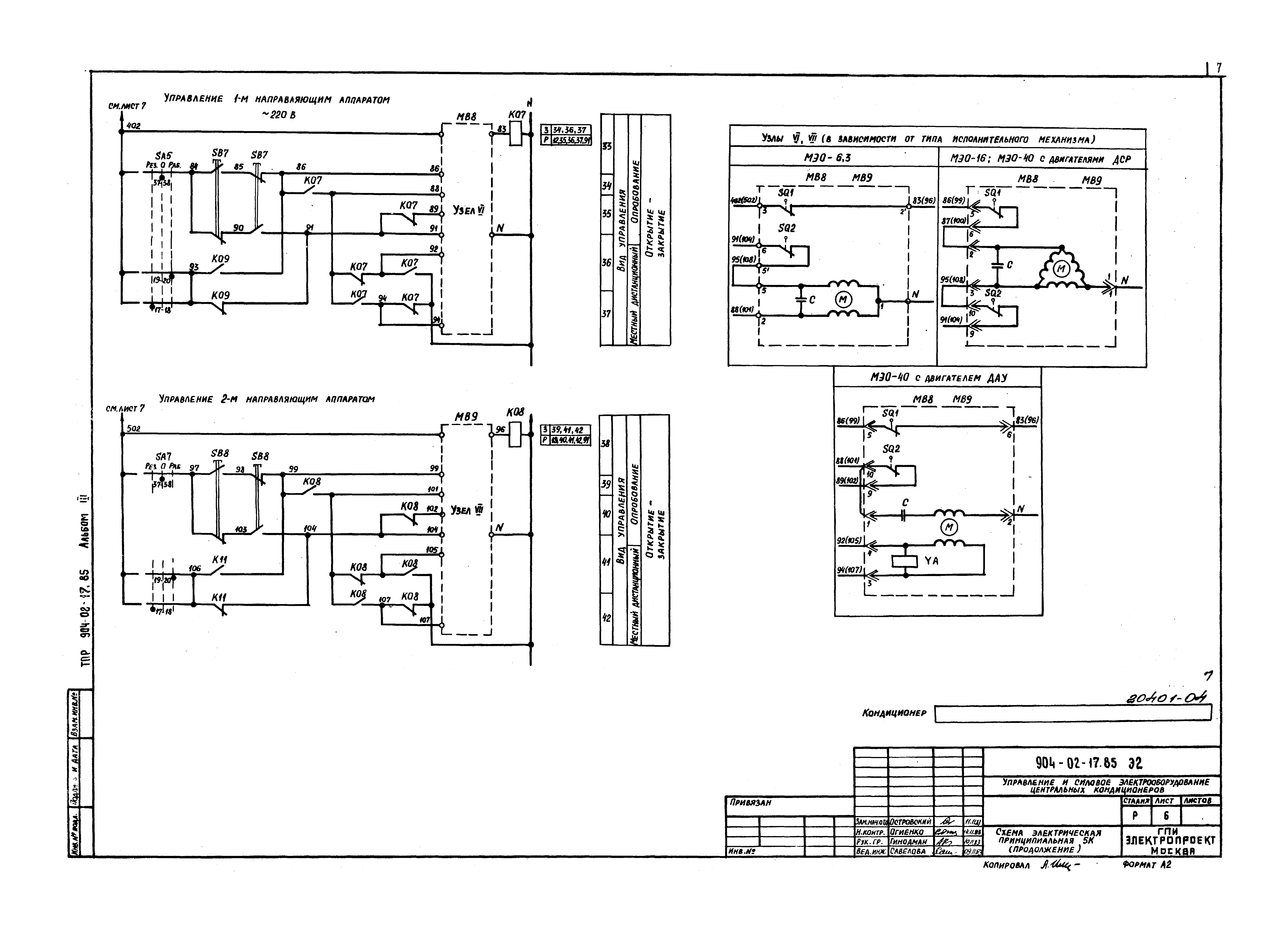
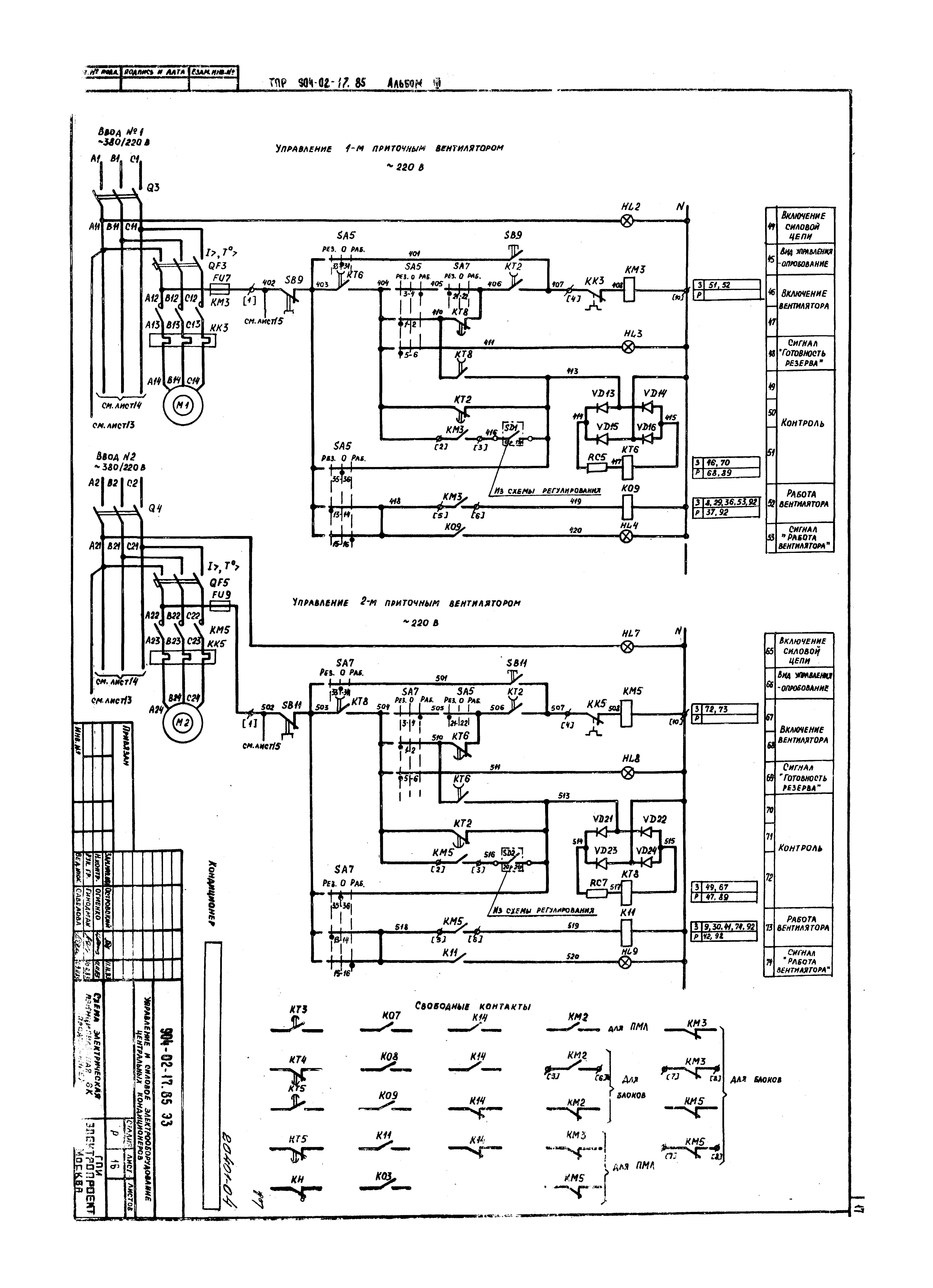
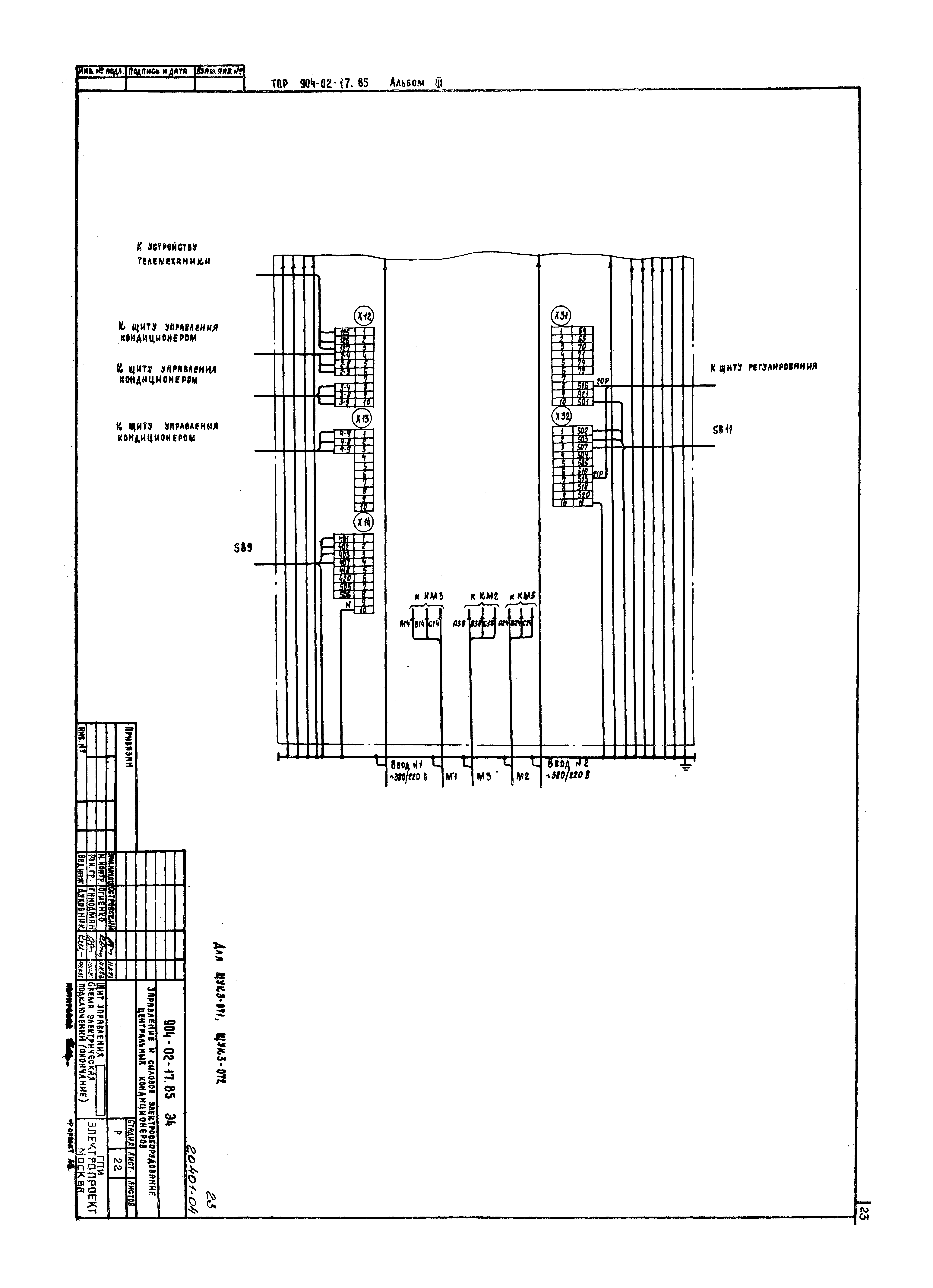
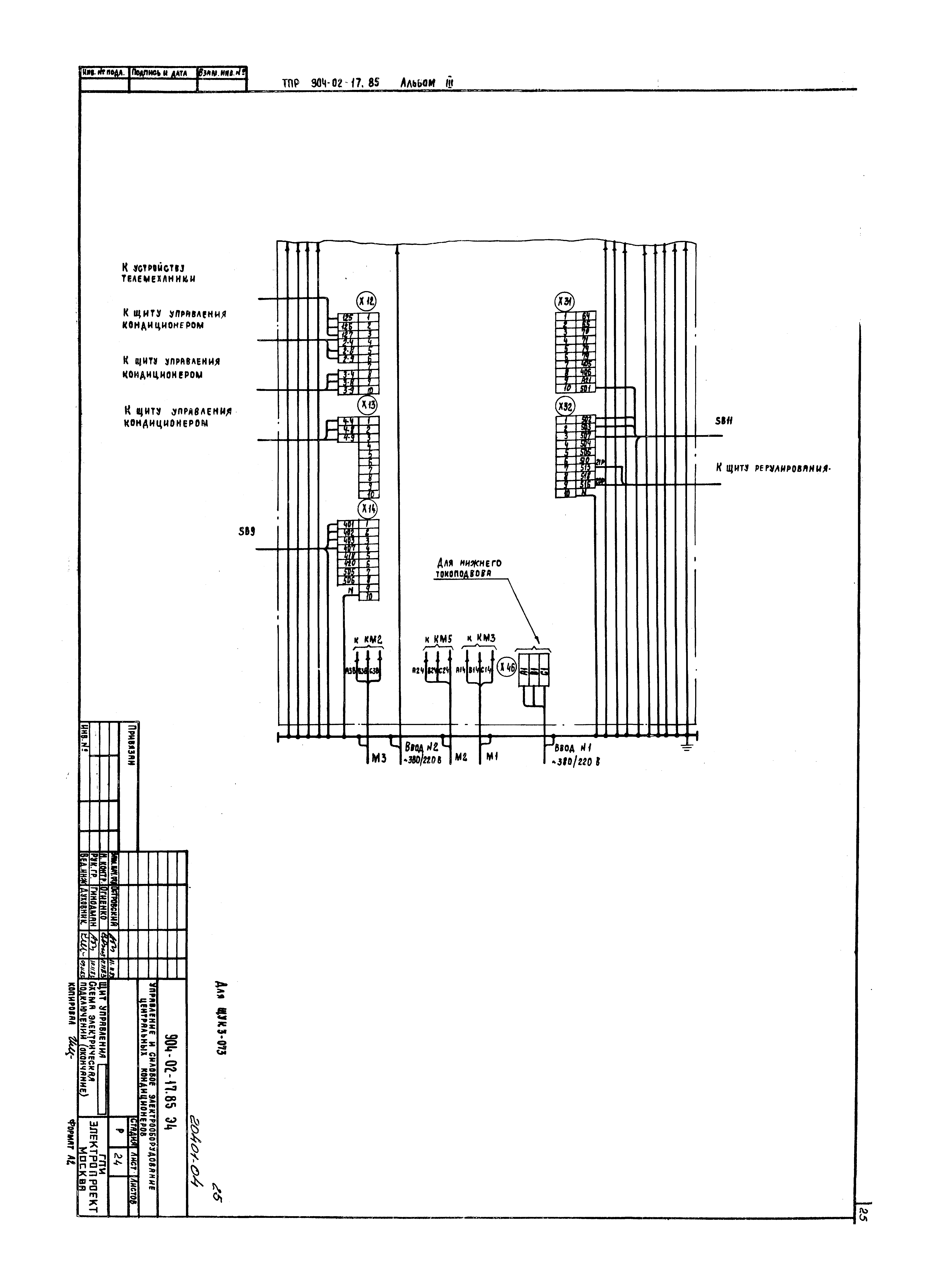
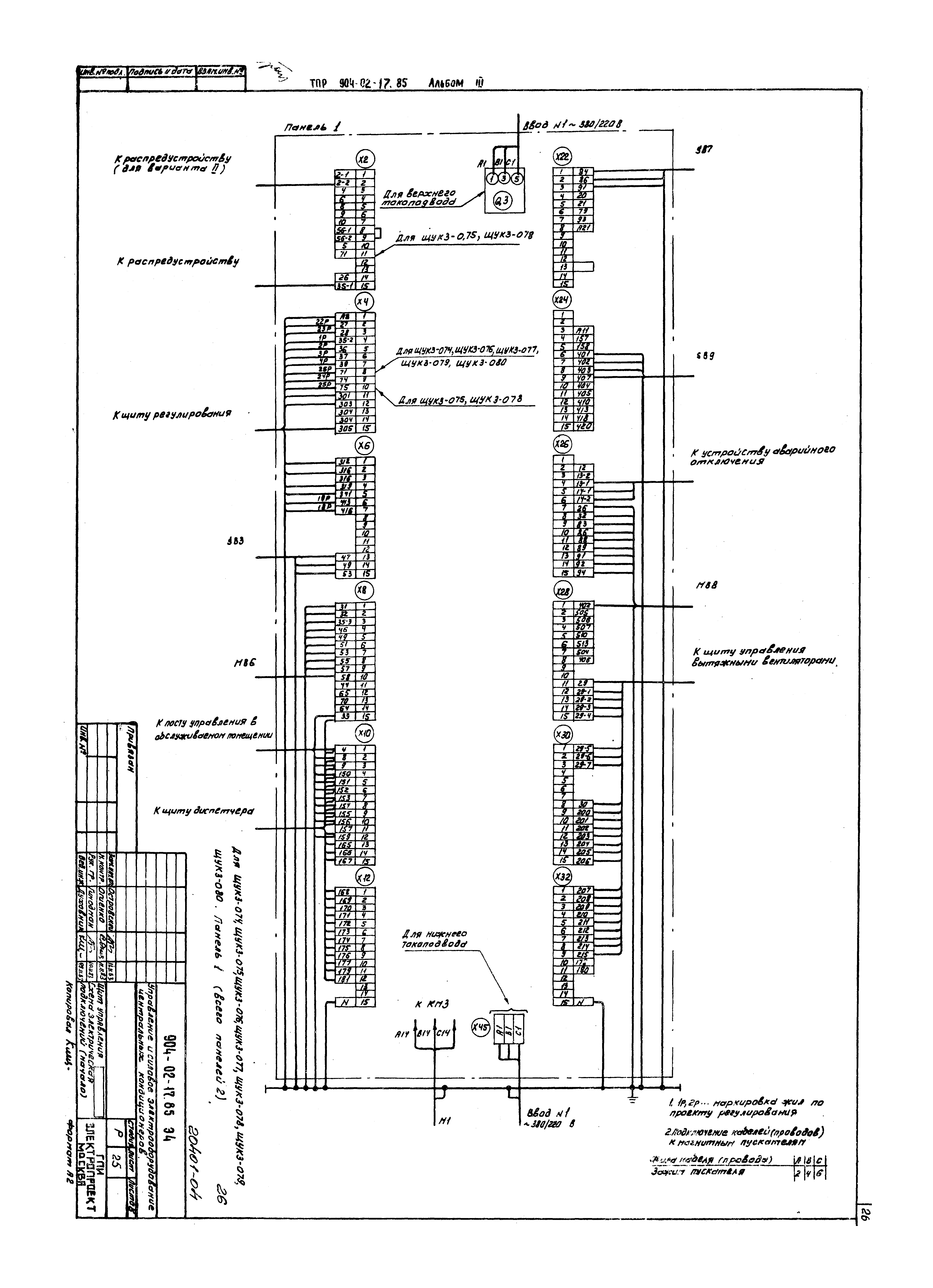
Скачать Типовые проектные решения 904-02-17.85 Альбом III. Кондиционер с двумя приточными (рабочим и резервным) вентиляторамиДата актуализации: 01.01.2021
|
| Обозначение: | Типовые проектные решения 904-02-17.85 |
| Обозначение англ: | 904-02-17.85 |
| Статус: | справочные материалы, мп, тпр |
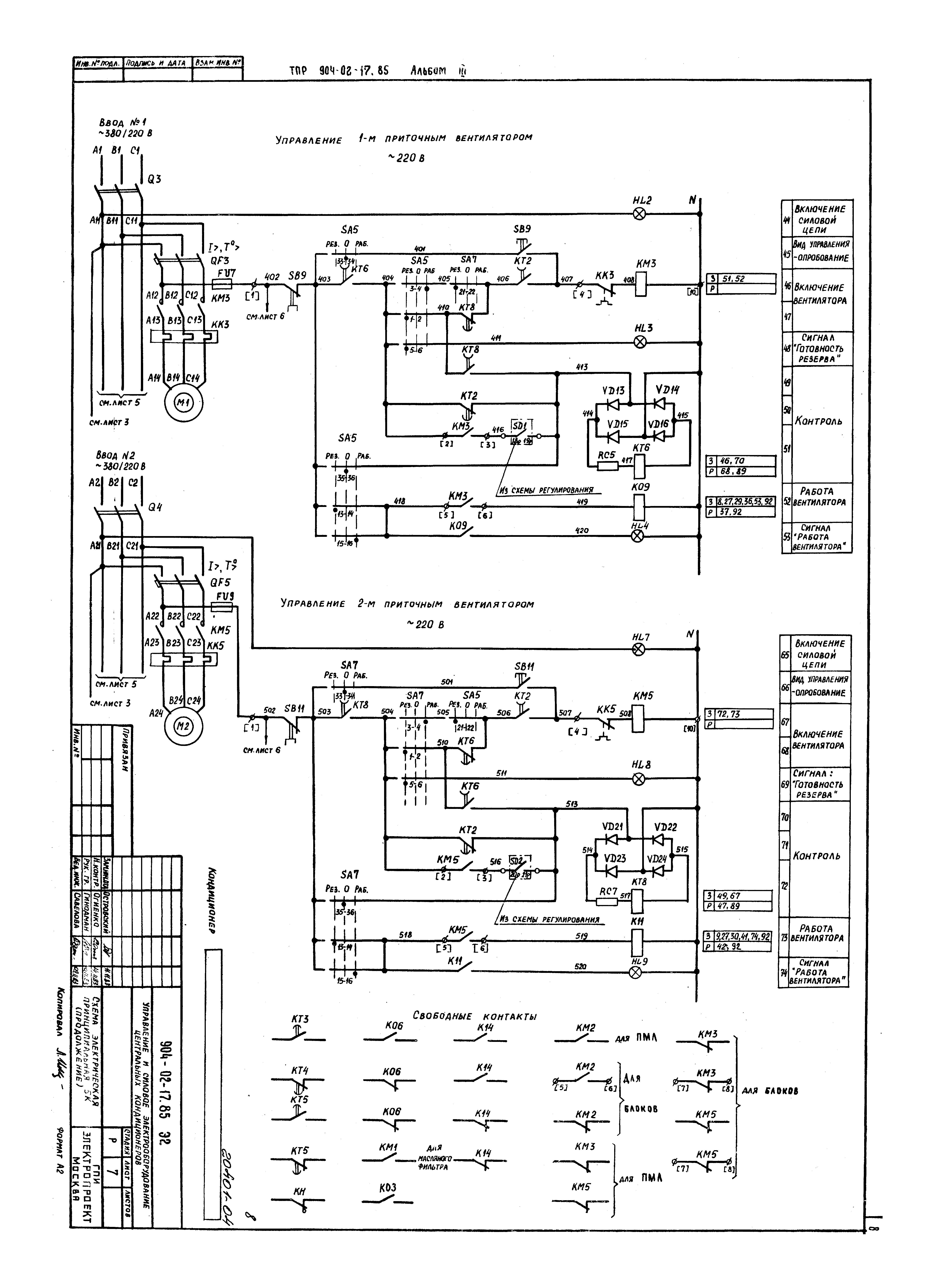
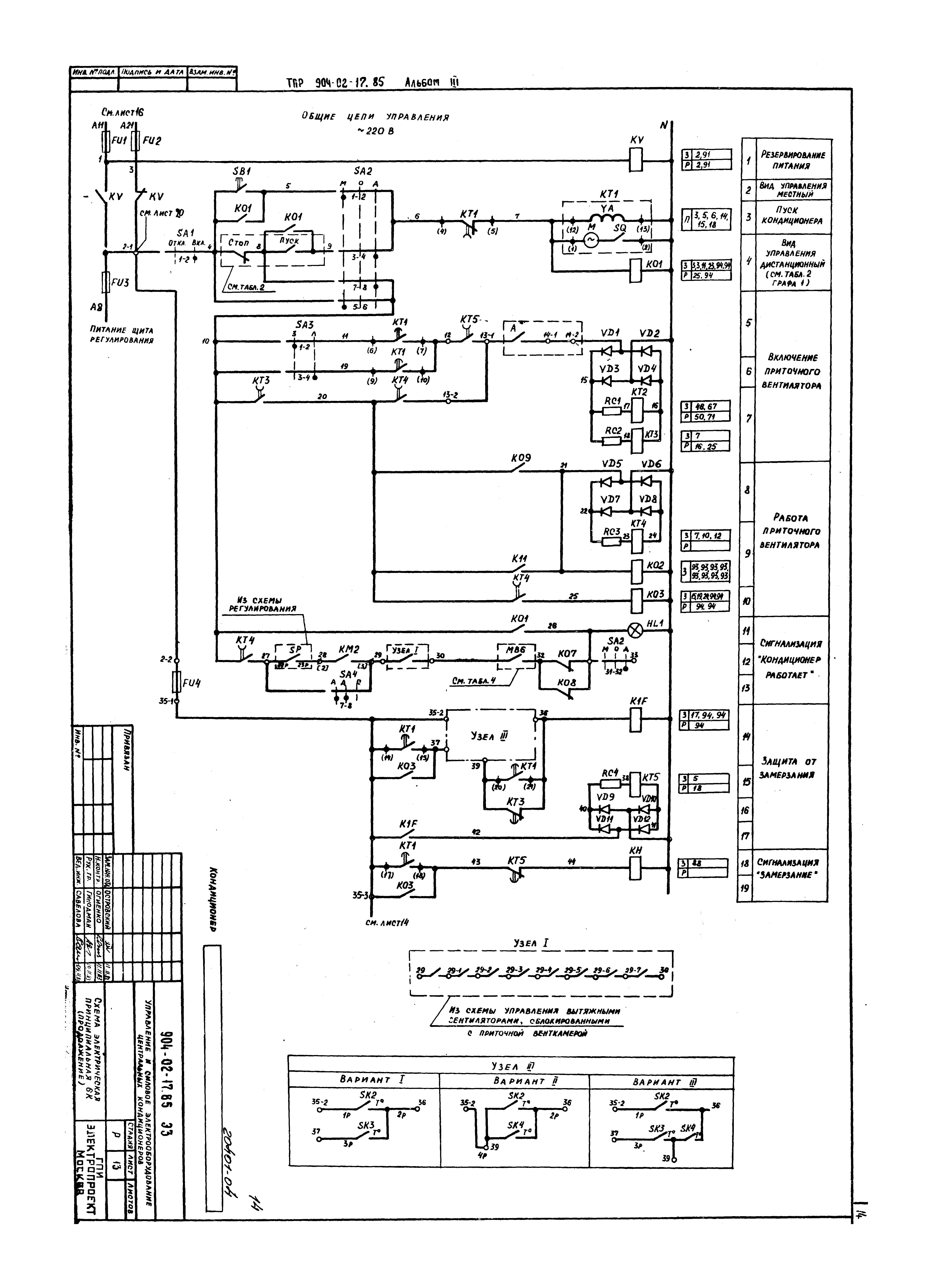
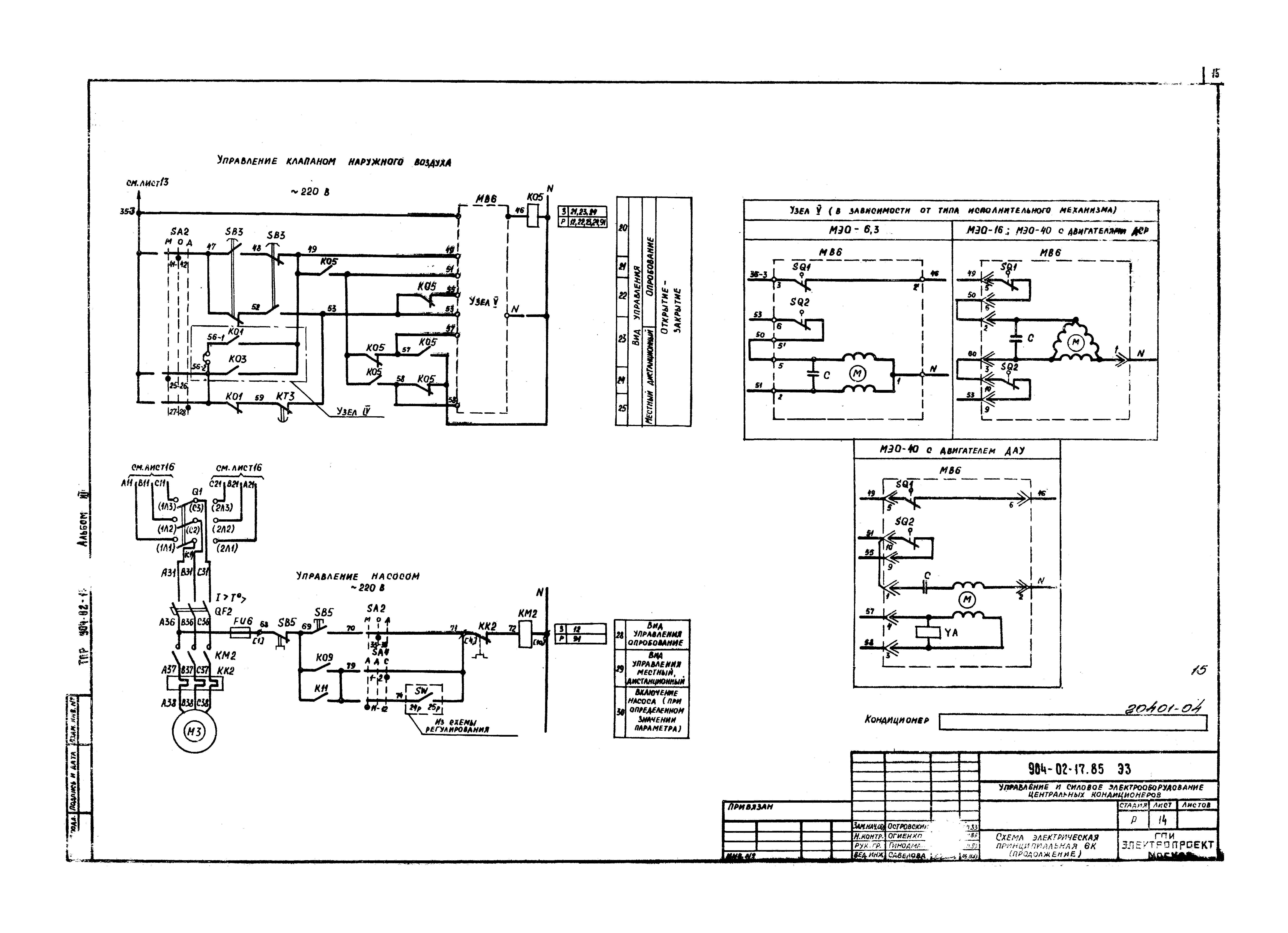
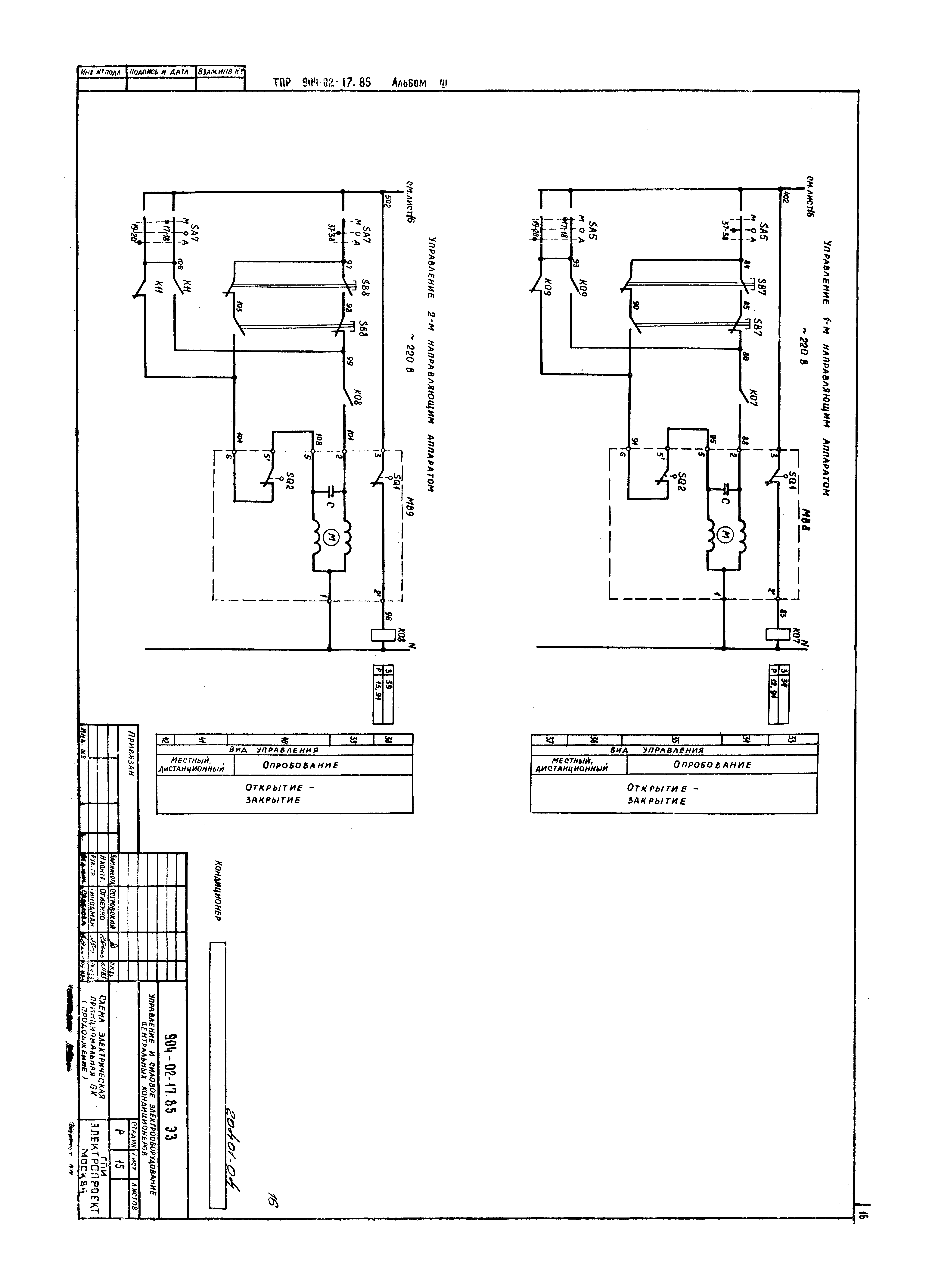
| Название рус.: | Альбом III. Кондиционер с двумя приточными (рабочим и резервным) вентиляторами |
| Дата добавления в базу: | 01.09.2013 |
| Дата актуализации: | 01.01.2021 |
| Дата окончания срока действия: | 12.06.1986 |
| Разработан: | Электропроект Минмонтажспецстроя СССР |
| Утверждён: | 12.06.1986 Главстройпроект Госстроя СССР (33) |



































