Скачать Типовой проект 901-6-96.88 Альбом I. Пояснительная записка. Технологические решения. Электротехнические решенияДата актуализации: 01.01.2021
|
| Обозначение: | Типовой проект 901-6-96.88 |
| Обозначение англ: | 901-6-96.88 |
| Статус: | не действует |
| Название рус.: | Альбом I. Пояснительная записка. Технологические решения. Электротехнические решения |
| Дата добавления в базу: | 01.09.2013 |
| Дата актуализации: | 01.01.2021 |
| Дата введения: | 13.09.1988 |
| Дата окончания срока действия: | 01.07.1996 |
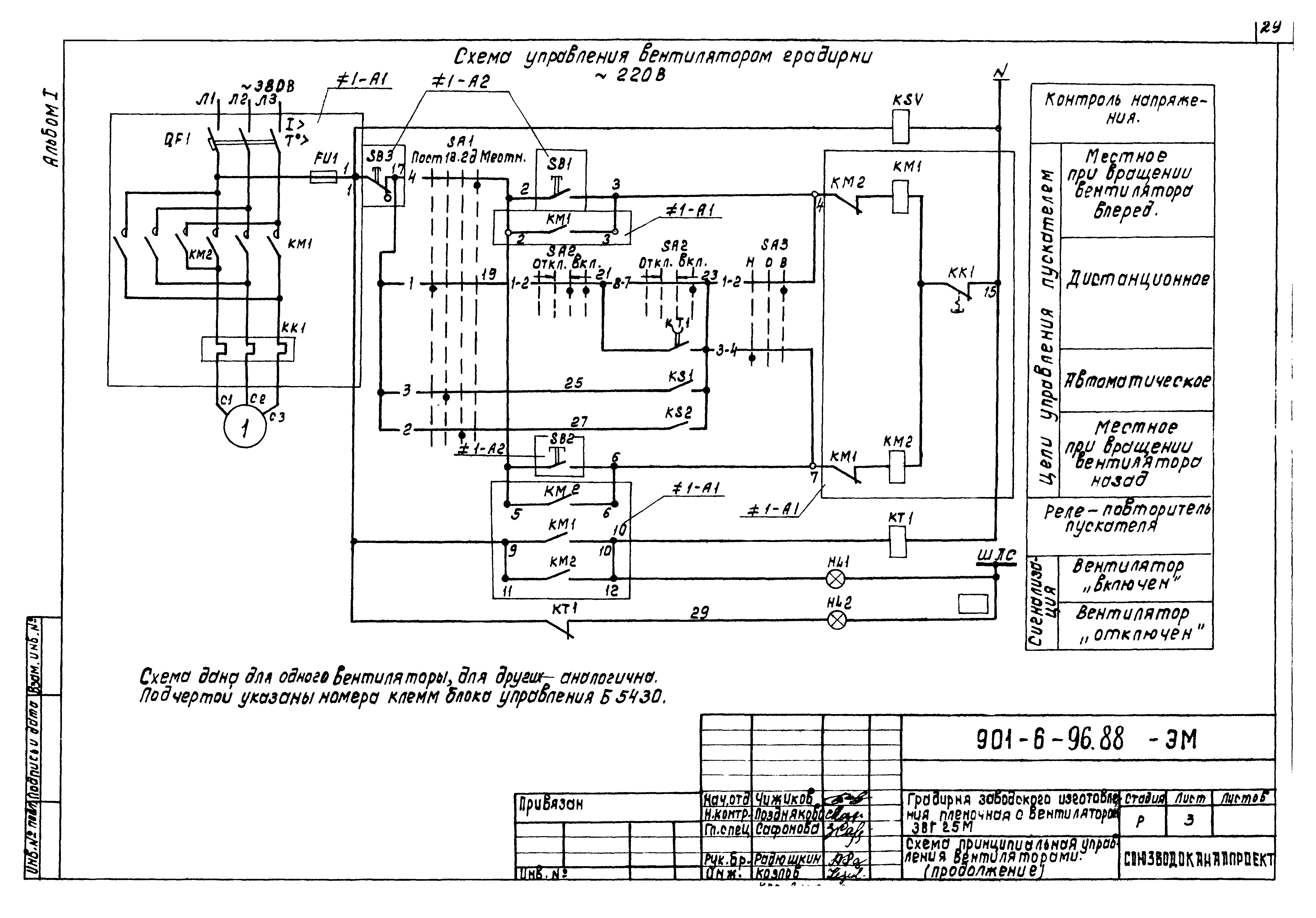
| Оглавление: | Титульный лист Содержание альбома ПЗ Пояснительная записка НВ-1 Общие данные НВ-2 Схема установки градирен на кровле здания НВ-3 Общий вид градирни НВ-4 План градирни на отм. 4.990. План поддона. Разрезы НВ-5 План расстановки блоков пленочного оросителя и водораспределительной системы НВ-6 План раскладки водоуловителя ВР. Разрезы ЭМ-1 Общие данные. Схема принципиальная однолинейная сети 380/220 В ЭМ-2 Схема принципиальная управления вентиляторами (начало) ЭМ-3 Схема принципиальная управления вентиляторами (продолжение) ЭМ-4 Схема принципиальная управления вентиляторами (окончание). Схема принципиальная общих цепей управления ЭМ-5 Кабельный журнал ЭМ-6 Расположение электрооборудования и прокладка кабелей. Электроосвещение НВ.СО Спецификация оборудования ЭМ.СО Спецификация оборудования |
| Разработан: | Союзводоканалпроект |
| Утверждён: | 08.06.1988 Главпроект Госстроя СССР (41) |



































