Скачать Типовой проект 901-7-6.84 Альбом I. Пояснительная запискаДата актуализации: 01.01.2021
|
| Обозначение: | Типовой проект 901-7-6.84 |
| Обозначение англ: | 901-7-6.84 |
| Статус: | не действует |
| Название рус.: | Альбом I. Пояснительная записка |
| Дата добавления в базу: | 01.09.2013 |
| Дата актуализации: | 01.01.2021 |
| Дата введения: | 23.09.1983 |
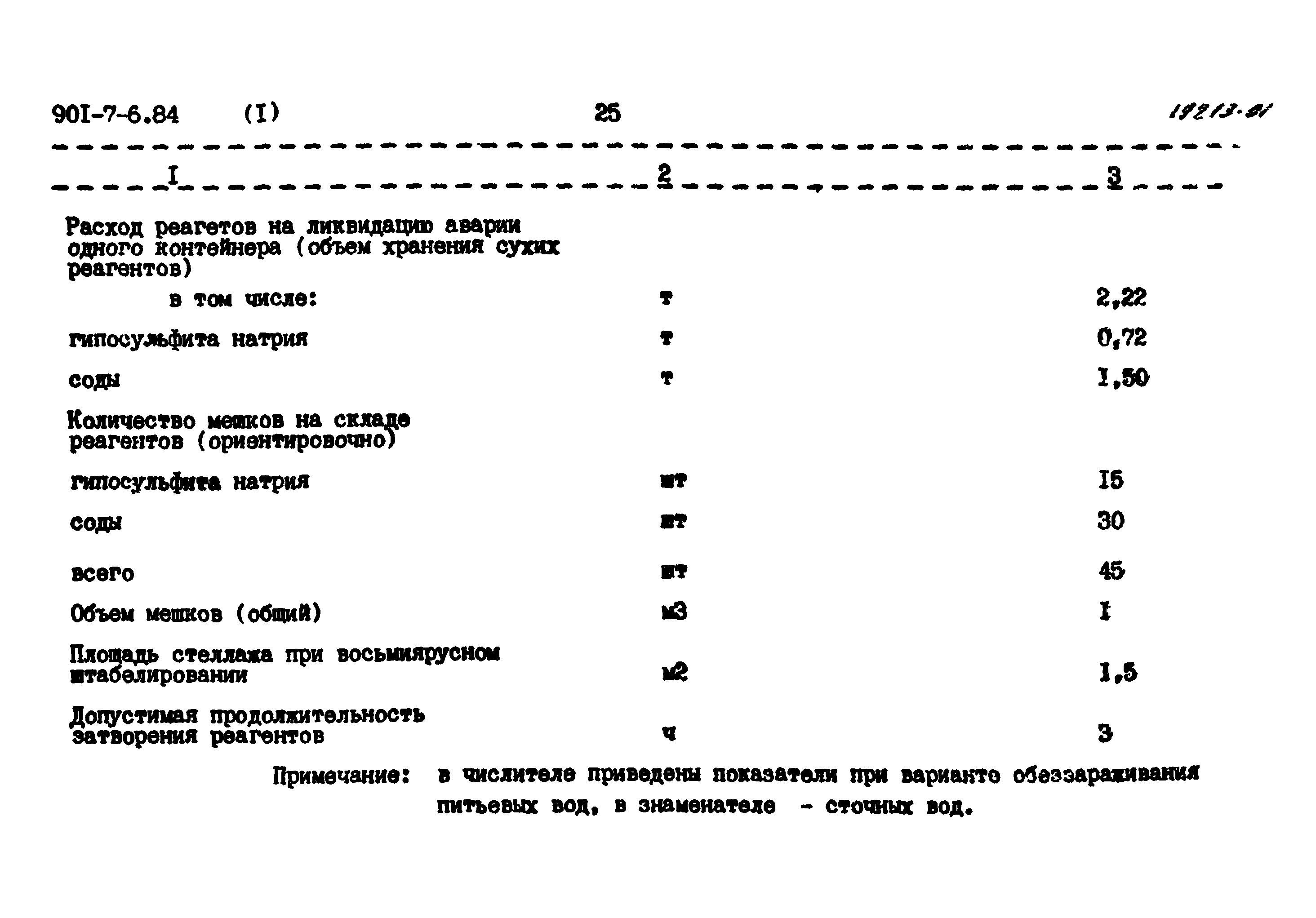
| Оглавление: | 1. Общая часть 2. Технологическая часть 3. Архитектурно-строительная часть 4. Электротехническая часть 5. Санитарно-техническая часть 6. Указания по привязке проекта |
| Разработан: | ЦНИИЭП |
| Утверждён: | 27.12.1979 Госгражданстрой (Gosgrazhdanstroy 279) |
| Чем заменён: |









































