Скачать Серия 1.100.2-1 Унифицированные сварные закладные детали для сборных железобетонных изделий, применяемых в типовых проектах крупнопанельных жилых зданий для обычных условий сельского строительстваДата актуализации: 01.01.2021
|
| Обозначение: | Серия 1.100.2-1 |
| Обозначение англ: | Series 1.100.2-1 |
| Статус: | не действует |
| Название рус.: | Унифицированные сварные закладные детали для сборных железобетонных изделий, применяемых в типовых проектах крупнопанельных жилых зданий для обычных условий сельского строительства |
| Дата добавления в базу: | 01.09.2013 |
| Дата актуализации: | 01.01.2021 |
| Дата введения: | 01.10.1980 |
| Дата окончания срока действия: | 01.05.1999 |
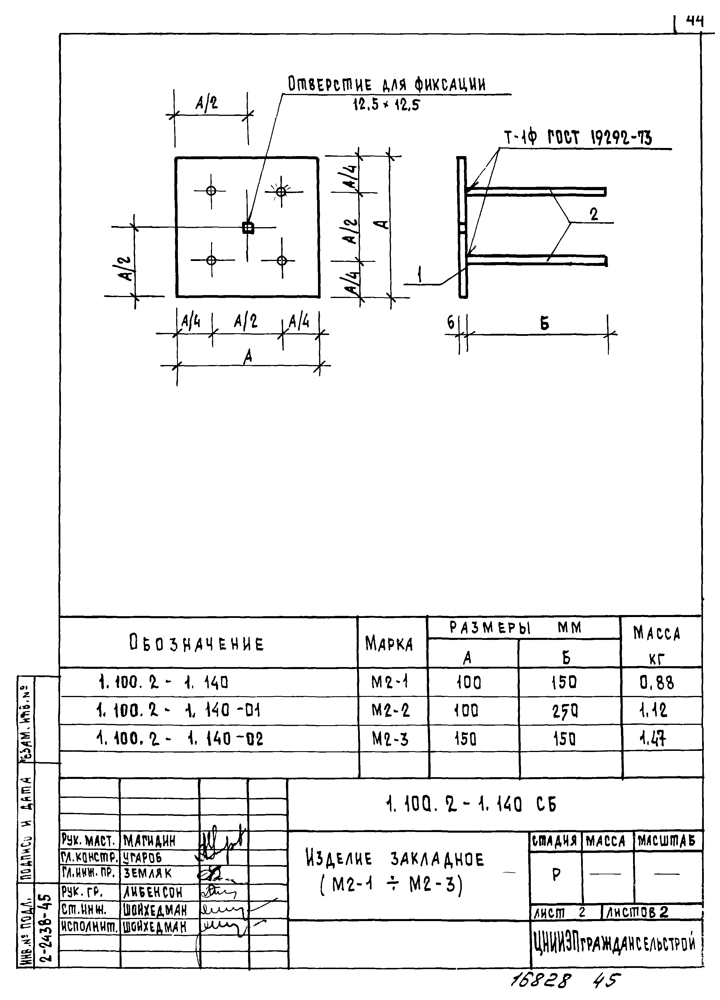
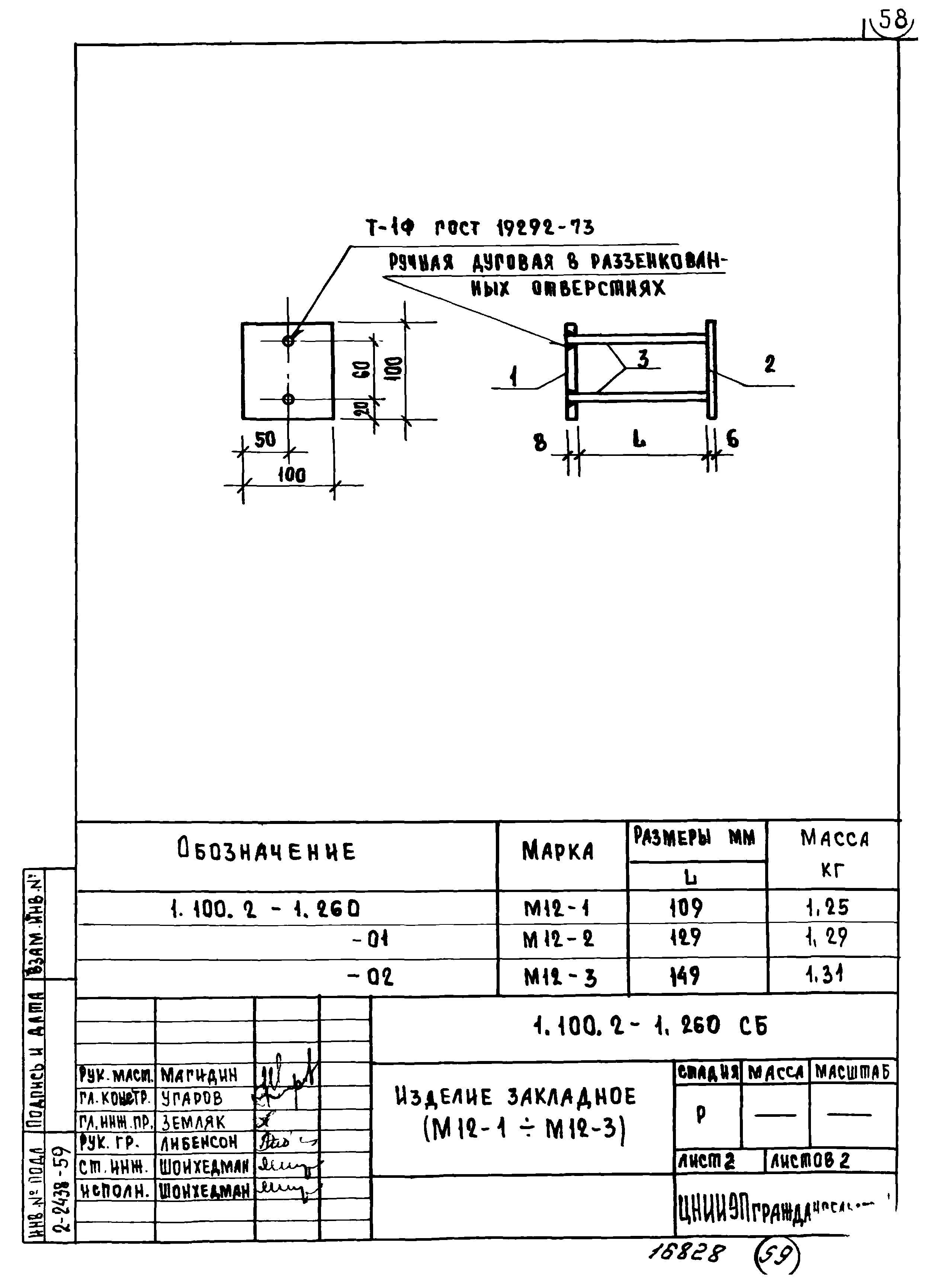
| Оглавление: | 1.100.2-1.000 Опись выпуска 1.100.2-1.010 ТО Техническое описание 1.100.2-1.010 ВД Ведомость ссылочных документов 1.100.2-1.010 ВС Выборка стали 1.100.2-1.010 Изделие закладное (АН-1-АЦа-5) 1.100.2-1.010 СБ Изделие закладное (АН-1-АЦа-5) 1.100.2-1.020 Изделие закладное (АН-4-АЦа-7) 1.100.2-1.020 СБ Изделие закладное (АН-4-АЦа-7) 1.100.2-1.030 Изделие закладное (МНа-1-МЦа-5) 1.100.2-1.030 СБ Изделие закладное (МНа-1-МЦа-5) 1.100.2-1.040 Изделие закладное (МНа-2-МЦа-6) 1.100.2-1.040 СБ Изделие закладное (МНа-2-МЦа-6) 1.100.2-1.050 Изделие закладное (АН-10-АЦ-13) 1.100.2-1.050 СБ Изделие закладное (АН-10-АЦ-13) 1.100.2-1.060 Изделие закладное (МНа-10-МЦа-15) 1.100.2-1.060 СБ Изделие закладное (МНа-10-МЦа-15) 1.100.2-1.070 Изделие закладное (АНа-13-АНа-15) 1.100.2-1.070 СБ Изделие закладное (АНа-13-АНа-15) 1.100.2-1.080 Изделие закладное (М1-1-М1-4) 1.100.2-1.080 СБ Изделие закладное (М1-1-М1-4) 1.100.2-1.090 Изделие закладное М1-5 1.100.2-1.100 Изделие закладное М1-6 1.100.2-1.110 Изделие закладное М1-7 1.100.2-1.120 Изделие закладное М1-8 1.100.2-1.130 Изделие закладное М1-9 1.100.2-1.140 Изделие закладное (М2-1-М2-3) 1.100.2-1.140 СБ Изделие закладное (М2-1-М2-3) 1.100.2-1.150 Изделие закладное М2-4 1.100.2-1.160 Изделие закладное М3-1 1.100.2-1.170 Изделие закладное М4-1 1.100.2-1.180 Изделие закладное (М4-2-М4-4) 1.100.2-1.180 СБ Изделие закладное (М4-2-М4-4) 1.100.2-1.190 Изделие закладное М5-1 1.100.2-1.200 Изделие закладное М6-1 1.100.2-1.210 Изделие закладное М7-1 1.100.2-1.220 Изделие закладное М8-1 1.100.2-1.230 Изделие закладное М9-1 1.100.2-1.240 Изделие закладное М10-1 1.100.2-1.250 Изделие закладное М11-1 1.100.2-1.260 Изделие закладное (М12-1-М12-3) 1.100.2-1.260 СБ Изделие закладное (М12-1-М12-3) |
| Разработан: | ЦНИИЭП граждансельстрой |
| Утверждён: | 08.09.1980 Госгражданстрой (Gosgrazhdanstroy 236) |



























































