Скачать Серия 1.189-6 Выпуск 3. Элементы железобетонных шахт пассажирских лифтов с противовесом сзади кабиныДата актуализации: 01.01.2021
|
| Обозначение: | Серия 1.189-6 |
| Обозначение англ: | Series 1.189-6 |
| Статус: | не действует |
| Название рус.: | Выпуск 3. Элементы железобетонных шахт пассажирских лифтов с противовесом сзади кабины |
| Дата добавления в базу: | 01.09.2013 |
| Дата актуализации: | 01.01.2021 |
| Дата введения: | 20.11.1978 |
| Дата окончания срока действия: | 01.04.1984 |
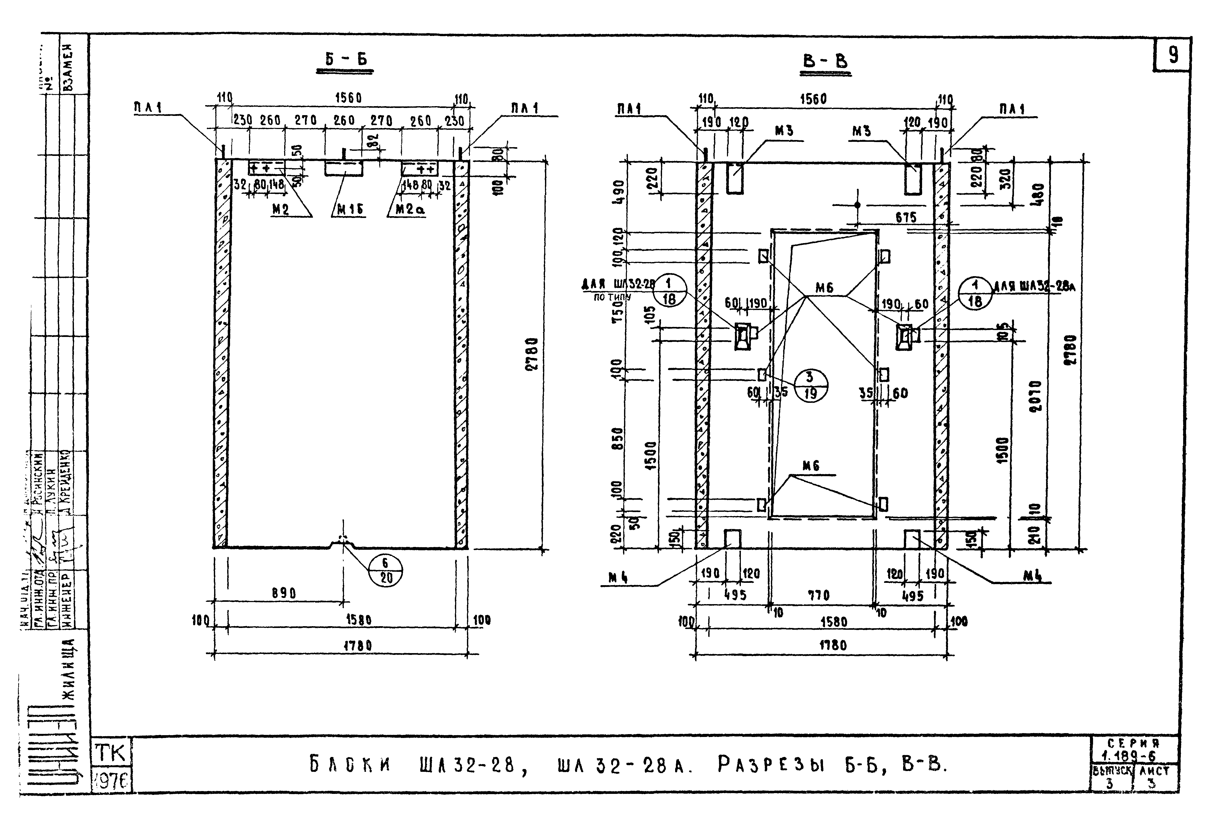
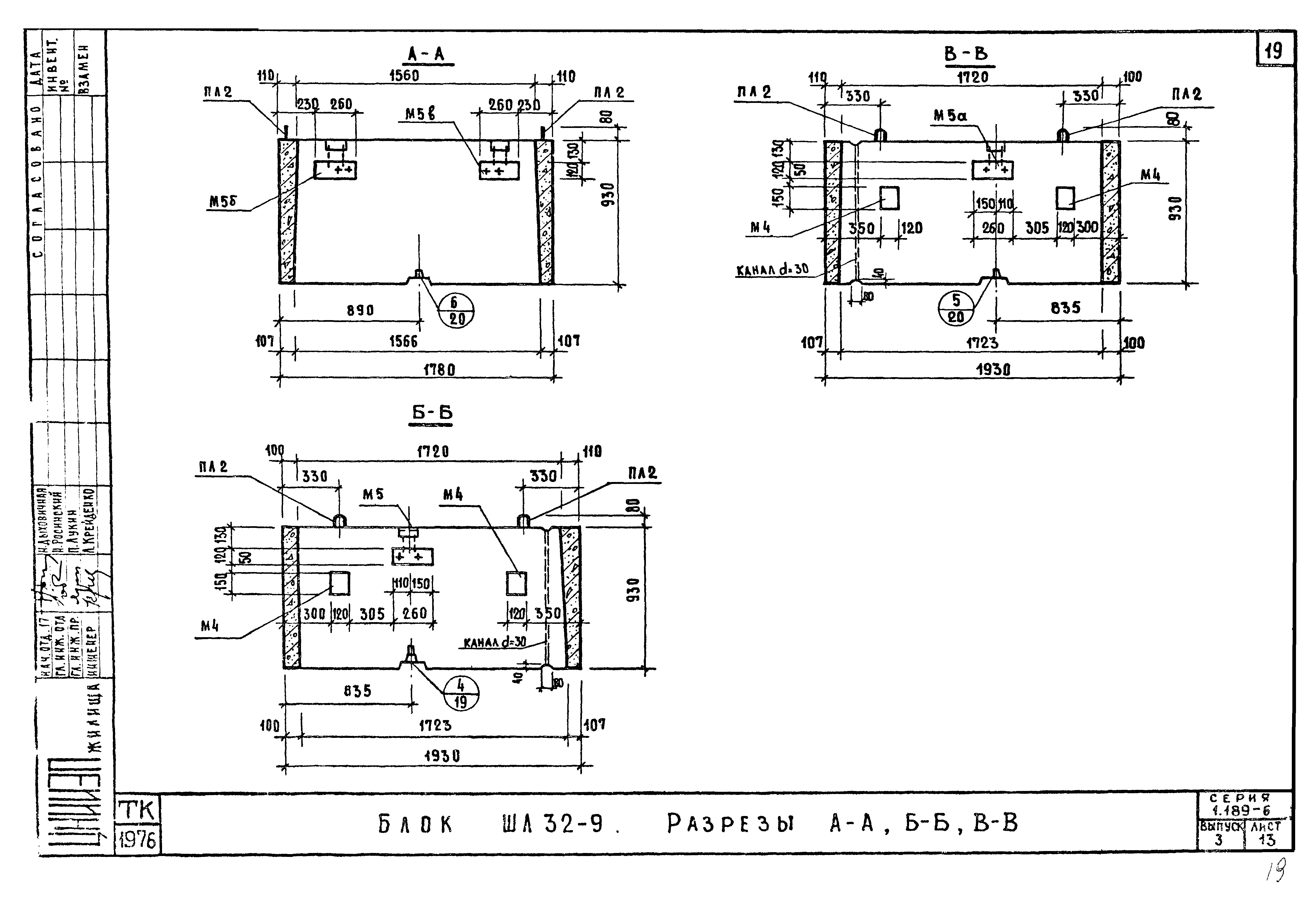
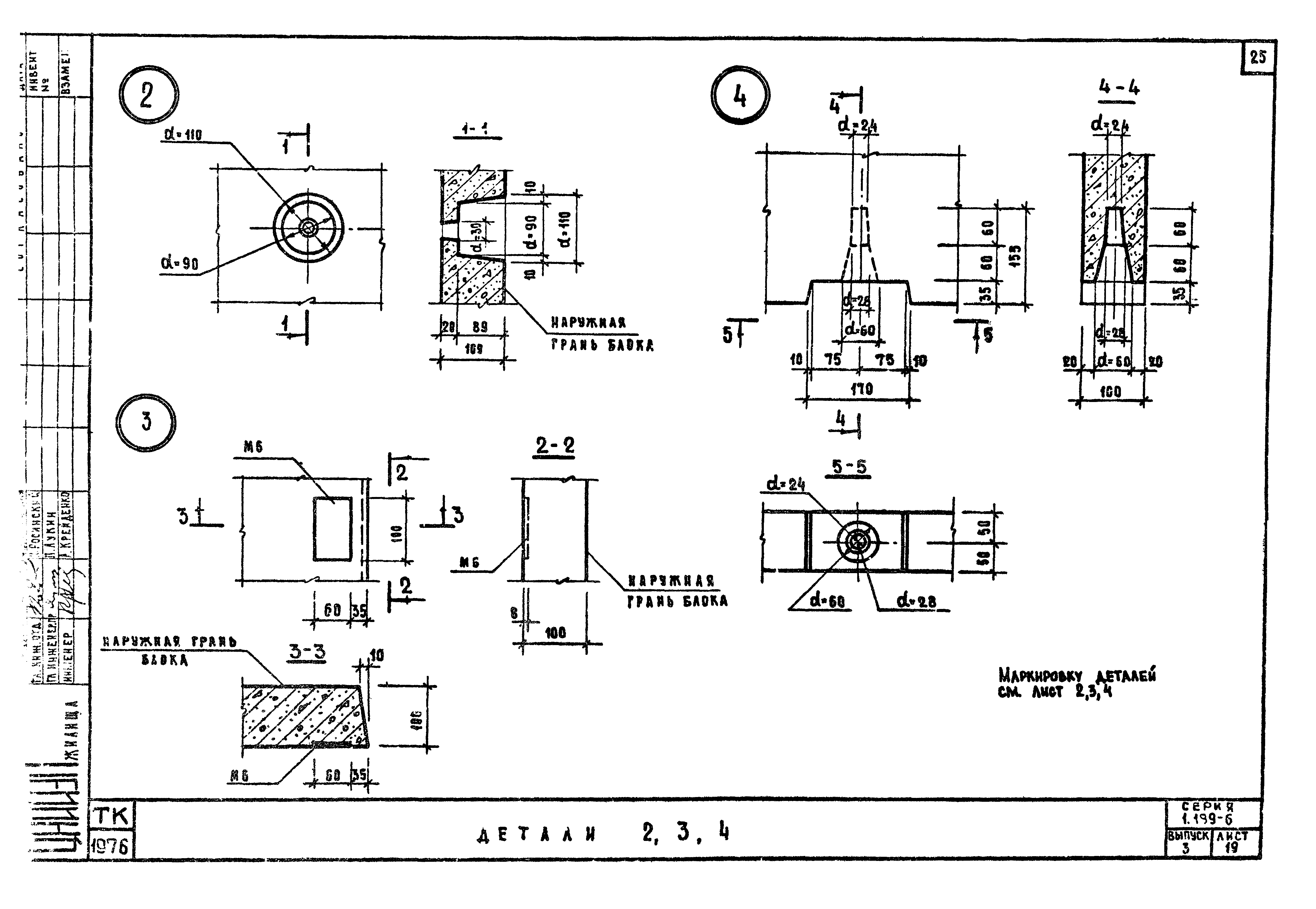
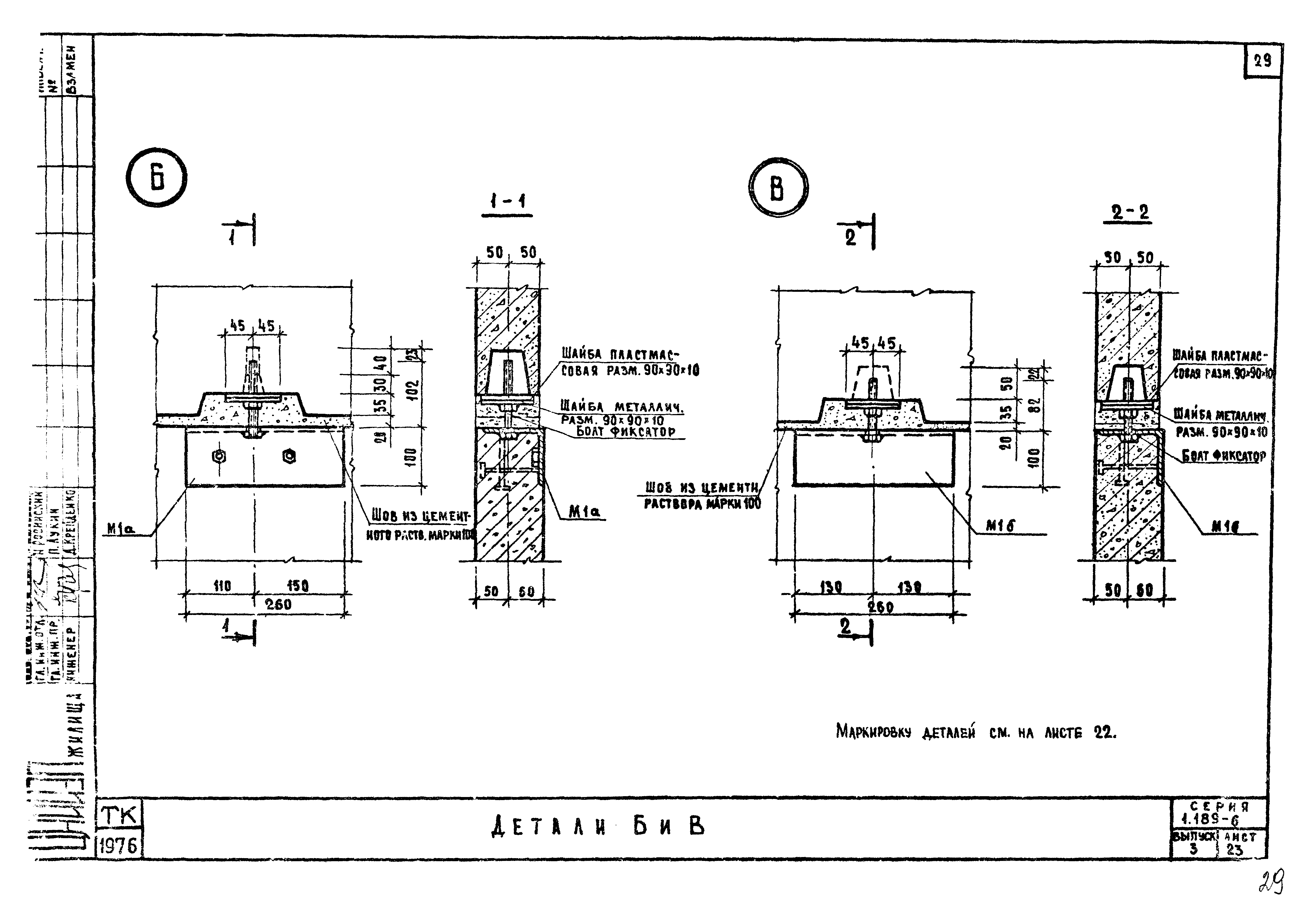
| Оглавление: | Содержание Пояснительная записка Номенклатура изделий Блоки ШЛ32-28,ШЛ32-28А. Общий вид Блоки ШЛ32-28,ШЛ32-28А. План и вид по А-А Блоки ШЛ32-28,ШЛ32-28А. Разрезы Б-Б,В-В Блоки ШЛ32-28,ШЛ32-28А. Разрезы Г-Г,Д-Д Блоки ШЛ32-28,ШЛ32-28А. Армирование Блоки ШЛ32-12. Общий вид и план Блоки ШЛ32-14. Разрезы А-А,Б-Б,В-В Блоки ШЛ32-14. Армирование Блоки ШЛ32-9. Общий вид и план Блоки ШЛ32-9. Разрезы А-А,Б-Б,В-В Блоки ШЛ32-9. Армирование Плиты перекрытий ПЛ32-18.19;ПЛ32-18.19.2А Плиты перекрытий ПЛ32-18.19.2;ПЛ32-18.19.2А. Армирование Тумба Т32. Деталь 1 Детали 2,3,4 Детали 5,6 Монтажная схема шахты лифта 9 этажного жилого здания высотой этажа 2,8 метра Развертка блоков шахты лифта. Деталь А Детали Б и В Детали ограждений отверстий в плитах перекрытия ПЛ32-18.19.2;ПЛ32-18.19.2А. Технические требования к шахте лифта. Деталь Г Арматурные изделия Сетки СЛ1,СЛ2 Сетки СЛ3,СЛ4,СЛ5 Сетки СЛ6,СЛ7,СЛ8 Каркасы КЛ1-КЛ6. Отдельный стержень ТЛ1 Монтажные петли ПЛ1,ПЛ2,ПЛ3 Закладные детали М1,М1а,М1б Закладные детали М2,М2а,М3 Закладные детали М5,М5а,М5б,М5в Закладные детали М4,М6,М7 Выборка стали |
| Разработан: | ЦНИИЭП жилища |
| Утверждён: | 20.11.1978 Госкомитет по гражданскому строительству и архитектуре при Госстрое СССР (National Committee on Nonindustrial Construction and Architecture, USSR Gosstroy 37) |







































