Скачать Том 2. Технический проект. Пояснительная записка

Дата актуализации: 01.01.2021

Том 2. Технический проект. Пояснительная записка

Статус:справочные материалы, мп, тпр
Название рус.:Том 2. Технический проект. Пояснительная записка
Дата добавления в базу:01.09.2013
Дата актуализации:01.01.2021
Оглавление:Титульные листы
Аннотация
Состав проекта
Содержание тома I
Пояснительная записка
1. Назначение и область причинения
2. Основные расчетные положения
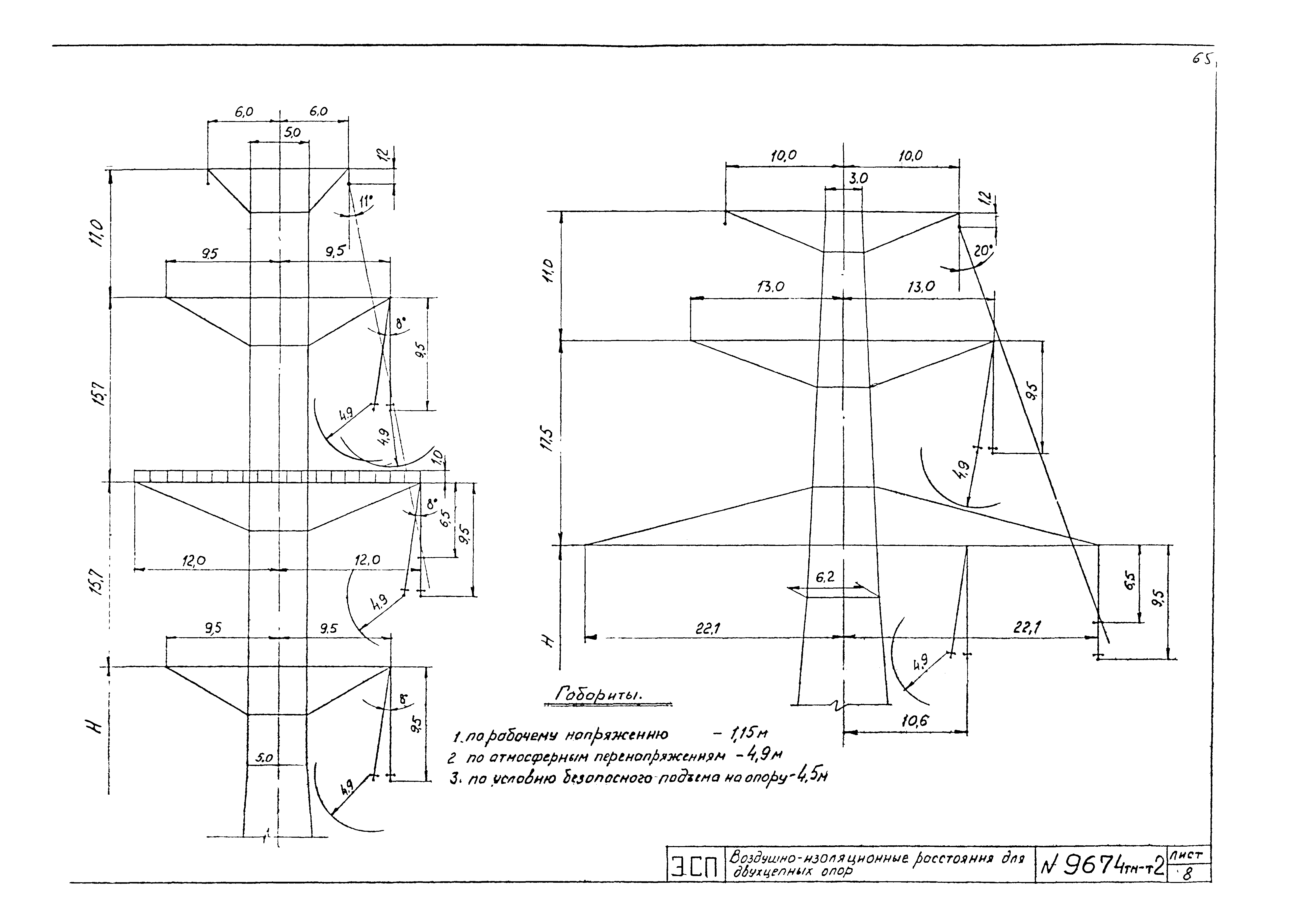
3. Изоляция, линейная арматура, определение воздушных изоляционных расстояний
4. Выбор типов пароходных опор
4.1. Определение области применения промежуточных и анкерных переходных опор
4.2. Выбор типов переходных опор
4.3. Выбор ступеней опор по высоте; конструкции переходных опор
4.4. Расчеты конструкций опор с применением ЭВМ
5. Выбор типов концевых опор
6. Расчет экономической эффективности
7. Выводы и рекомендации
8. Выписка из патентного формуляра инв. № 9674тм-т4. Отчет о патентных исследованиях
Чертежи
1. Обзорный лист предлагаемых переходных опор
2. Нагрузки от проводов и тросов для одноцепной опоры
3. Нагрузки от проводов и тросов для одноцепной опоры типа ПА
4. Нагрузки от проводов и тросов для двухцепной опоры
5. Нагрузки от проводов и тросов для концевых опор
6. Воздушно-изоляционные расстояния для одноцепных опор
7. Воздушно-изоляционные расстояния для одноцепной опоры типа ПА
8. Воздушно-изоляционные расстояния для двухцепных опор
9. Воздушно-изоляционные расстояния для одноцепной концевой опоры
10. Воздушно-изоляционные расстояния для двухцепной концевой опоры
11. Таблица сравнения весовых показателей поясов для разных марок стали
12. Схема опоры и таблица результатов расчета опоры в оптимальном режиме
13. Результаты расчета прогибов стволов башенных опор
14. Весовые показатели для одноцепной опоры по варианту I при разных базах опирания
15. Весовые показатели для двухцепной опоры по варианту I при разных базах опирания
16. Обзор больших переходов
Разработан: Северо-западное отделение института Энергосетьпроект
Утверждён:01.01.1980 Энергосетьпроект (Energosetproject )