Скачать Серия ИИ-03-02 Альбом 17. Перемычки. Подоконные плитыДата актуализации: 01.01.2021
|
| Обозначение: | Серия ИИ-03-02 |
| Обозначение англ: | Series ИИ-03-02 |
| Статус: | не действует |
| Название рус.: | Альбом 17. Перемычки. Подоконные плиты |
| Дата добавления в базу: | 01.09.2013 |
| Дата актуализации: | 01.01.2021 |
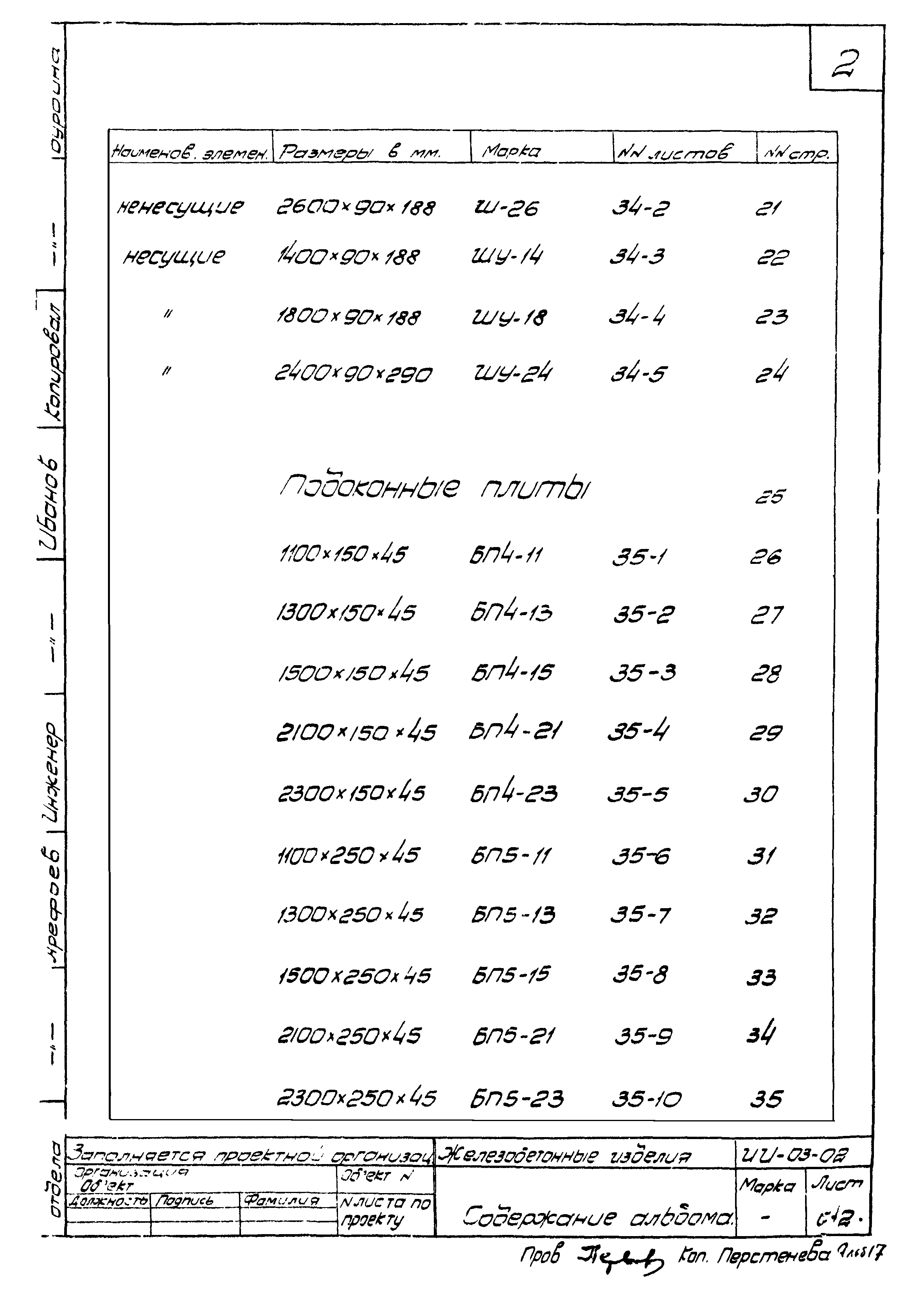
| Оглавление: | Содержание альбома Пояснительная записка Перемычки для кирпичных стен Ненесущие 1200х120х75 Б-12 Ненесущие 1600х120х75 Б-16 Ненесущие 2400х120х150 Б-24 Ненесущие 2600х120х150 Б-26 Несущие 1400х120х220 БУ-14 Несущие 1600х120х20 БУ-16 Несущие 1600х300х180 БУ-16-1 Несущие 1800х120х220 БУ-18 Несущие 2600х250х220 БУ-26-1 Несущие 2800х180х300 БУ-28 Несущие 2800х280х220 БУ-28-1 Несущие 2800х250х220 БУ-28-2 Перемычки для шлакобетонных стен Ненесущие 1600х90х90 Ш16 Ненесущие 2600х90х188 Ш26 Несущие 1400х90х188 ШУ-14 Несущие 1800х90х188 ШУ-18 Несущие 2400х90х290 ШУ-24 Подоконные плиты 1100х150х45 БП4-11 1300х150х45 БП4-13 1500х150х45 БП4-15 2100х150х45 БП4-21 2300х150х45 БП4-23 1100х250х45 БП5-11 1300х250х45 БП5-13 1500х250х45 БП5-15 2100х250х45 БП5-21 2300х250х45 БП5-23 1100х350х45 БП6-11 1300х350х45 БП6-13 1500х350х45 БП6-15 2100х350х45 БП6-21 2300х350х45 БП6-23 |
| Разработан: | НИИЖБ Госкомархитектура |
| Утверждён: | 14.05.1957 Госстрой СССР (Государственный комитет Совета Министров СССР по делам строительства) (USSR Gosstroy 101) |









































