Скачать Серия ИИ-03-02 Альбом 22-64. Предварительно напряженные панели перекрытий длиной 586 см с овальными пустотамиДата актуализации: 01.01.2021
|
| Обозначение: | Серия ИИ-03-02 |
| Обозначение англ: | Series ИИ-03-02 |
| Статус: | действует |
| Название рус.: | Альбом 22-64. Предварительно напряженные панели перекрытий длиной 586 см с овальными пустотами |
| Дата добавления в базу: | 01.09.2013 |
| Дата актуализации: | 01.01.2021 |
| Дата введения: | 01.10.1964 |
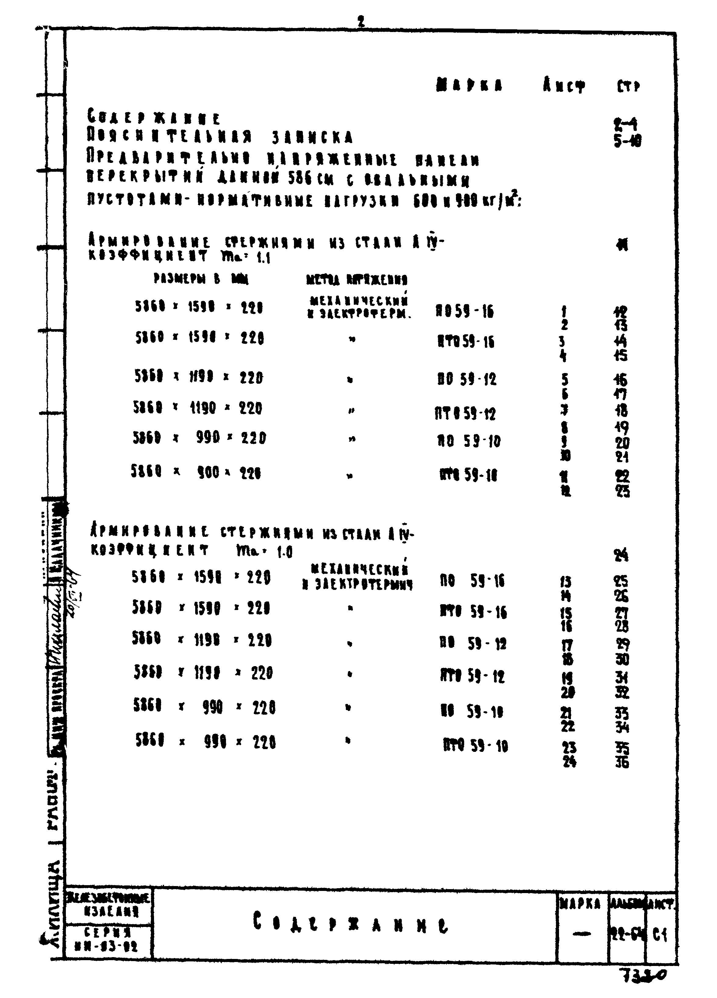
| Оглавление: | Содержание Пояснительная записка Предварительные напряженные панели перекрытий длиной 586 см с овальными пустотами - нормативные нагрузки 600 и 900 кг/м² Армирование стержнями из стали АIV - коэффициент mа=1.1 5860х1590х220 Механический и электротерм. ПО59-16 5860х1590х220 Механический и электротерм. ПТО59-16 5860х1190х220 Механический и электротерм. ПО59-12 5860х1190х220 Механический и электротерм. ПТО59-12 5860х990х220 Механический и электротерм. ПО59-10 5860х900х220 Механический и электротерм. ПТО59-10 Армирование стержнями из стали АIV - коэффициент mа=1.0 5860х1590х220 Механический и электротермич ПО59-16 5860х1590х220 Механический и электротермич ПТО59-16 5860х1190х220 Механический и электротермич ПО59-12 5860х1190х220 Механический и электротермич ПТО59-12 5860х990х220 Механический и электротермич ПО59-10 5860х990х220 Механический и электротермич ПТО59-10 Армирование стержнями из стали АIIIв - упрочненной вытяжкой до 5500 кг/см² при удлинении: для стали марки 25 г2с-3.5%, для стали марки 35 гс - 4.5% 5860х1590х220 Механический и электротерм ПО59-16 5860х1590х220 Механический и электротерм ПТО59-16 5860х1190х220 Механический и электротерм ПО59-12 5860х1190х220 Механический и электротерм ПТО59-12 5860х990х220 Механический и электротерм ПО59-10 5860х990х220 Механический и электротерм ПТО59-10 Предварительные напряженные панели перекрытий длиной 586 см с овальными пустотами - нормативная нагрузка 1100 кг/м² Армирование стержнями из стали АIV - коэффициент mа=1.0 5860х1190х220 Механический ПОУ59-12 5860х1190х220 Электротермический ПОУ59-12 5860х990х220 Механический ПОУ59-10 5860х990х220 Электротермический ПОУ59-10 Армирование стержнями из стали АIIIв - упрочненной вытяжкой до 5500 кг/см² при удлинении: для стали марки 25 г2с-3.5%, для стали марки 35 гс - 4.5% 5860х1190х220 Механический ПОУ59-12 5860х1190х220 Электротермический ПОУ59-12 5860х990х220 Механический ПОУ59-10 5860х990х220 Электротермический ПОУ59-10 Профиль продольных граней панели и детали отверстий Детали расположения арматуры в крайних и средних ребрах Детали заделки отверстий в торцах панелей |
| Разработан: | НИИЖБ Госстроя СССР ЦНИИЭП жилища |
| Утверждён: | 07.09.1964 Государственный комитет по гражданскому строительству и архитектуре при Госстрое СССР (171) |






































































