Скачать Серия ИИ-04-2 Выпуск 11. Часть I. Колонны связевого каркаса сечением 40х40 см для навески стеновых панелей в зданиях с высотой этажа 3,3 м. Рабочие чертежиДата актуализации: 01.01.2021
|
| Обозначение: | Серия ИИ-04-2 |
| Обозначение англ: | Series ИИ-04-2 |
| Статус: | не действует |
| Название рус.: | Выпуск 11. Часть I. Колонны связевого каркаса сечением 40х40 см для навески стеновых панелей в зданиях с высотой этажа 3,3 м. Рабочие чертежи |
| Дата добавления в базу: | 01.09.2013 |
| Дата актуализации: | 01.01.2021 |
| Дата введения: | 01.10.1973 |
| Дата окончания срока действия: | 01.04.1982 |
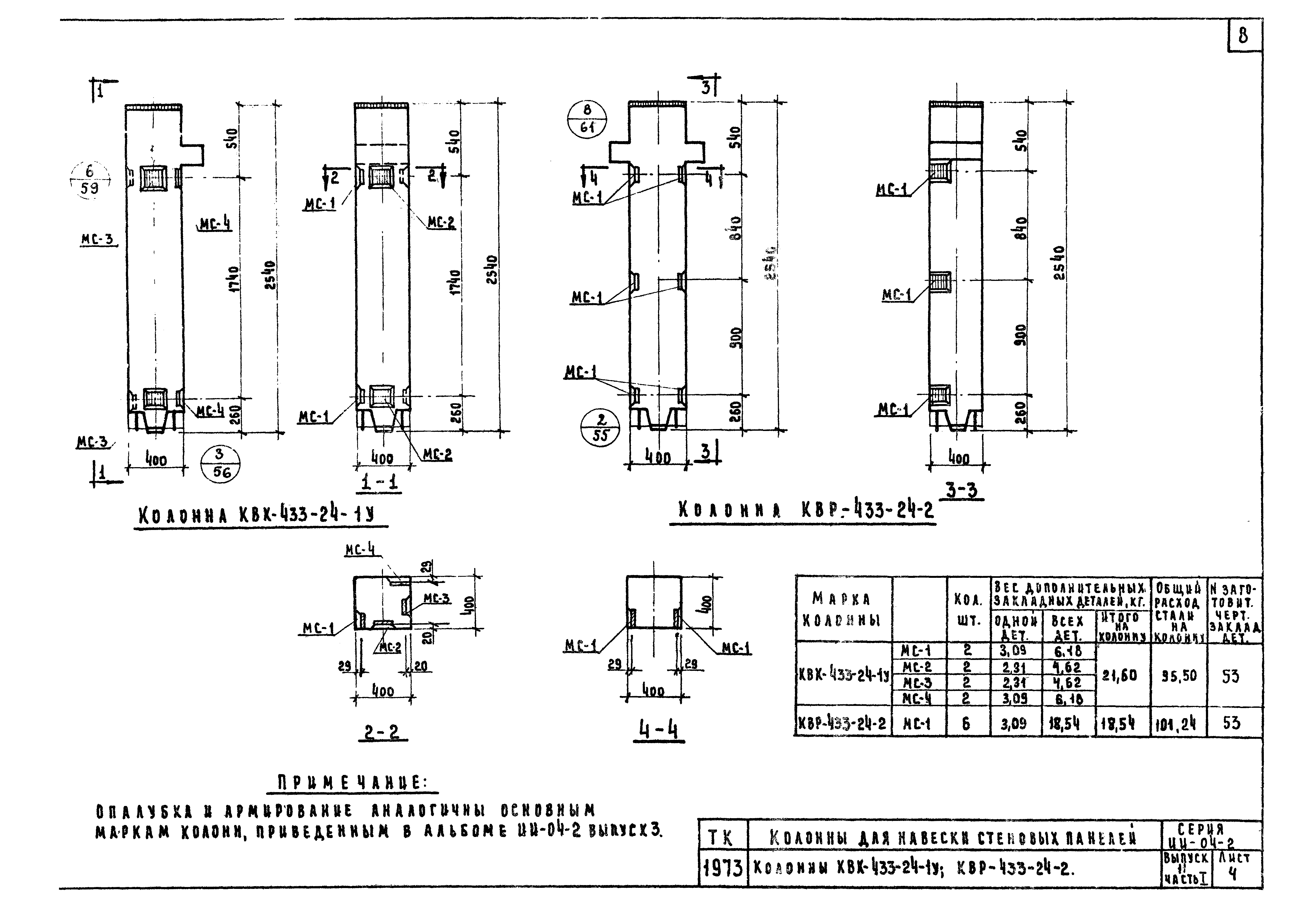
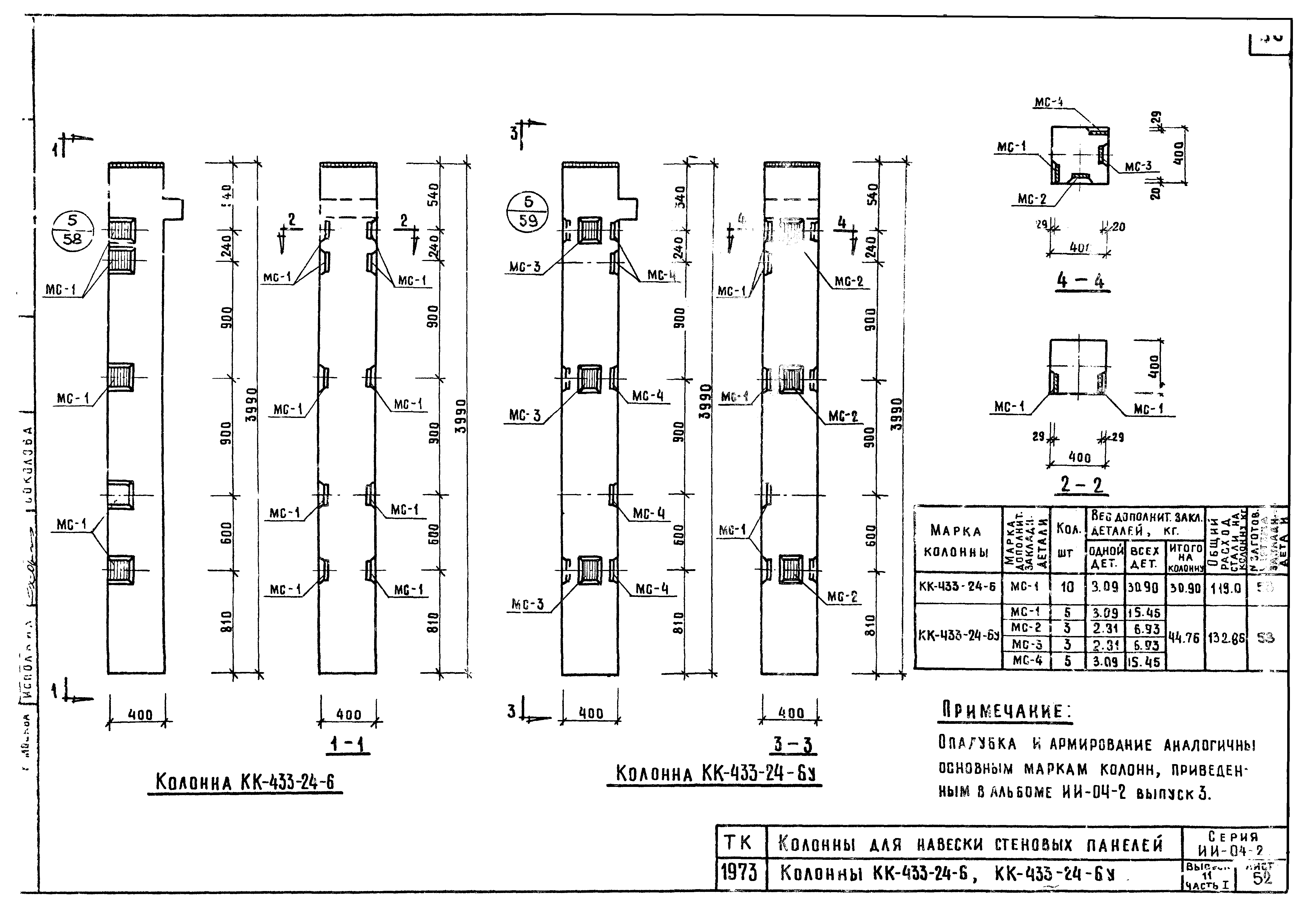
| Оглавление: | Содержание выпуска Пояснительная записка Колонны КВР-424-24-5,КВК-424-24-5,КВК-424-24-5у Колонны КВР-424-24-6,КВК-424-24-6,КВК-424-24-6у Колонны КВК-433-24-1,КВР-433-24-1 Колонны КВК-433-24-1у,КВР-433-24-2 Колонны КВК-433-24-2,КВК-433-24-2у Колонны КВК-433-24-3,КВР-433-24-3 Колонны КВК-433-24-3у,КВР-433-24-4,КВР-433-24-5 Колонны КВК-433-24-4,КВК-433-24-5,КВК-433-24-4У Колонны КВК-433-24-5у,КВК-433-24-6 Колонны КВК-433-24-6у,КВР-433-24-6 Колонны КСР-433-24-1,КСР-433-29-1,КСР-433-34-1,КСР-433-40-1,КСР-433-52-1,КСР-433-58-1,КСК-433-24-1,КСК-433-29-1,КСК-433-34-1,КСК-433-40-1,КСК-433-52-1 Колонны КСР-433-24-2,КСР-433-29-2,КСР-433-34-2,КСР-433-40-2,КСР-433-52-2,КСР-433-58-2,КСК-433-24-1у,КСК-433-29-1у,КСК-433-34-1у,КСК-433-40-1у,КСК-433-52-1у Колонны КСК-433-24-2,КСК-433-29-2,КСК-433-34-2,КСК-433-40-2,КСК-433-52-2,КСК-433-24-2У,КСК-433-29-2у,КСК-433-34-2у,КСК-433-40-2у,КСК-433-52-2у Колонны КСР-433-24-3,КСР-433-29-3,КСР-433-34-3,КСР-433-40-3,КСР-433-52-3,КСР-433-58-3,КСК-433-24-3,КСК-433-29-3,КСК-433-34-3,КСК-433-40-3,КСК-433-52-3 Колонны КСК-433-24-3у,КСК-433-29-3у,КСК-433-34-3у,КСК-433-40-3у,КСК-433-52-3у,КСР-433-24-5,КСР-433-29-5,КСР-433-34-5,КСР-433-40-5,КСР-433-52-5,КСР-433-58-5 Колонны КСК-433-24-4,КСК-433-29-4,КСК-433-34-4,КСК-433-40-4,КСК-433-52-4,КСК-433-24-5,КСК-433-29-5,КСК-433-34-5,КСК-433-40-5,КСК-433-52-5,КСК-433-24-4у,КСК-433-29-4у,КСК-433-34-4у,КСК-433-40-4у,КСК-433-52-5у Колонны КСК-433-24-6,КСК-433-29-6,КСК-433-34-6,КСК-433-40-6,КСК-433-52-6,КСК-433-24-5у,КСК-433-29-5у,КСК-433-34-5у,КСК-433-40-5у,КСК-433-52-5у Колонны КСР-433-24-6,КСР-433-29-6,КСР-433-34-6,КСР-433-40-6,КСР-433-52-6,КСР-433-58-6,КСК-433-24-6у,КСК-433-29-6у,КСК-433-34-6у,КСК-433-40-6у,КСК-433-52-6у Колонны КНР-433-24-1,КНР-433-29-1,КНР-433-34-1,КНР-433-40-1,КНР-433-52-1,КНР-433-58-1,КНК-433-24-1,КНК-433-29-1,КНК-433-34-1,КНК-433-40-1,КНК-433-52-1 Колонны КНР-433-24-2,КНР-433-29-2,КНР-433-34-2,КНР-433-40-2,КНР-433-52-2,КНК-433-24-1у,КНК-433-29-1у,КНК-433-34-1у,КНК-433-40-1у,КНК-433-52-1у Колонны КНК-433-24-2,КНК-433-29-2,КНК-433-34-2,КНК-433-40-2,КНК-433-52-2,КНК-433-24-2у,КНК-433-29-2у,КНК-433-34-2у,КНК-433-40-2у,КНК-433-52-2у Колонны КНР-433-24-3,КНР-433-29-3,КНР-433-34-3,КНР-433-40-3,КНР-433-52-3,КНР-433-58-3,КНК-433-24-3,КНК-433-29-3,КНК-433-34-3,КНК-433-40-3,КНК-433-52-3 Колонны КНК-433-24-3у,КНК-433-29-3у,КНК-433-34-3у,КНК-433-40-3у,КНК-433-52-3у,КНР-433-24-4,КНР-433-29-4,КНР-433-34-4,КНР-433-40-4,КНР-433-52-4,КНР-433-58-4,КНР-433-24-5,КНР-433-29-5,КНР-433-34-5,КНР-433-40-5,КНР-433-52-5,КНР-433-58-5 Колонны КНК-433-24-4,КНК-433-29-4,КНК-433-34-4,КНК-433-40-4,КНК-433-52-4,КНК-433-24-4у,КНК-433-29-4у,КНК-433-34-4у,КНК-433-40-4у,КНК-433-52-4у,КНК-433-24-5,КНК-433-29-5,КНК-433-34-5,КНК-433-40-5,КНК-433-52-5 Колонны КНК-433-24-5у,КНК-433-29-5у,КНК-433-34-5у,КНК-433-40-5у,КНК-433-52-5у,КНР-433-24-6,КНР-433-29-6,КНР-433-34-6,КНР-433-40-6,КНР-433-52-6,КНР-433-58-6 Колонны КНК-433-24-6,КНК-433-29-6,КНК-433-34-6,КНК-433-40-6,КНК-433-52-6,КНР-433-24-6у,КНР-433-29-6у,КНР-433-34-6у,КНР-433-40-6у,КНР-433-52-6у Колонны КСР-433-24-1,КСР-433-29-1,КСР-433-34-1,КСР-433-40-1,КСР-433-52-1,КСР-433-58-1 Колонны КСК-433-24-1,КСК-433-29-1,КСК-433-34-1,КСК-433-40-1,КСК-433-52-1 Колонны КСК-433-24-1у,КСК-433-29-1у,КСК-433-34-1у,КСК-433-40-1у,КСК-433-52-1у Колонны КСР-433-24-2,КСР-433-29-2,КСР-433-34-2,КСР-433-40-2,КСР-433-52-2,КСР-433-58-2 Колонны КСК-433-24-2,КСК-433-29-2,КСК-433-34-2,КСК-433-40-2,КСК-433-52-2 Колонны КСК-433-24-2у,КСК-433-29-2у,КСК-433-34-2у,КСК-433-40-2у,КСК-433-52-2у Колонны КСР-433-24-3,КСР-433-29-3,КСР-433-34-3,КСР-433-40-3,КСР-433-52-3,КСР-466-58-3 Колонны КСК-433-24-3,КСК-433-29-3,КСК-433-34-3,КСК-433-40-3,КСК-433-52-3 Колонны КСК-433-24-3у,КСК-433-29-3у,КСК-433-34-3у,КСК-433-40-3у,КСК-433-52-3у Колонны КСК-433-24-4,КСК-433-29-4,КСК-433-34-4,КСК-433-40-4,КСК-433-52-4 Колонны КСР-433-24-4,КСР-433-29-4,КСР-433-34-4,КСР-433-40-4,КСР-433-52-4 Колонны КСК-433-24-4у,КСК-433-29-4у,КСК-433-34-4у,КСК-433-40-4у,КСК-433-52-4у Колонны КСР-433-24-5,КСР-433-29-5,КСР-433-34-5,КСР-433-40-5,КСР-433-52-5,КСР-433-58-5 Колонны КСК-433-24-5,КСК-433-29-5,КСК-433-34-5,КСК-433-40-5,КСК-433-52-5 Колонны КСК-433-24-5у,КСК-433-29-5у,КСК-433-34-5у,КСК-433-40-5у,КСК-433-52-5у Колонны КСР-433-24-6,КСР-433-29-6,КСР-433-34-6,КСР-433-40-6,КСР-433-52-6,КСР-433-58-6 Колонны КСК-433-24-6,КСК-433-29-6,КСК-433-34-6,КСК-433-40-6,КСК-433-52-6 Колонны КСК-433-24-6у,КСК-433-29-6у,КСК-433-34-6у,КСК-433-40-6у,КСК-433-52-6у Колонны КР-433-24-1,КК-433-24-1 Колонны КК-433-24-1у,КР-433-24-2 Колонны КК-433-24-2,КК-433-24-2у Колонны КР-433-24-3,КК-433-24-3 Колонны КК-433-24-3у,КР-433-24-4,КР-433-24-5 Колонны КК-433-24-4,КК-433-24-5,КК-433-24-4у Колонны КК-433-24-5у,КР-433-24-6 Колонны КК-433-24-6,КК-433-24-6у Закладные детали МС-1,МС-2,МС-3,МС-4 Узел "1" Узел "2" Узел "3" Узел "4" Узел "5" Узел "6" Узел "7" Узел "8" |
| Разработан: | ЦНИИЭП торгово-бытовых зданий и туристских комплексов |
| Утверждён: | 13.08.1973 Государственный комитет по гражданскому строительству (173) |
| Чем заменён: |


































































