Скачать Серия ИИ-04-5 Выпуск 8. Стеновые панели из ячеистых бетонов толщиной 250 мм. Опалубочные и арматурные чертежи. Рабочие чертежиДата актуализации: 01.01.2021
|
| Обозначение: | Серия ИИ-04-5 |
| Обозначение англ: | Series ИИ-04-5 |
| Статус: | заменен |
| Название рус.: | Выпуск 8. Стеновые панели из ячеистых бетонов толщиной 250 мм. Опалубочные и арматурные чертежи. Рабочие чертежи |
| Дата добавления в базу: | 01.09.2013 |
| Дата актуализации: | 01.01.2021 |
| Дата окончания срока действия: | 01.04.1982 |
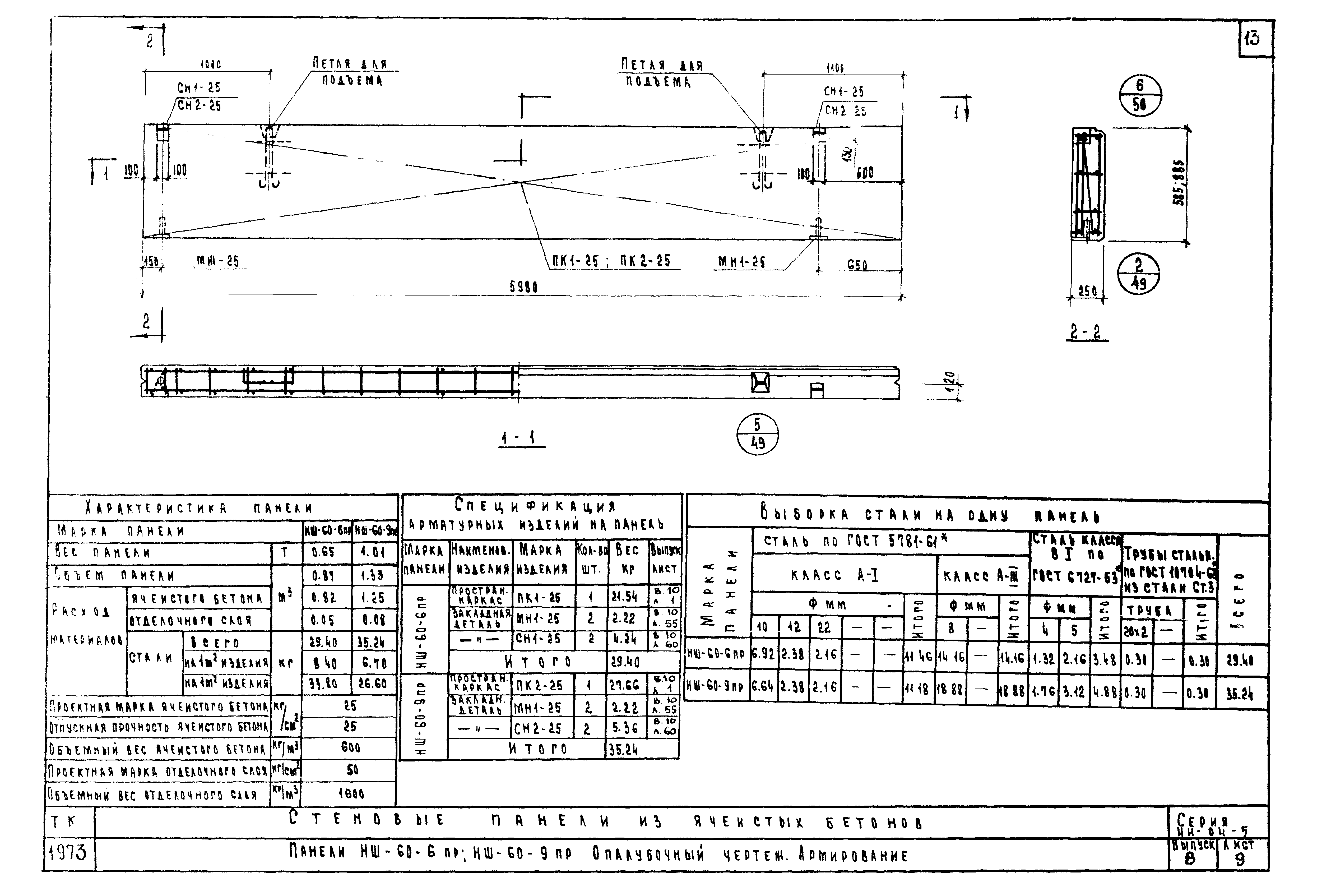
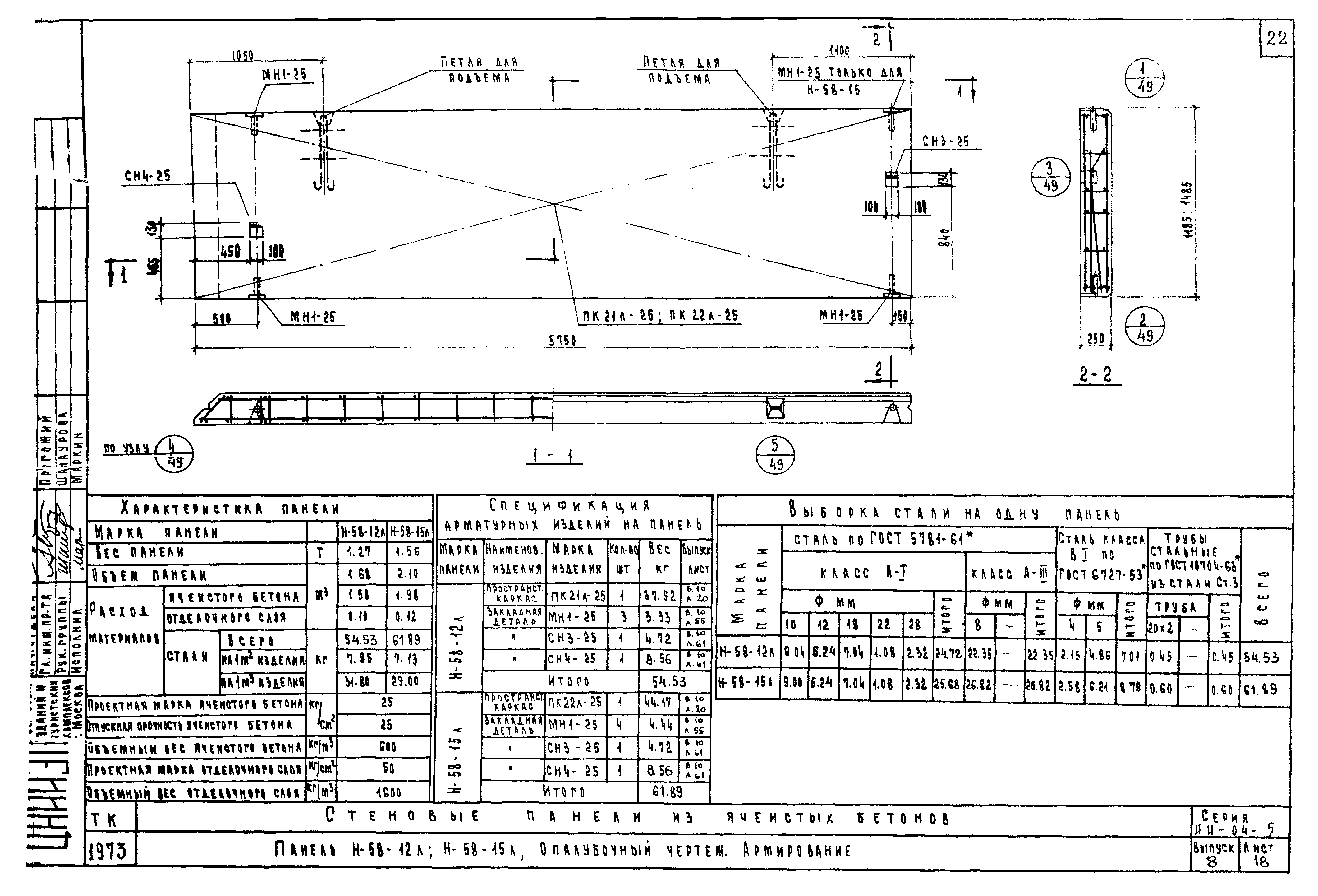
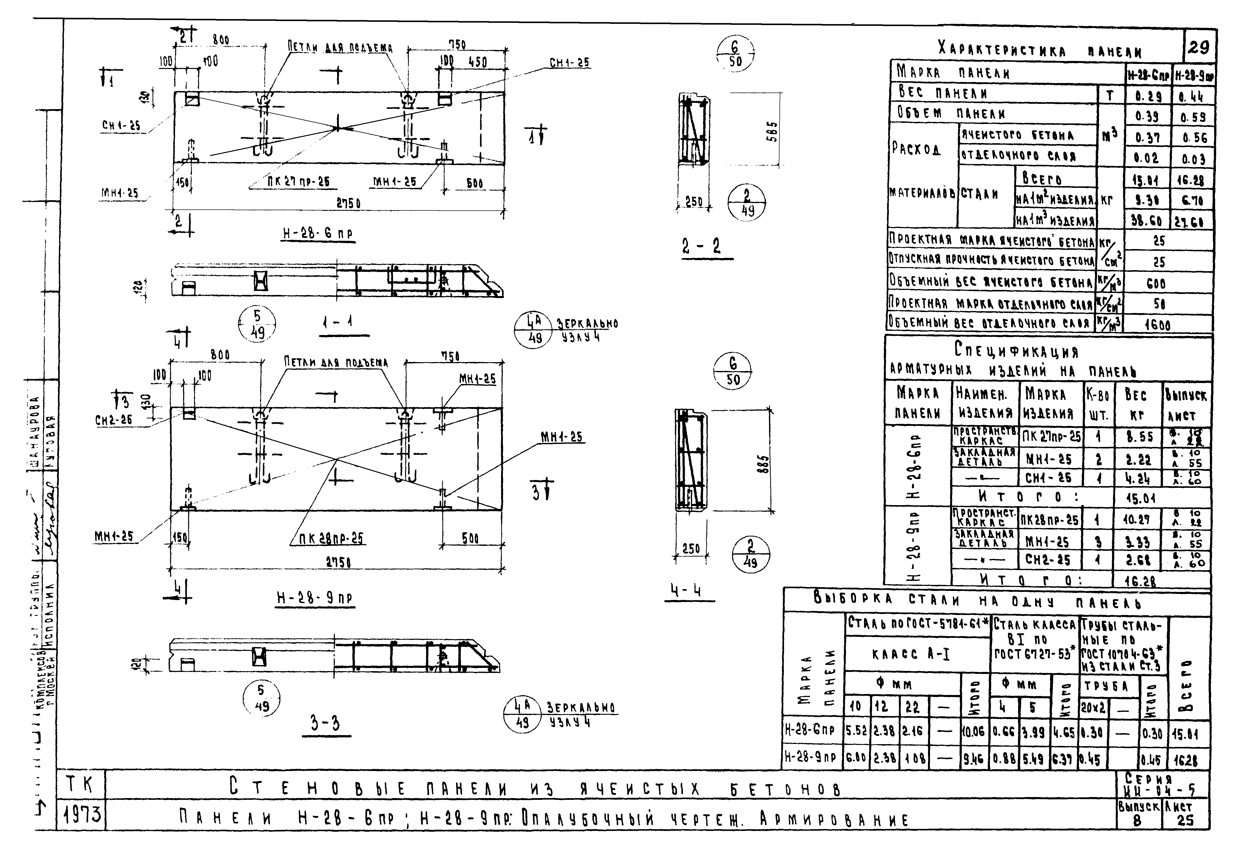
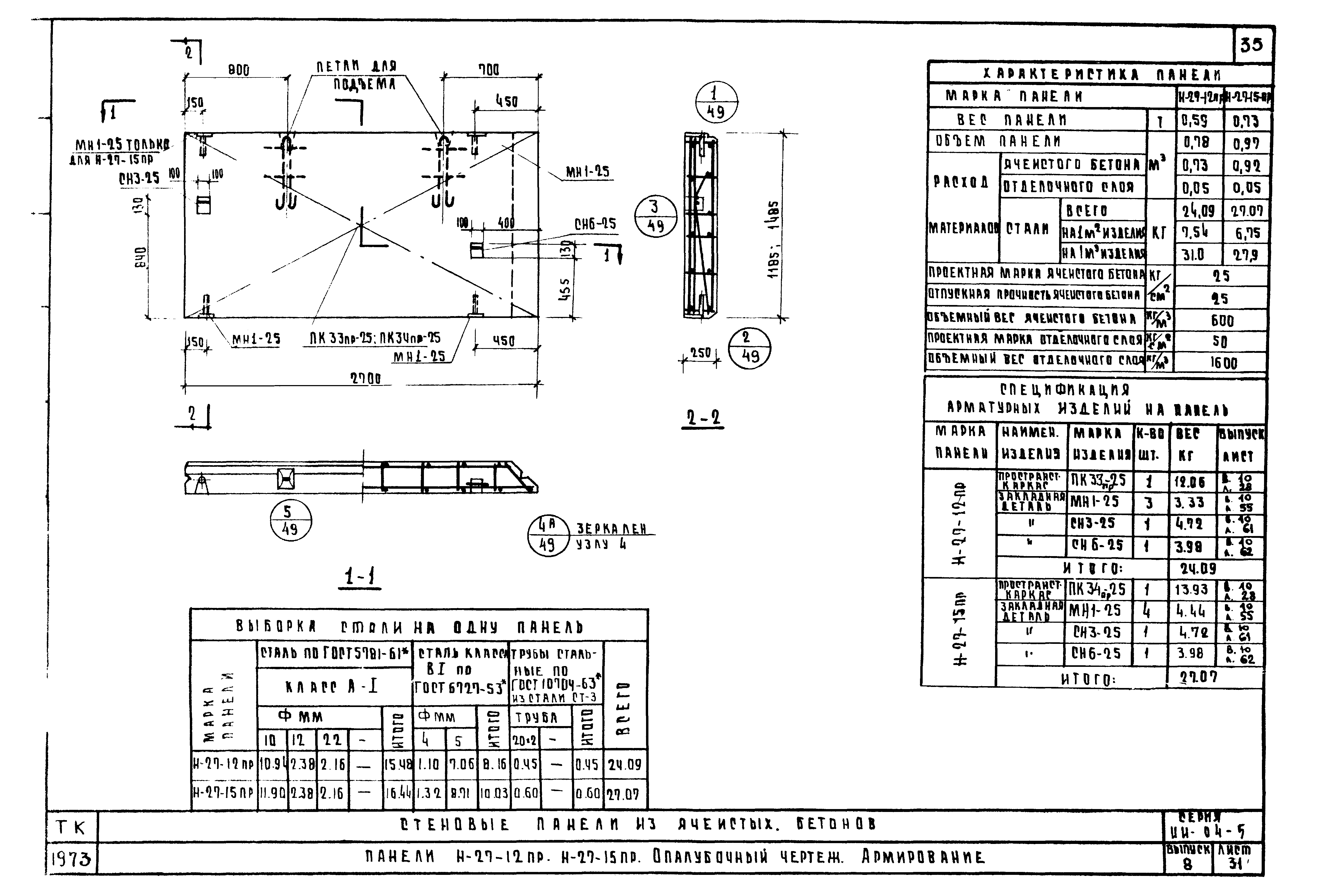
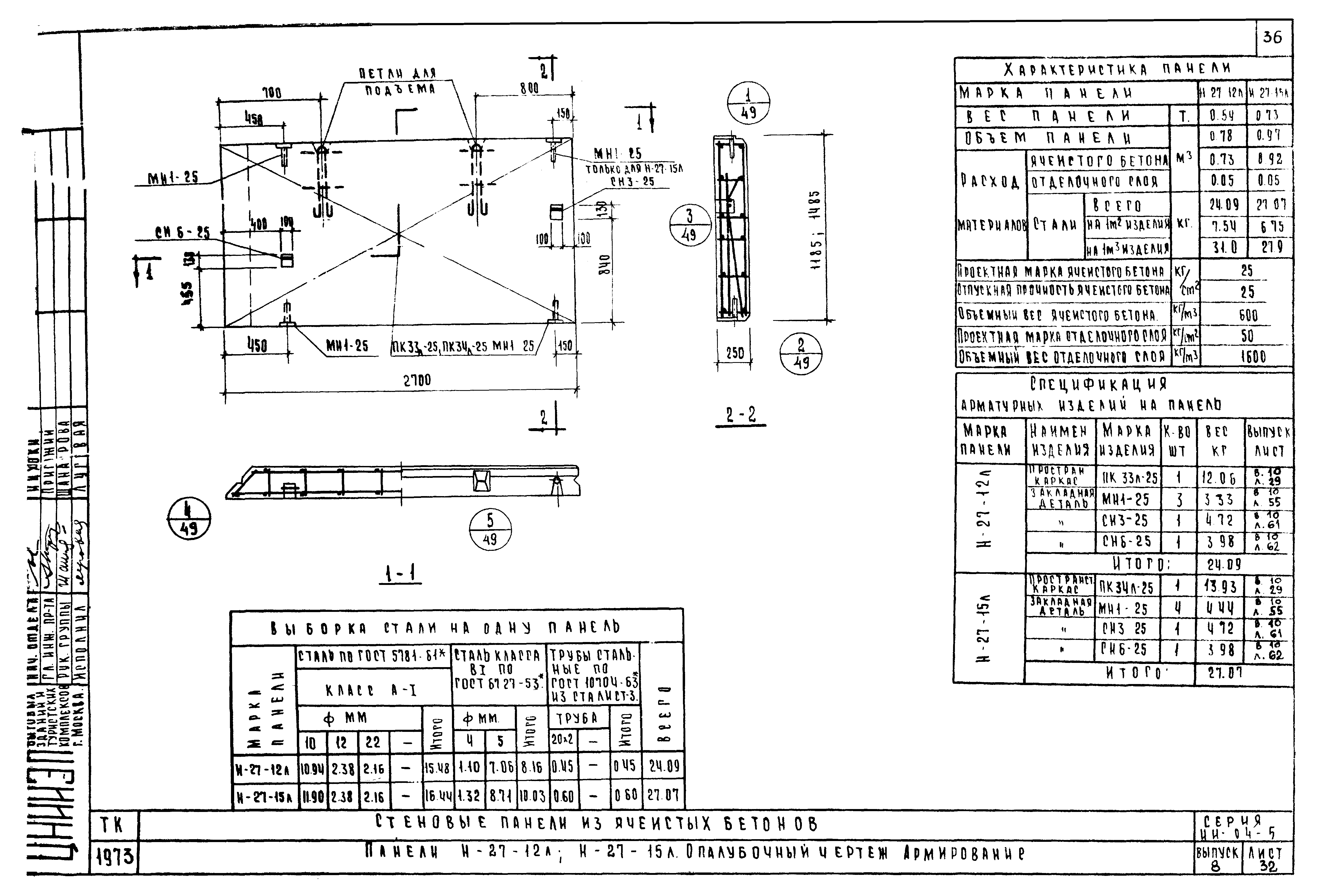
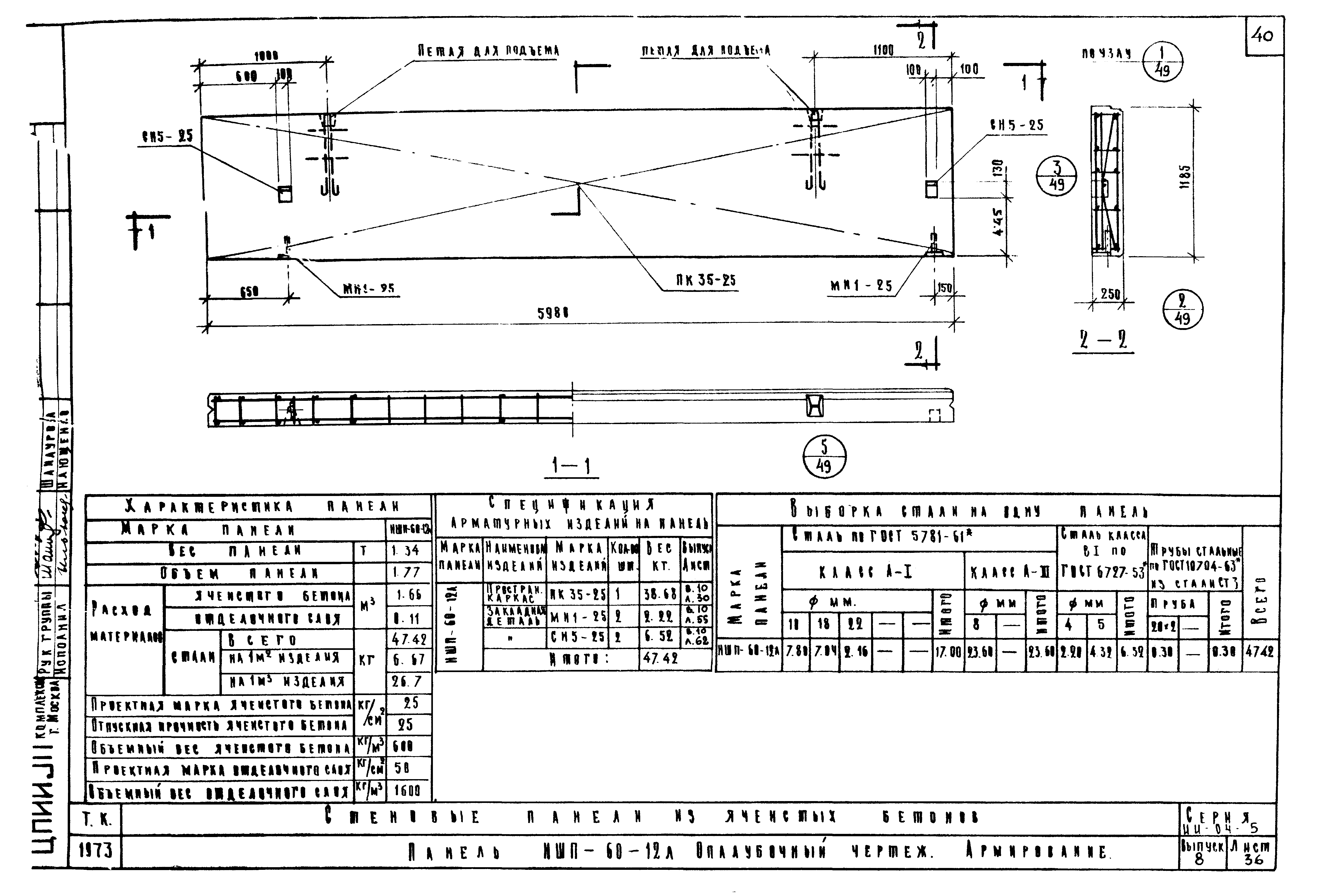
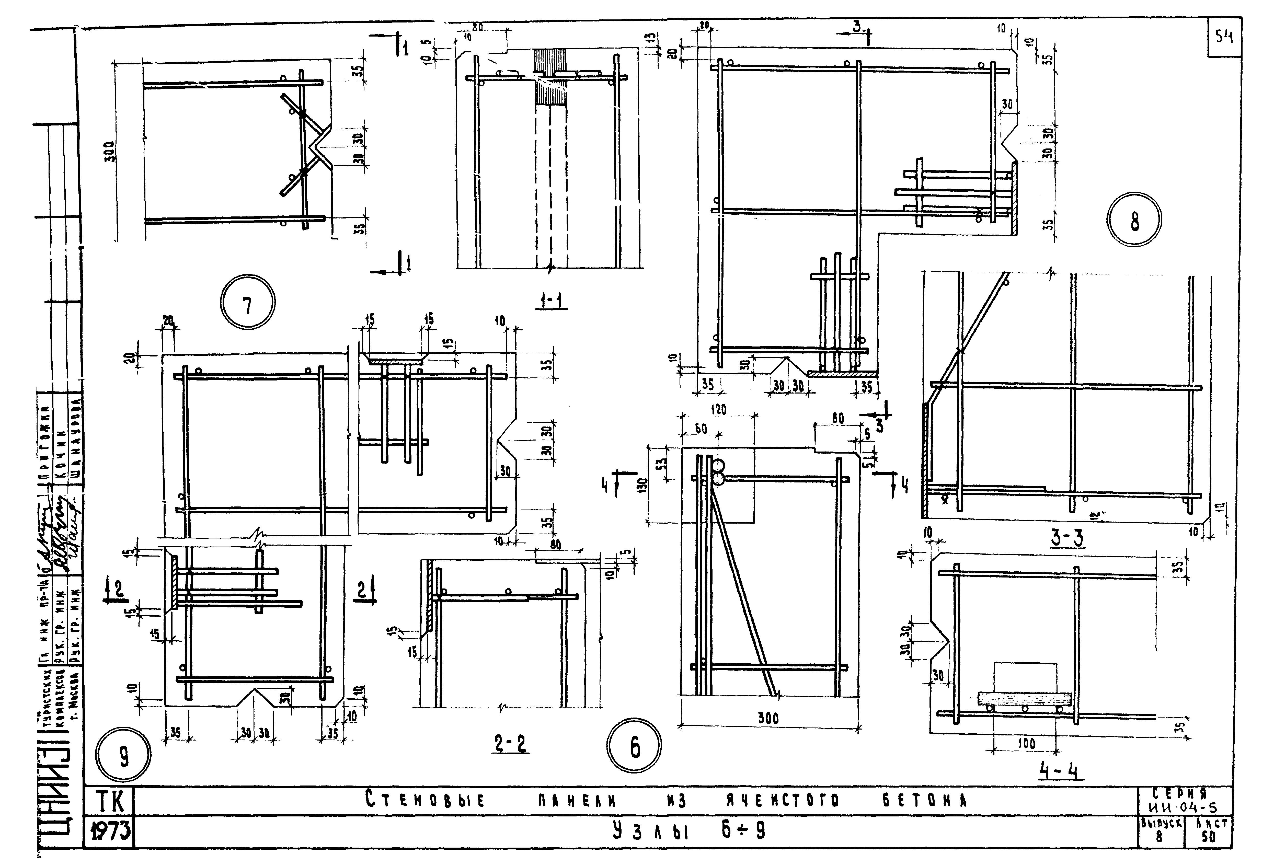
| Оглавление: | Содержание выпуска Пояснительная записка Панели Н-60-6;Н-60-9. Опалубочный чертеж. Армирование Панель Н-60-12. Опалубочный чертеж. Армирование Панели Н-60-15;Н-60-18. Опалубочный чертеж. Армирование Панели Н-45-6;Н-45-9. Опалубочный чертеж. Армирование Панели Н-45-12. Опалубочный чертеж. Армирование Панели Н-45-15;Н-45-18. Опалубочный чертеж. Армирование Панели Н-30-6;Н-30-9. Опалубочный чертеж. Армирование Панели Н-30-12;Н-30-15;Н-30-18. Опалубочный чертеж. Армирование Панели Н-60-6пр;Н-60-9пр. Опалубочный чертеж. Армирование Панели Н-60-6л;Н-60-9л. Опалубочный чертеж. Армирование Панели Н-60-12пр;Н-60-15пр. Опалубочный чертеж. Армирование Панели Н-60-12л;Н-60-15л. Опалубочный чертеж. Армирование Панель Н-58-6пр. Опалубочный чертеж. Армирование Панель Н-58-6л. Опалубочный чертеж. Армирование Панель Н-58-9пр. Опалубочный чертеж. Армирование Панель Н-58-9л. Опалубочный чертеж. Армирование Панели Н-58-12пр;Н-58-15пр. Опалубочный чертеж. Армирование Панели Н-58-12л;Н-58-15л. Опалубочный чертеж. Армирование Панель Н-57-6пр. Опалубочный чертеж. Армирование Панель Н-57-6л. Опалубочный чертеж. Армирование Панель Н-57-9пр. Опалубочный чертеж. Армирование Панель Н-57-9л. Опалубочный чертеж. Армирование Панели Н-57-12пр;Н-57-15пр. Опалубочный чертеж. Армирование Панели Н-57-12л;Н-57-15л. Опалубочный чертеж. Армирование Панели Н-28-6пр;Н-28-9пр. Опалубочный чертеж. Армирование Панели Н-28-6л;Н-28-9л. Опалубочный чертеж. Армирование Панели Н-28-12пр;Н-28-15пр. Опалубочный чертеж. Армирование Панели Н-28-12л;Н-28-15л. Опалубочный чертеж. Армирование Панели Н-27-6пр;Н-27-9пр. Опалубочный чертеж. Армирование Панели Н-27-6л;Н-27-9л. Опалубочный чертеж. Армирование Панели Н-27-12пр;Н-27-15пр. Опалубочный чертеж. Армирование Панели Н-27-12л;Н-27-15л. Опалубочный чертеж. Армирование Панели НП-60-12;НП-45-12. Опалубочный чертеж. Армирование Панель НП-30-12. Опалубочный чертеж. Армирование Панель НШЛ-60-12пр. Опалубочный чертеж. Армирование Панель НШЛ-60-12л. Опалубочный чертеж. Армирование Панели НП-58-12пр;НП-28-12пр. Опалубочный чертеж. Армирование Панели НП-58-12л;НП-28-12л. Опалубочный чертеж. Армирование Панели НП-57-12пр;НП-27-12пр. Опалубочный чертеж. Армирование Панели НП-57-12л;НП-27-12л. Опалубочный чертеж. Армирование Простеночные панели Н-3-12,Н-3-18,Н-3-21,Н-3-27,Н-4-12,Н-4-18,Н-4-21,Н-4-27,Н-6-12,Н-6-18,Н-6-21,Н-6-27,Н-12-12,Н-12-18,Н-12-21,Н-12-27,Н-18-12,Н-18-18,Н-18-21,Н-18-27. Опалубочный чертеж. Армирование Характеристика простеночных панелей. Спецификация арматурных изделий на простеночные панели Угловые блоки НУ1-6;НУ1-12;НУ1-15;НУ1-12;НУ1-21. Опалубочный чертеж. Армирование Угловые блоки НУ2-6;НУ2-12;НУ2-15;НУ2-18;НУ2-21. Опалубочный чертеж. Армирование Угловые блоки НУ3-12;НУ3-18;НУ3-21;НУ3-27. Опалубочный чертеж. Армирование Угловые блоки НУ4-12;НУ4-18;НУ4-21;НУ4-27. Опалубочный чертеж. Армирование Характеристика угловых блоков. Спецификация арматурных изделий на угловые блоки Выборка стали на простеночные панели и угловые блоки Узлы 1-5 Узлы 6-9 Контрольные нагрузки по проверке прочности панелей Контрольные нагрузки по проверке трещиностойкости и жесткости панелей |
| Разработан: | НИИЖБ Госстроя СССР Уралпромстройниипроект ЦНИИЭП торгово-бытовых зданий и туристских комплексов |
| Утверждён: | 13.08.1973 Государственный комитет по гражданскому строительству и архитектуре при Госстрое СССР (173) |
| Чем заменён: |























































