Скачать Серия ИИ-04-12 Выпуск 3. Железобетонные ригели для колонн сечением 300х300 мм. Рабочие чертежиДата актуализации: 01.01.2021
|
| Обозначение: | Серия ИИ-04-12 |
| Обозначение англ: | Series ИИ-04-12 |
| Статус: | действует |
| Название рус.: | Выпуск 3. Железобетонные ригели для колонн сечением 300х300 мм. Рабочие чертежи |
| Дата добавления в базу: | 01.09.2013 |
| Дата актуализации: | 01.01.2021 |
| Дата введения: | 19.02.1969 |
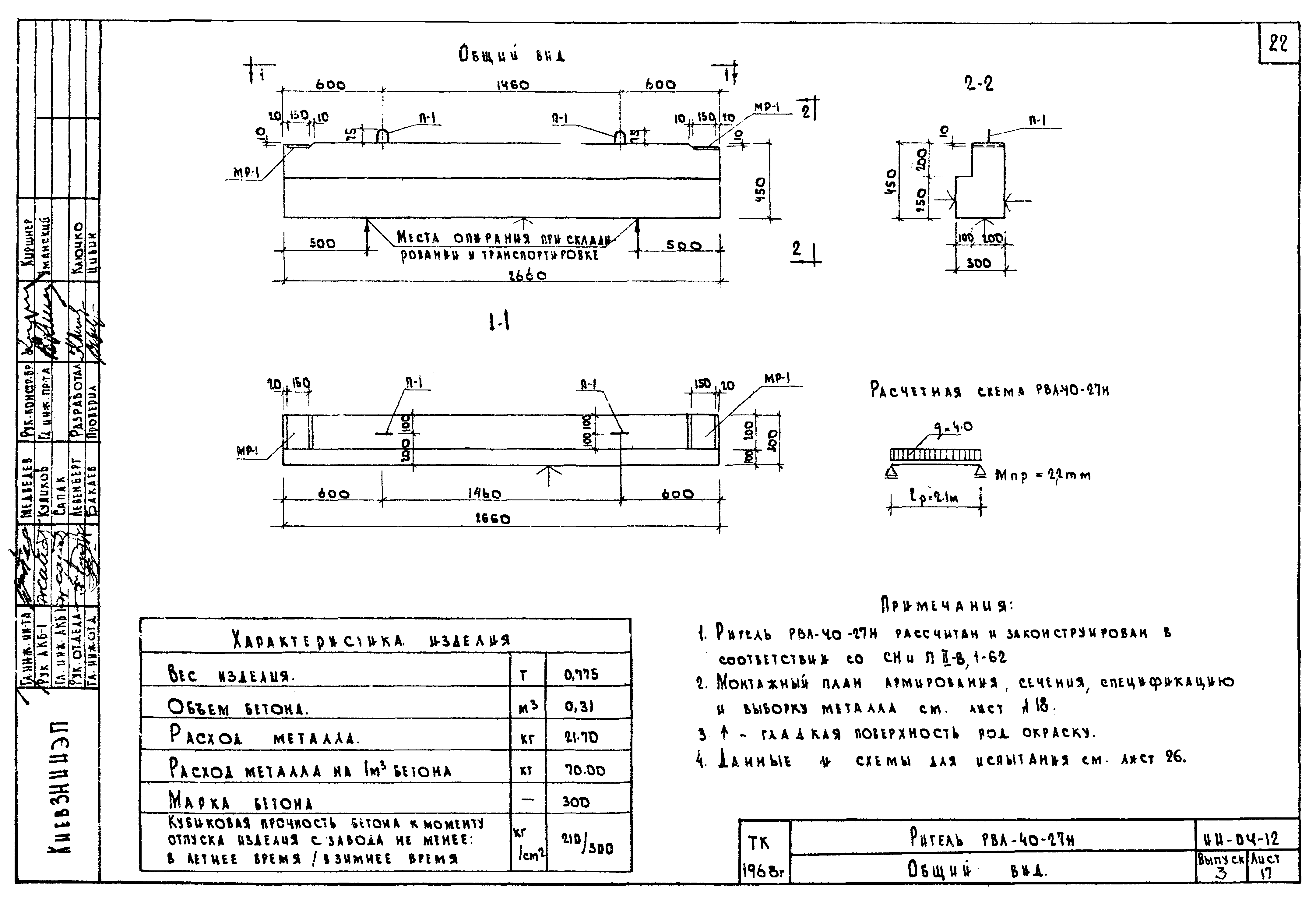
| Оглавление: | Перечень выпусков серии Содержание выпуска Пояснительная записка Ригели. Номенклатура изделий Ригель РВ2-52-63н. Общий вид Ригель РВ2-52-63ан.Общий вид Ригель РВ2-52-63н. Монтажный план армирования Ригель РВ2-52-63ан.Монтажный план армирования Ригели PB2-52-63н, РВ2-52-63ан. Арматура Ригель РВ2-52-33ан. Общий вид Ригель РВ2-52-33ан. Монтажный план армирования Ригель РВ2-52-33ан. Арматура Ригель РВЛ-30-63пан. Общий вид Ригель РВЛ-30-63лан. Общий вид Ригели РВЛ-30-63пан и РВЛ-30-63лан. Монтажный план армирования Ригели РВЛ-30-63ан и РВЛ-30-63лан. Арматура Ригели РВЛ-40-33ан. Общий вид Ригели РВЛ-40-33ан. Монтажный план армирования Ригели РВЛ-40-33ан. Арматура Ригели РВЛ-40-27н. Общий вид Ригели РВЛ-40-27н. Монтажный план армирования Ригели РВЛ-40-27н. Арматура Ригели. Арматура Ригели. Узлы Ригели. Возможные сечения и размеры опорной части ригеля /в опалубке/ Ригели. Данные для испытаний. Схемы опираний и загружений. Контрольные нагрузки. |
| Разработан: | КиевЗНИИЭП |
| Утверждён: | 19.02.1969 Государственный комитет по гражданскому строительству и архитектуре при Госстрое СССР (38) |
| Издан: | ЦИТП Госстроя СССР (CITP, Gosstroy (USSR) 1968 г. ) |

































