Скачать Серия ИИ-62 Дополнение к выпуску 1. Колонны под полезные нормативные нагрузки 500 и 1000 кг/кв. мДата актуализации: 01.01.2021
|
| Обозначение: | Серия ИИ-62 |
| Обозначение англ: | Series ИИ-62 |
| Статус: | не действует |
| Название рус.: | Дополнение к выпуску 1. Колонны под полезные нормативные нагрузки 500 и 1000 кг/кв. м |
| Дата добавления в базу: | 01.09.2013 |
| Дата актуализации: | 01.01.2021 |
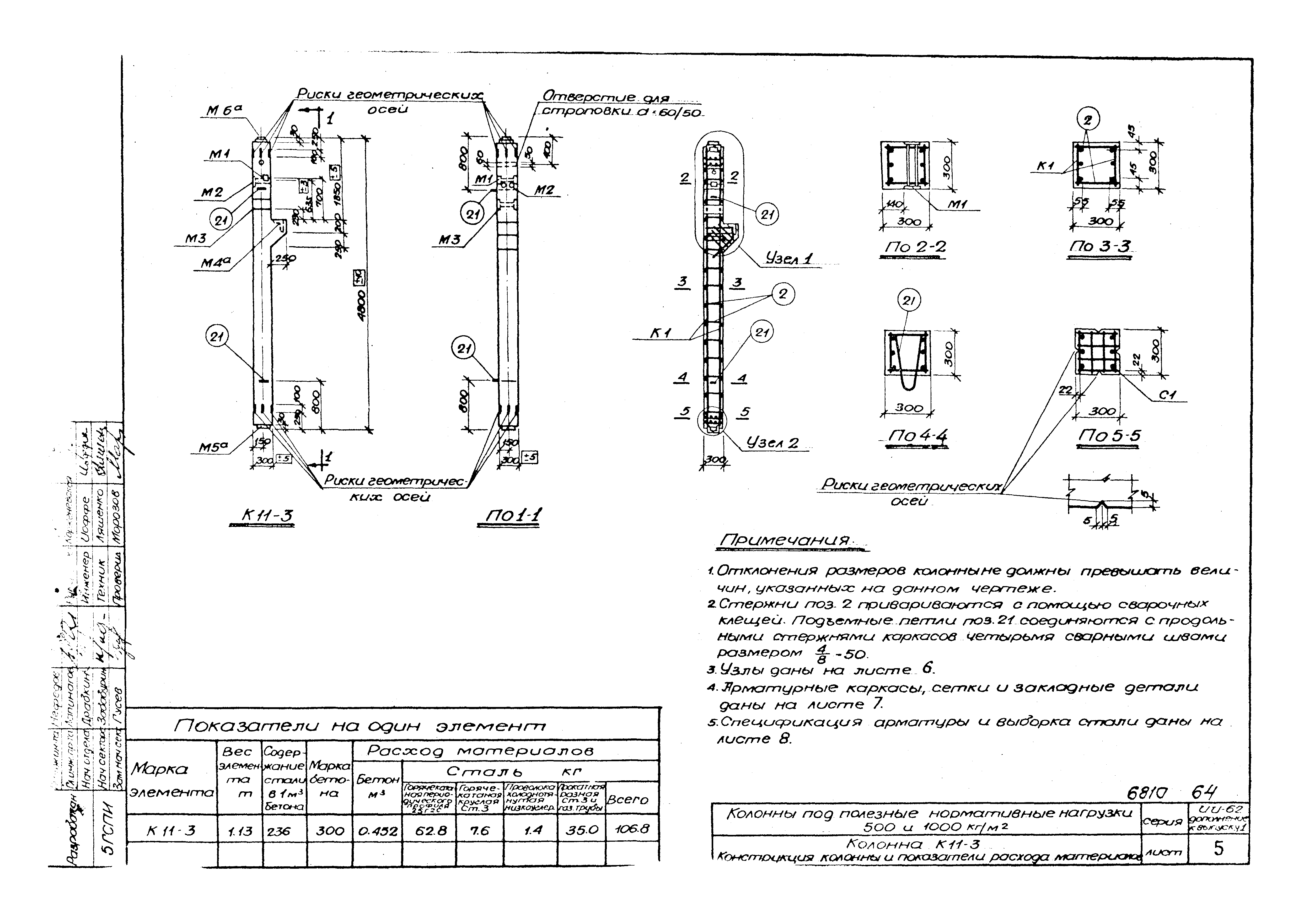
| Оглавление: | Колонны под полезные нормативные нагрузки 500 и 1000 кг/м². Серия ИИ-62, дополнение к выпуску 1 Пояснительная записка Колонна К3-4. Конструкция колонны и показатели расхода материалов Колонна К3-4. Узлы 1 и 2 Колонна К3-4. Арматурный каркас, сеткой и закладные детали Колонна К3-4. Спецификация и выборка арматуры Колонна К11-3. Конструкция колонны и показатели расхода материалов Колонна К11-3. Узлы 1 и 2 Колонна К11-3. Арматурный каркас, сетка и закладные детали Колонна К11-3. Спецификация и выборка арматуры Колонна К11-4. Конструкция колонны и показатели расхода материалов Колонна К11-4. Узлы 1 и 2 Колонна К11-4. Арматурный каркас, сетка и закладные детали Колонна К11-4. Спецификация и выборка арматуры Колонна К11-5. Конструкция колонны и показатели расхода материалов Колонна К11-5. Узлы 1 и 2 Колонна К11-5. Арматурный каркас, сетка и закладные детали Колонна К11-5. Спецификация и выборка арматуры Колонны К1-1-с,К3-2-с,К3-3-с,К3-4-с,К4-4-с,К4-9-с,К9-1-с,К9-2-с,К11-3-с,К11-4-с,К11-5-с,К12-6-с,К12-9-с. Схема расположения закладных деталей для крепления связей. Показатели расхода материалов Колонны К1-1-с,К3-2-с,К3-3-с,К3-4-с,К4-4-с,К4-9-с,К9-1-с,К9-2-с,К11-3-с,К11-4-с,К11-5-с,К12-6-с,К12-9-с. Узлы с размещением закладных деталей для крепления связей Закладные детали М3а и М3б Колонны К1-1-с,К3-2-с,К3-3-с,К3-4-с,К4-4-с,К4-9-с,К9-1-с. Спецификация и выборка арматуры Колонны К11-3-с,К11-4-с,К11-5-с,К12-6-с,К12-9-с. Спецификация и выборка арматуры |
| Разработан: | Гипротис Гипромолпром Минмясомолпрома СССР |
| Утверждён: | 14.12.1962 Госстрой СССР (Государственный комитет Совета Министров СССР по делам строительства) (USSR Gosstroy 466) |
| Издан: | ЦИТП Госстроя СССР (CITP, Gosstroy (USSR) 1962 г. ) |




























