Скачать Типовой проект 901-3-173 Альбом II. Архитектурно-строительная, технологическая, сантехническая, связь и сигнализация, электротехническая части, нестандартизированное оборудованиеДата актуализации: 01.01.2021
|
| Обозначение: | Типовой проект 901-3-173 |
| Обозначение англ: | 901-3-173 |
| Статус: | не определен законодательством |
| Название рус.: | Альбом II. Архитектурно-строительная, технологическая, сантехническая, связь и сигнализация, электротехническая части, нестандартизированное оборудование |
| Дата добавления в базу: | 01.09.2013 |
| Дата актуализации: | 01.01.2021 |
| Дата введения: | 16.06.1982 |
| Дата окончания срока действия: | 30.06.2003 |
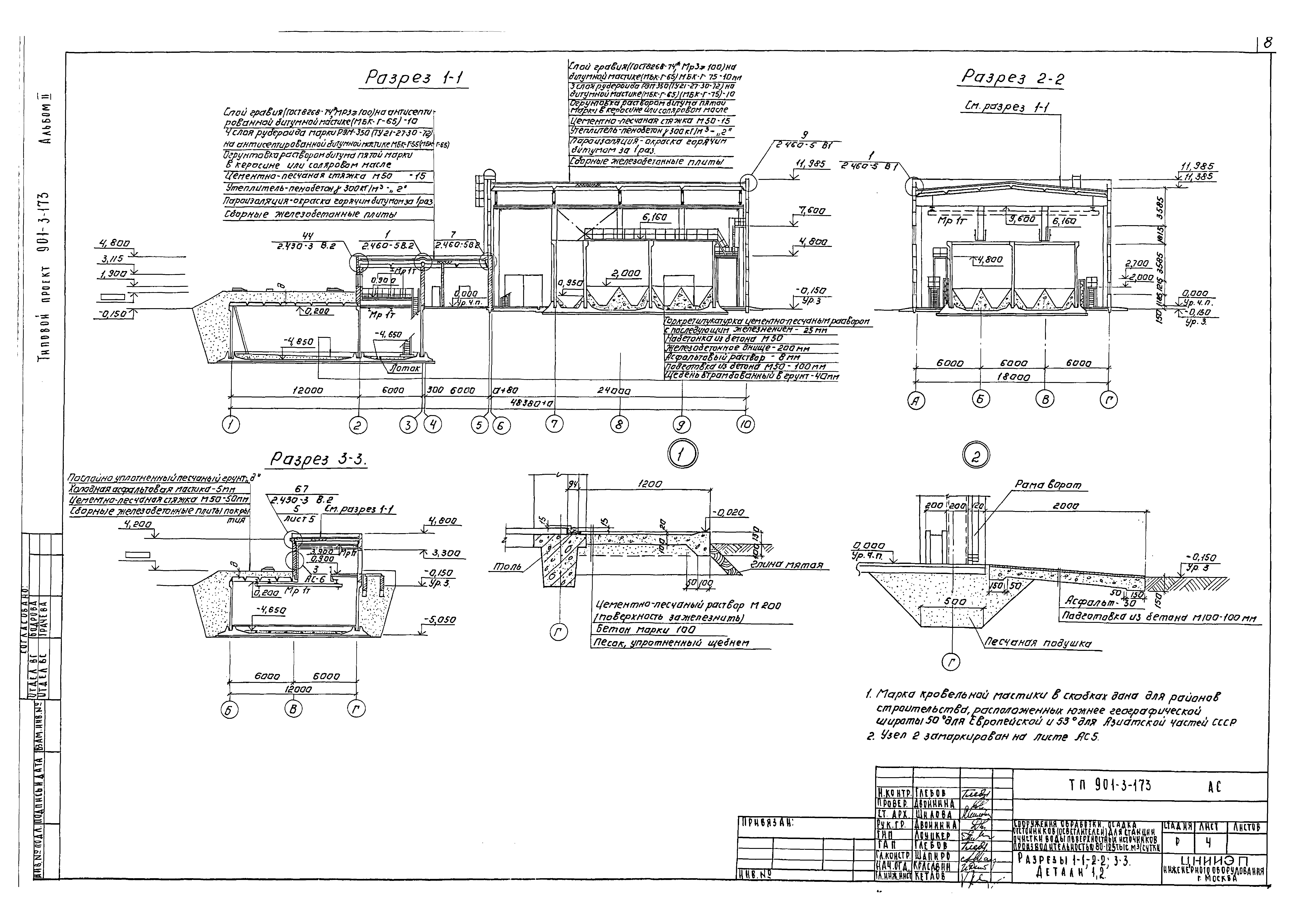
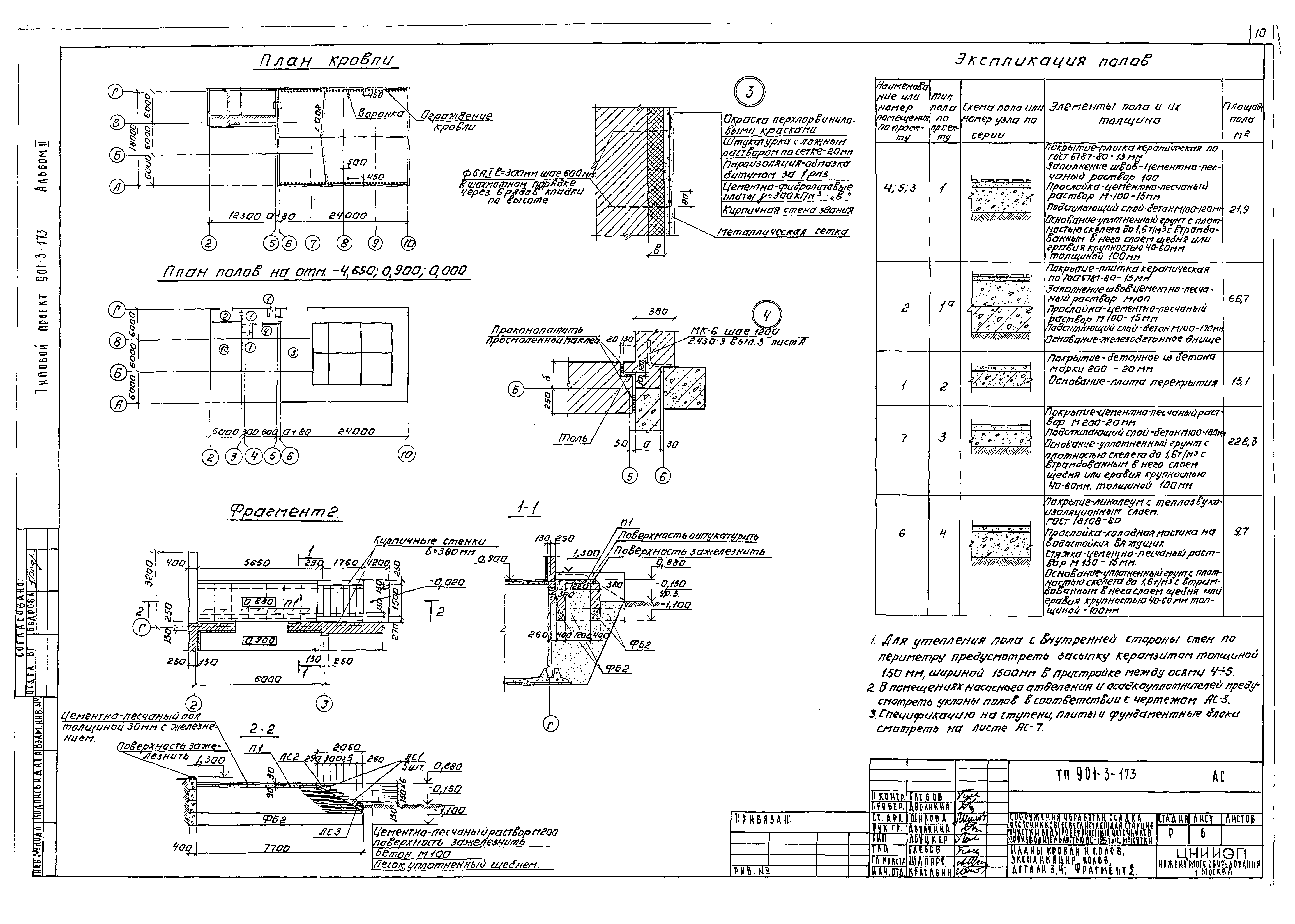
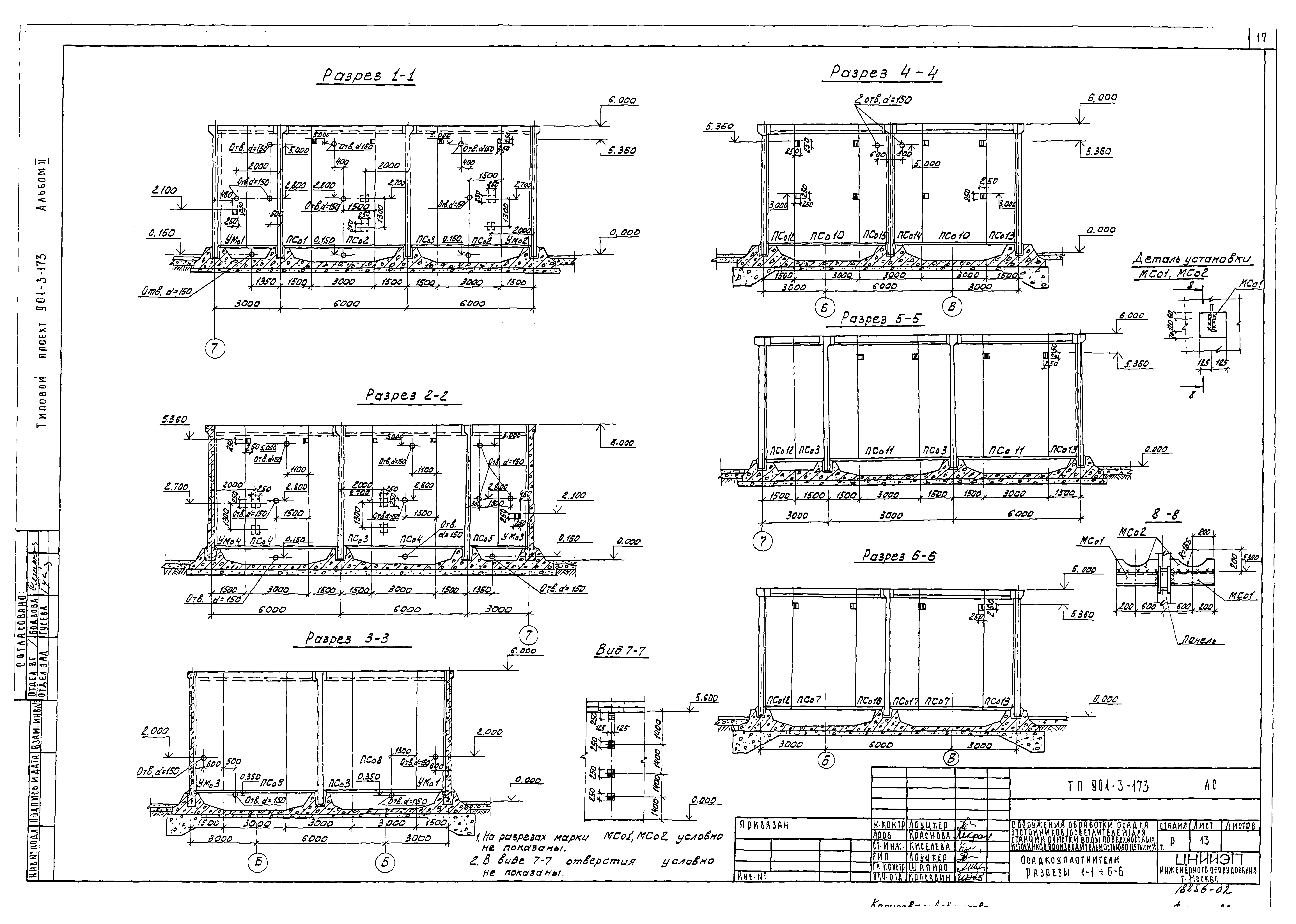
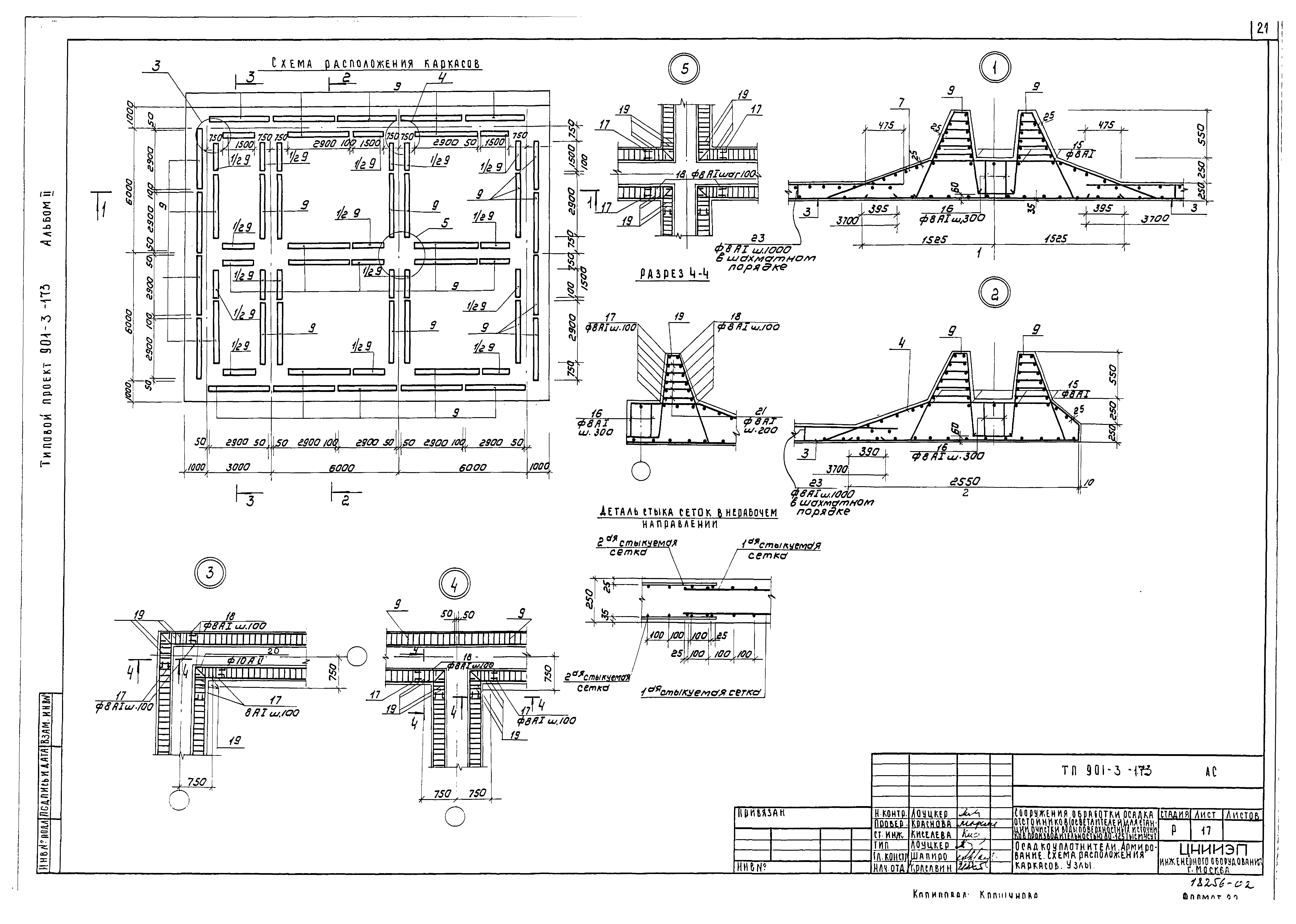
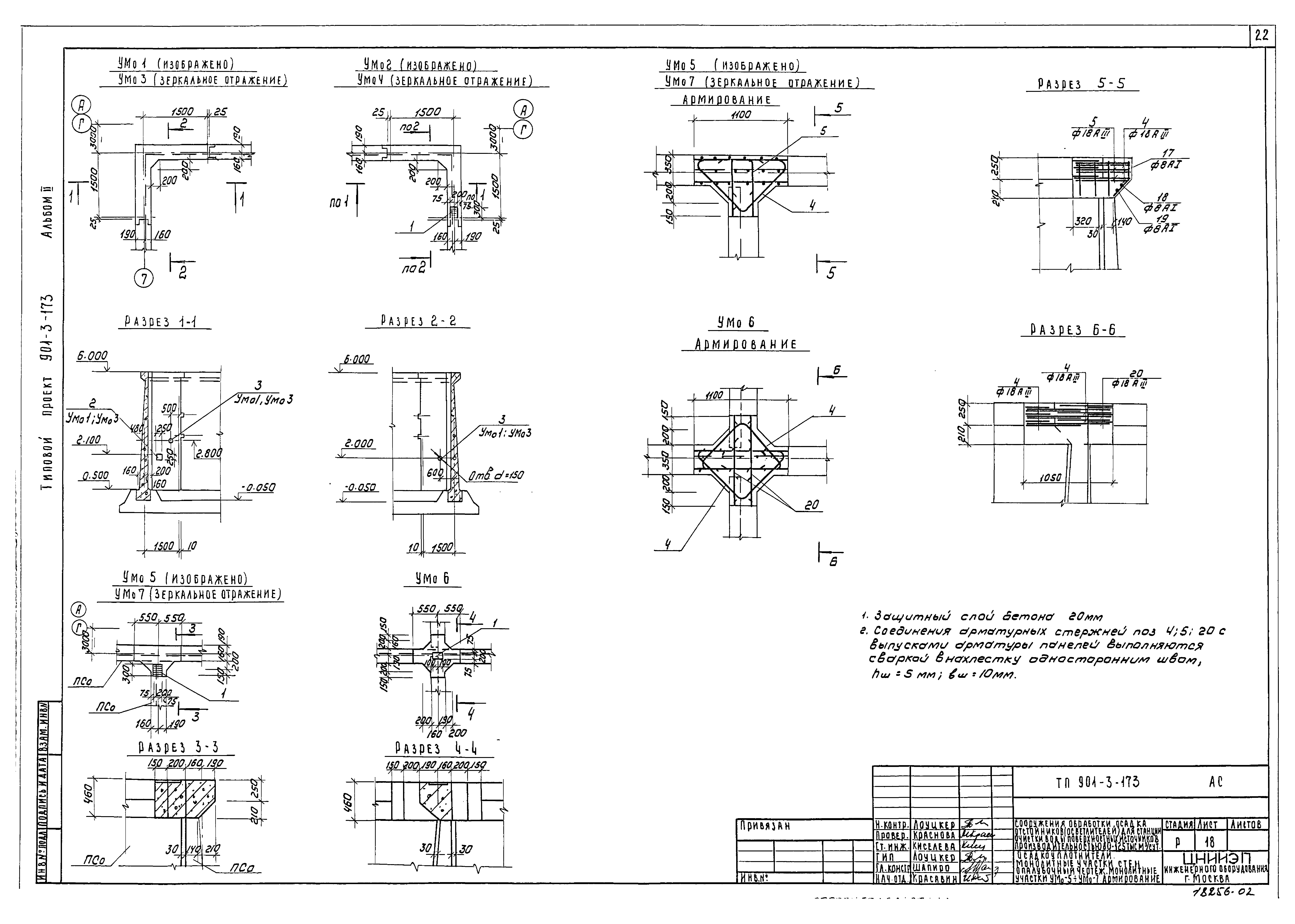
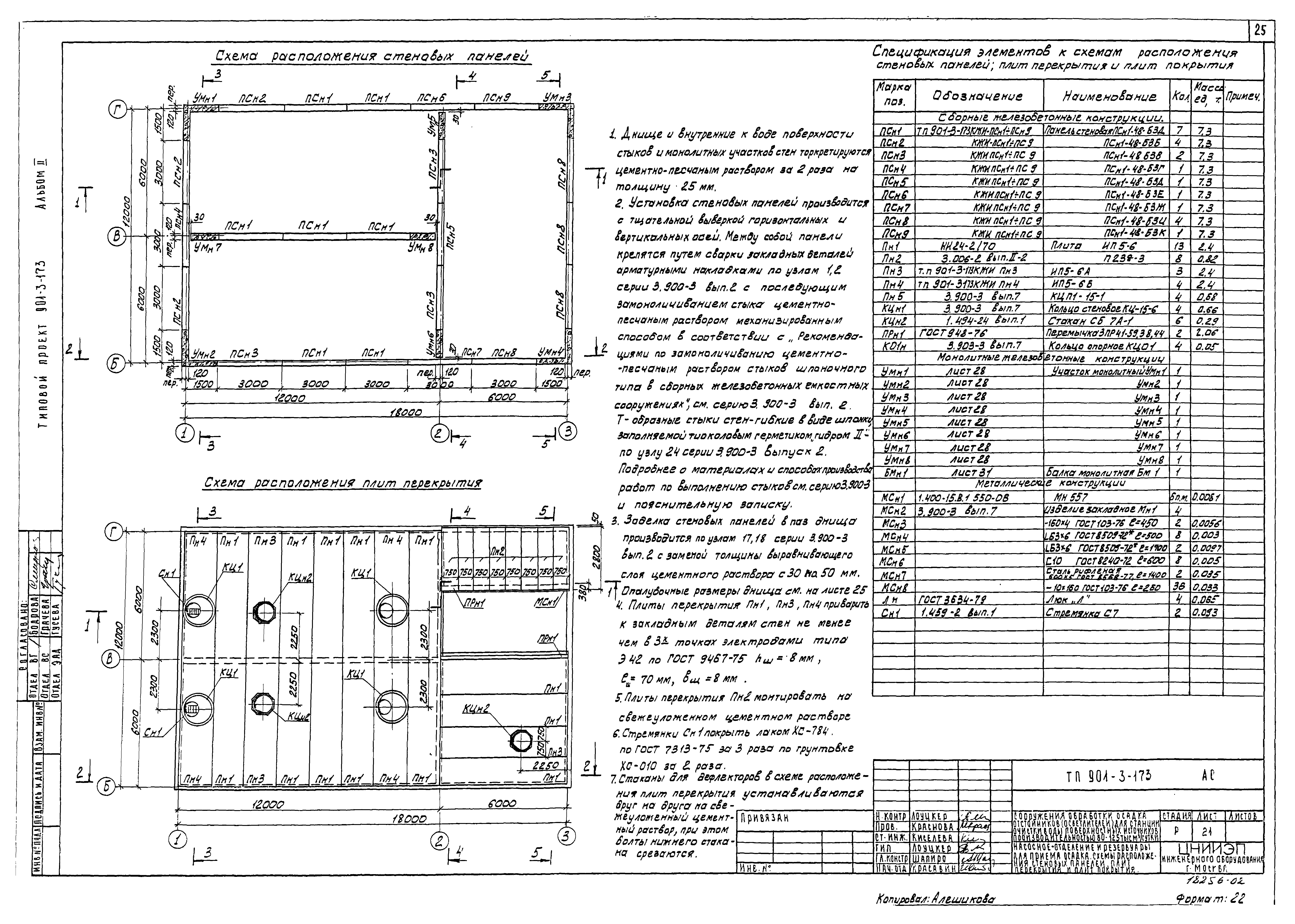
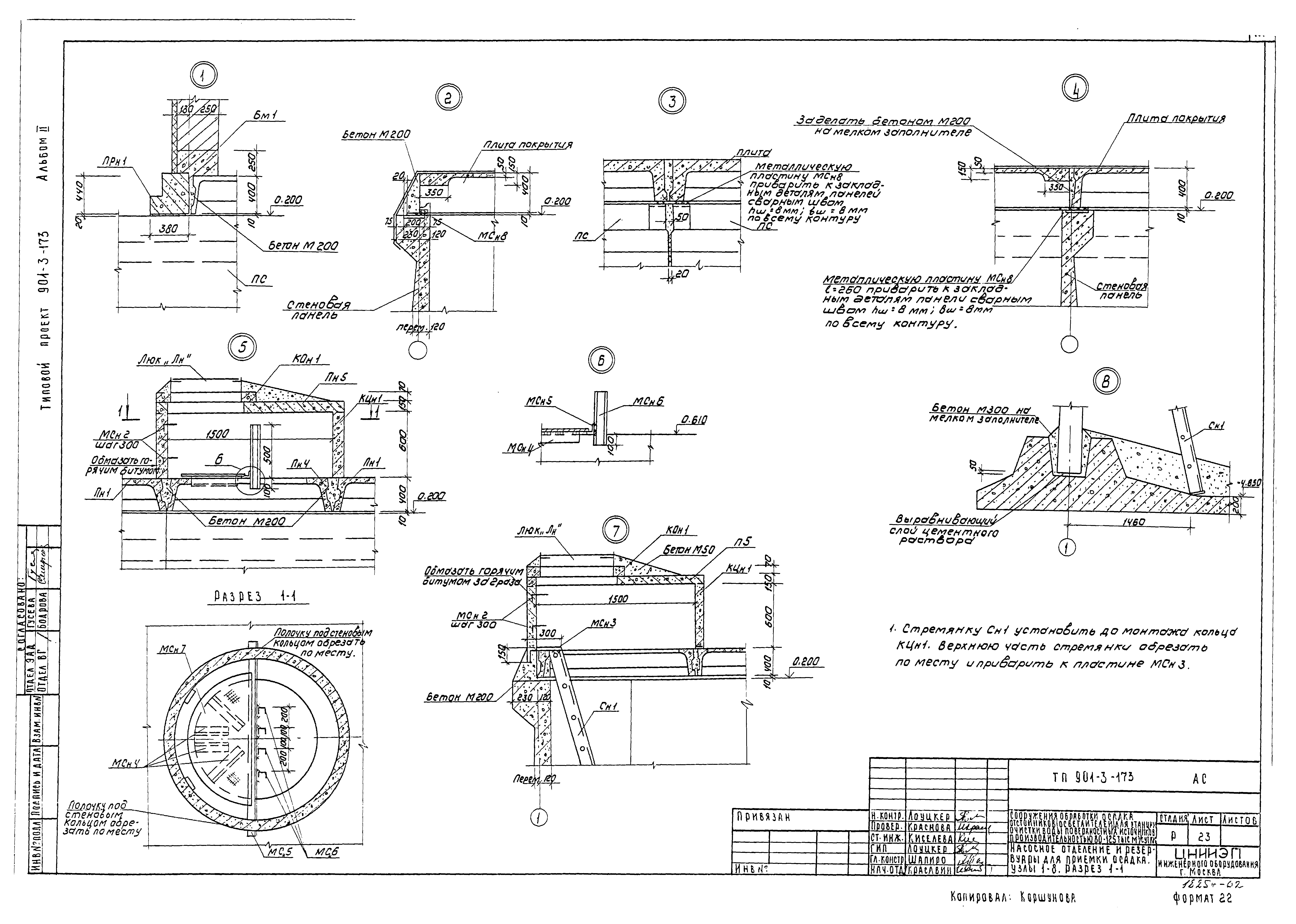
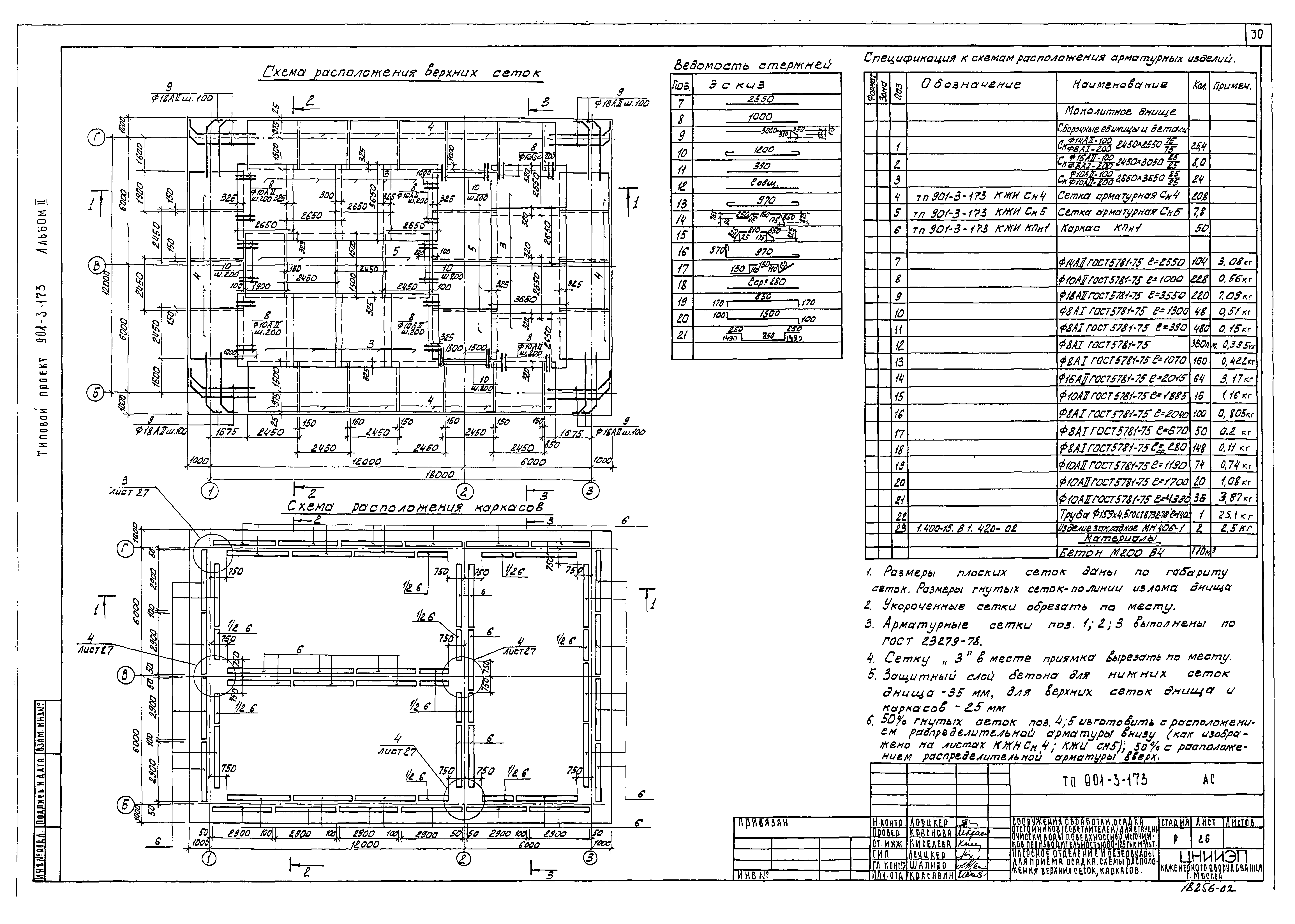
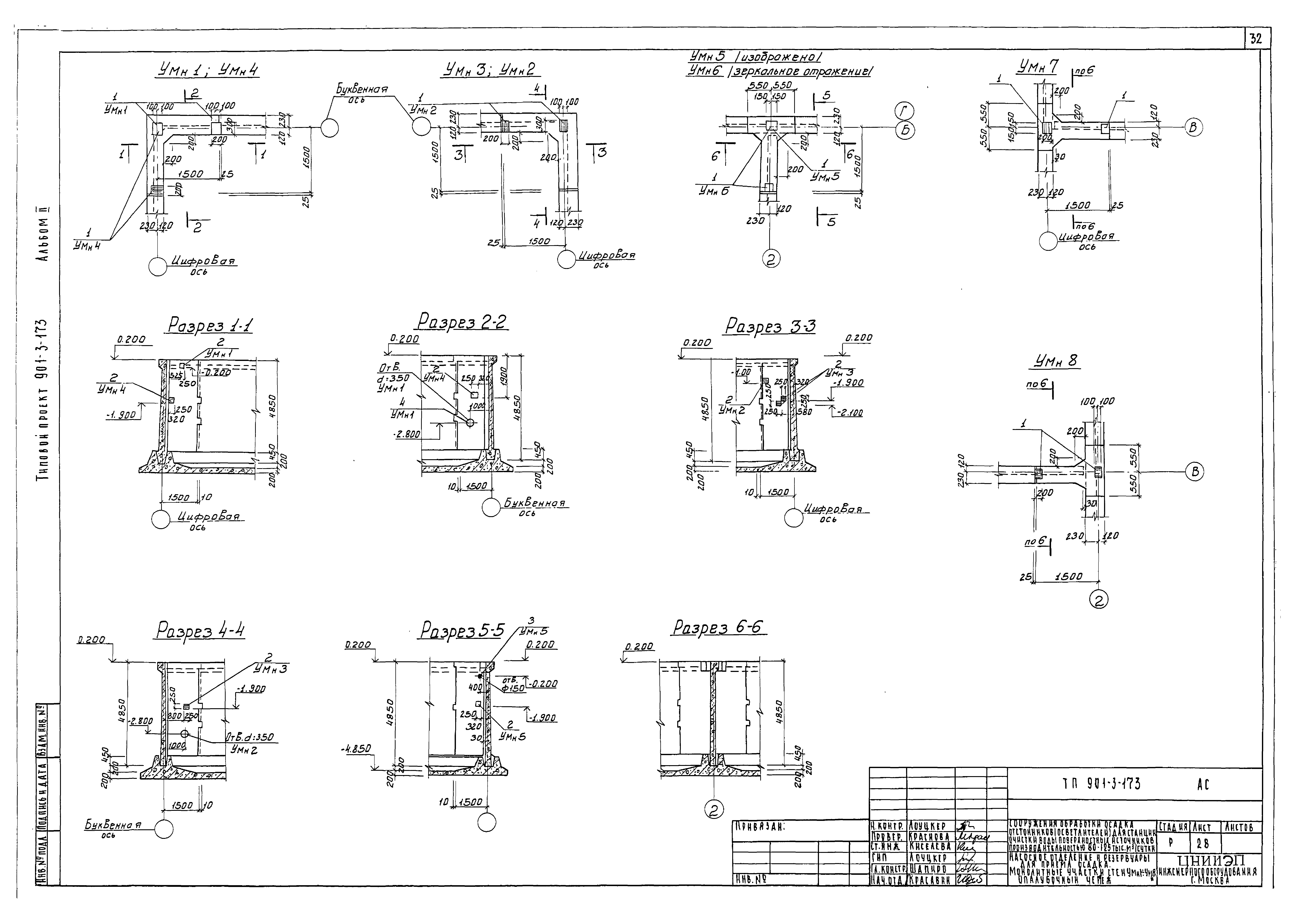
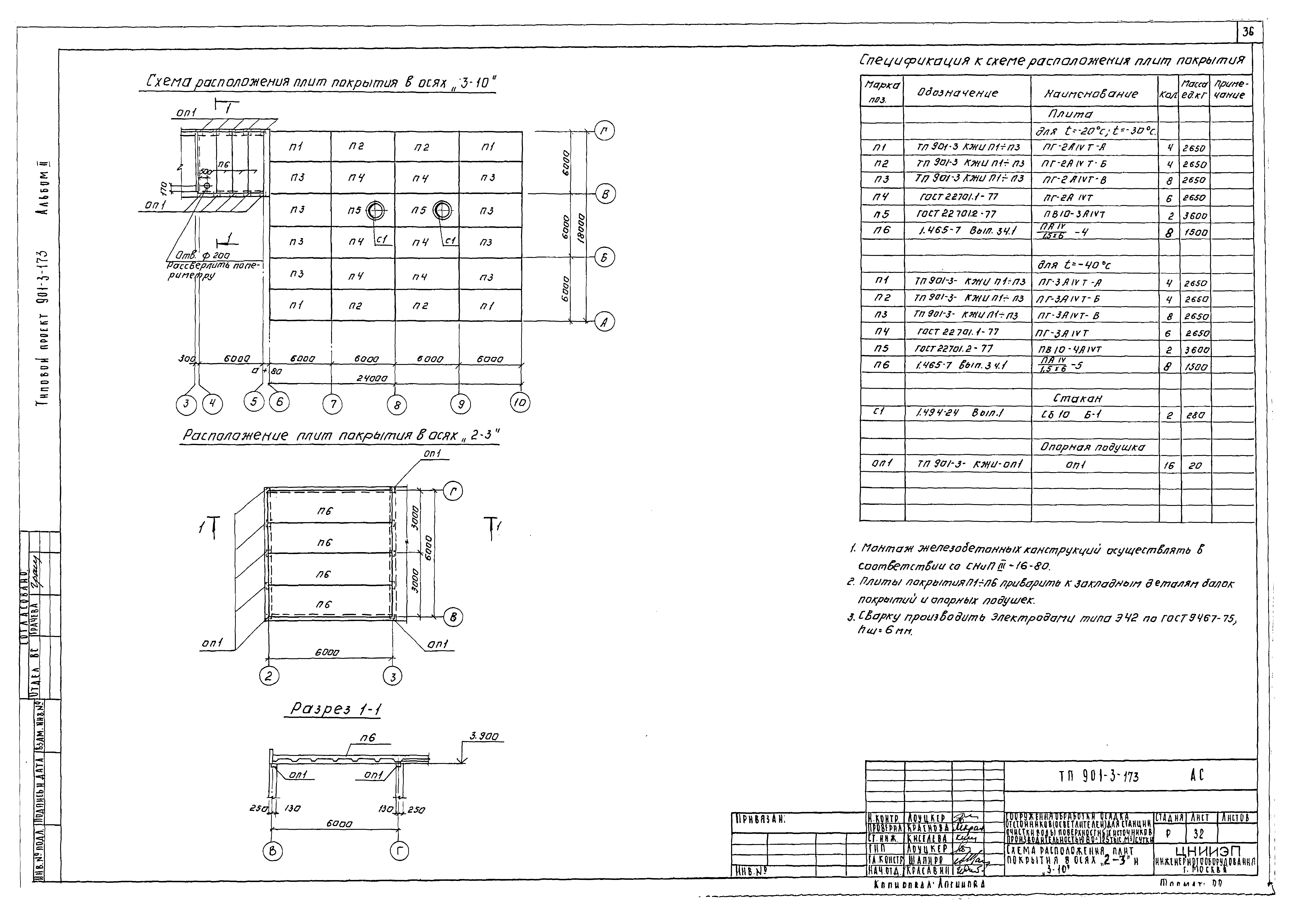
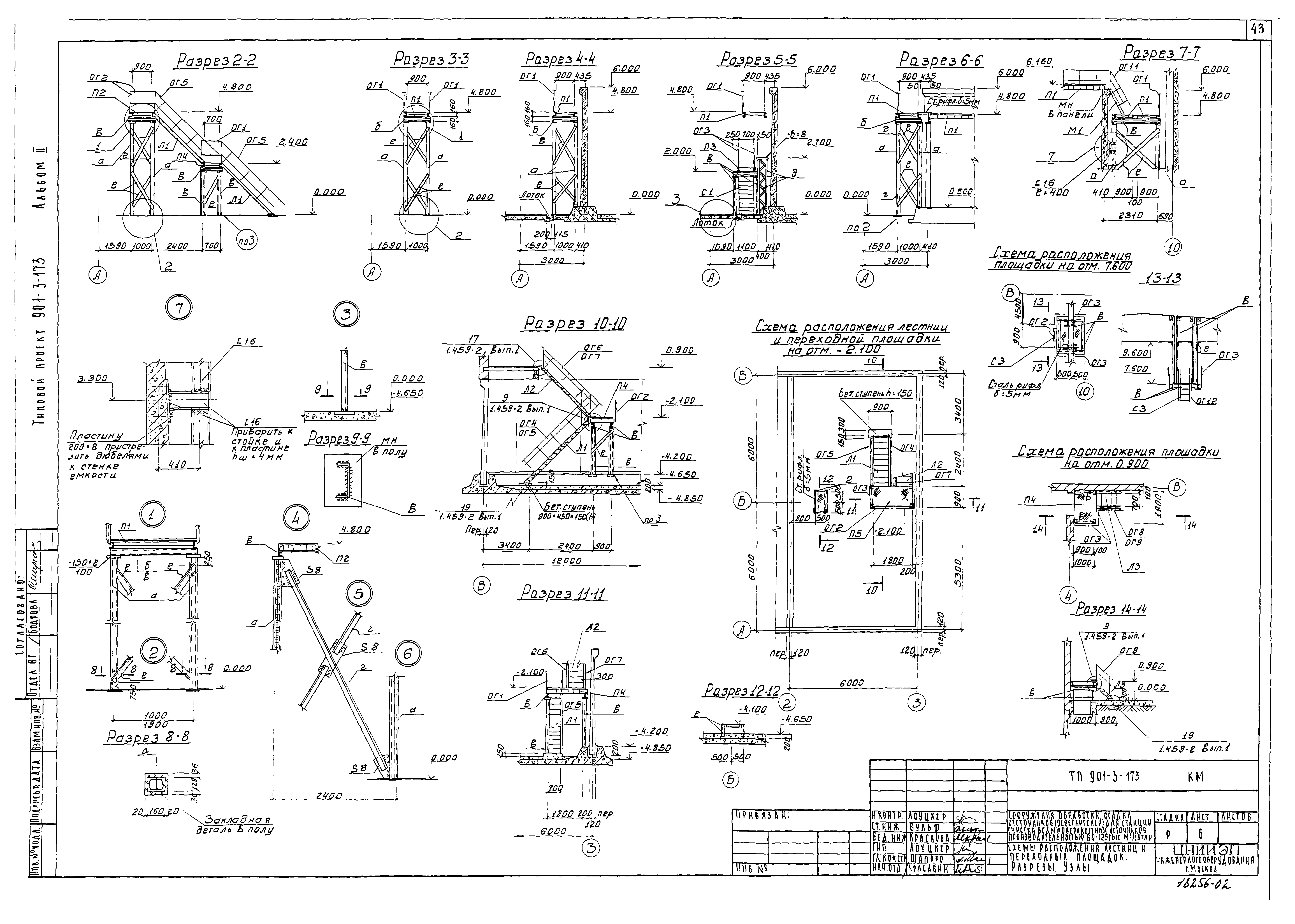
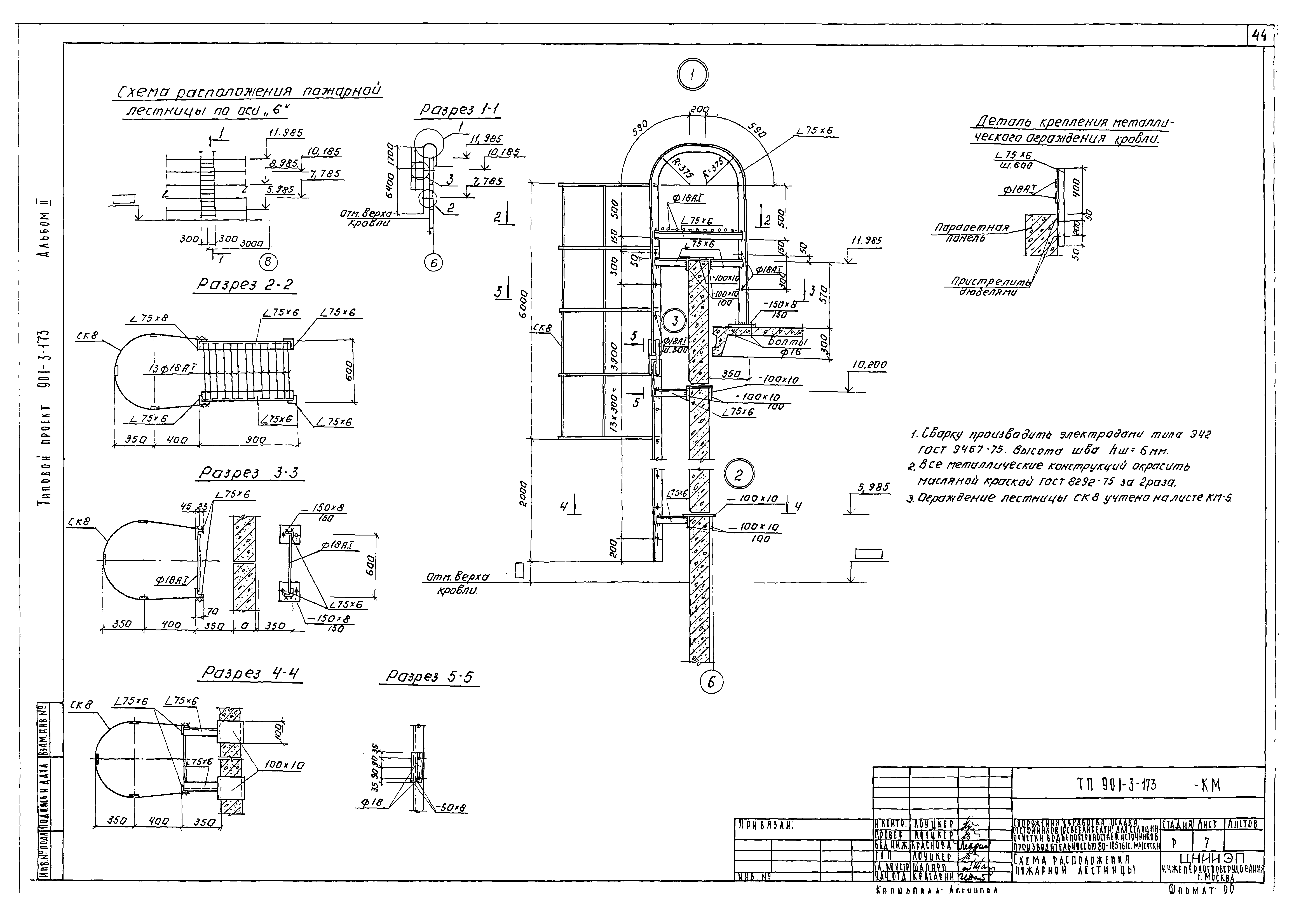
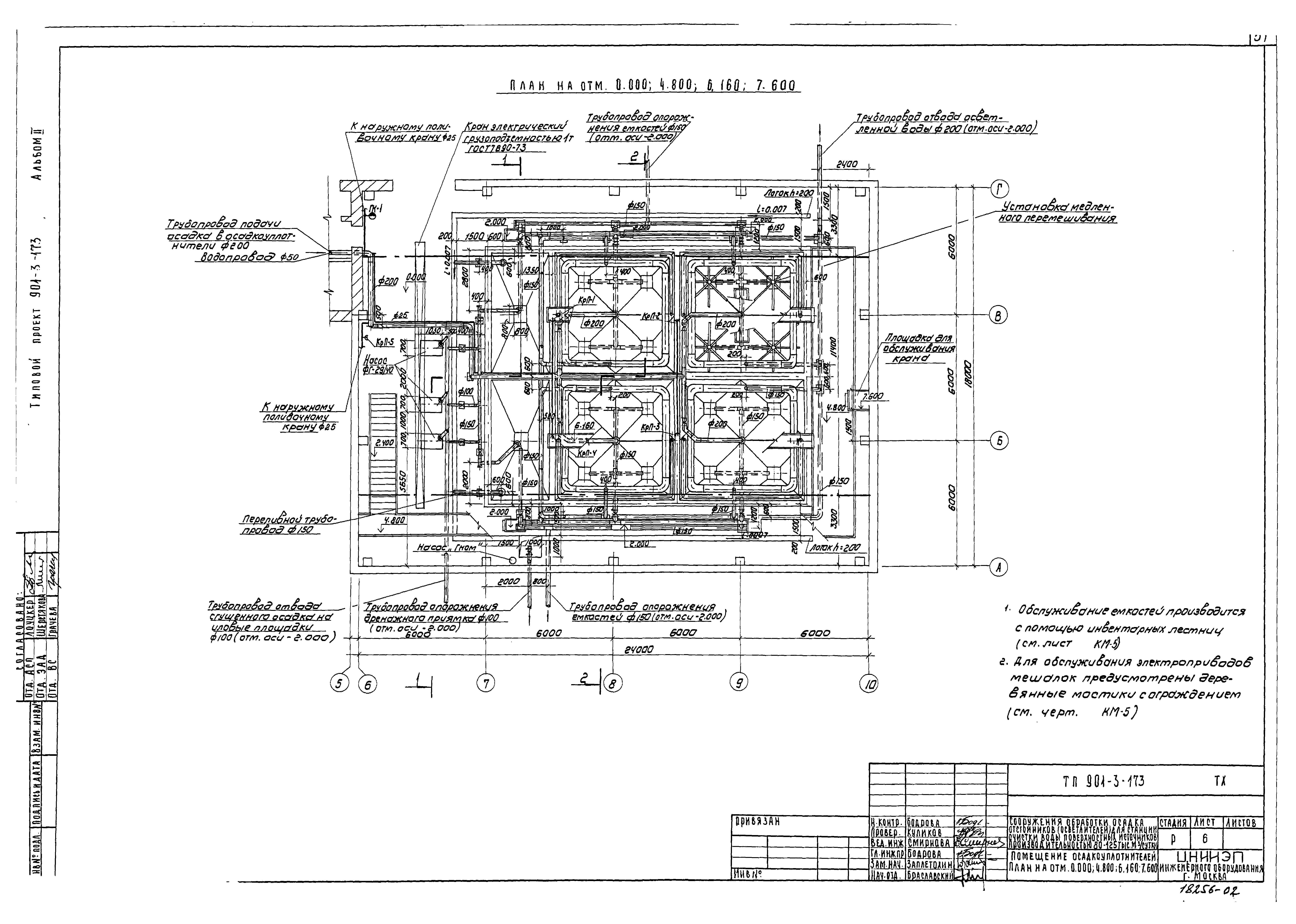
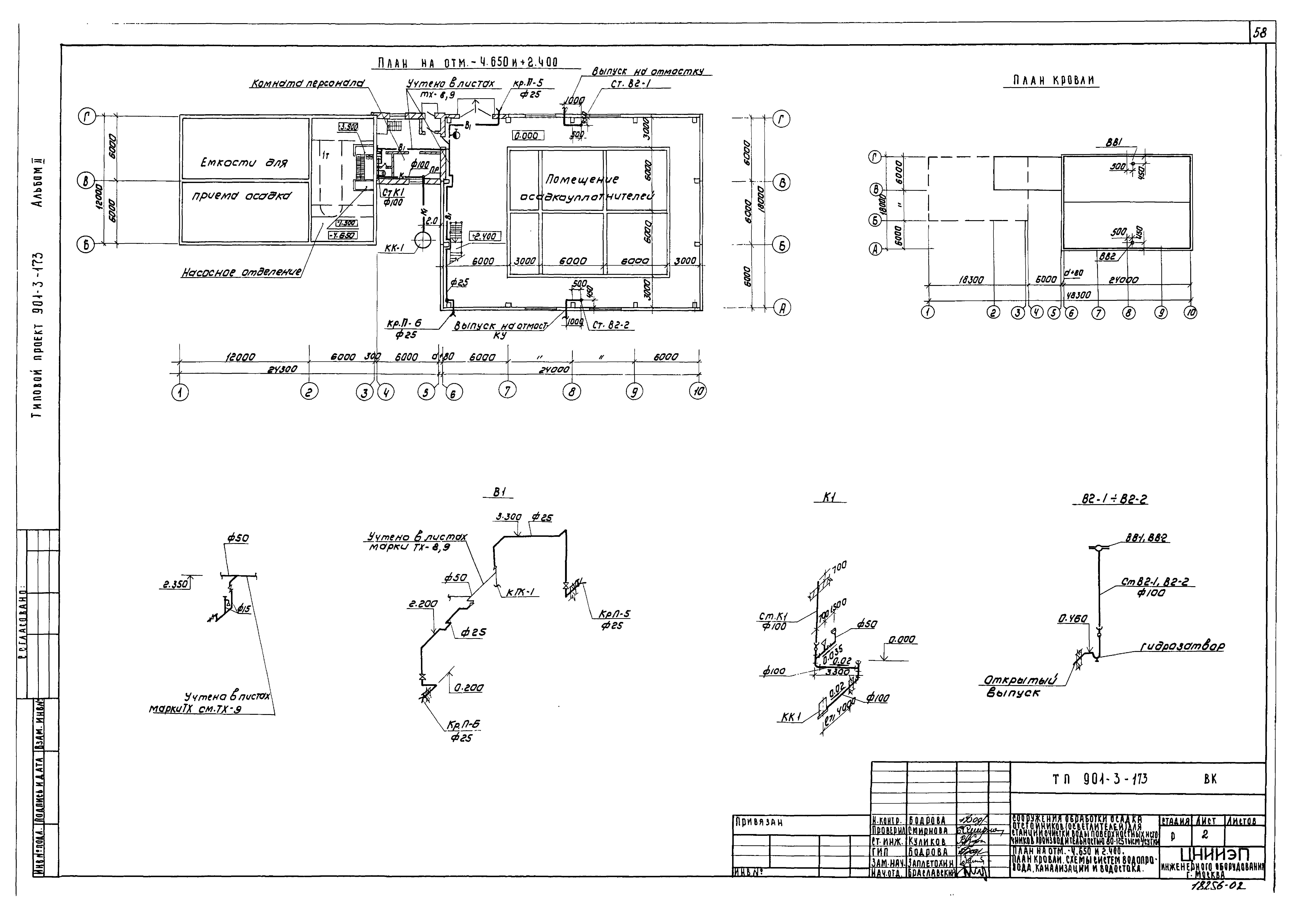
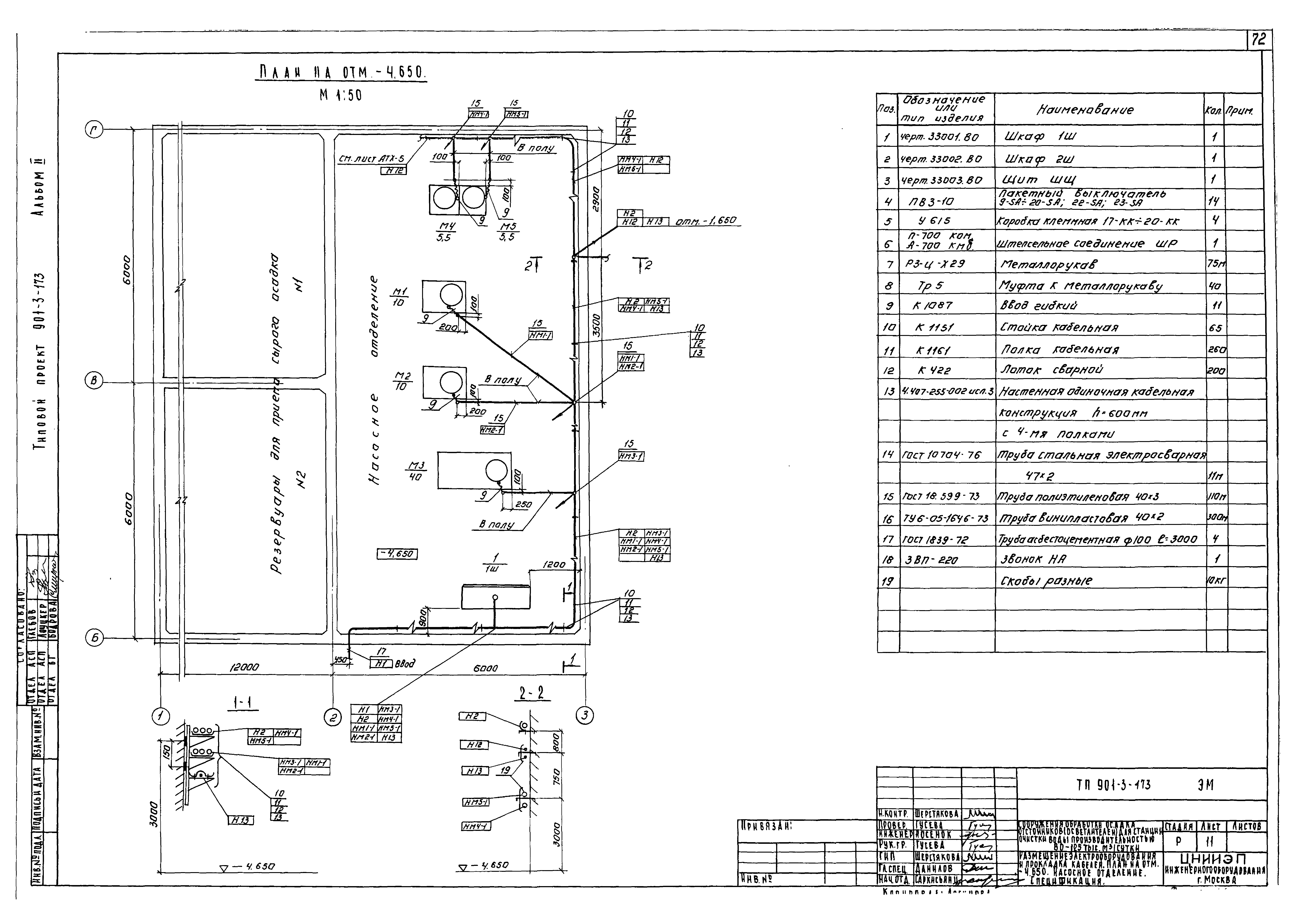
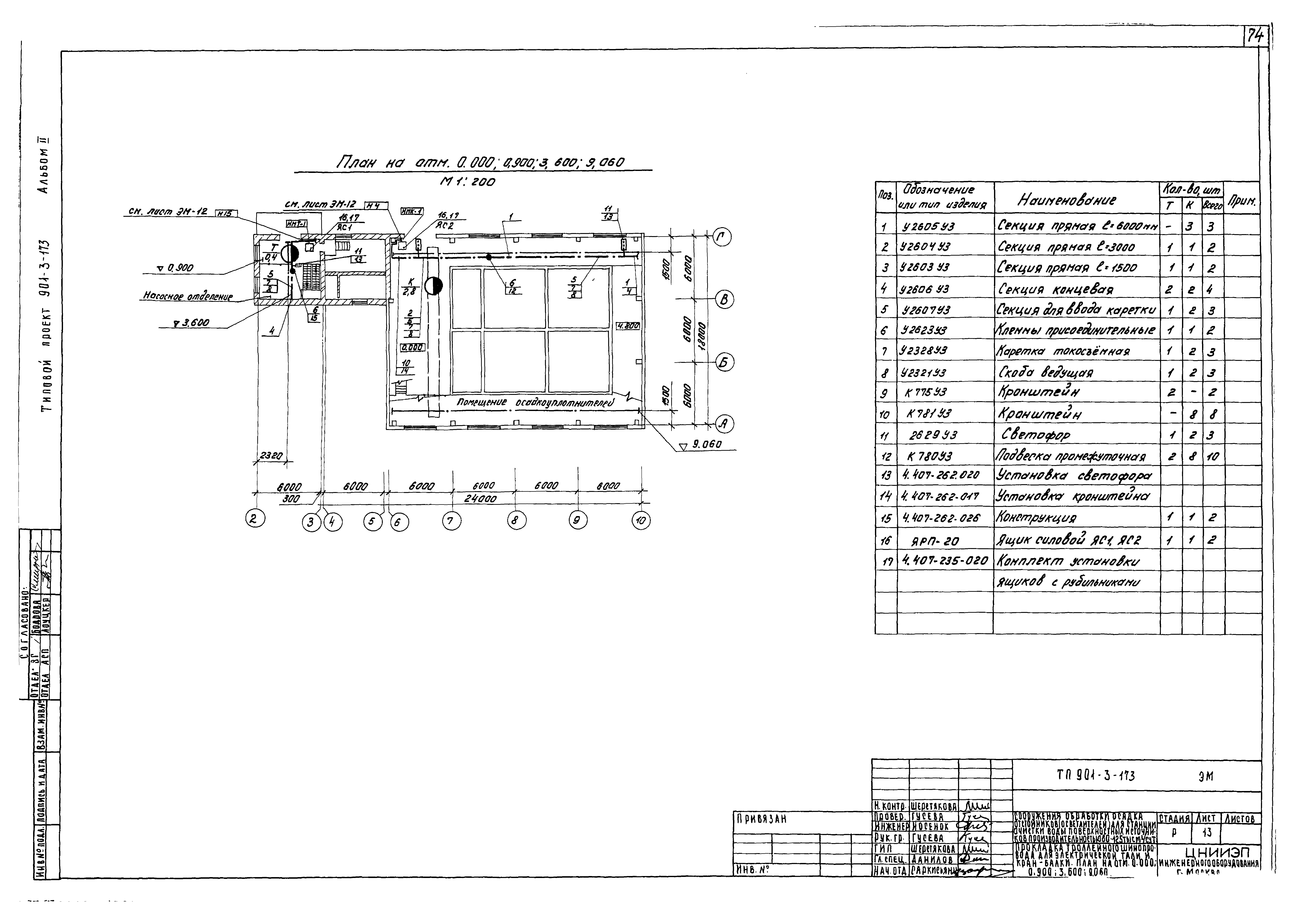
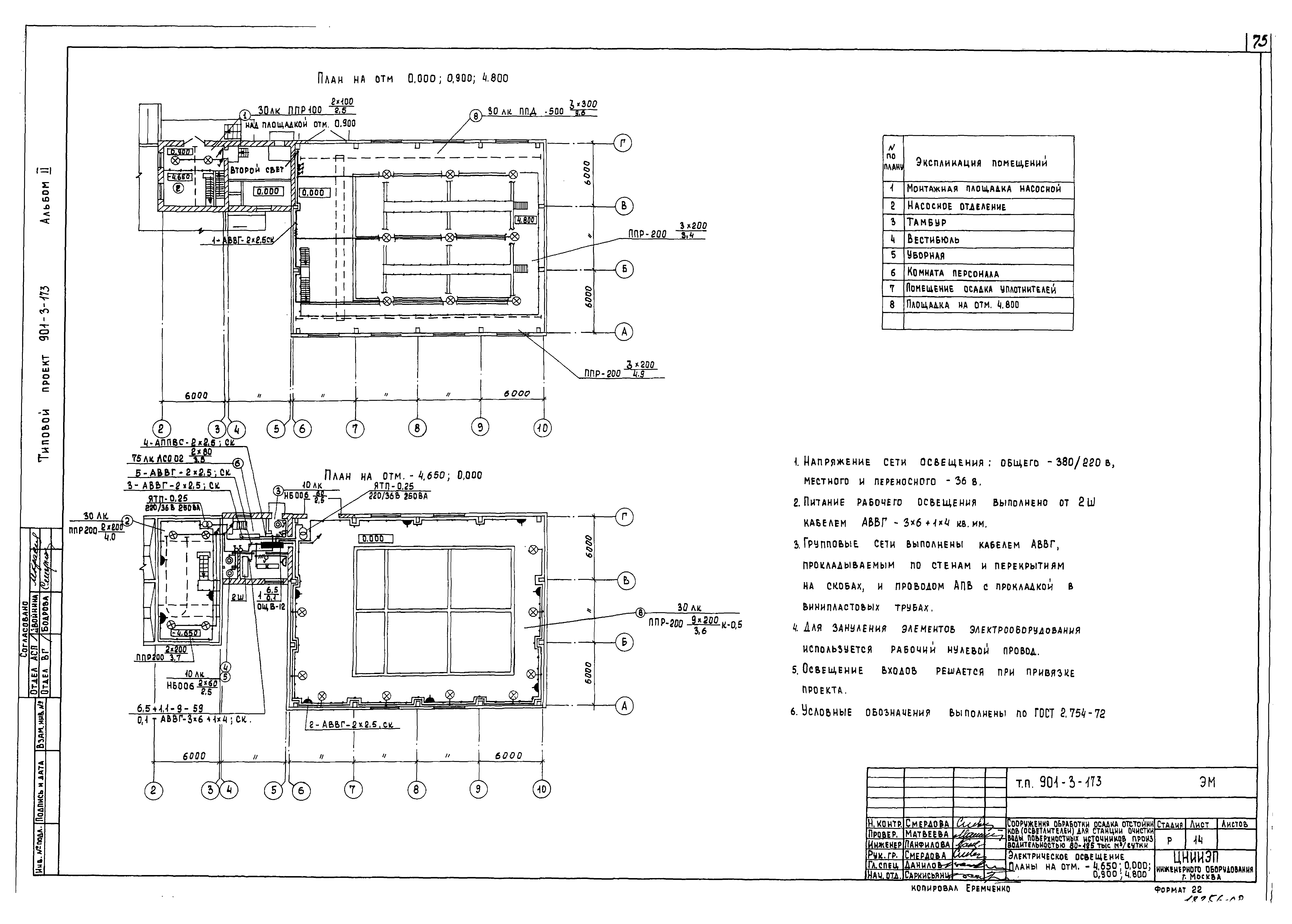
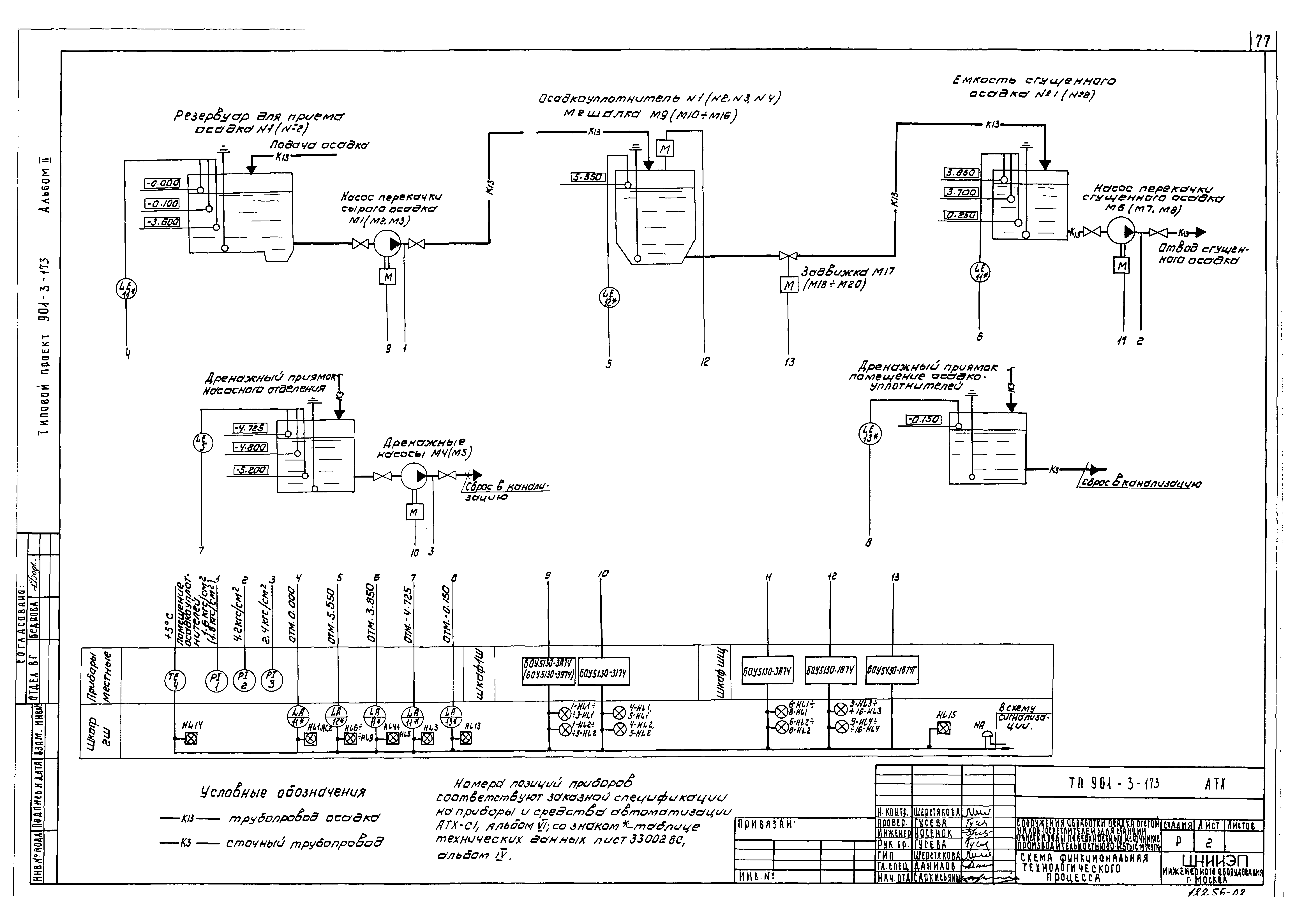
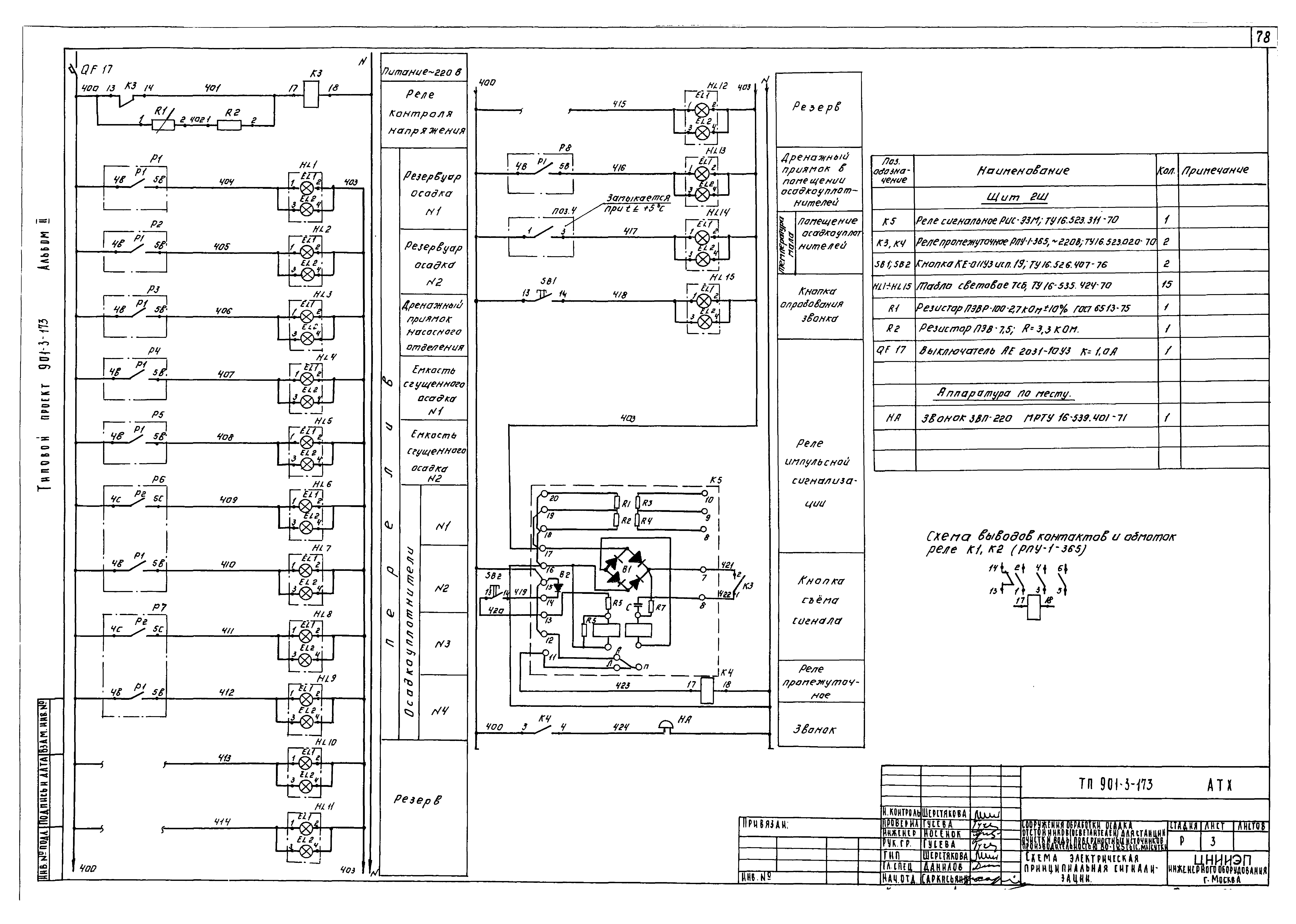
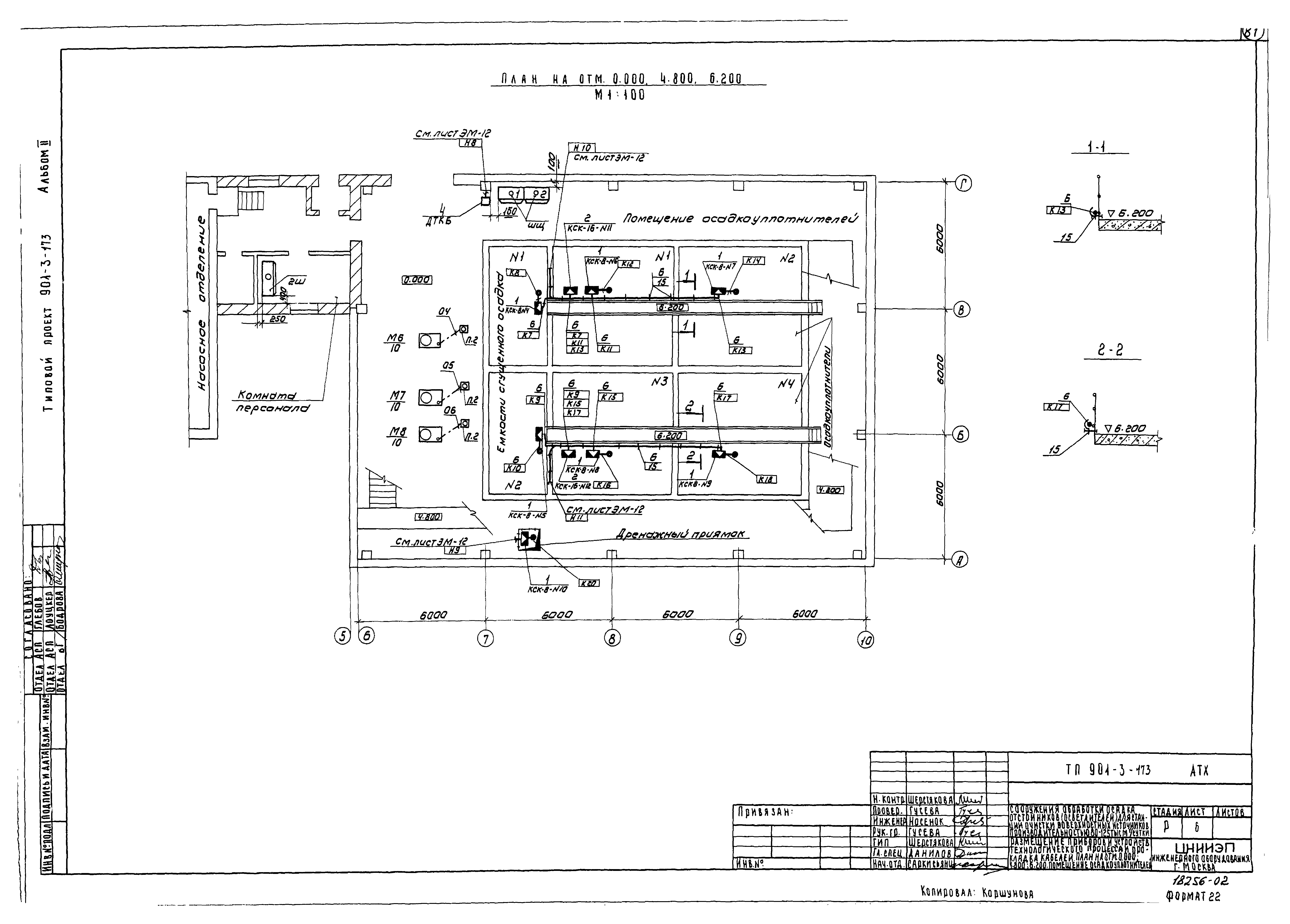
| Оглавление: | Содержание (начало) Содержание (окончание) Архитектурно-строительные решения АС-1 Общие данные (начало) АС-2 Общие данные (окончание) АС-3 План на отм. -4.650;0.000;0.900;4.800. Фрагмент 1 АС-4 Разрезы 1-1;2-2;3-3. Детали 1;2 АС-5 Фасады 1-10;10-1;А-Г;Г-А. Схемы заполнения окон АС-6 Планы кровли полов, экспликация полов, детали 3,4. Фрагмент 2 АС-7 Схема расположения фундаментов под здание АС-8 Узлы 1:5 АС-9 Фундаменты Ф1;Ф2;Ф2-1;Ф3;Ф3-1;Ф4;Ф4-1 АС-10 Схема расположения фундаментов под оборудование АС-11 Фундаменты под оборудование ФО1-ФО4 АС-12 Осадкоуплотнители. Схемы расположения стеновых панелей и закладных деталей АС-13 Осадкоуплотнители. Разрез 1-1-4-4 АС-14 Осадкоуплотнители. Опалубочный чертеж днища АС-15 Осадкоуплотнители. Армирование. Схема расположения нижних сеток АС-16 Осадкоуплотнители. Армирование. Схема расположения верхних сеток АС-17 Осадкоуплотнители. Армирование. Схема расположения каркасов. Узлы АС-18 Осадкоуплотнители. Монолитные участки стен. Опалубочный чертеж. Монолитные участки УМо5-УМо7. Армирование АС-19 Осадкоуплотнители. Монолитные участки стен. Опалубочный чертеж. Монолитные участки УМо1-УМо4. Армирование АС-20 Осадкоуплотнители. Монолитные участки стен. Опалубочный чертеж. Монолитные участки стен. Армирование. Спецификация АС-21 Насосное отделение и резервуары для приема осадка. Схемы расположения стеновых панелей, плит перекрытия и плит покрытия АС-22 Насосное отделение и резервуары для приема осадка. Разрезы 1-1-5-5 АС-23 Насосное отделение и резервуары для приема осадка. Узлы 1-8. Разрез 1-1 АС-24 Насосное отделение и резервуары для приема осадка. Монолитное днище. Опалубочный чертеж АС-25 Насосное отделение. Монолитное днище. Армирование. Схема расположения нижних сеток. Разрезы 1-1-3-3 АС-26 Насосное отделение и резервуары для приема осадка. Схемы расположения верхних сеток, каркасов АС-27 Насосное отделение и резервуары для приема осадка. Монолитное днище. Армирование. Узлы АС-28 Насосное отделение и резервуары для приема осадка. Монолитные участки стен УМн1-УМн8. Опалубочный чертеж АС-29 Насосное отделение и резервуары для приема осадка. Монолитные участки стен УМн1-УМн4. Армирование АС-30 Насосное отделение и резервуары для приема осадка. Монолитные участки стен УМн5-УМн7. Армирование АС-31 Насосное отделение и резервуары для приема осадка. Монолитные участки стен УМн8. Узлы 1 и 2. БМН1 АС-32 Схема расположения плит покрытия в осях "2,3" и "3-11" АС-33 Схема расположения колонн и балок покрытия АС-34 Схема расположения Стеновых панелей Конструкции металлические КМ-1 Общие данные. Техническая спецификация стали КМ-2 Техническая спецификация метала КМ-3 Ведомость металлоконструкции по видам профилей КМ-4 Схемы расположения подвесных крановых и монорельсовых путей КМ-5 Схемы расположения переходных площадок на отм. 2.000;4.800;6.160; лестниц и опор КМ-6 Схемы расположения лестниц и переходных площадок. Разрезы. Узлы КМ-7 Схемы расположения пожарной лестницы КМ-8 Связь вертикальная СВ1 Технологическая часть ТХ-1 Общие данные ТХ-2 Общекомпоновочный чертеж ТХ-3 Насосное отделение. План на отм. -4.650;3.000. Разрез 1-1. Детали ТХ-4 Насосное отделение. Аксонометрические схемы ТХ-5 Насосное отделение. Спецификация материалов и оборудования ТХ-6 Помещение осадкоуплотнителей. План на отм. 0.000;4.800;6.160;7.600 ТХ-7 Помещение осадкоуплотнителей. Разрезы 1-1 и 2-2 ТХ-8 Помещение осадкоуплотнителей. Аксонометрическая схема трубопроводов ТХ-9 Помещение осадкоуплотнителей. Спецификация материалов и оборудования 1114.00.000.ВО Устройство медленного перемешивания. Чертеж общего вида 1130.00.000.ВО Желоб для сбора осветленной воды. Чертеж общего вида Внутренний водопровод, канализация и водосток ВК-1 Общие данные ВК-2 План на отм. -4.650 и 2.400. План кровли. Схемы систем водопровода, канализации и водостока Отопление и вентиляция ОВ-1 Общие данные ОВ-2 План на отм. -4.650;0.000;0.900;4.800. Схема системы отопления. Схемы систем вентиляции ВЕ-1-6 Связь и сигнализация СС-1 Общие данные. План на отм. 0.000 с сетями связи. Условные обозначения. Экспликация сооружений Электрическая часть ЭМ-1 Общие данные ЭМ-2 Ведомость электрооборудования кабельных изделий и материалов. Начало ЭМ-3 Ведомость электрооборудования кабельных изделий и материалов. Окончание ЭМ-4 Схема электрическая принципиальная распределительной сети ~380/220В. Начало ЭМ-5 Схема электрическая принципиальная распределительной сети ~380/220В. Окончание ЭМ-6 Схемы электрические принципиальные управления насосами перекачки сырого осадка и дренажным насосом М4(М5) ЭМ-7 Схемы электрические принципиальные управления насосом М6(М7,М8) перекачки сгущенного осадка и мешалкой М9(М10-М15) ЭМ-8 Схемы электрические принципиальные управления задвижкой М17)М18-М20) на осадкоуплотнителе ЭМ-9 Схемы подключения электрооборудования. Сводка кабелей и проводов, учтенных кабельным журналом ЭМ-10 Кабельный журнал ЭМ-11 Размещение электрооборудования и прокладка кабелей. План на отм. -4.650. Насосное отделение. Спецификация ЭМ-12 Размещение электрооборудования и прокладка кабелей. План на отм. 0.000;0.900;4.800;6.200 Помещение осадкоуплотнителей ЭМ-13 Прокладка троллейного шинопровода для электрической тали и кран-балки. План на отм. 0.000;0.900;3.600;9.060 ЭМ-14 Электрическое освещение. План на отм. -4.650;0.000;0.900;4.800 Автоматизация и КИП АТХ-1 Общие данные. Ведомость приборов, кабельных изделий и материалов АТХ-2 Схема функциональная технологического процесса АТХ-3 Схема электрическая принципиальная сигнализации АТХ-4 Схема подключения приборов и устройств технологического контроля АТХ-5 Размещение приборов и устройств технологического процесса и прокладка кабелей. План на отм. -4.650. Насосное отделение. Спецификация АТХ-6 Размещение приборов и устройств технологического процесса и прокладка кабелей. План на отм. 0.000;4.800 и 6.200. Помещение осадкоуплотнителей |
| Разработан: | ЦНИИЭП инженерного оборудования |
| Утверждён: | 06.05.1980 Госгражданстрой (Gosgrazhdanstroy 120) |
















































































