Скачать Типовой проект 902-2-178 Альбом VII. Строительные чертежи. Детали Н = 4,4 мДата актуализации: 01.01.2021
|
| Обозначение: | Типовой проект 902-2-178 |
| Обозначение англ: | 902-2-178 |
| Статус: | не действует |
| Название рус.: | Альбом VII. Строительные чертежи. Детали Н = 4,4 м |
| Дата добавления в базу: | 01.09.2013 |
| Дата актуализации: | 01.01.2021 |
| Дата введения: | 27.10.1972 |
| Дата окончания срока действия: | 01.01.1986 |
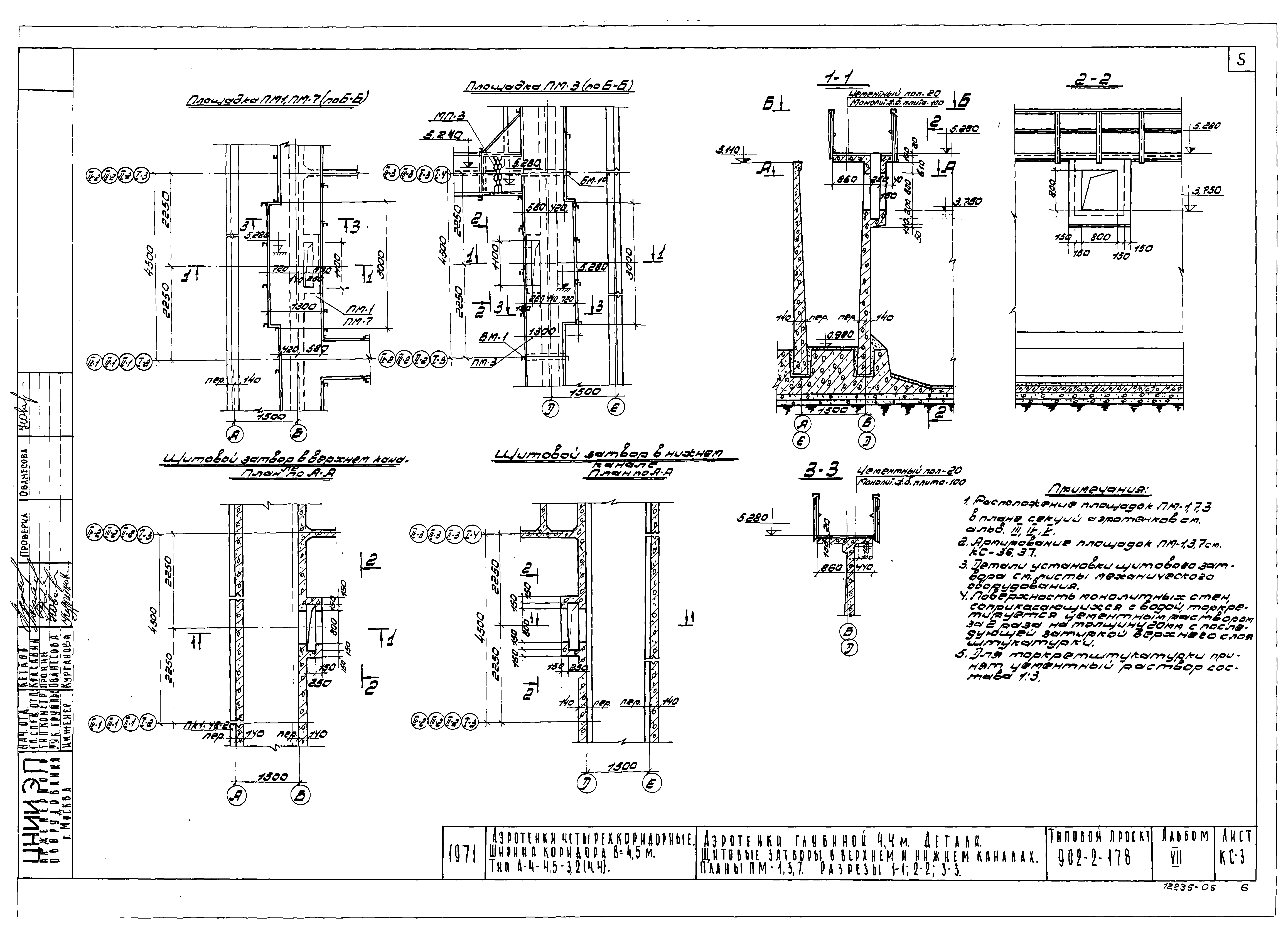
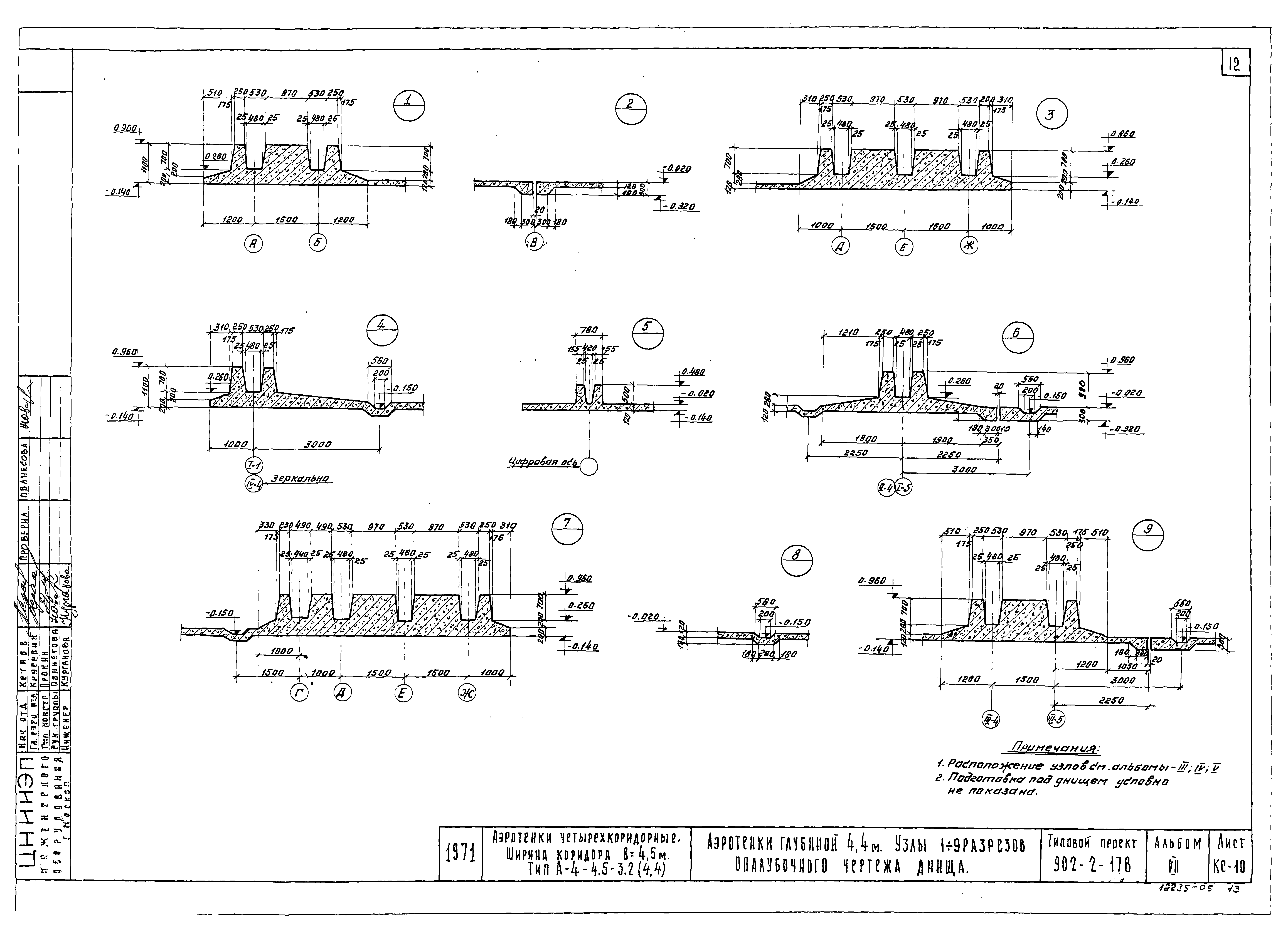
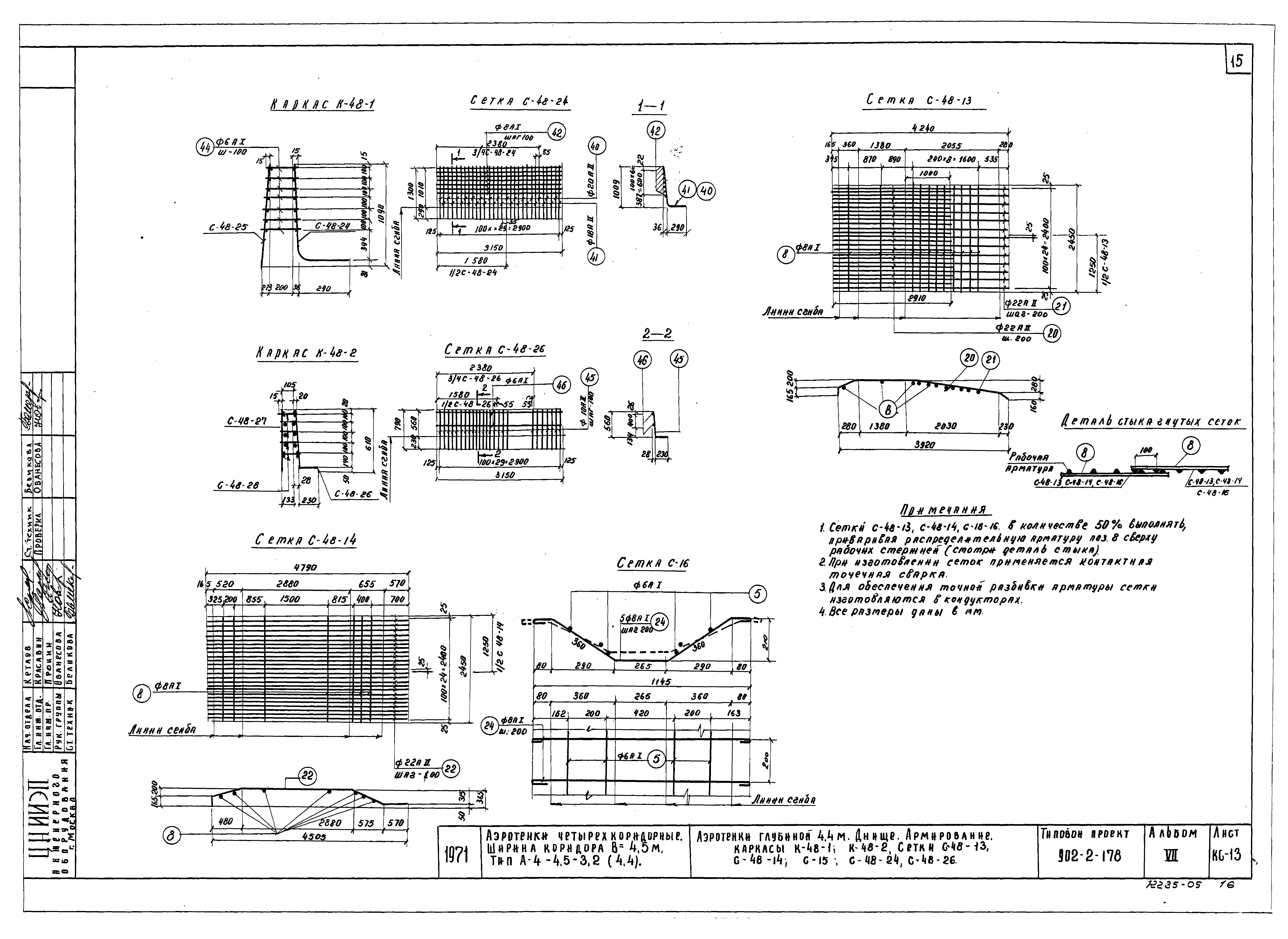
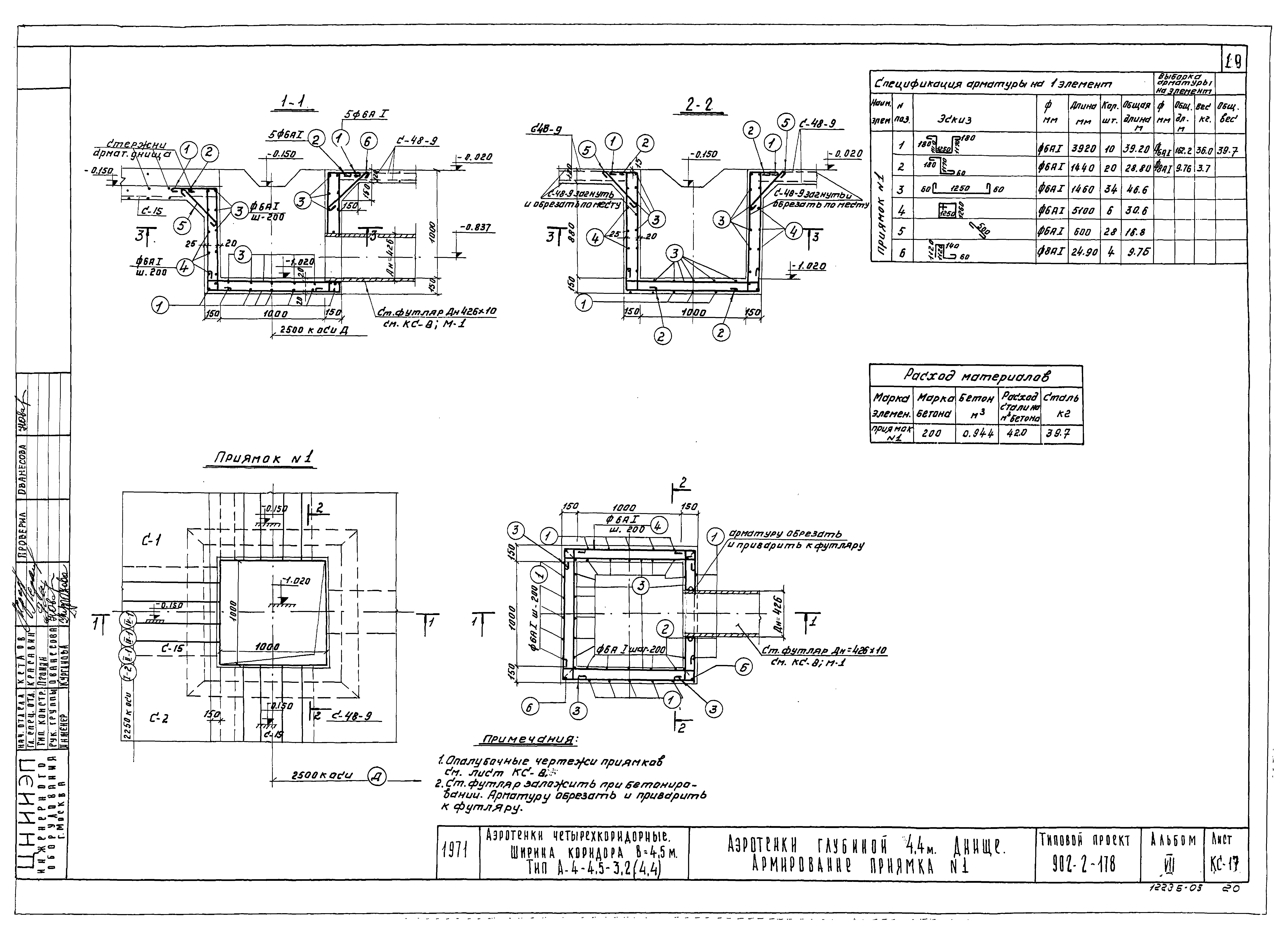
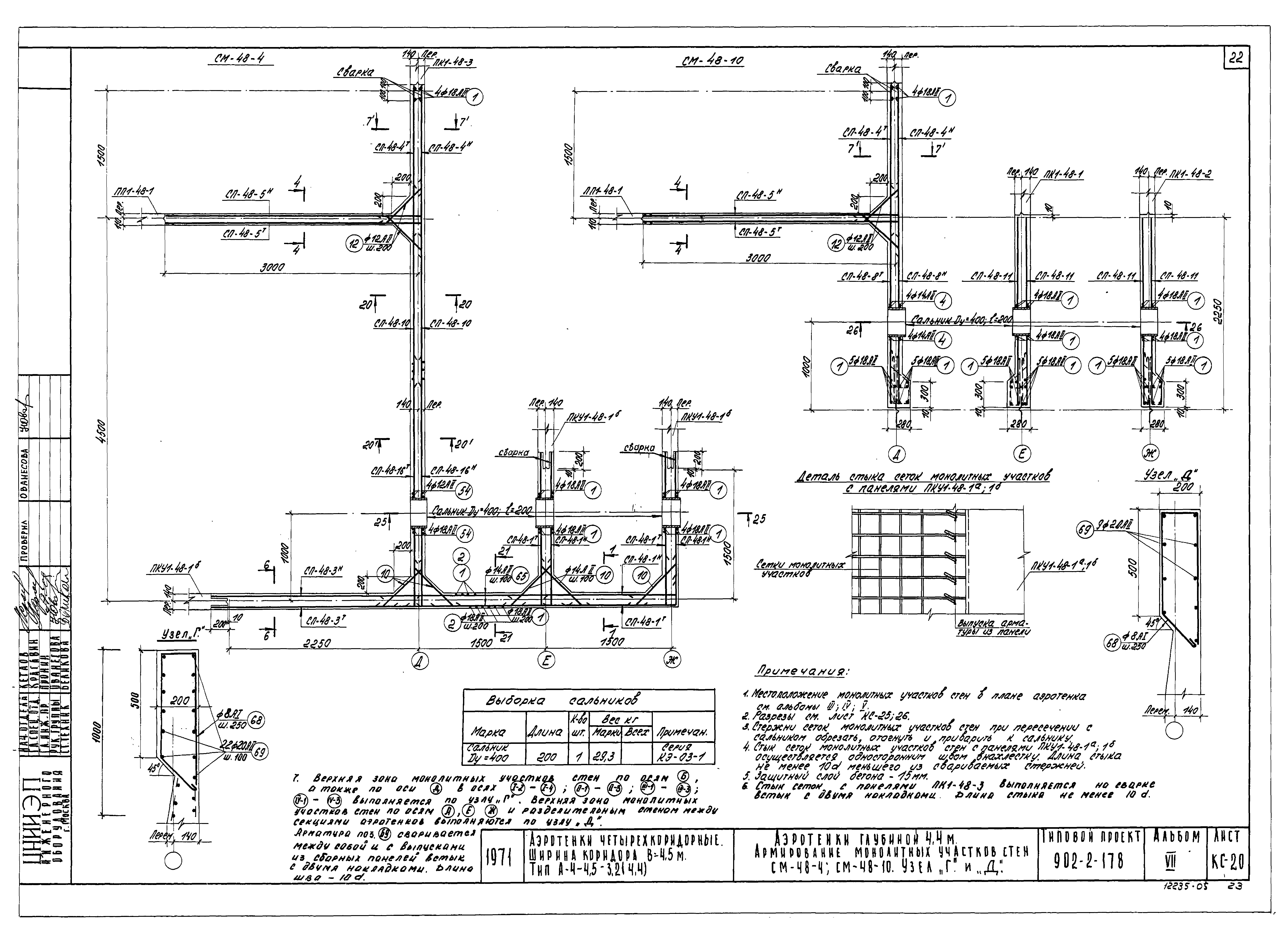
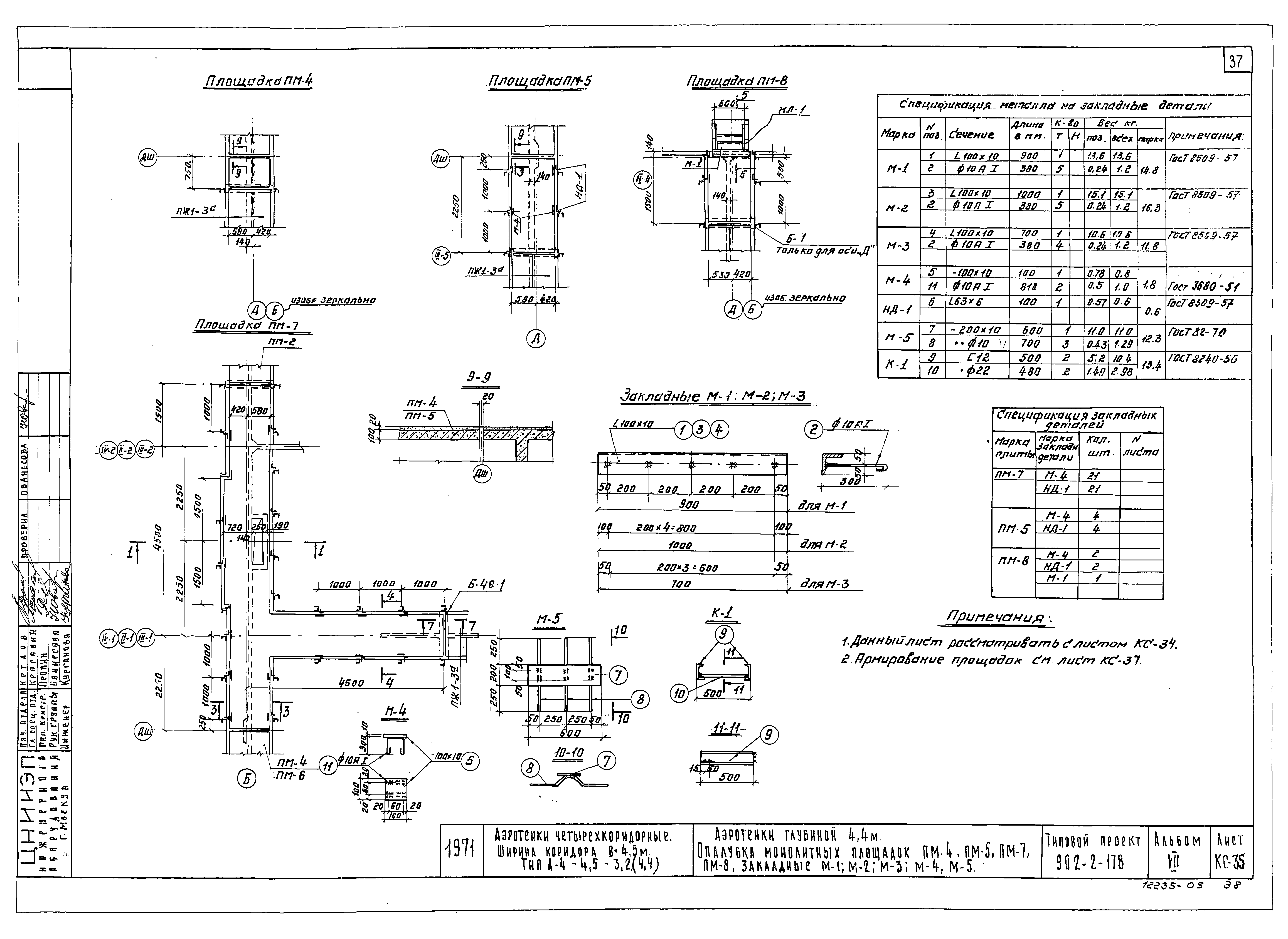
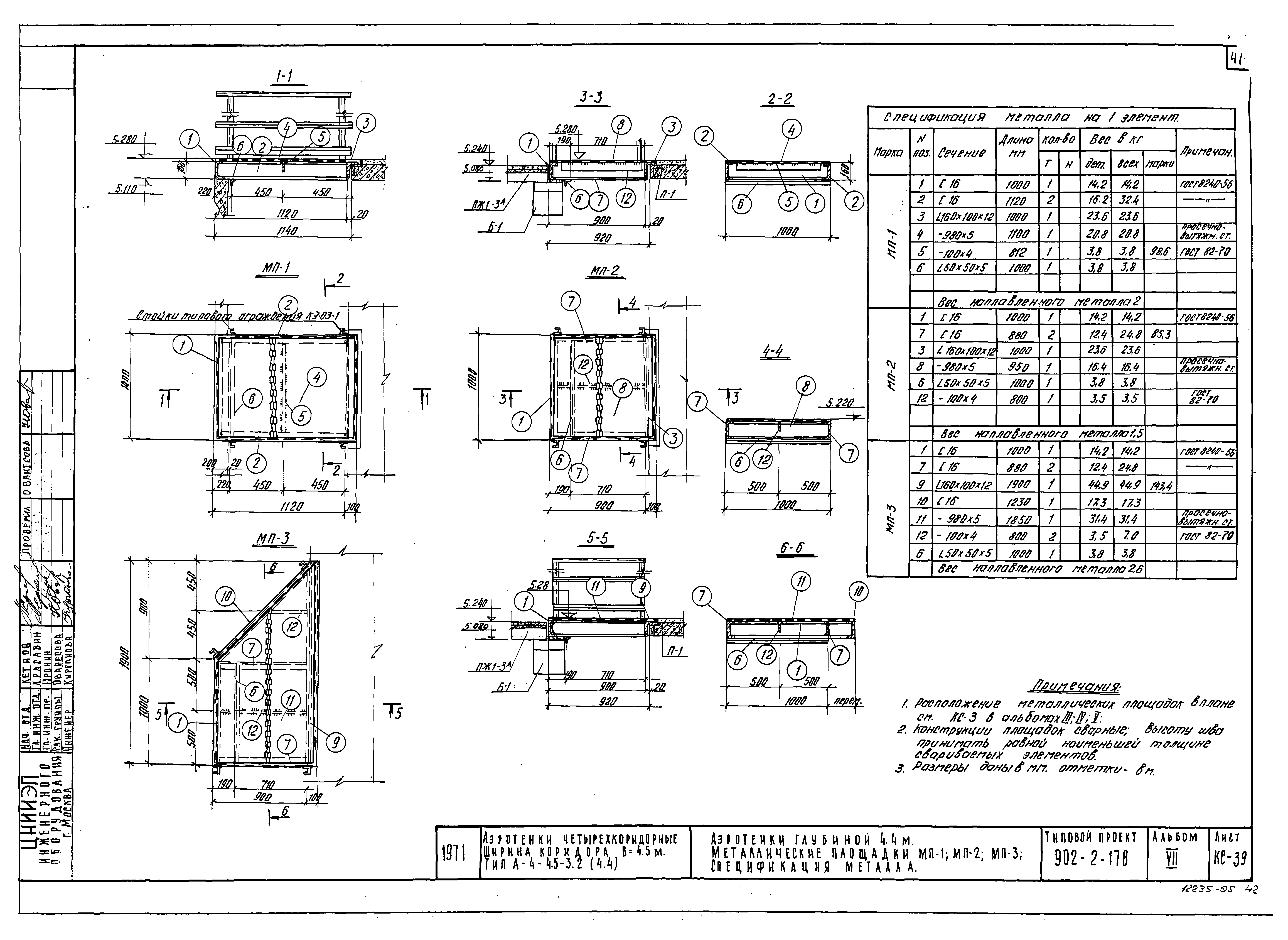
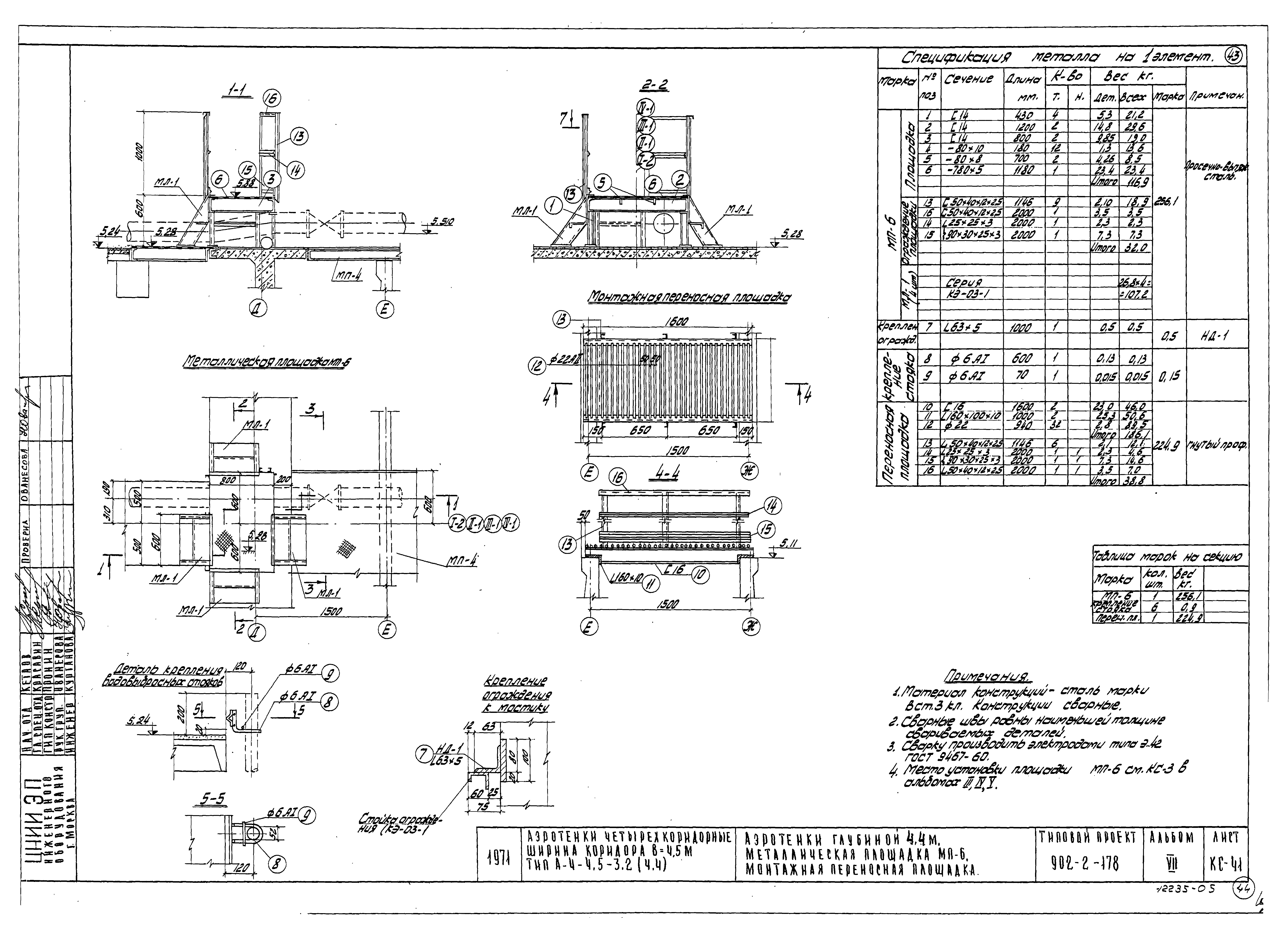
| Оглавление: | КС-1 Стыки панелей, перегородок, балок КС-2 Стыки сборных элементов. Тумбы для заделки патрубков воздушных и водовыбросных стояков. Детали стыка фильтросных блоков. Армирование КС-3 Детали. Щитовые затворы в верхнем и нижнем каналах. Планы ПМ-1,3,7. Разрезы 1-1,2-2,3-3 КС-4 Детали. Средний канал. Щитовой затвор. Планы ПМ-6 по А-А. Разрезы 1-1,2-2,3-3,4-4 КС-5 Детали. Температурно-усадочные швы в стенах и днище. Опалубочный чертеж КС-6 Детали. Температурно-усадочные швы в днище. Пересечения швов КС-7 Детали. Температурно-усадочные швы. Армирование и спецификация арматуры КС-8 Днище. Опалубочный чертеж днища. Элементы плана № 1 и № 2 КС-9 Днище. Набетонка по днищу. План. Сечения 1-1-4-4 КС-10 Узлы разрезов 1-9 опалубочного чертежа днища КС-11 Днище. Армирование днища. Узлы 1,2,3,4,5,А,Б,В КС-12 Днище. Армирование узлов 6,7,8,9,Г,Д,Е КС-13 Днище. Армирование. Каркасы К-48-1;К-48-2. Сетки С-48-13;С-48-14;С-15;С-48-24;С-48-26 КС-14 Днище. Армирование днища. Сетки С-48-16;С-48-17;С-48-18;С-48-21;С-48-22;С-48-23 КС-15 Днище. Армирование монолитных узлов 10,11,12,13,14,15,16,17,18,19 КС-16 Днище. Армирование монолитных узлов. Узел 20. Сечения 1-1;2-2;3-3;4-4;5-5;6-6;7-7;8-8 КС-17 Днище. Армирование приямка № 1 КС-18 Днище. Армирование приямков № 2 КС-19 Армирование монолитных участков стен. Планы СМ-48-1,2,3 КС-20 Армирование монолитных участков стен СМ-48-4,СМ-48-10. Узел "Г" и "Д" КС-21 Армирование монолитных участков стен. Планы СМ-48-5,6 КС-22 Армирование монолитных участков стен. Планы СМ-48-7,8,9 КС-23 Армирование монолитных участков стен. Планы СМ-48-11,12 КС-24 Армирование монолитных участков стен. Планы СМ-48-13,14 КС-25 Армирование монолитных участков стен. Разрезы 1-1-13-13. Узел "А" КС-26 Армирование монолитных участков стен. Разрезы 14-14-26-26. Узлы "Б" и "В" КС-27 Армирование монолитных участков стен. Спецификация КС-28 Армирование монолитных участков стен. Спецификация КС-29 Армирование монолитных участков стен. Спецификация КС-30 Армирование монолитных участков стен. Спецификация КС-31 Армирование монолитных участков стен. Спецификация КС-32 Армирование монолитных участков стен. Спецификация КС-33 Армирование монолитных участков стен. Выборки. Спецификация КС-34 Опалубка монолитных площадок ПМ-1,ПМ-2,ПМ-3 КС-35 Опалубка монолитных площадок ПМ-4,5,7,8. Закладные М-1,М-2,М-3,М-4,М-5 КС-36 Армирование монолитных площадок ПМ-1,ПМ-2,ПМ-3. Спецификация КС-37 Армирование монолитных площадок ПМ-4,ПМ-5,ПМ-6,ПМ-7,ПМ-8 КС-38 Монтажная схема монолитных балок. Опалубка и армирование монолитных балок БМ-1;БМ-1а;БМ-1б КС-39 Металлические площадки МП-1;МП-2;МП-3. Спецификация металла КС-40 Металлические площадки МП-4;МП-5 КС-41 Металлическая площадка МП-6. Монтажная переносная площадка |
| Разработан: | ЦНИИЭП инженерного оборудования |
| Утверждён: | 27.10.1972 Госгражданстрой (Gosgrazhdanstroy 205) |
| Заменяет собой: |
|











































