Скачать Типовой проект 902-2-179 Альбом XI. Электротехнические чертежиДата актуализации: 01.01.2021
|
| Обозначение: | Типовой проект 902-2-179 |
| Обозначение англ: | 902-2-179 |
| Статус: | не действует |
| Название рус.: | Альбом XI. Электротехнические чертежи |
| Дата добавления в базу: | 01.09.2013 |
| Дата актуализации: | 01.01.2021 |
| Дата введения: | 27.10.1972 |
| Дата окончания срока действия: | 01.10.1983 |
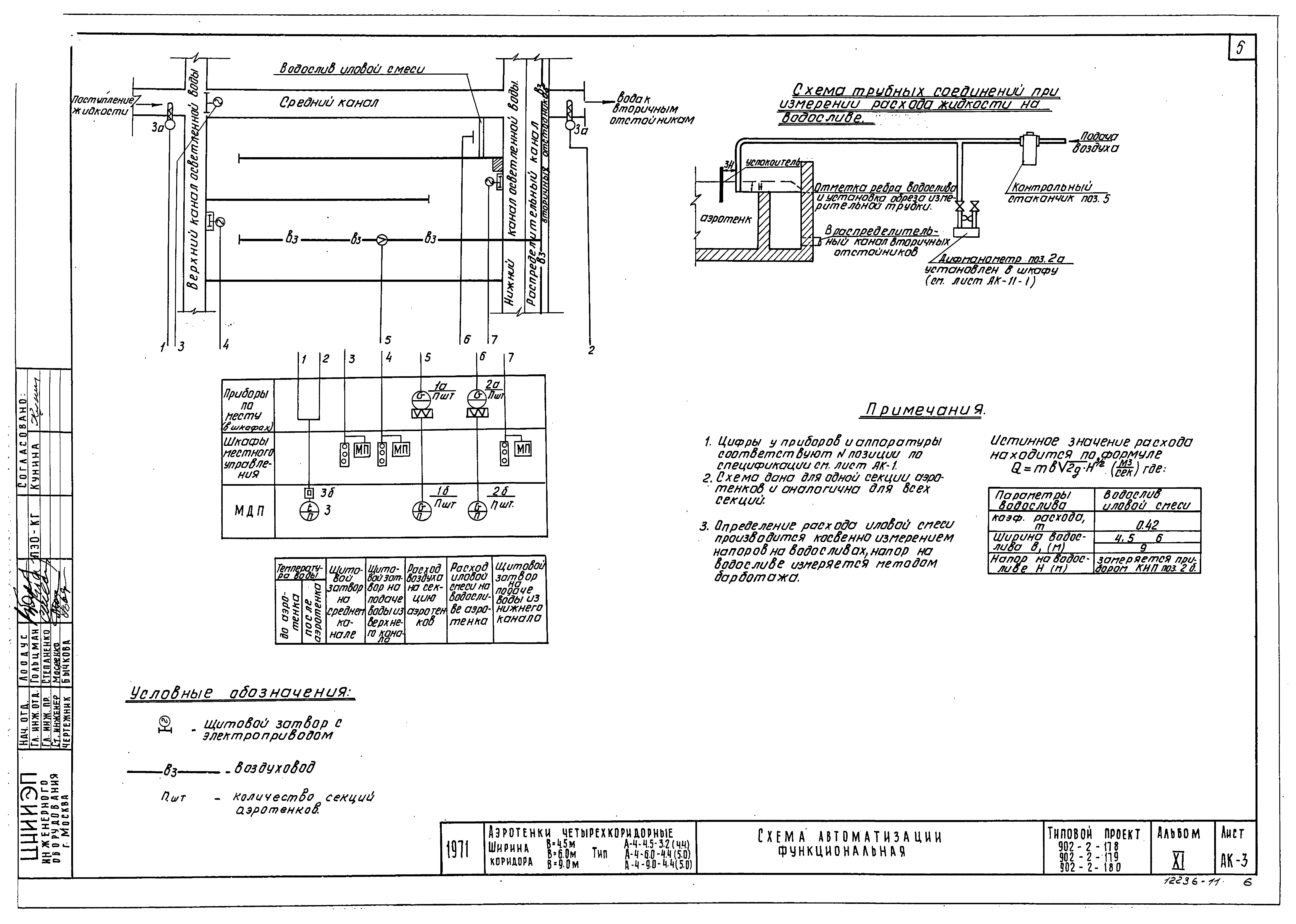
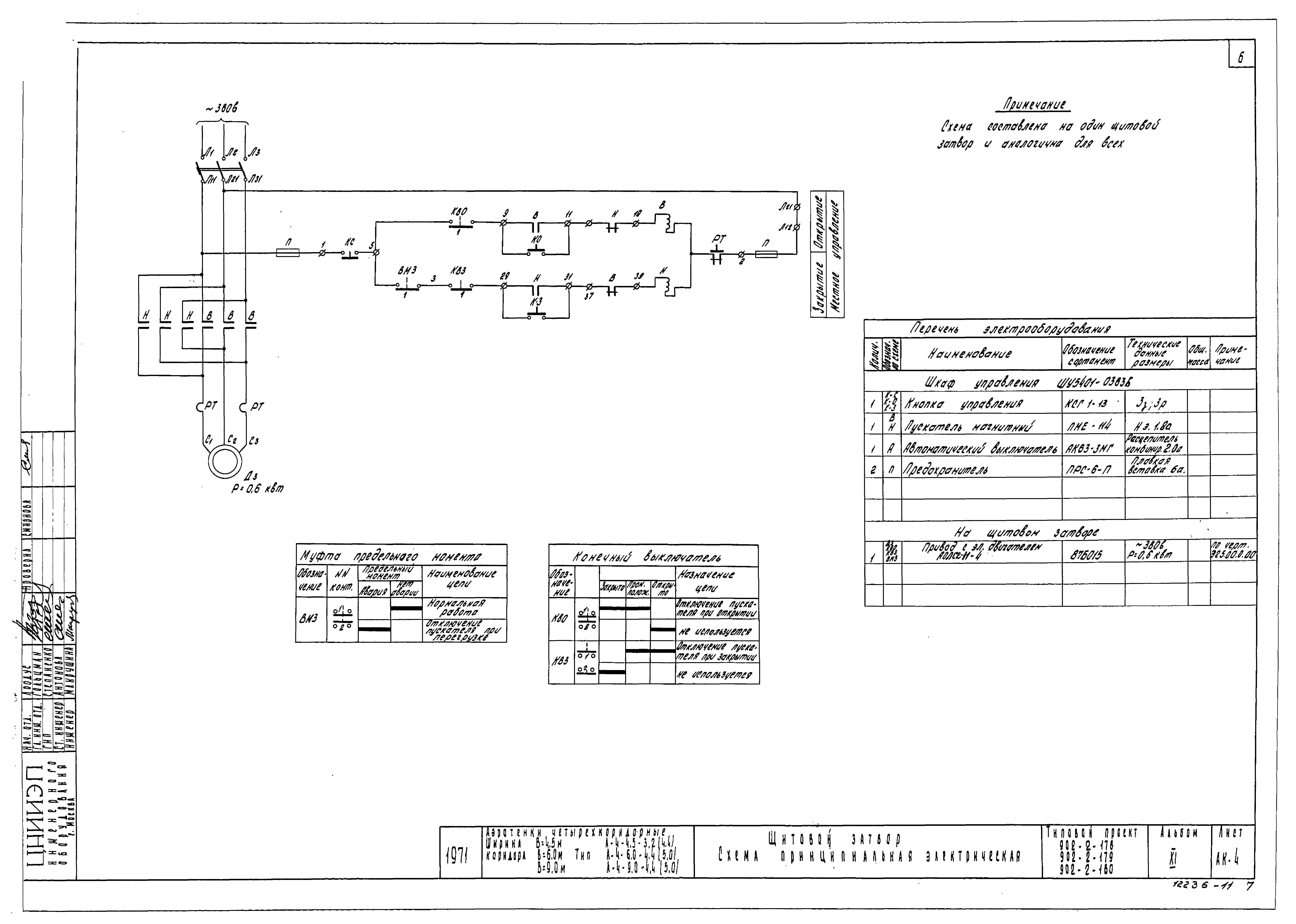
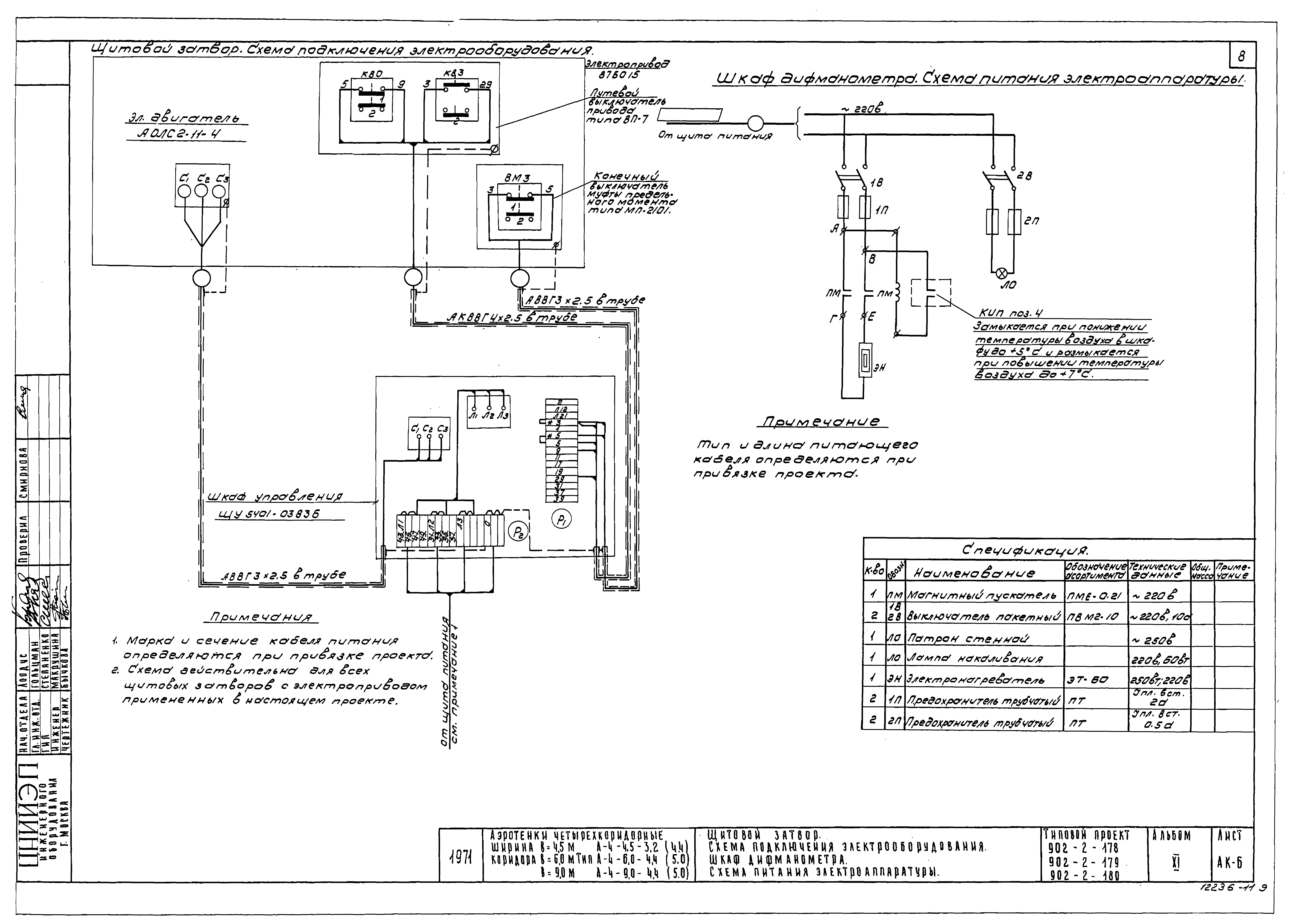
| Оглавление: | Содержание альбома. Пояснительная записка АК-1 Ведомость приборов и средств автоматизации АК-2 Ведомости комплектных устройств, щитов и пультов, электроаппаратуры АК-3 Схема автоматизации функциональная АК-4 Щитовой затвор. Схема принципиальная электрическая АК-5 Схема питания приборов. Схема подключения приборов технологического контроля АК-6 Щитовой затвор. Схема подключения электрооборудования. Шкаф дифманометра. Схема питания электроаппаратуры АК-7 Щит диспетчера. Общий вид АК-8 Щит диспетчера. Панели 1,2. Схема соединений АК-9 Щит диспетчера. Панели 1,2. Схема соединений АК-10 Щит диспетчера. Панель 3. Схема соединений АК-11 Шкаф дифманометра. Общий вид. Схема соединений АК-12 Пример плана с размещение электрооборудования |
| Разработан: | ЦНИИЭП инженерного оборудования |
| Утверждён: | 27.10.1972 Госгражданстрой (Gosgrazhdanstroy 205) |
| Заменяет собой: |
|














