Скачать Типовой проект 902-2-180 Альбом X. Нестандартизированное оборудование. Трубы Вентури (из ТП 902-2-179)Дата актуализации: 01.01.2021
|
| Обозначение: | Типовой проект 902-2-180 |
| Обозначение англ: | 902-2-180 |
| Статус: | не действует |
| Название рус.: | Альбом X. Нестандартизированное оборудование. Трубы Вентури (из ТП 902-2-179) |
| Дата добавления в базу: | 01.09.2013 |
| Дата актуализации: | 01.01.2021 |
| Дата введения: | 27.10.1972 |
| Дата окончания срока действия: | 01.02.1982 |
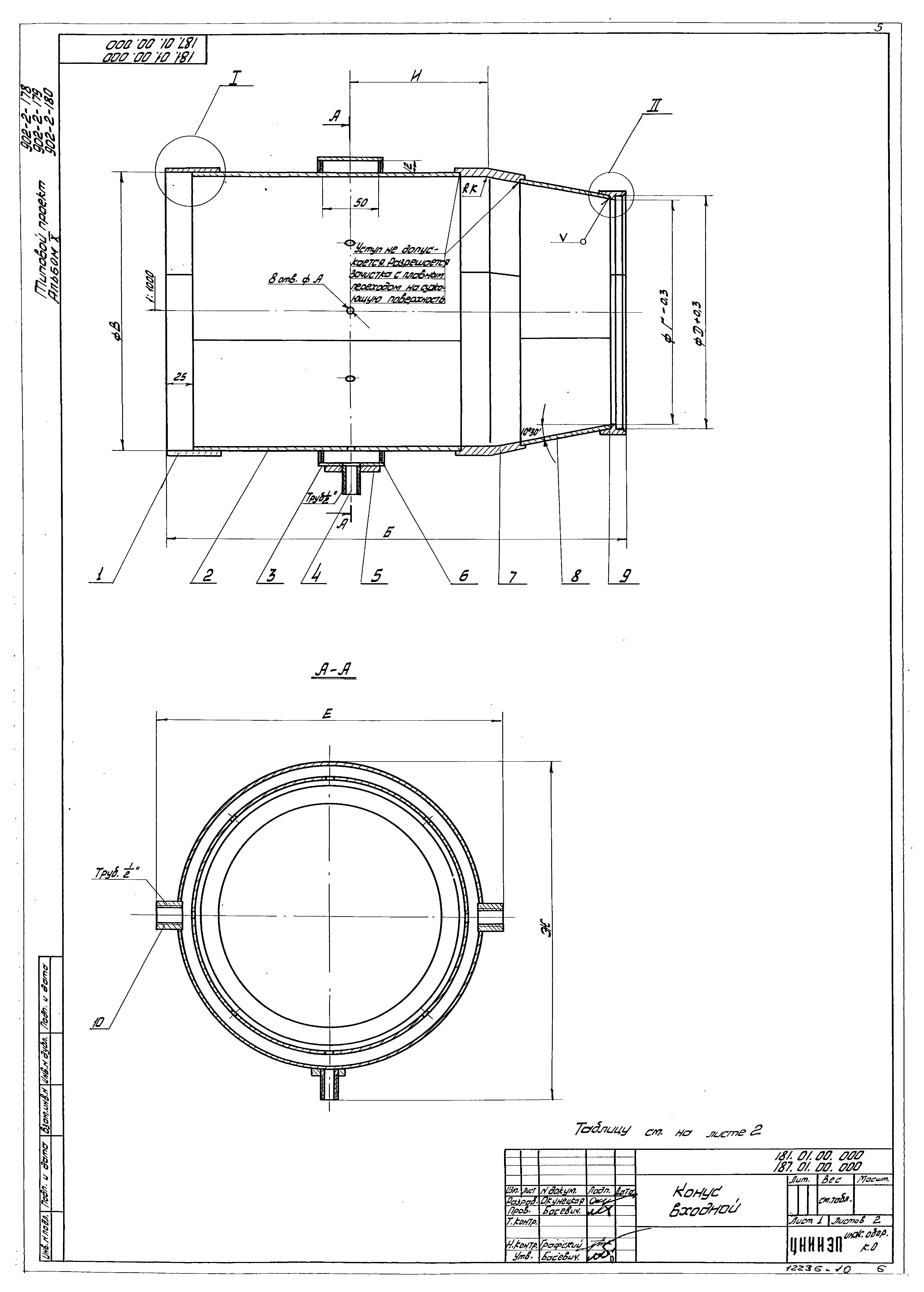
| Оглавление: | Титульный лист Содержание альбома 181.00.00.000-187.00.00.000 Труба вентури Ду600,500,300,250,200 181.01.00.000-187.01.00.000 Конус входной 181.02.00.000-187.02.00.000 Горловина 181.02.00.001-187.02.00.001 Конус 181.03.00.000-187.03.00.000 Конус выходной 181.01.00.001-183.01.00.000 Кольцо 181.01.00.003-187.01.00.003 Обечайка 184.01.00.001-187.01.00.001 Кольцо 181.01.00.002-187.01.00.002 Труба 181.01.00.004 Патрубок 181.01.00.005 Бобышка 181.01.00.007-187.01.007 Переходник 181.01.00.006-187.01.00.006 Диск 181.01.00.010 Бобышка 181.01.00.008-187.01.00.008 Конус 181.02.00.005-187.02.00.005 Конус 181.03.00.001-187.03.00.001 Кольцо 181.01.00.009-187.01.00.009 Кольцо 181.02.00.002-187.02.00.002 Труба 181.03.00.003-187.03.00.003 Кольцо 181.03.00.002-187.03.00.002 Конус 181.02.00.003-187.02.00.003 Обечайка 181.00.00.001 Штуцер 181.02.00.004-187.02.00.004 Диск 181.00.00.000-187.00.00.000 Труба вентури Ду600,500,300,250,200. Спецификация 181.03.00.000-187.03.00.000 Конус выходной. Спецификация 181.02.00.000-187.02.00.000 Горловина. Спецификация 181.01.00.000-187.01.00.000 Конус входной. Спецификация 181-187 ПЗ Техническая характеристики, указания по применению труб вентури, технические условия на изготовление 181-187 РР Расчет труб вентури |
| Разработан: | ЦНИИЭП инженерного оборудования |
| Утверждён: | 27.10.1972 Госгражданстрой (Gosgrazhdanstroy 205) |
| Заменяет собой: |
|






















