Скачать Типовой проект 903-2-12 Альбом V. Часть 2. Задание заводу-изготовителю на щиты крупноблочныеДата актуализации: 01.01.2021
|
| Обозначение: | Типовой проект 903-2-12 |
| Обозначение англ: | 903-2-12 |
| Статус: | действует |
| Название рус.: | Альбом V. Часть 2. Задание заводу-изготовителю на щиты крупноблочные |
| Дата добавления в базу: | 01.09.2013 |
| Дата актуализации: | 01.01.2021 |
| Дата введения: | 08.05.1979 |
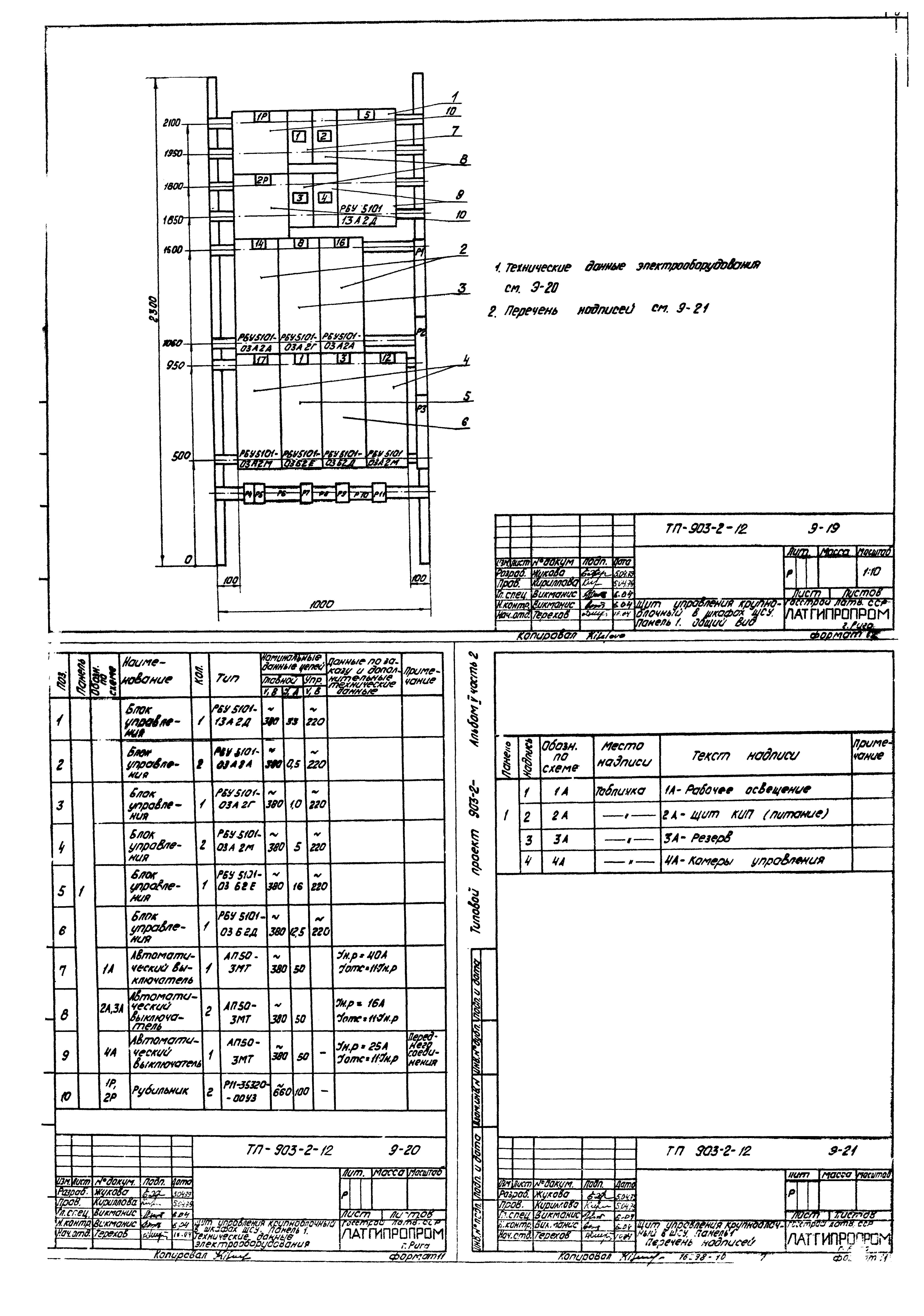
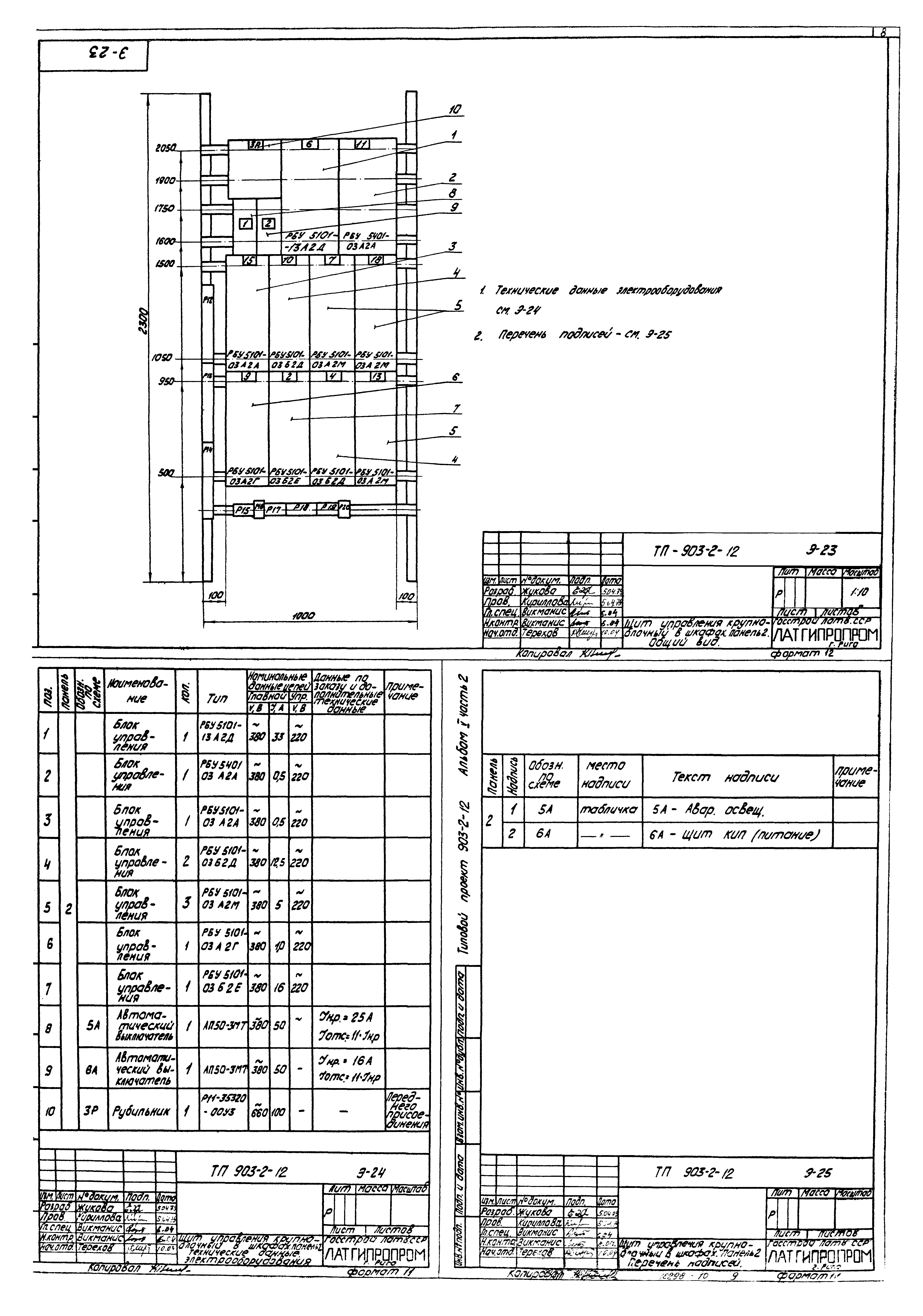
| Оглавление: | Э-14 Содержание альбома Э-15 Общие данные Э-16 Щит управления крупноблочный в шкафах ЩСУ. Общий вид Э-17 Щит управления крупноблочный в шкафах ЩСУ. Технические данные электрооборудования Э-18 Лист 1,2 Щит управления крупноблочный в шкафах ЩСУ. Схема соединений Э-19 Щит управления крупноблочный в шкафах ЩСУ. Панель 1. Общий вид Э-20 Щит управления крупноблочный в шкафах ЩСУ. Панель 1. Технические данные электрооборудования Э-21 Щит управления крупноблочный в шкафах ЩСУ. Панель 1. Перечень надписей Э-22 Щит управления крупноблочный в шкафах ЩСУ. Панель 1. Схема соединений Э-23 Щит управления крупноблочный в шкафах ЩСУ. Панель 2. Общий вид Э-24 Щит управления крупноблочный в шкафах ЩСУ. Панель 2. Технические данные электрооборудования Э-25 Щит управления крупноблочный в шкафах ЩСУ. Панель 2. Перечень надписей Э-26 Щит управления крупноблочный в шкафах ЩСУ. Панель 2. Схема соединений |
| Разработан: | Латгипропром |
| Утверждён: | 07.06.1977 Главпромстройпроект Госстроя СССР (33) |










