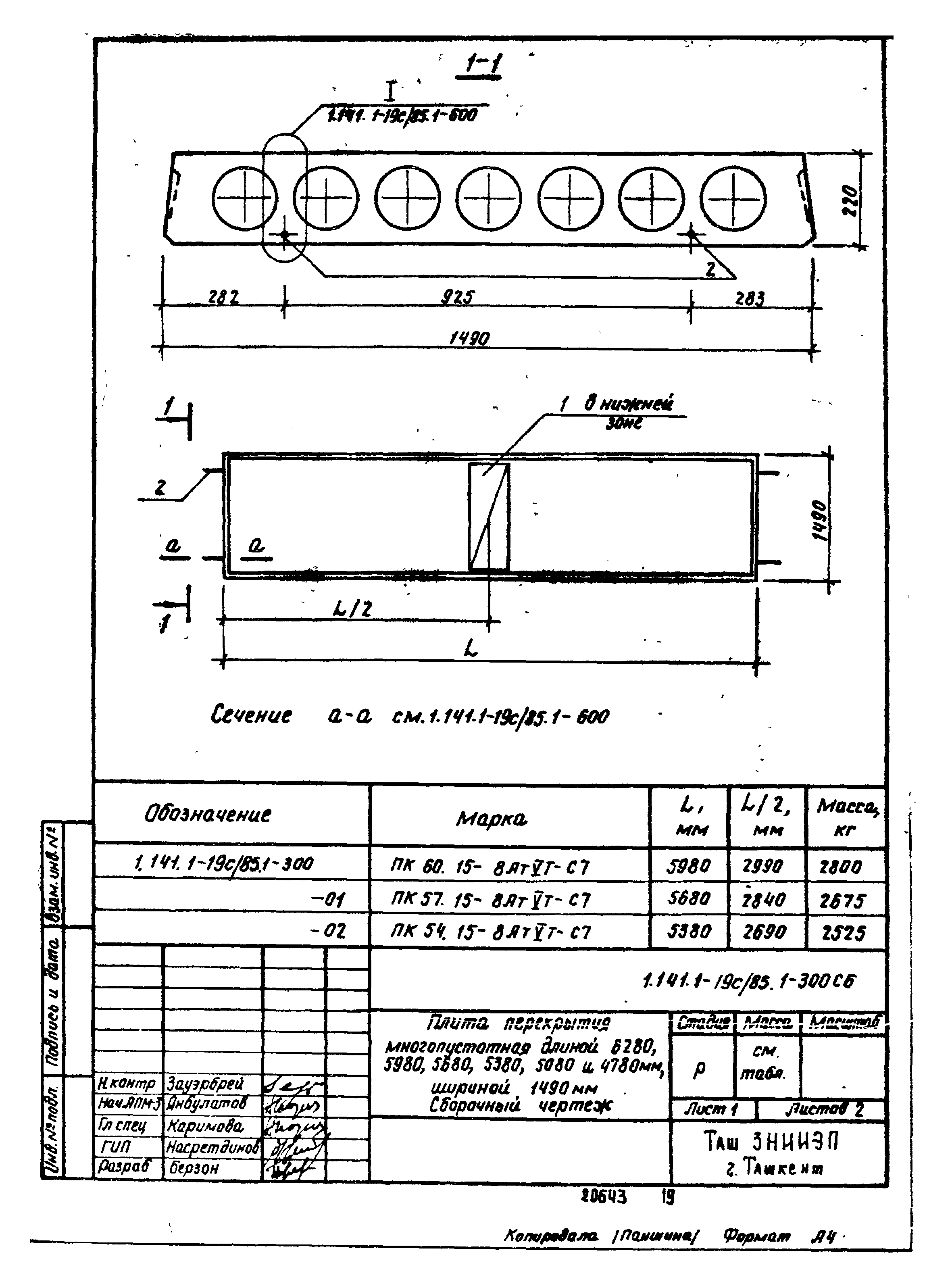
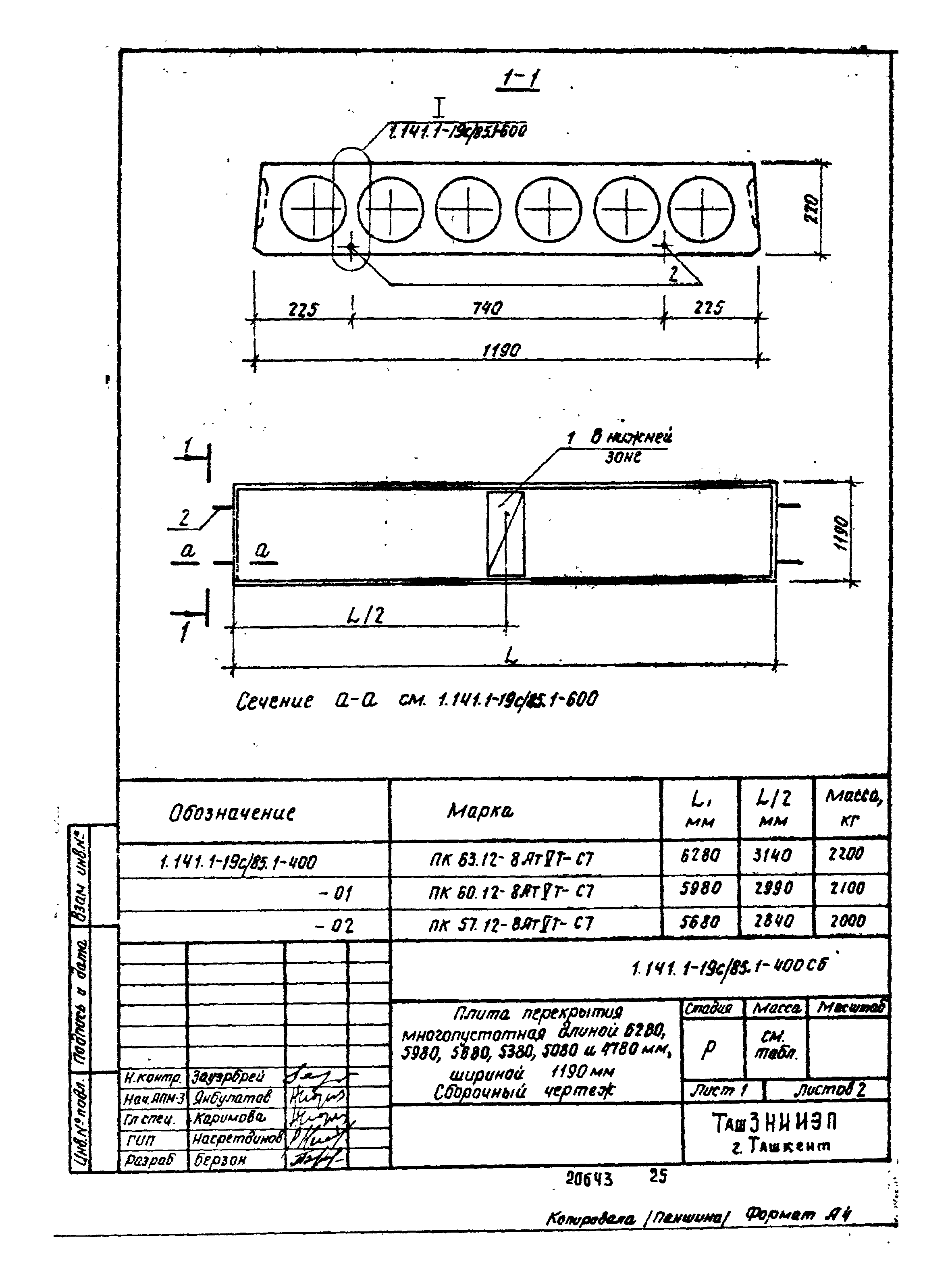
Скачать Серия 1.141.1-19с/85 Выпуск 1. Предварительно напряженные плиты перекрытий с круглыми пустотами длиной 6280, 5980, 5680, 5380, 5080 и 4780 мм, шириной 1790, 1490, 1190 и 990 мм для строительства в районах сейсмичностью 7 баллов. Метод натяжения - электротермический. Рабочие чертежиДата актуализации: 01.01.2021 Серия 1.141.1-19с/85
Выпуск 1. Предварительно напряженные плиты перекрытий с круглыми пустотами длиной 6280, 5980, 5680, 5380, 5080 и 4780 мм, шириной 1790, 1490, 1190 и 990 мм для строительства в районах сейсмичностью 7 баллов. Метод натяжения - электротермический. Рабочие чертежи| Обозначение: | Серия 1.141.1-19с/85 | | Обозначение англ: | Series 1.141.1-19с/85 | | Статус: | не действует | | Название рус.: | Выпуск 1. Предварительно напряженные плиты перекрытий с круглыми пустотами длиной 6280, 5980, 5680, 5380, 5080 и 4780 мм, шириной 1790, 1490, 1190 и 990 мм для строительства в районах сейсмичностью 7 баллов. Метод натяжения - электротермический. Рабочие чертежи | | Дата добавления в базу: | 01.09.2013 | | Дата актуализации: | 01.01.2021 | | Дата введения: | 01.09.1985 | | Дата окончания срока действия: | 01.10.1988 | | Разработан: | ТашЗНИИЭП Госгражданстроя
| | Утверждён: | 17.07.1985 Госгражданстрой (Gosgrazhdanstroy 208)
|
                                         
|