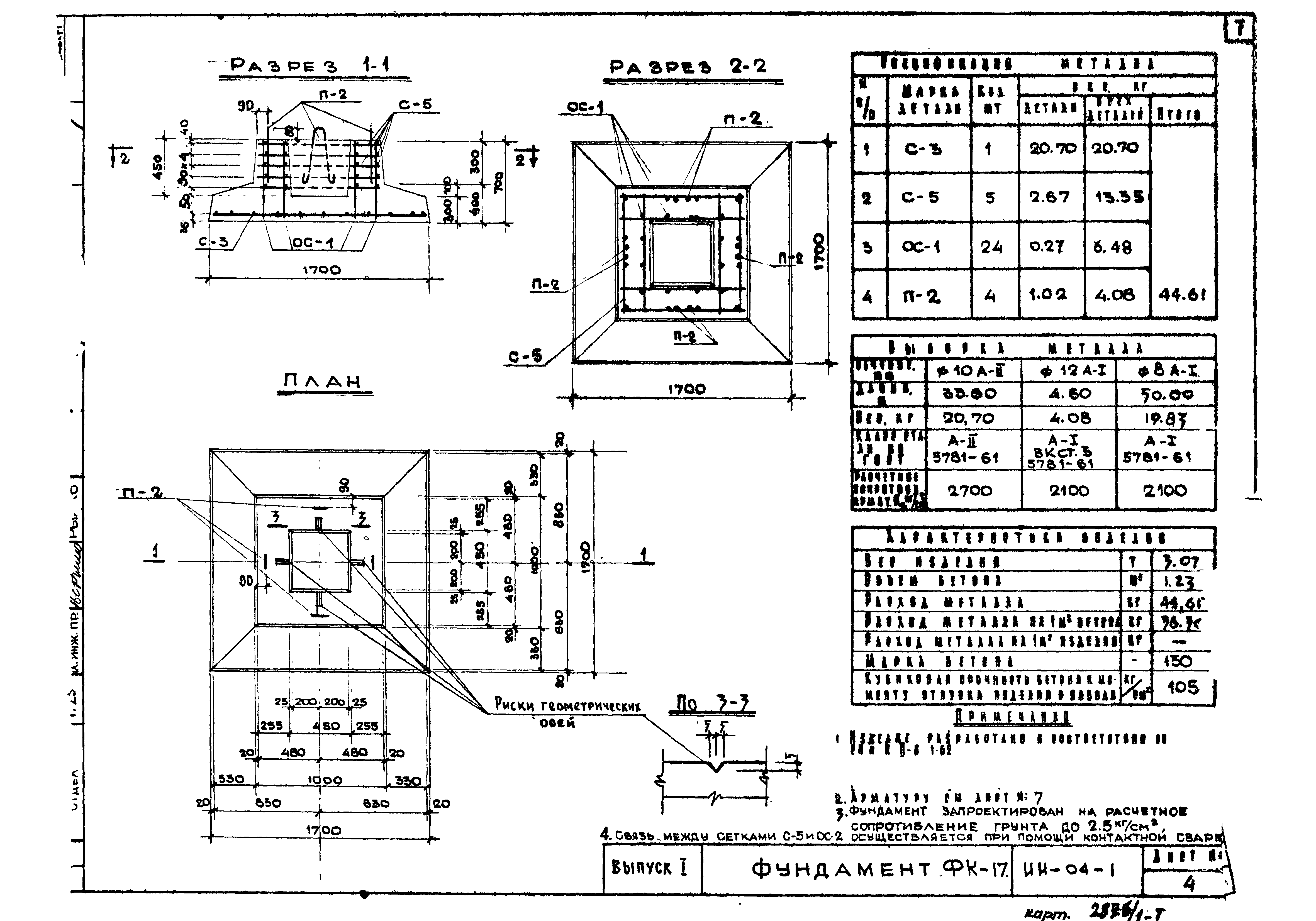
Скачать Серия ИИ-04-1 Выпуск I. Фундаменты. Железобетонные башмаки для зданий 1 - 4 этажаДата актуализации: 01.01.2021 Серия ИИ-04-1
Выпуск I. Фундаменты. Железобетонные башмаки для зданий 1 - 4 этажа| Обозначение: | Серия ИИ-04-1 | | Обозначение англ: | Series ИИ-04-1 | | Статус: | не действует | | Название рус.: | Выпуск I. Фундаменты. Железобетонные башмаки для зданий 1 - 4 этажа | | Дата добавления в базу: | 01.09.2013 | | Дата актуализации: | 01.01.2021 | | Разработан: | МИТЭП
| | Утверждён: | 28.10.1964 Государственный комитет по гражданскому строительству и архитектуре при Госстрое СССР (214)
| | Издан: | ЦИТП Госстроя СССР (CITP, Gosstroy (USSR) 1964 г. )
|
                
|