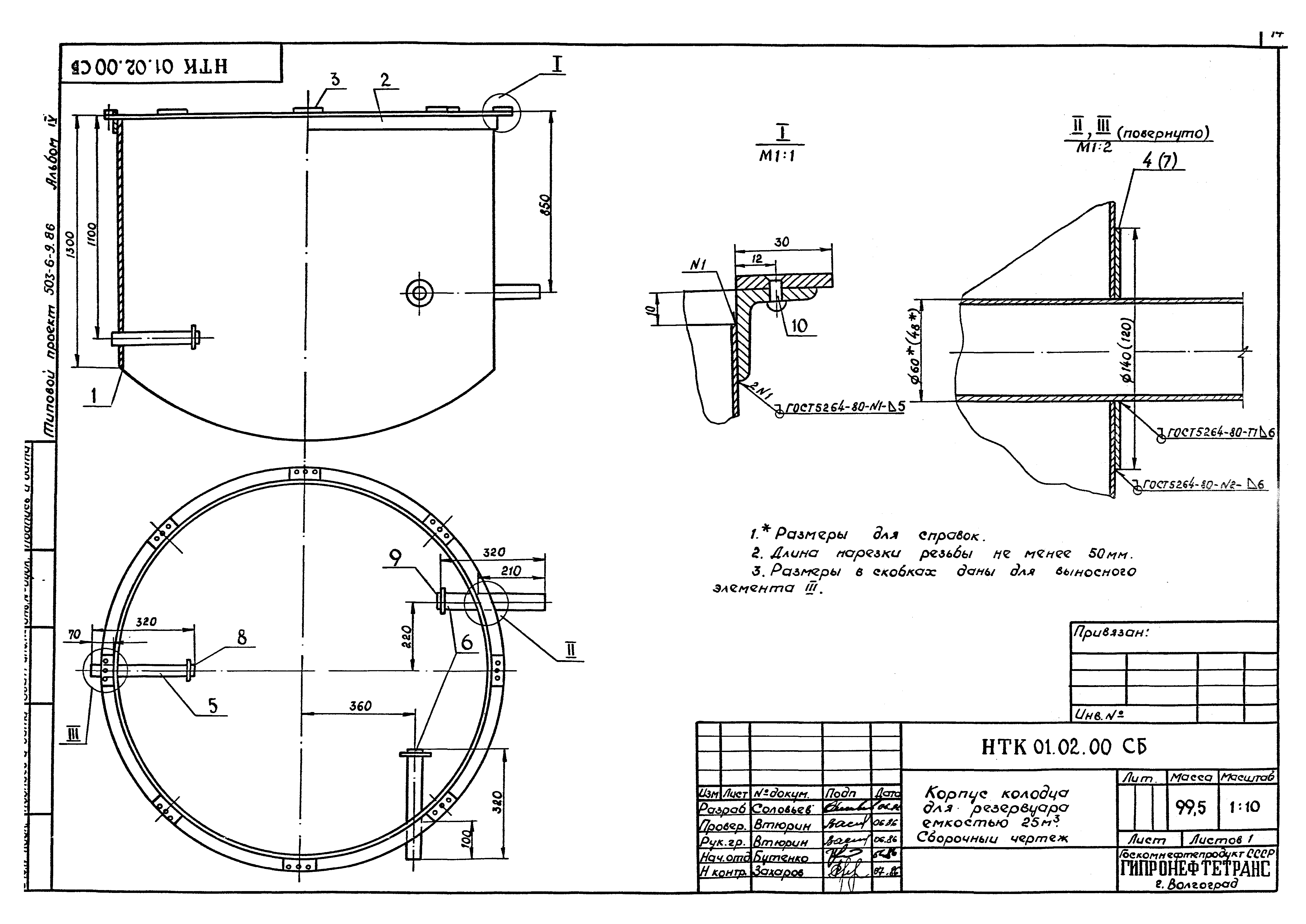
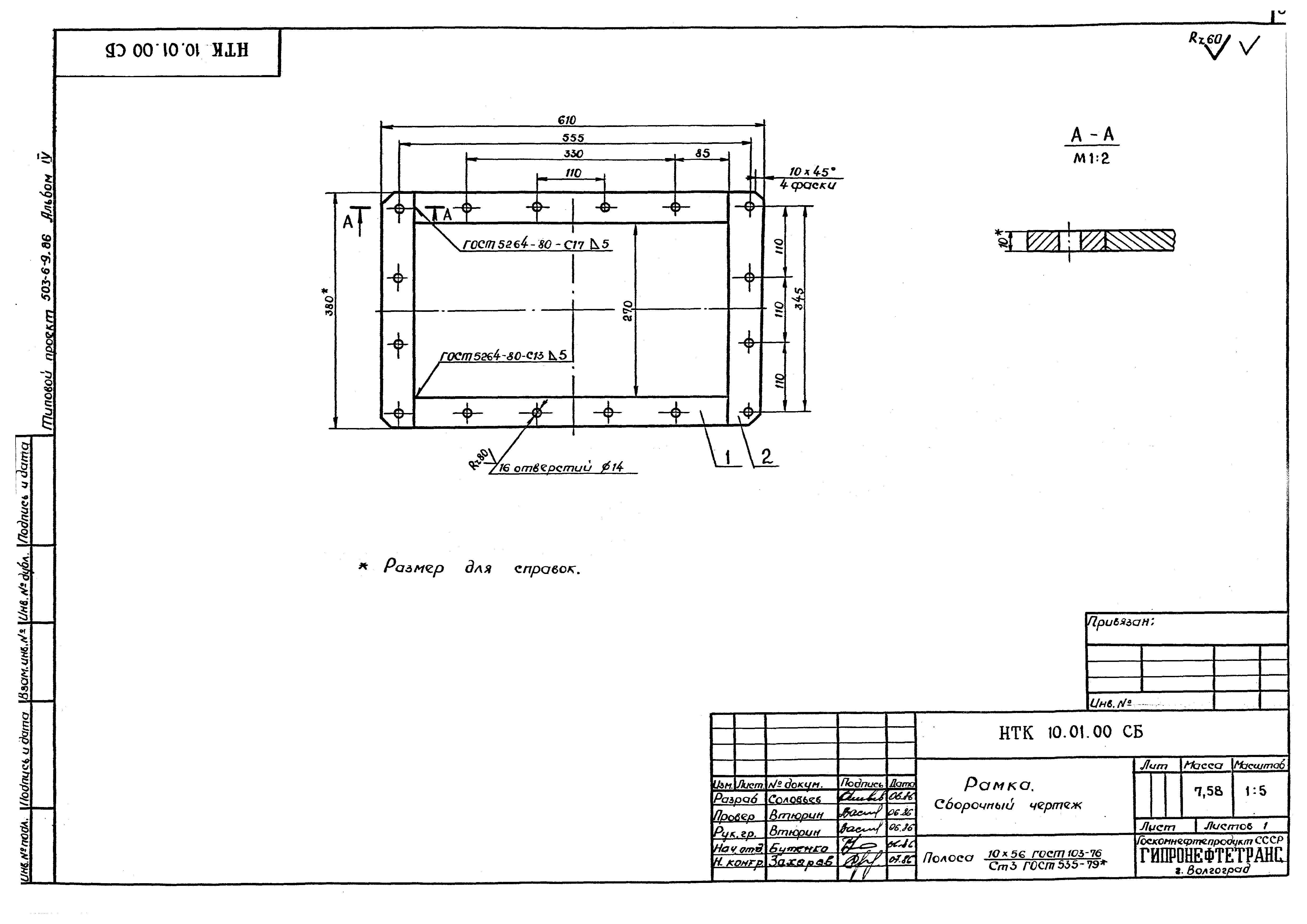
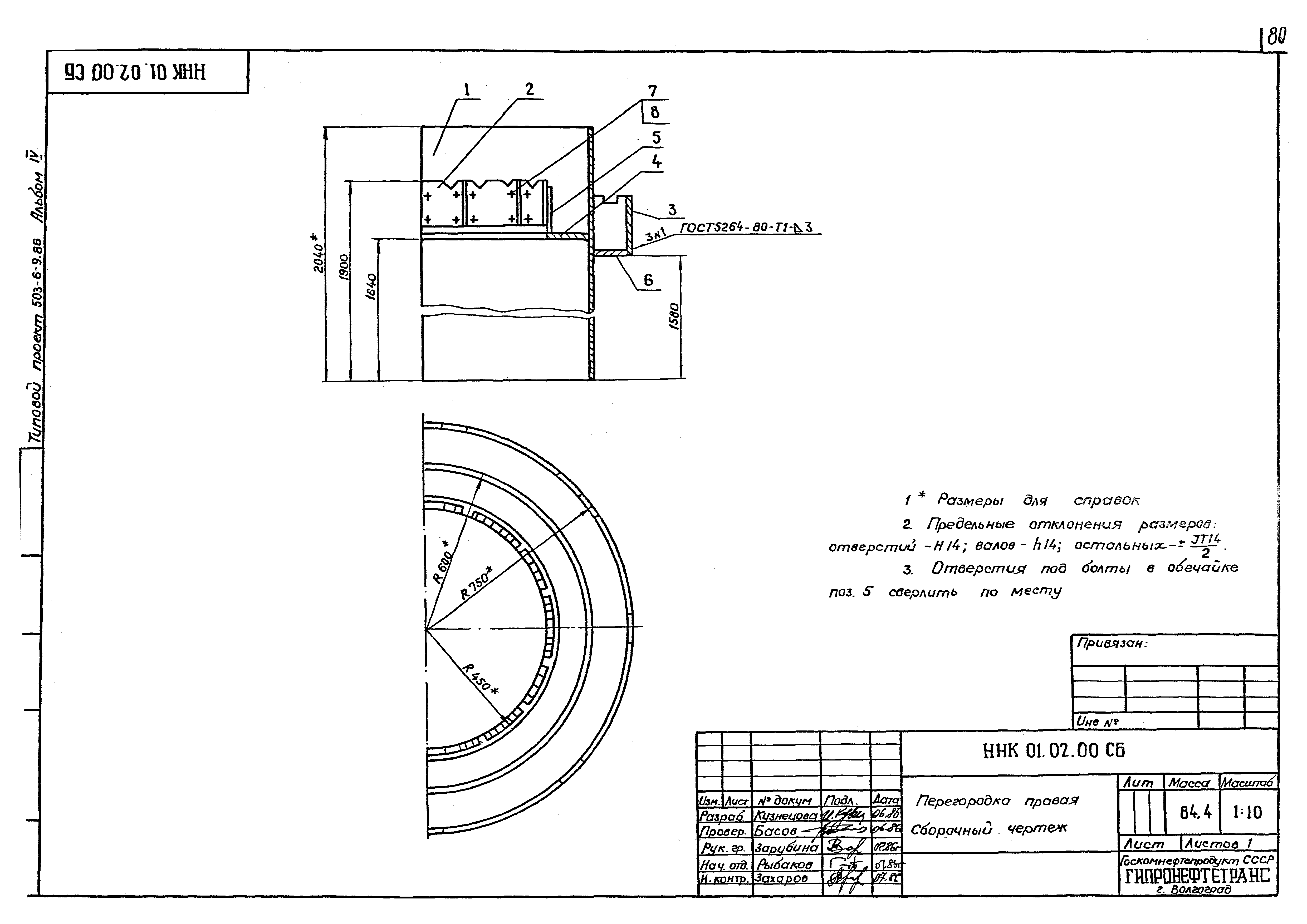
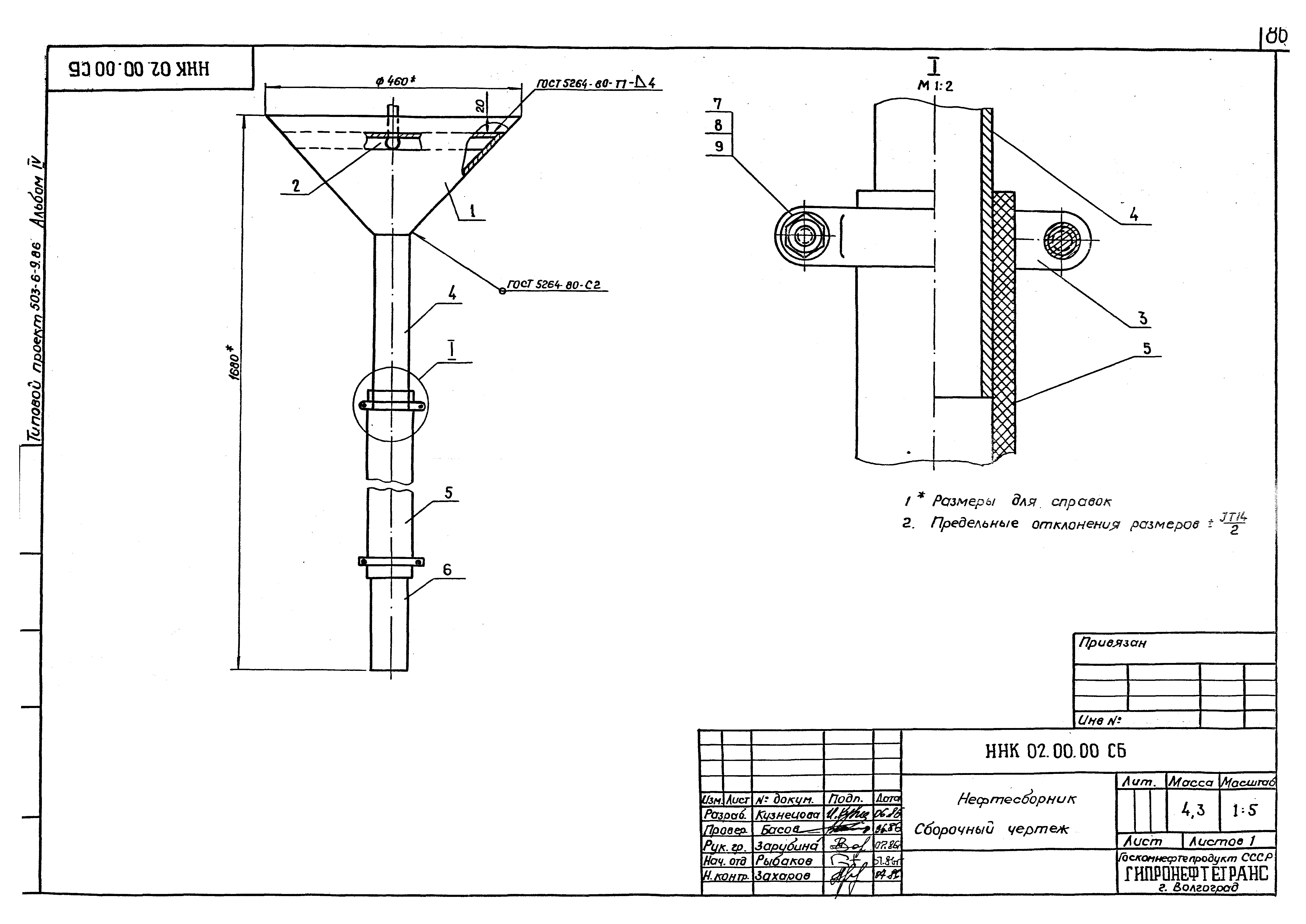
Скачать Типовой проект 503-6-9.86 Альбом IV. Нестандартизированное оборудованиеДата актуализации: 01.01.2021
|
| Обозначение: | Типовой проект 503-6-9.86 |
| Обозначение англ: | 503-6-9.86 |
| Статус: | не определен законодательством |
| Название рус.: | Альбом IV. Нестандартизированное оборудование |
| Дата добавления в базу: | 01.09.2013 |
| Дата актуализации: | 01.01.2021 |
| Дата введения: | 03.06.1986 |
| Дата окончания срока действия: | 30.06.2003 |
| Разработан: | Гипронефтетранс |
| Утверждён: | 23.04.1986 Госкомнефтепродукт СССР (24-13-5) |





































































































