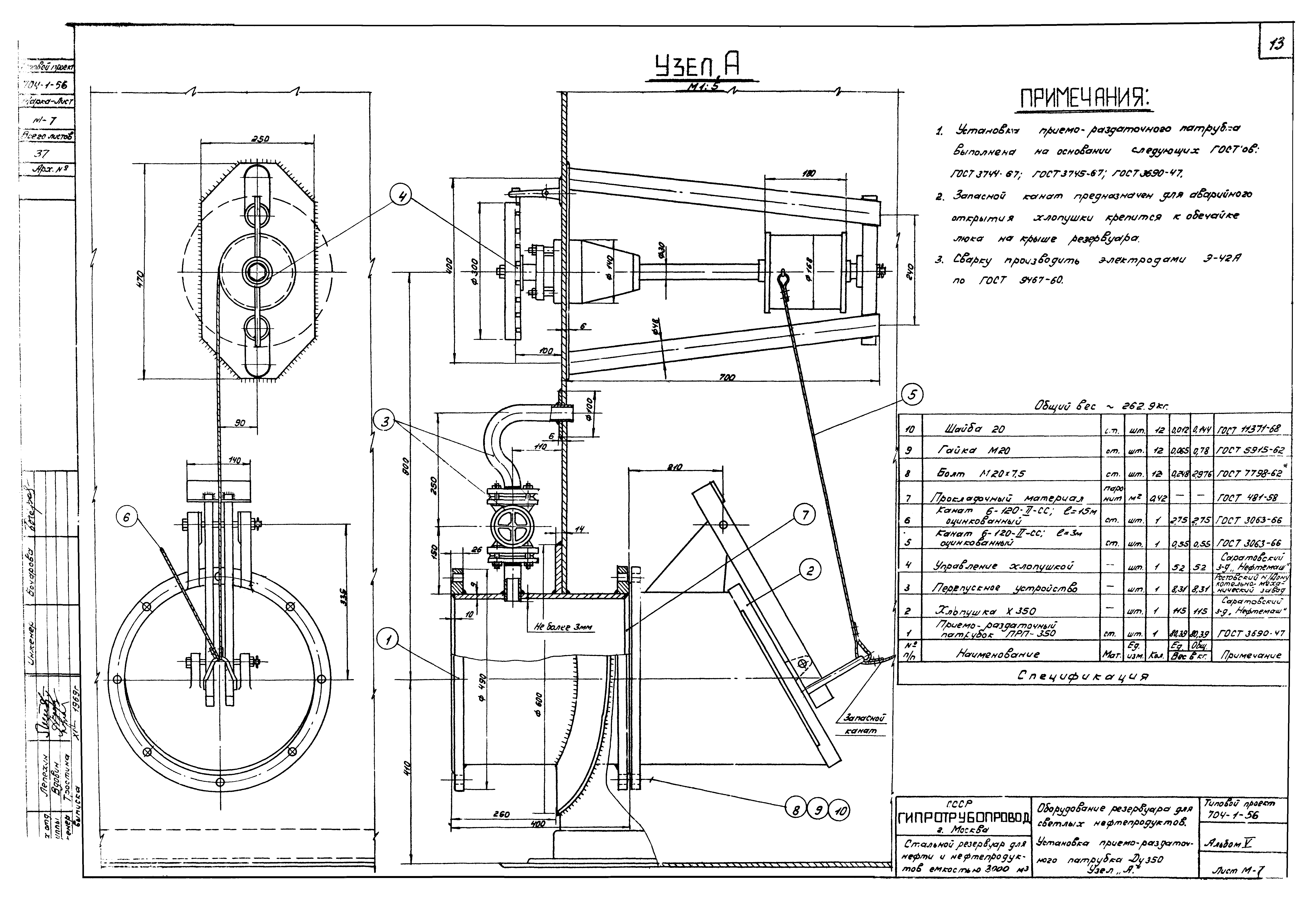
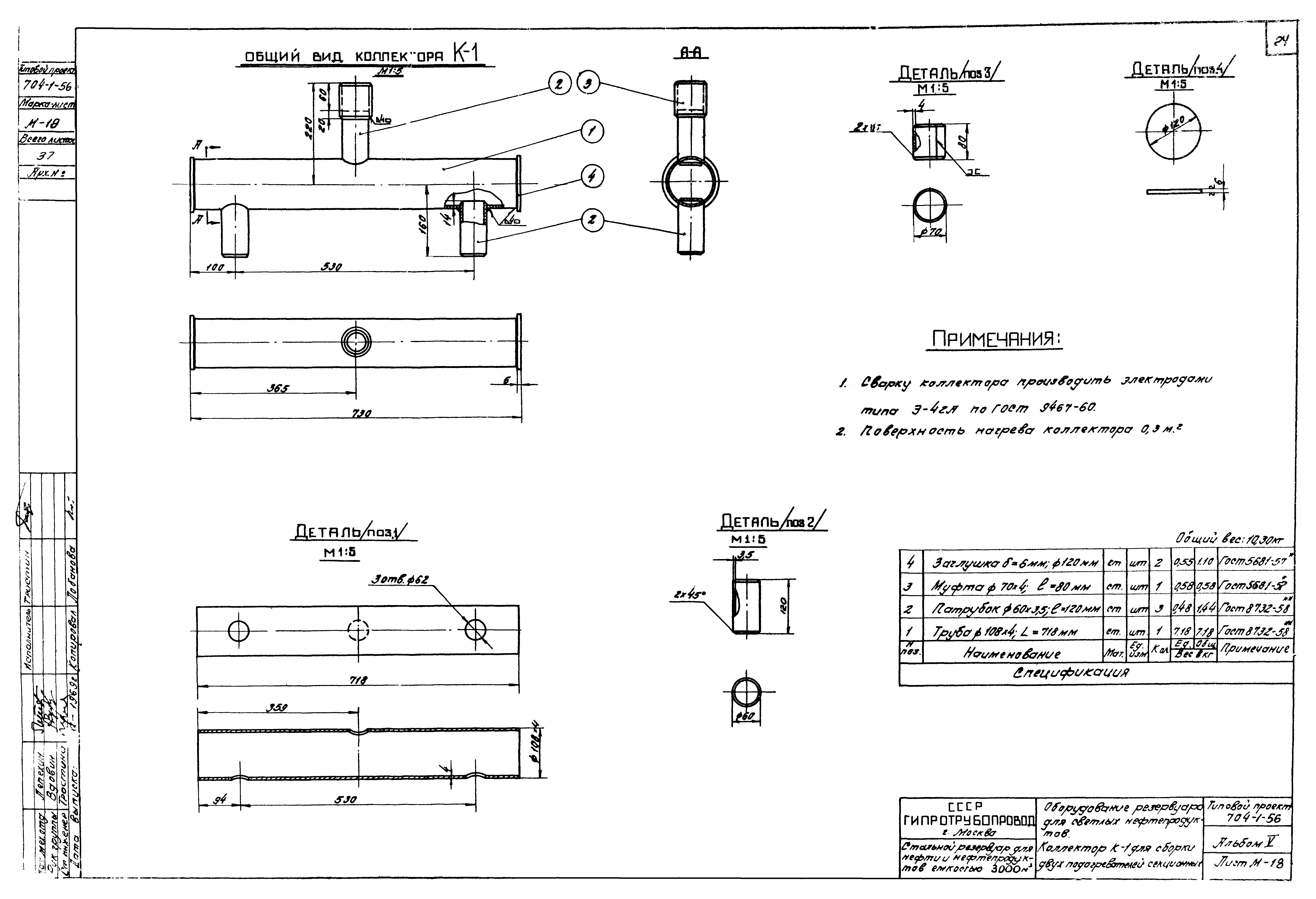
Скачать Типовой проект 704-1-56 Альбом V. Оборудование резервуара для светлых нефтепродуктовДата актуализации: 01.01.2021 Типовой проект 704-1-56
Альбом V. Оборудование резервуара для светлых нефтепродуктов| Обозначение: | Типовой проект 704-1-56 | | Обозначение англ: | 704-1-56 | | Статус: | не действует | | Название рус.: | Альбом V. Оборудование резервуара для светлых нефтепродуктов | | Дата добавления в базу: | 01.09.2013 | | Дата актуализации: | 01.01.2021 | | Разработан: | ЦНИИпроектстальконструкция
| | Утверждён: | 29.12.1969 ЦНИИпроектстальконструкция (TsNIIprojectstalkonstruktsiya 221)
|
                                    
|