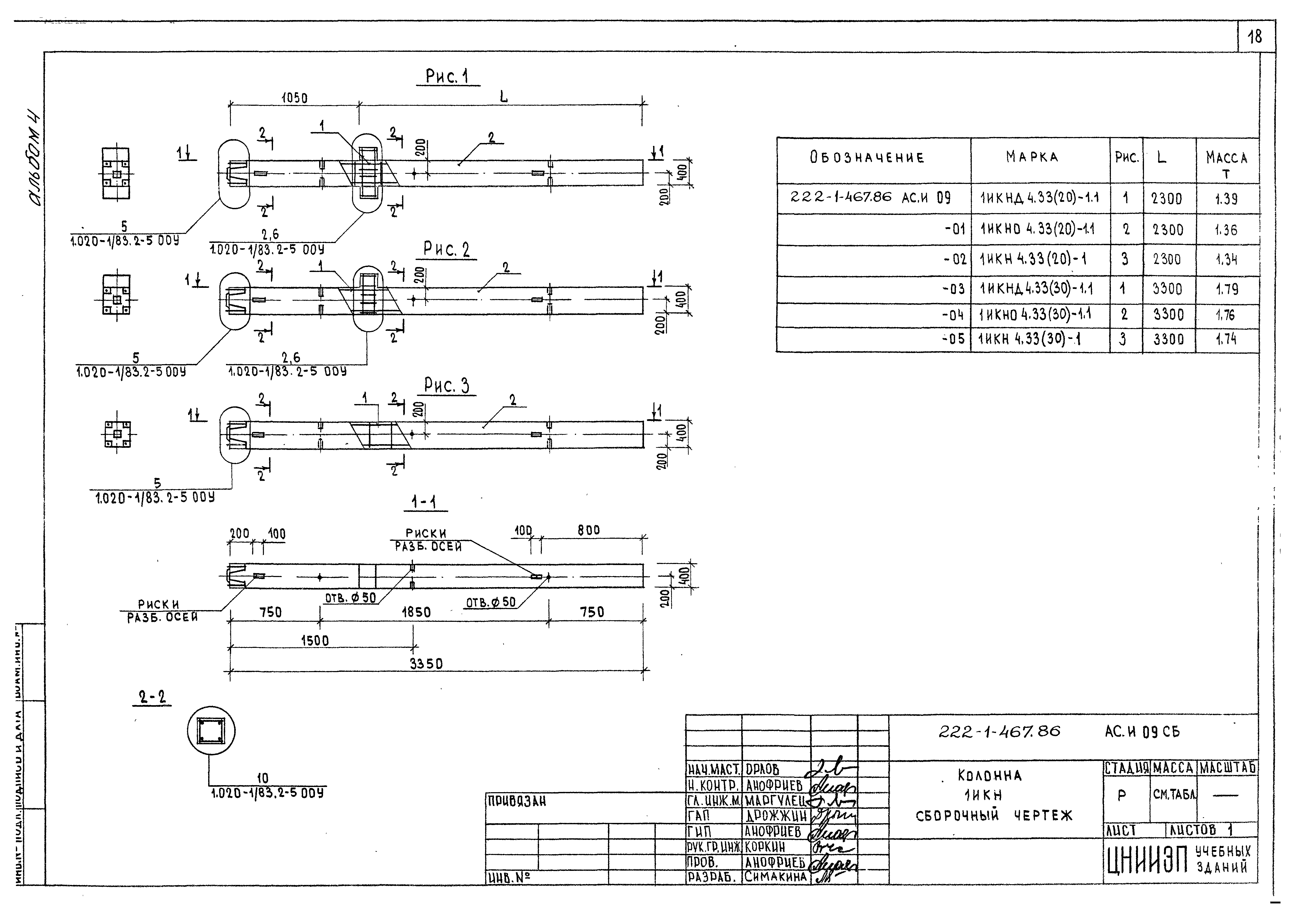
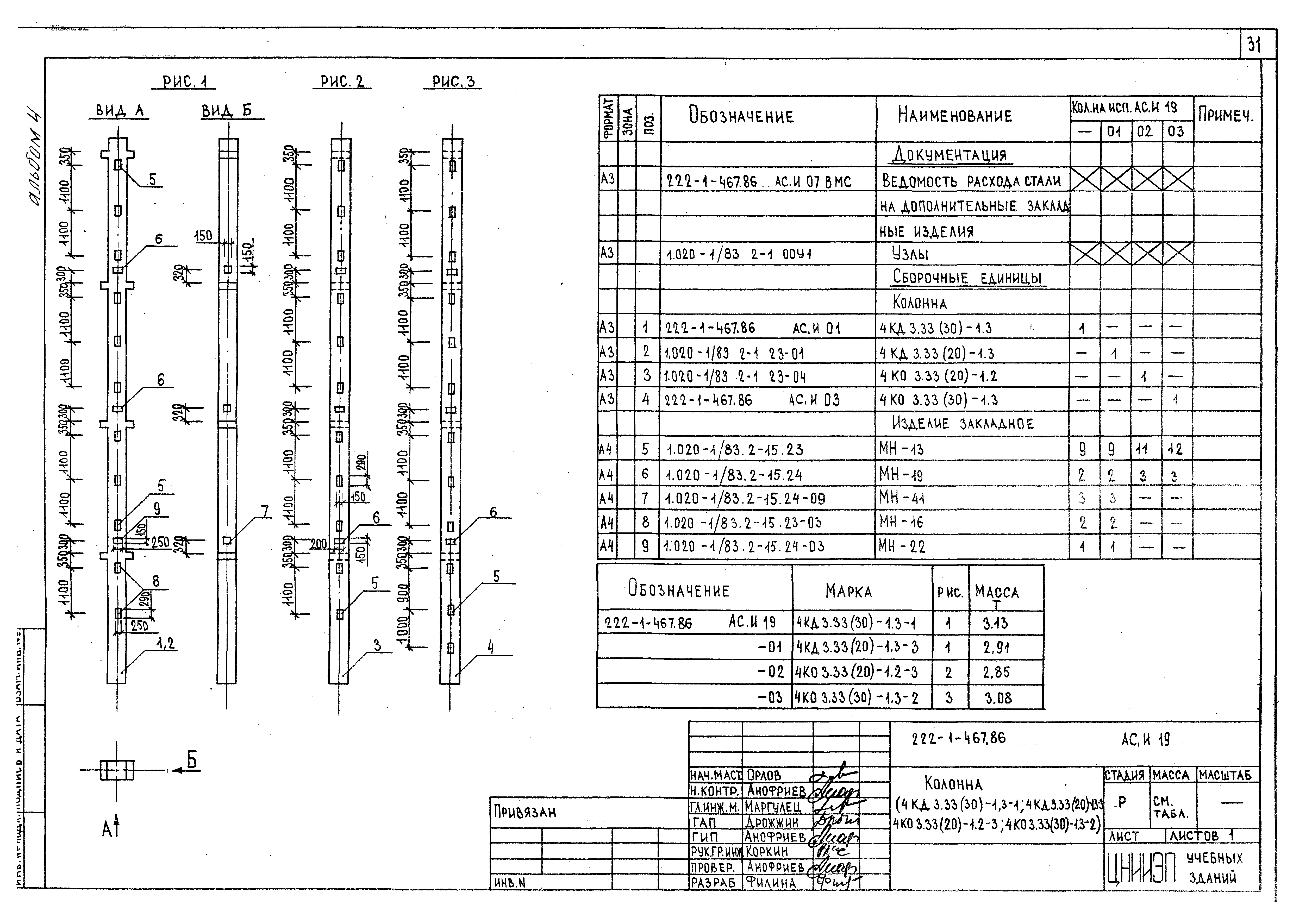
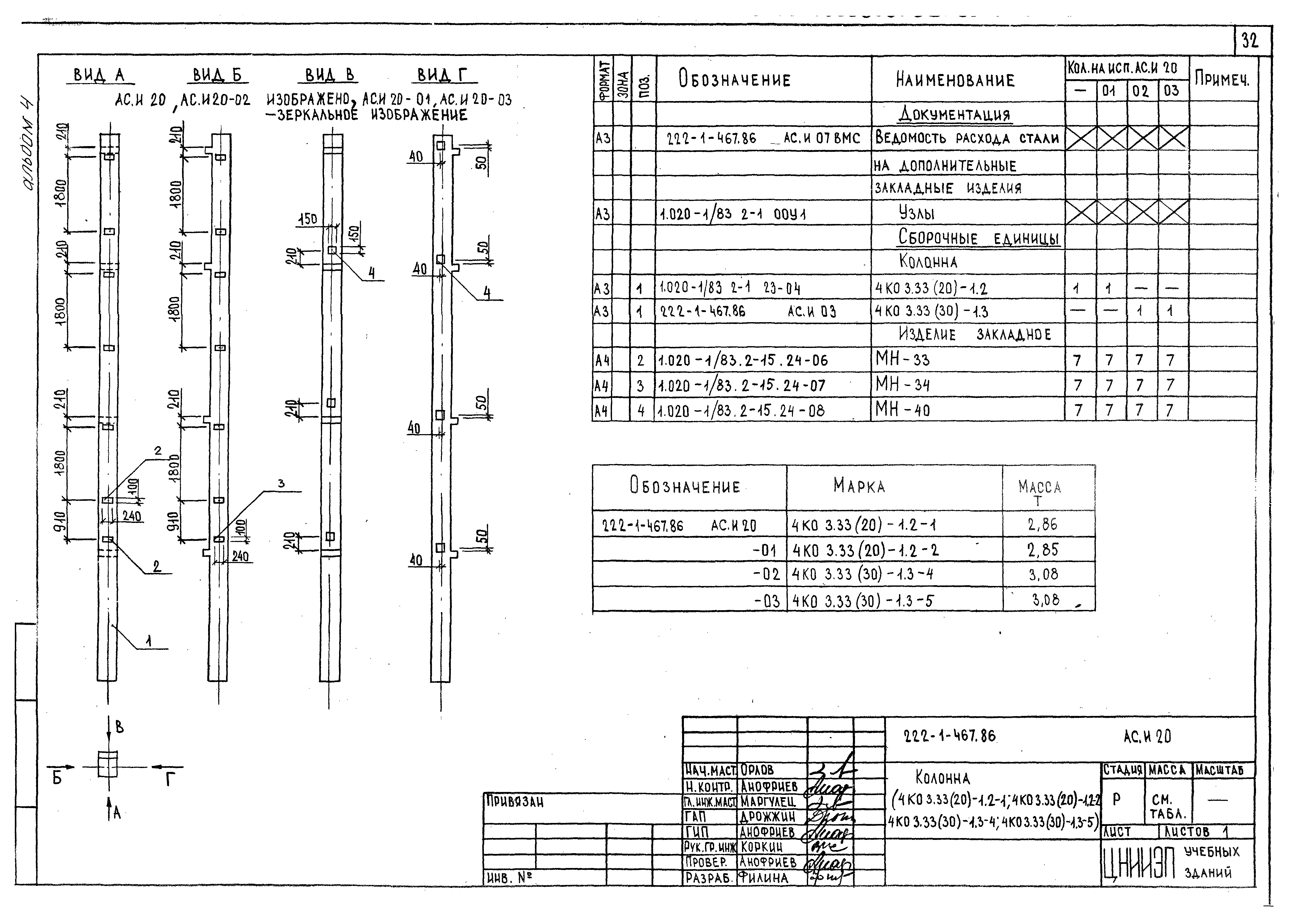
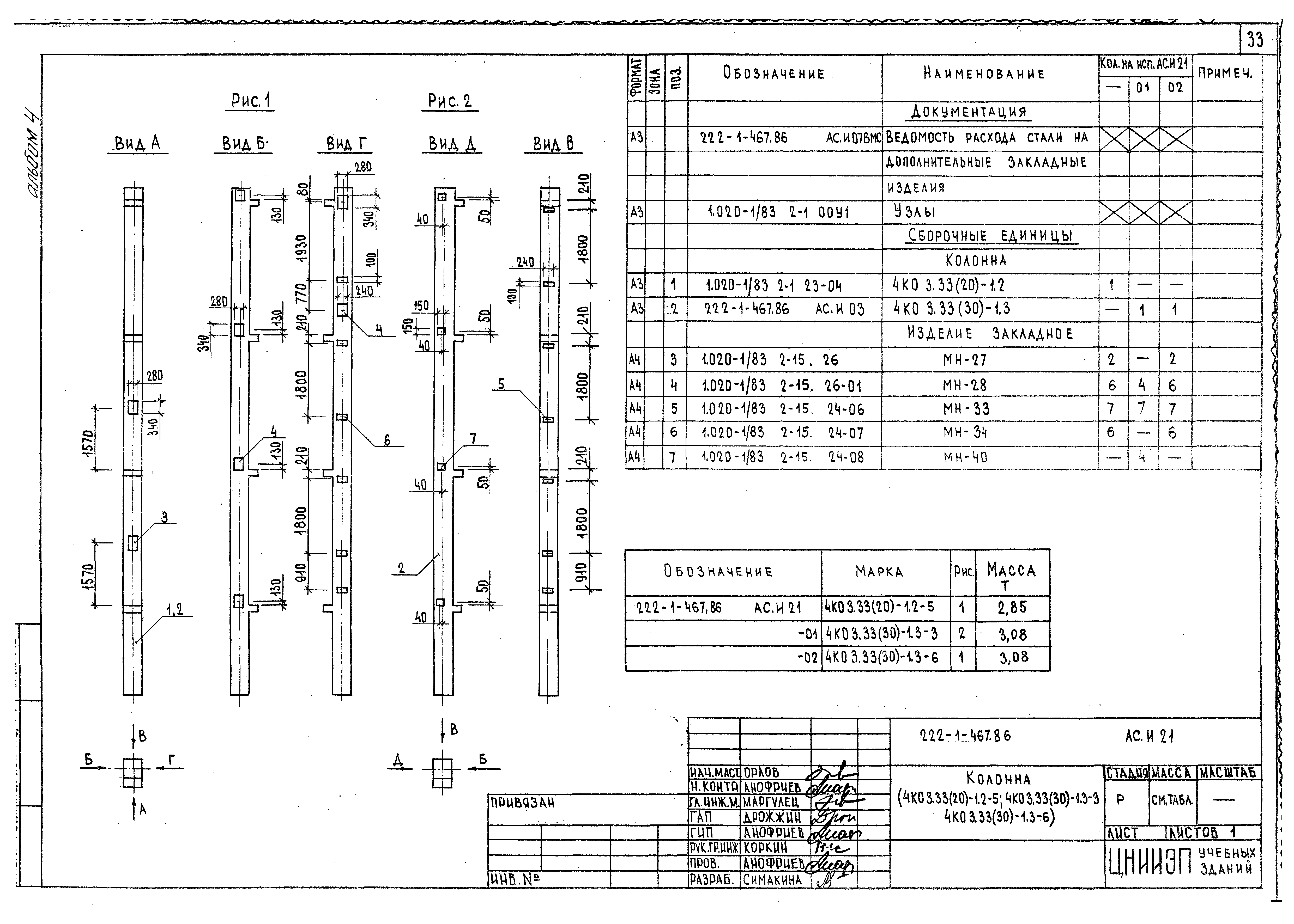
Скачать Типовой проект 222-1-467.86 Альбом IV. Изделия заводского изготовленияДата актуализации: 01.01.2021
|
| Обозначение: | Типовой проект 222-1-467.86 |
| Обозначение англ: | 222-1-467.86 |
| Статус: | не определен законодательством |
| Название рус.: | Альбом IV. Изделия заводского изготовления |
| Дата добавления в базу: | 01.09.2013 |
| Дата актуализации: | 01.01.2021 |
| Дата введения: | 13.02.1986 |
| Дата окончания срока действия: | 30.06.2003 |
| Разработан: | ЦНИИЭП учебных зданий Госгражданстроя |
| Утверждён: | 20.05.1983 Госгражданстрой (Gosgrazhdanstroy 153) |



















































































