Скачать Типовой проект 503-1-43.86 Альбом V. Книга 1. СметыДата актуализации: 01.01.2021
|
| Обозначение: | Типовой проект 503-1-43.86 |
| Обозначение англ: | 503-1-43.86 |
| Статус: | не определен законодательством |
| Название рус.: | Альбом V. Книга 1. Сметы |
| Дата добавления в базу: | 01.09.2013 |
| Дата актуализации: | 01.01.2021 |
| Дата введения: | 23.09.1985 |
| Дата окончания срока действия: | 30.06.2003 |
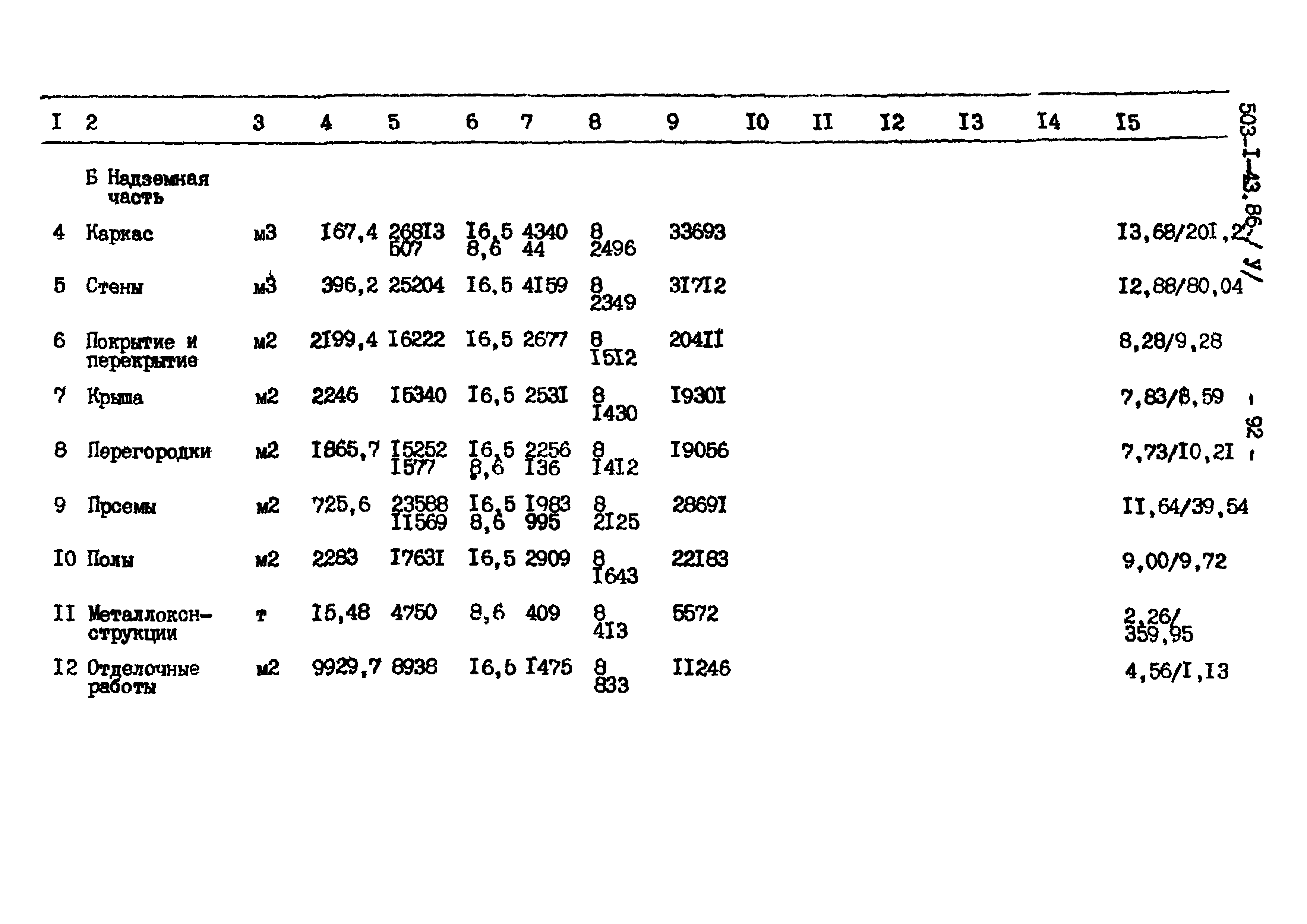
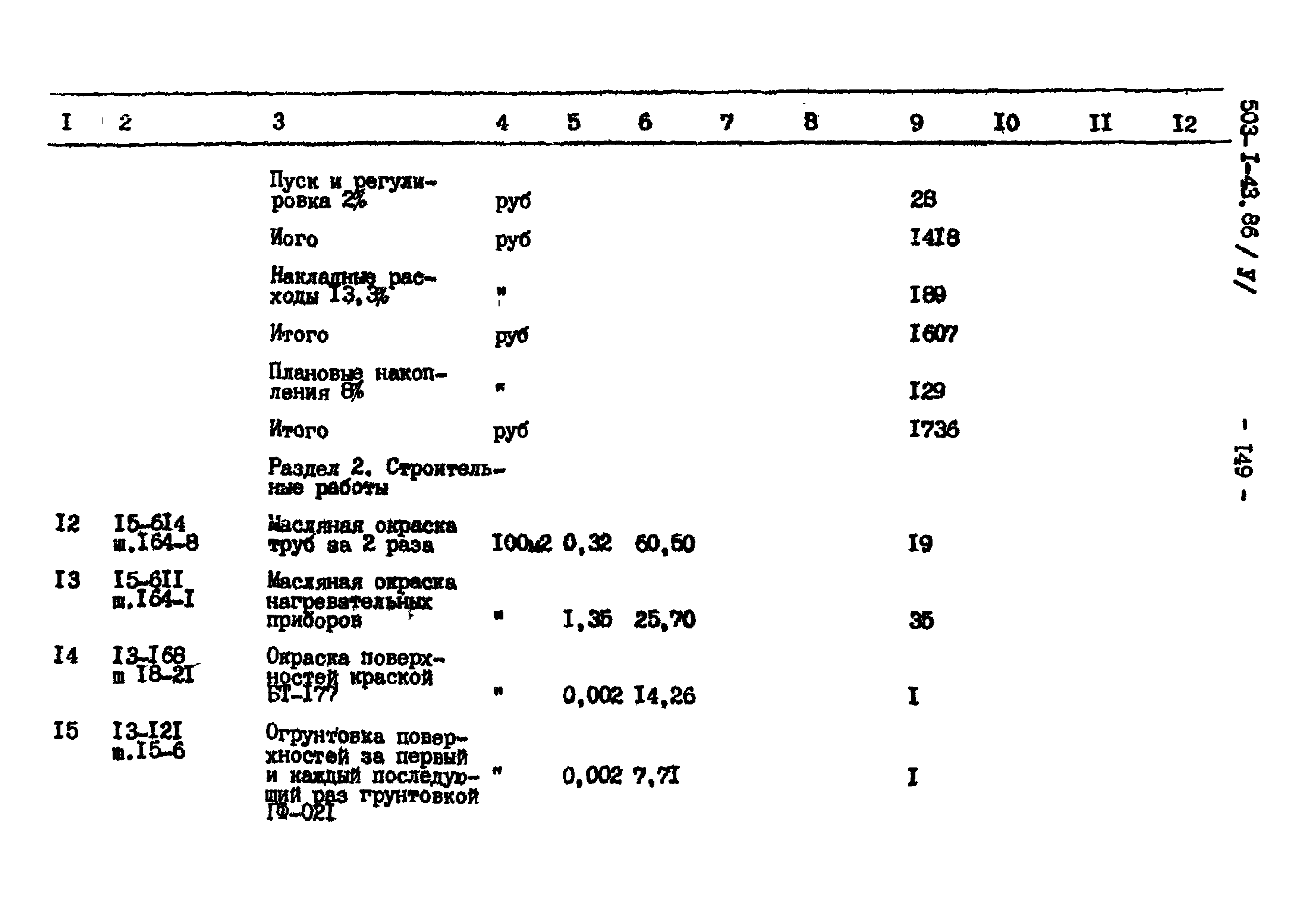
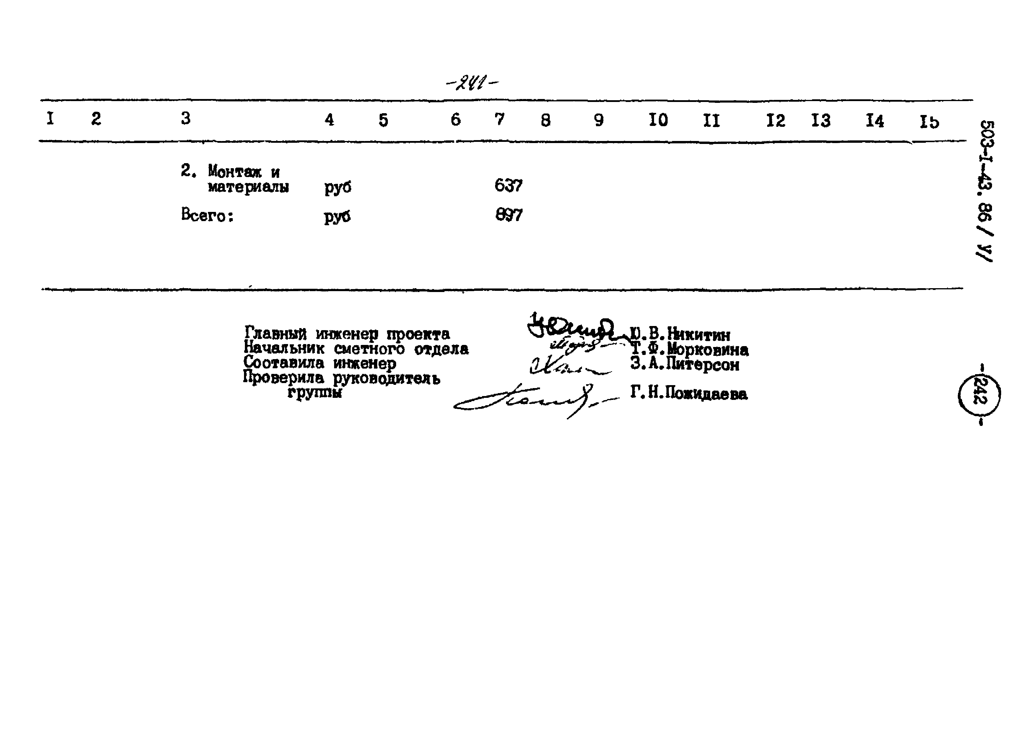
| Оглавление: | Пояснительная записка Объектная смета №1 производственного корпуса на 150 грузовых автомобилей для южных районов при температуре минус 20 градусов Цельсия, весе снегового покрова для I, скоростном напоре ветра для III географических районов Локальная смета №1-1. Общестроительные работы производственного корпуса Локальная смета №1-2. Камера с фильтром Локальная смета №1-3. Колодец-нейтрализатор Локальная смета №1-4. Колодец с задвижкой Локальная смета №1-5. Отстойный колодец с маслоуловителем Локальная смета №1-6. Водопровод хозяйственно-питьевой Локальная смета №1-7. Горячее водоснабжение Локальная смета №1-8. Внутренние водостоки (вариант выпуска в сеть канализации) Локальная смета №1-10. Производственная канализация Локальная смета №1-11. Производственная канализация кислых вод Локальная смета №1-12. Канализация механически загрязненных вод Локальная смета №1-13. Производственная канализация щелочных вод Локальная смета №1-14. Бытовая канализация Локальная смета №1-15. Трубопроводы сжатого воздуха Локальная смета №1-16. Отопление Локальная смета №1-17. Теплоснабжение Локальная смета №1-18. Вентиляция Локальная смета №1-19. Электроснабжение Локальная смета №1-20. Силовое электрооборудование Локальная смета №1-21. КИП и автоматика Локальная смета №1-22. Связь и сигнализация |
| Разработан: | Гипроавтотранс |
| Утверждён: | 23.09.1985 Минавтотранс РСФСР (Russian Federation Minavtotrans 42) |


















































































































































































































































