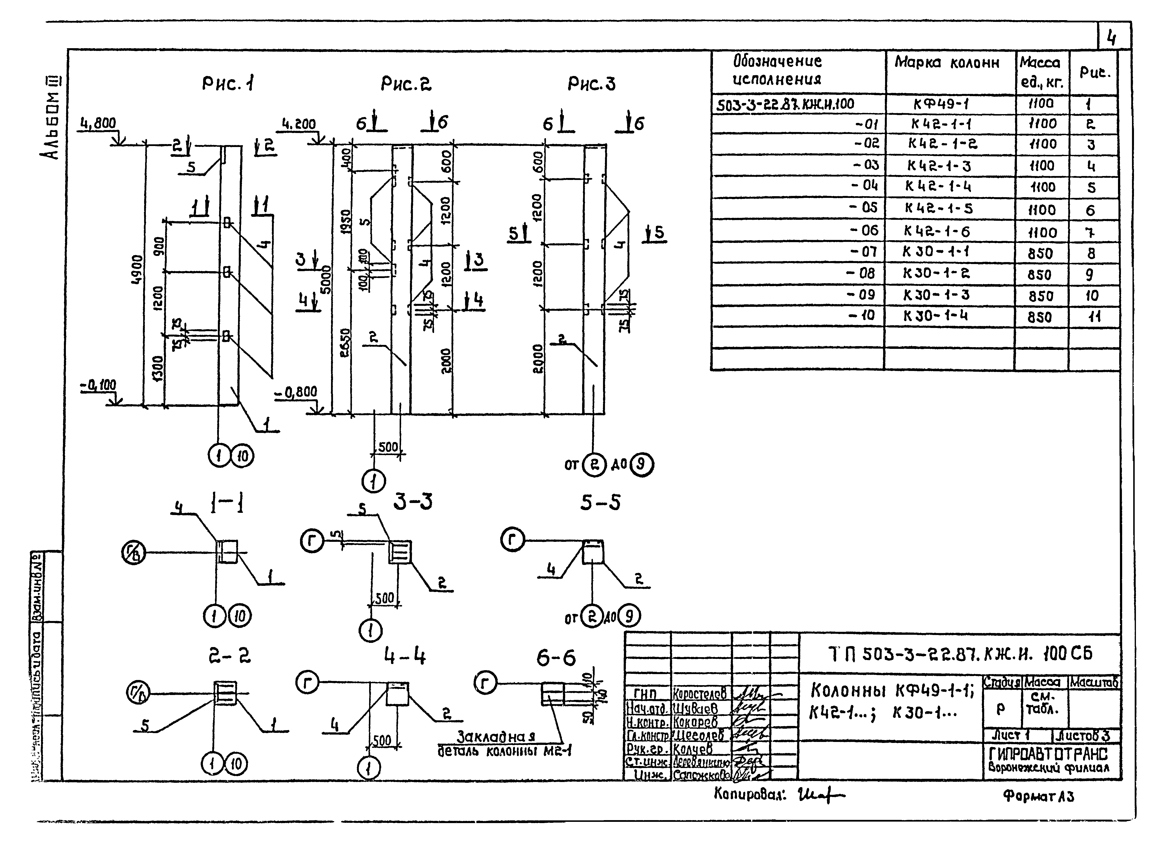
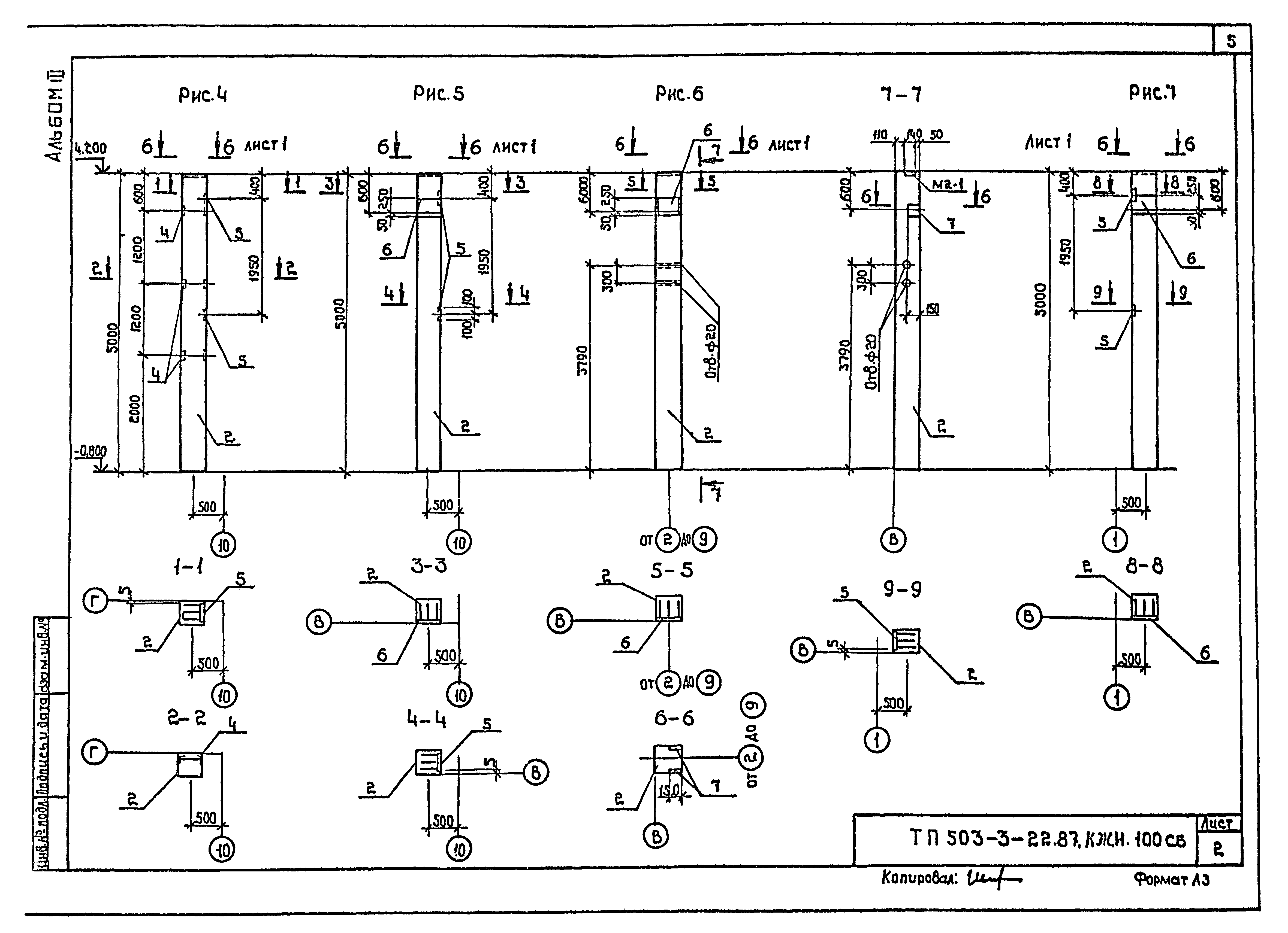
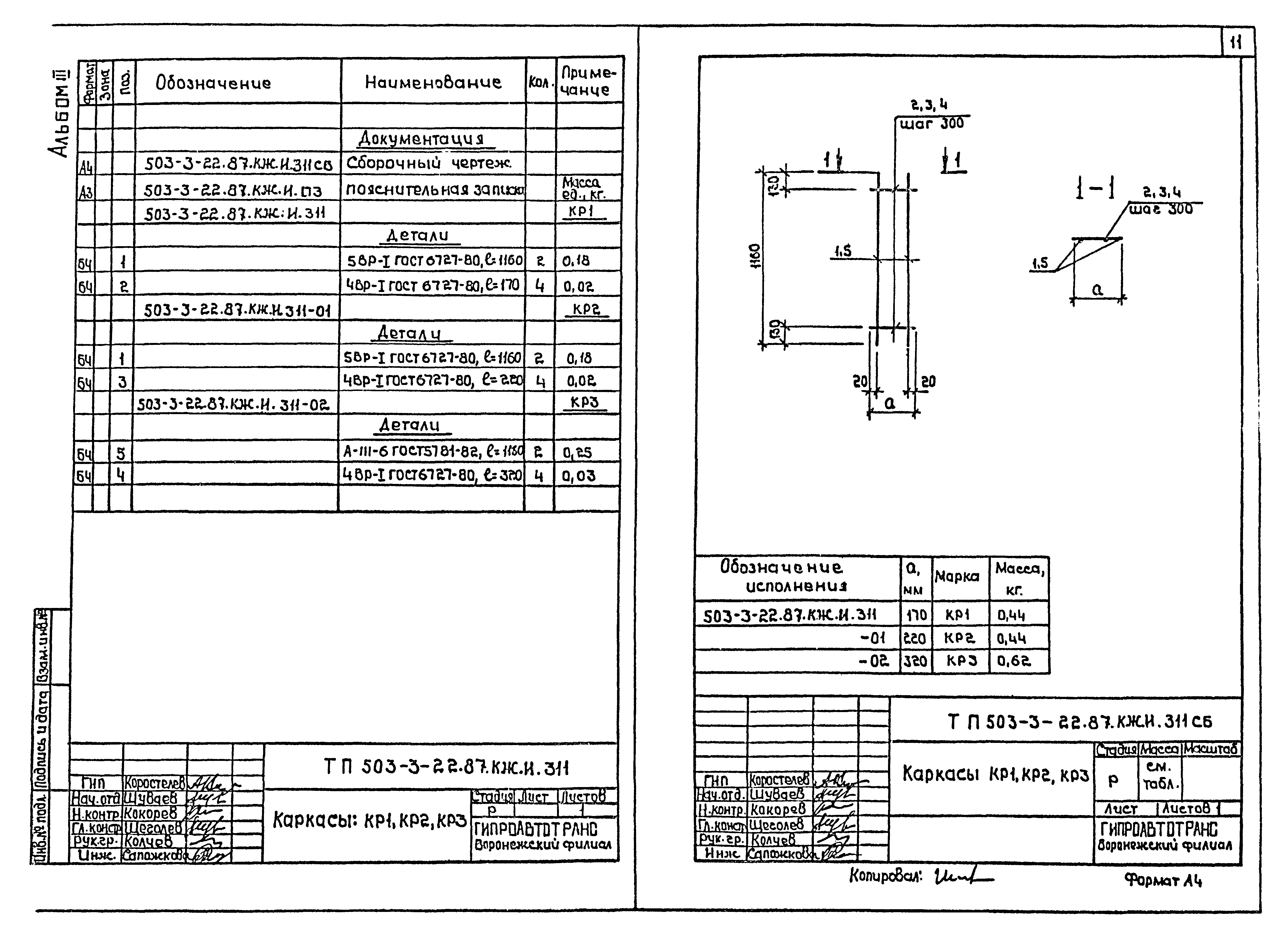
Скачать Типовой проект 503-3-22.87 Альбом III. Строительные изделияДата актуализации: 01.01.2021
|
| Обозначение: | Типовой проект 503-3-22.87 |
| Обозначение англ: | 503-3-22.87 |
| Статус: | не определен законодательством |
| Название рус.: | Альбом III. Строительные изделия |
| Дата добавления в базу: | 01.02.2017 |
| Дата актуализации: | 01.01.2021 |
| Дата введения: | 23.12.1987 |
| Дата окончания срока действия: | 30.06.2003 |
| Разработан: | Гипроавтотранс Минавтотранса РСФСР |
| Утверждён: | 23.12.1987 Минавтотранс РСФСР (Russian Federation Minavtotrans 22) |
| Издан: | ЦИТП Госстроя СССР (CITP, Gosstroy (USSR) 1987 г. ) |
| Заменяет собой: | |
| Нормативные ссылки: |



















