Скачать Типовой проект 704-1-180.85 Альбом III. Оборудование резервуара с понтоном для нефти и нефтепродуктовДата актуализации: 01.01.2021
|
| Обозначение: | Типовой проект 704-1-180.85 |
| Обозначение англ: | 704-1-180.85 |
| Статус: | не определен законодательством |
| Название рус.: | Альбом III. Оборудование резервуара с понтоном для нефти и нефтепродуктов |
| Дата добавления в базу: | 01.09.2013 |
| Дата актуализации: | 01.01.2021 |
| Дата введения: | 13.05.1985 |
| Дата окончания срока действия: | 30.06.2003 |
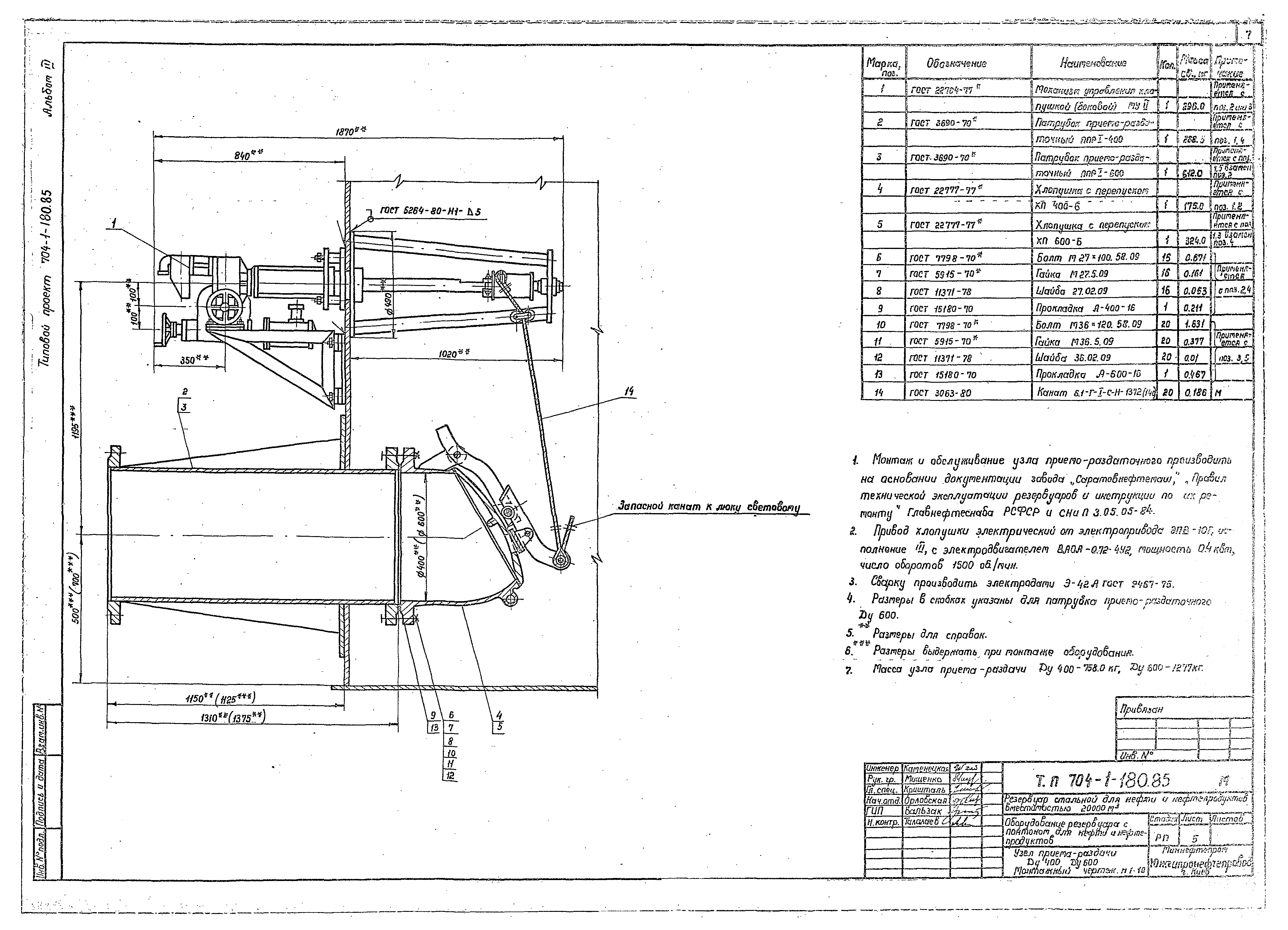
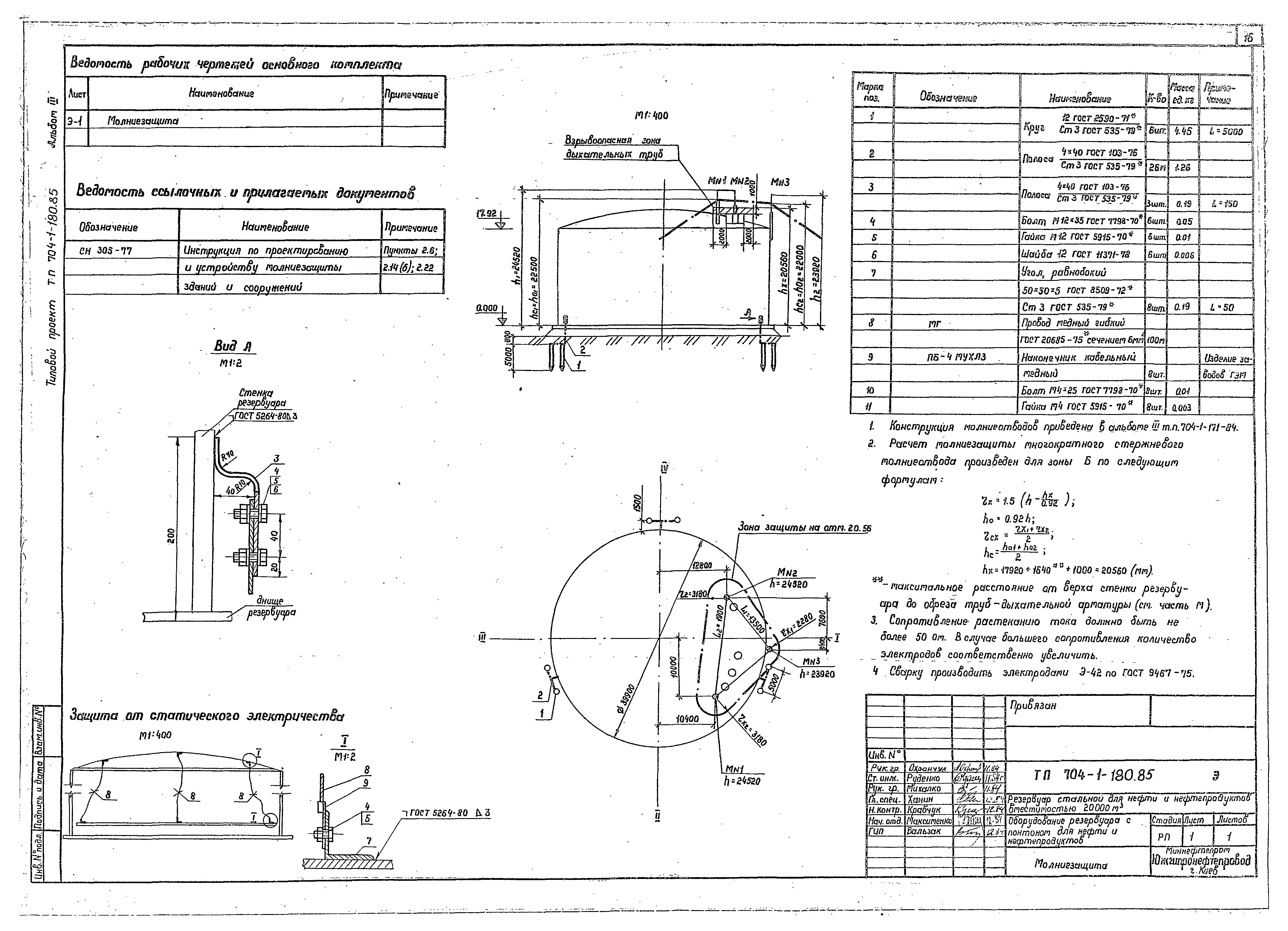
| Оглавление: | Содержание Механическое, технологическое оборудование Общие данные Оборудование резервуара. Монтажный чертеж Узел приема-раздачи Ду400; Ду600. Монтажный чертеж Узел приема-раздачи Ду700. Монтажный чертеж Патрубок вентиляционный ПВ-500. Сборочный чертеж Система размыва осадка. Монтажный чертеж Система размыва осадка. Узлы. Детали Пожаротушение Общие данные Оборудование резервуара средствами пожаротушения при интенсивности 0,05 л/с, кв. м Оборудование резервуара средствами пожаротушения при интенсивности 0,08 л/с, кв. м Электротехническая часть Молниезащита Автоматика Общие данные Функциональная схема автоматизации Установка указателя уровня Установка сниженного пробоотборника Установка термоизвещателя и сигнализатора уровня |
| Разработан: | Южгипронефтепровод Миннефтепрома СССР |
| Утверждён: | 13.05.1985 Миннефтепром (Minnefteprom ) |





















