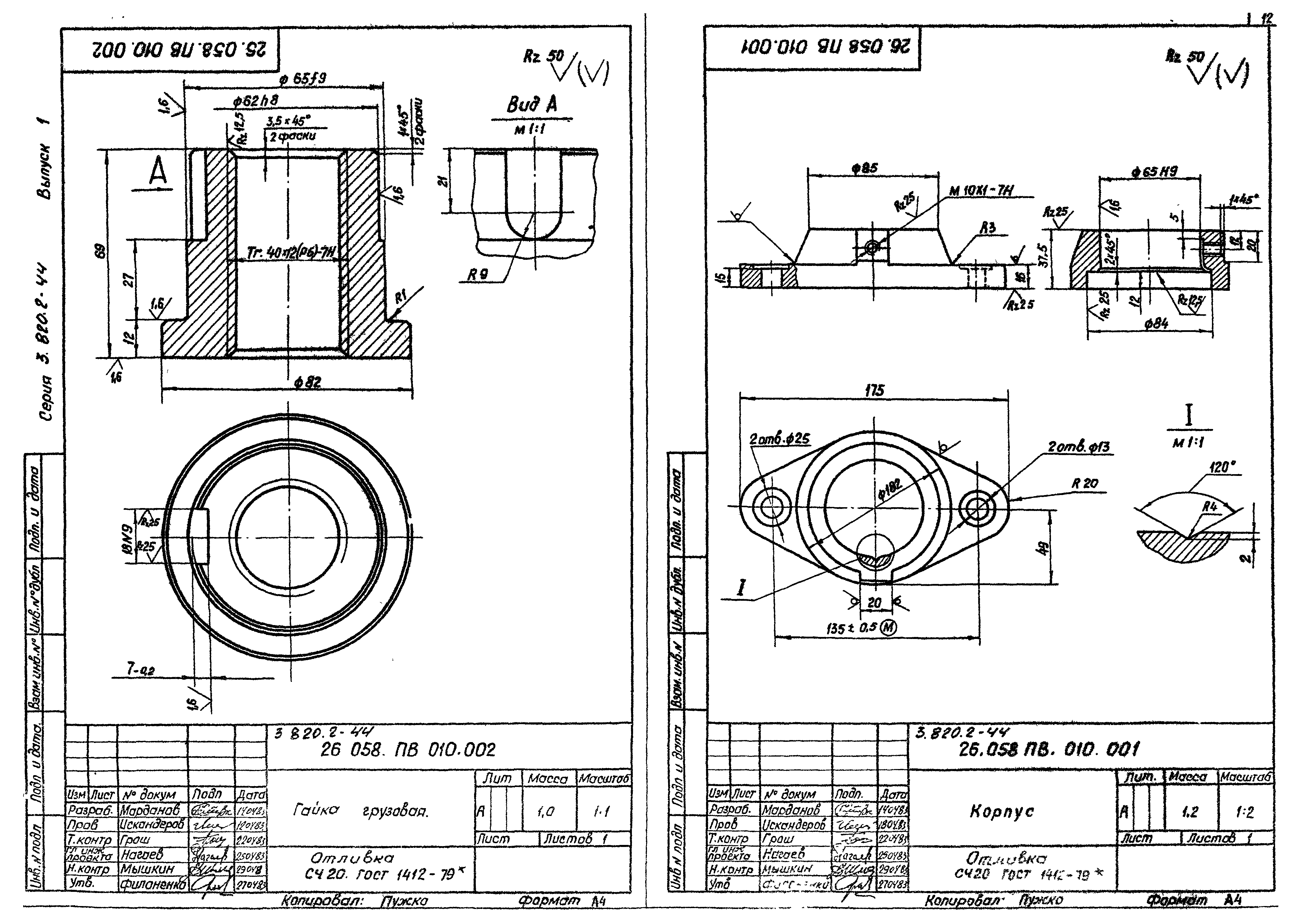
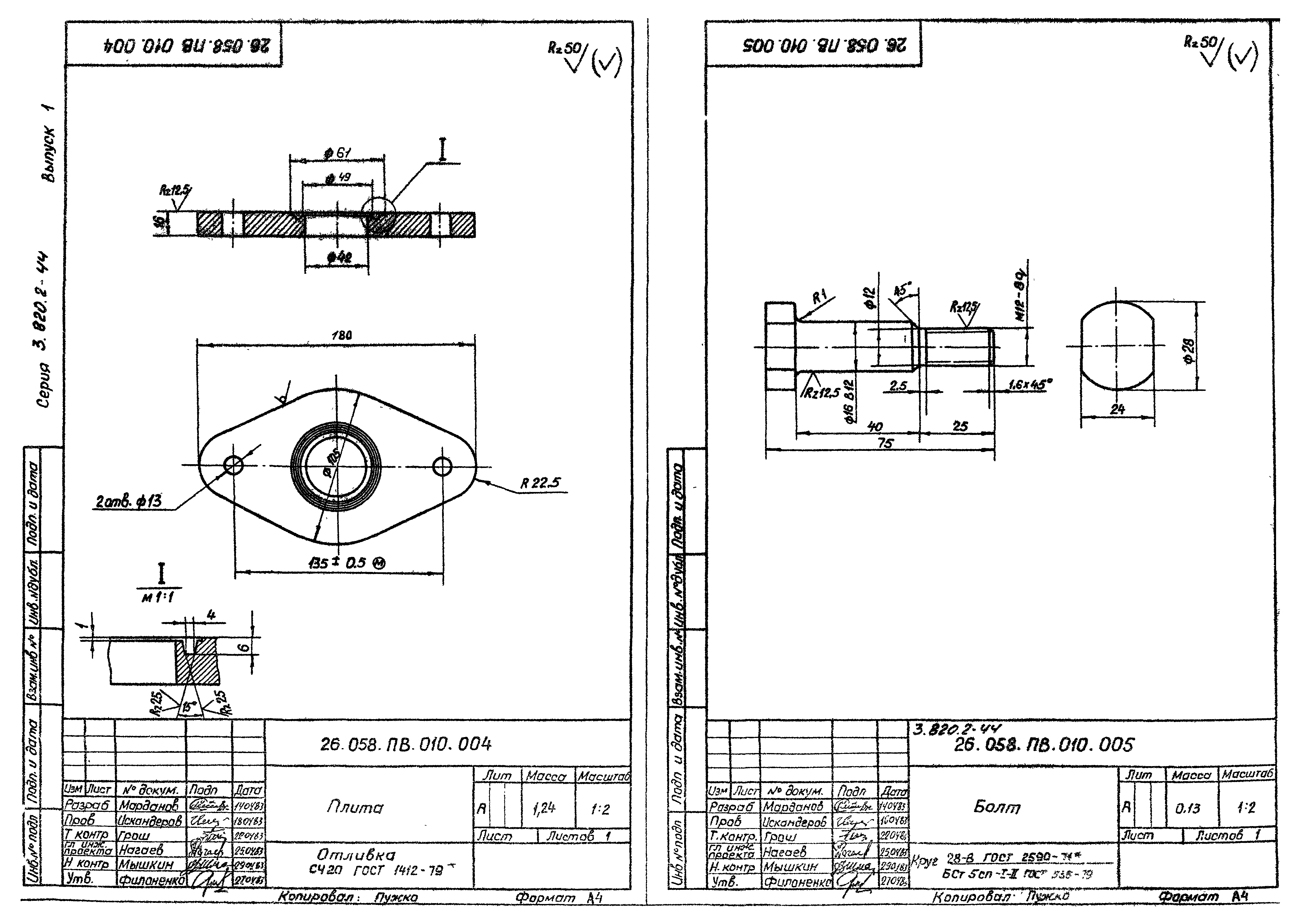
Скачать Серия 3.820.2-44 Выпуск 1. Подъемник одновинтовой с ручным приводом г.п. 0,5 тс. марки 0,5 ВДата актуализации: 01.01.2021 Серия 3.820.2-44
Выпуск 1. Подъемник одновинтовой с ручным приводом г.п. 0,5 тс. марки 0,5 В| Обозначение: | Серия 3.820.2-44 | | Обозначение англ: | Series 3.820.2-44 | | Статус: | не определен законодательством | | Название рус.: | Выпуск 1. Подъемник одновинтовой с ручным приводом г.п. 0,5 тс. марки 0,5 В | | Дата добавления в базу: | 01.09.2013 | | Дата актуализации: | 01.01.2021 | | Дата введения: | 28.05.1984 | | Дата окончания срока действия: | 30.06.2003 | | Разработан: | Средазгипроводхлопок Минводхоза СССР
| | Утверждён: | 25.11.1983 Минводхоз СССР (USSR Minvodkhoz 551)
| | Заменяет собой: | |
             
|