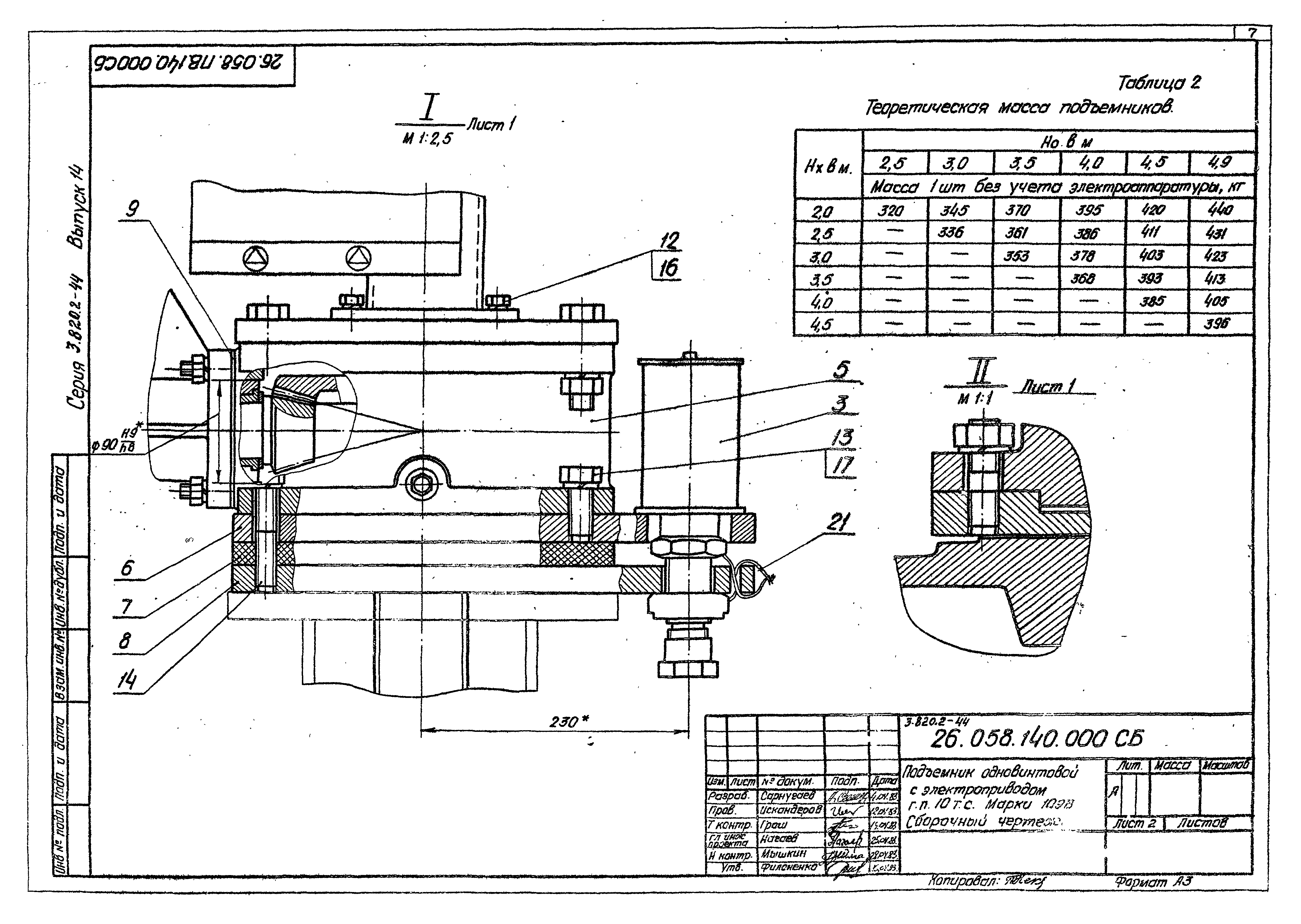
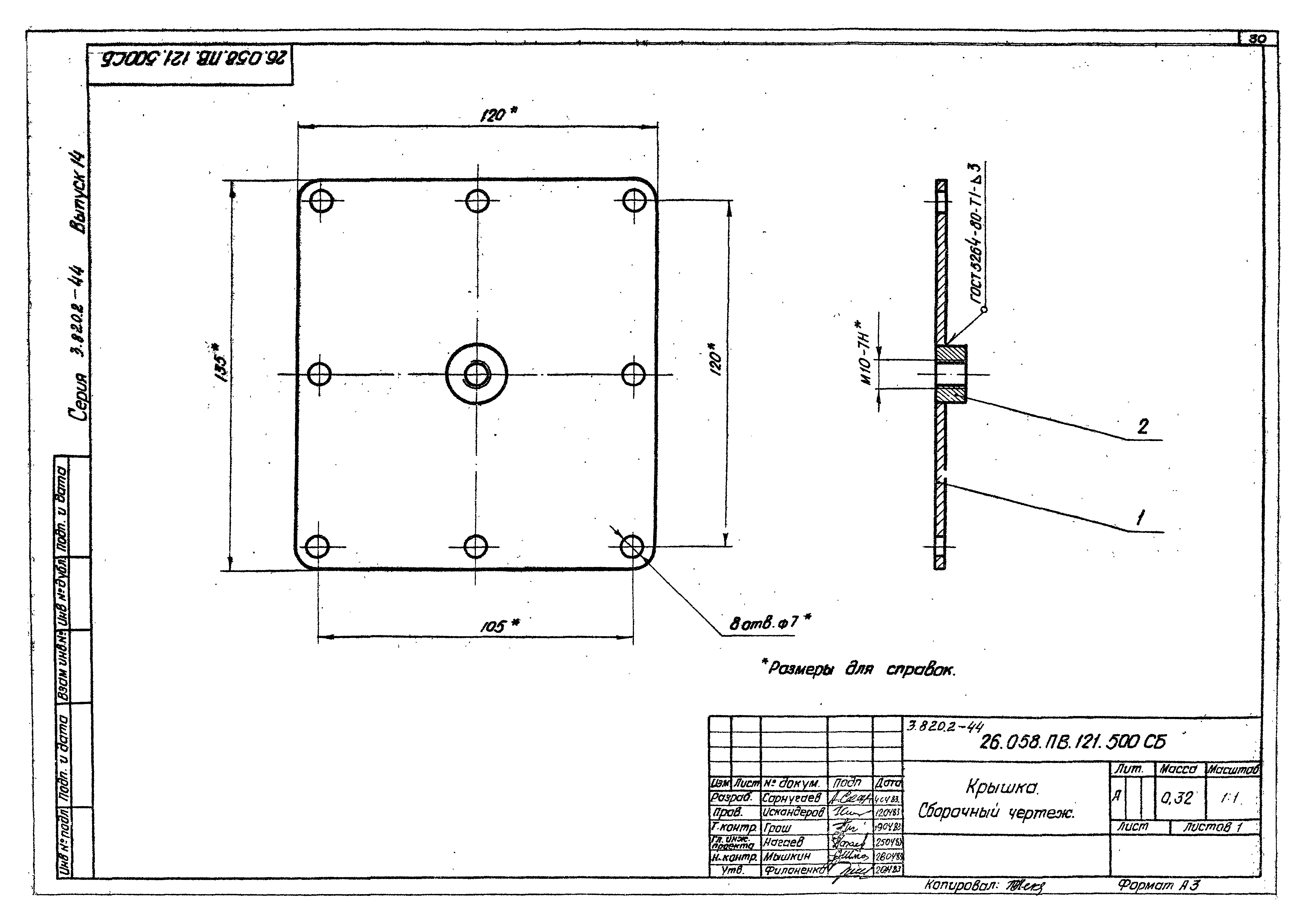
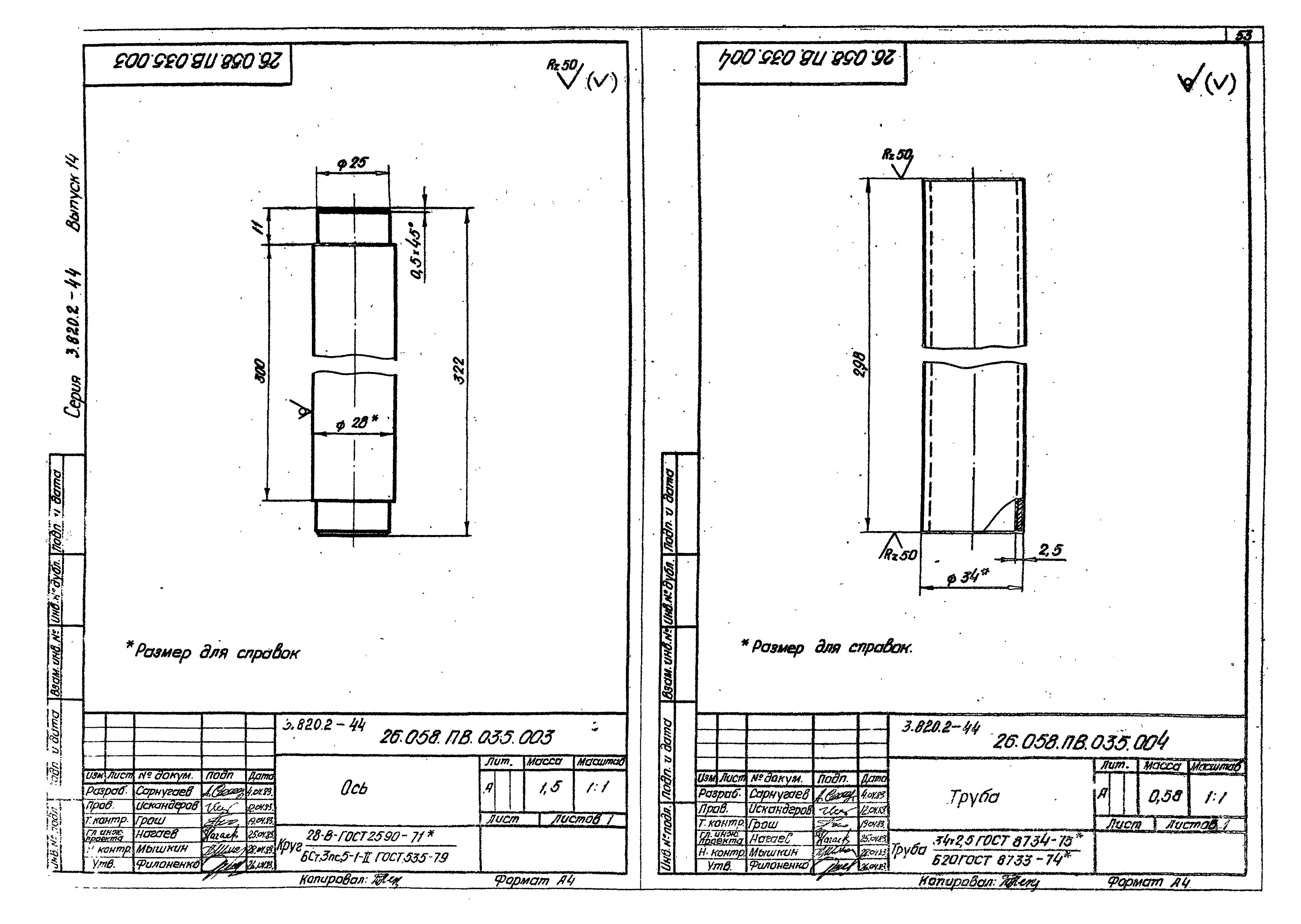
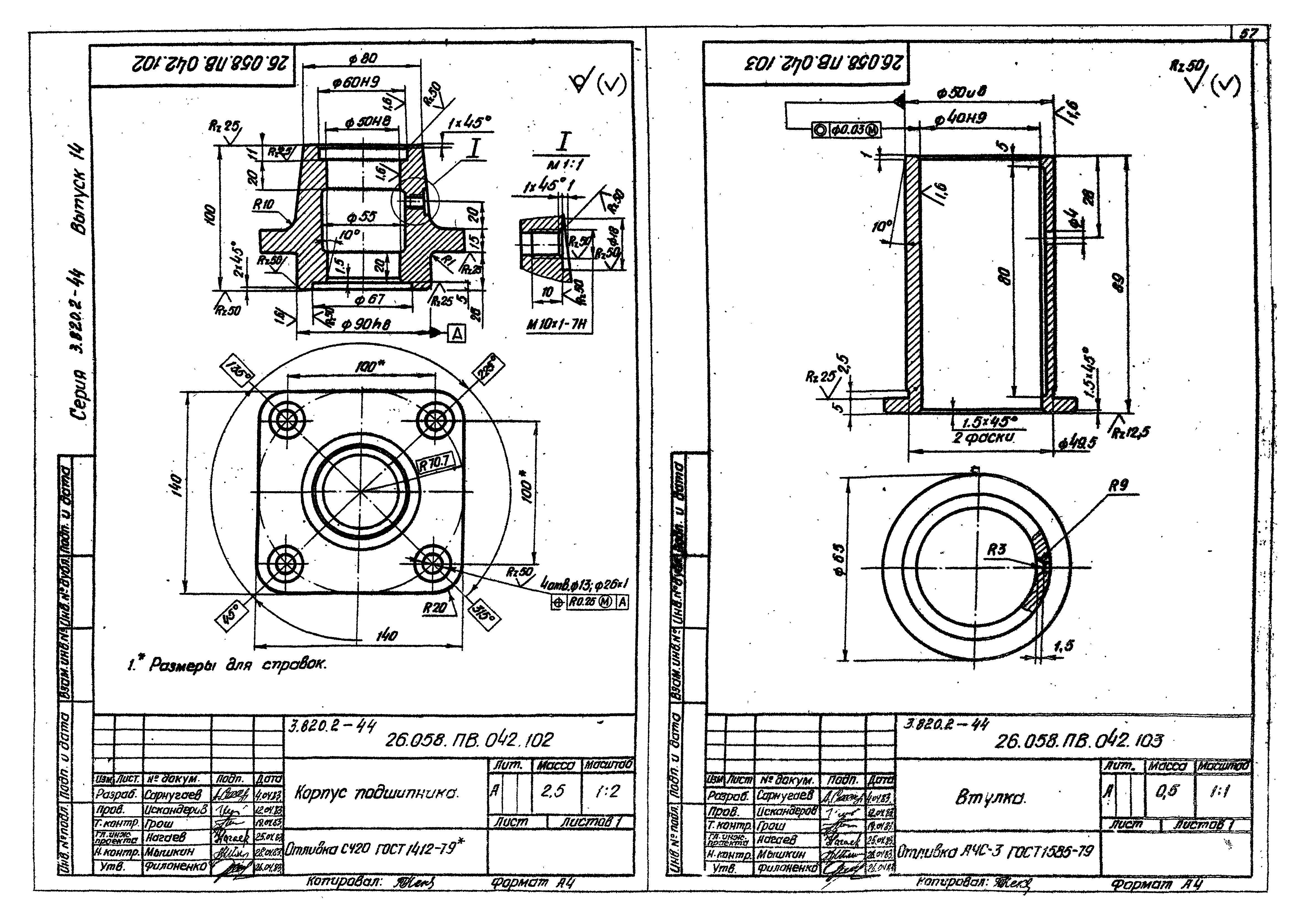
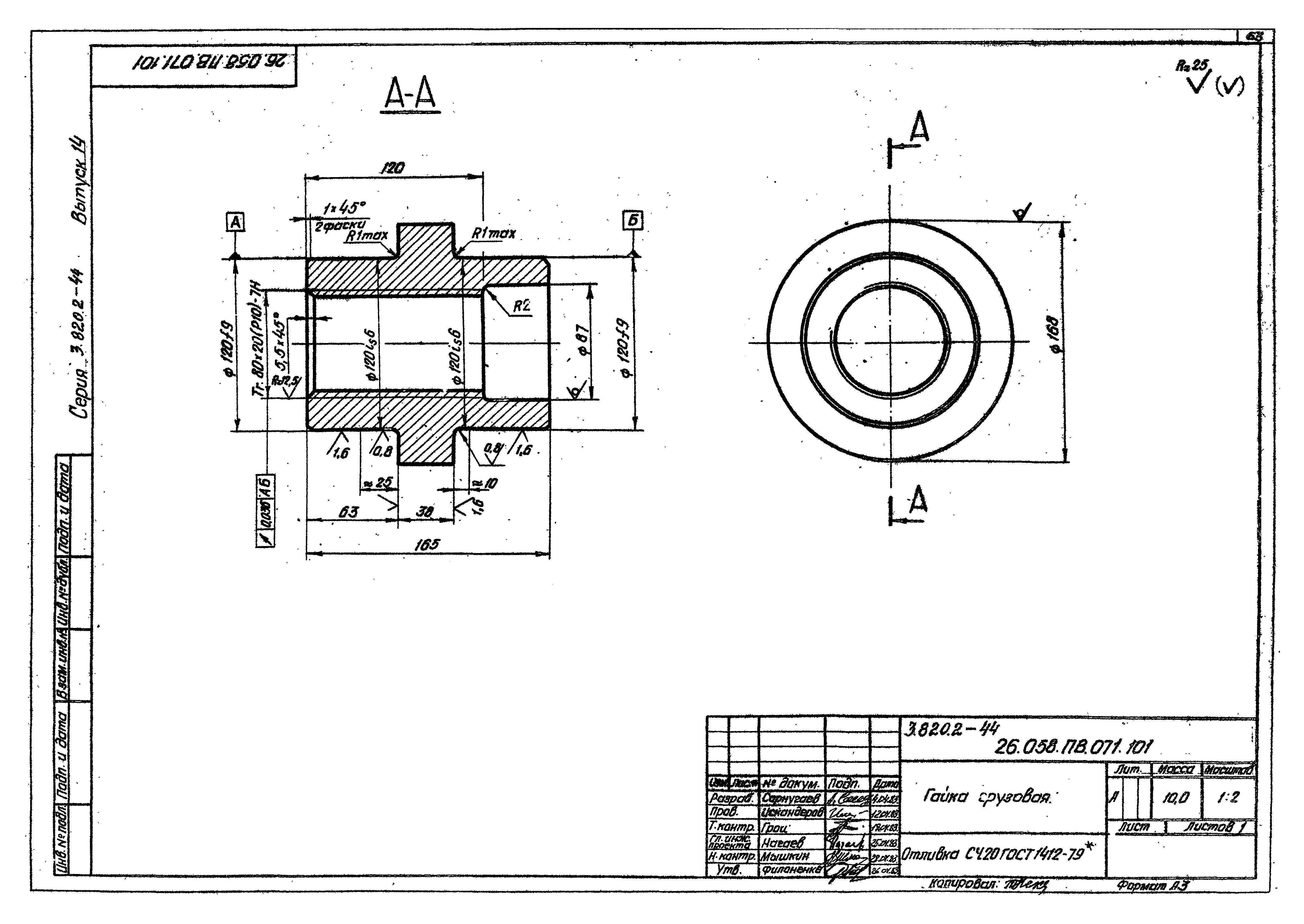
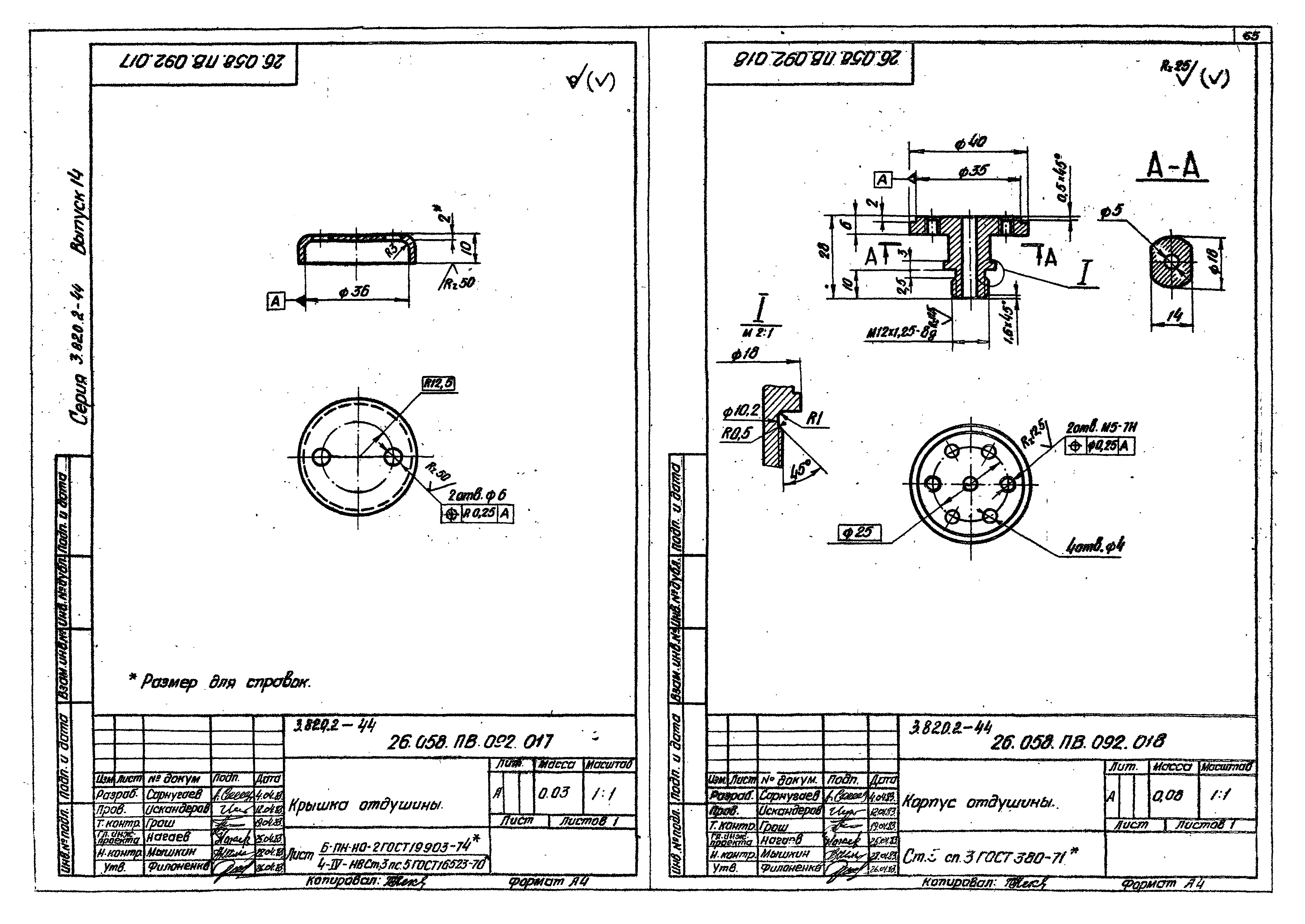
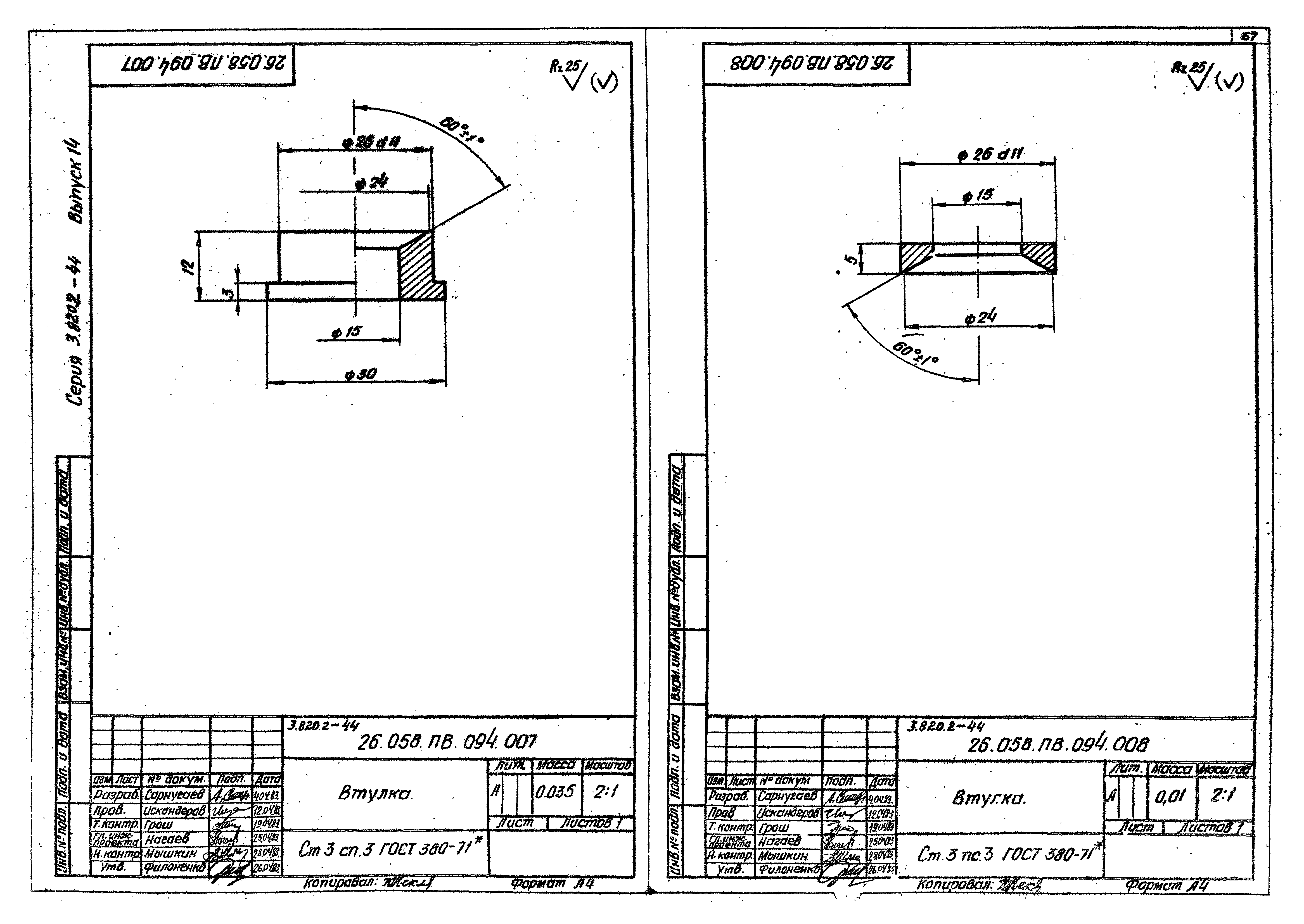
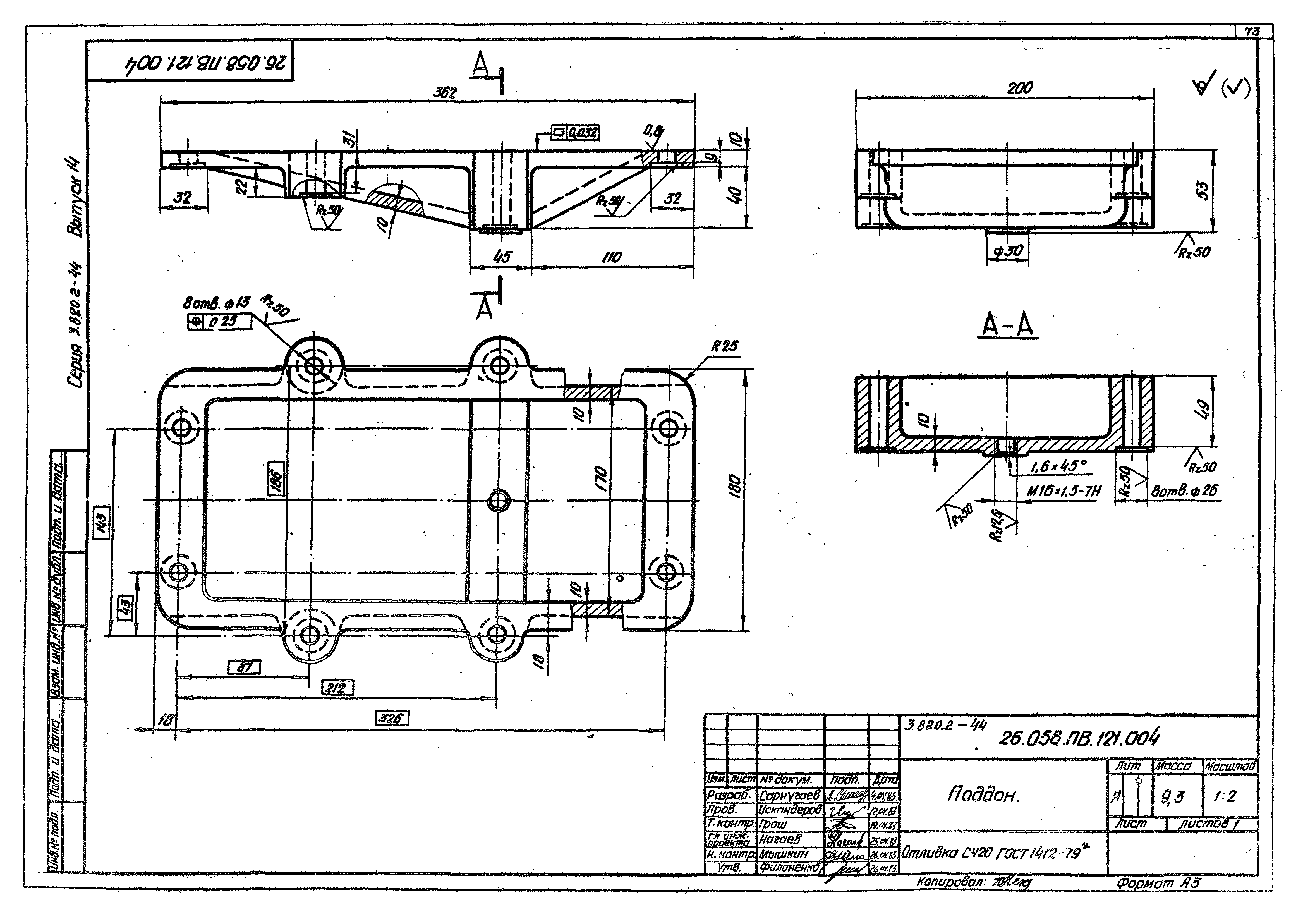
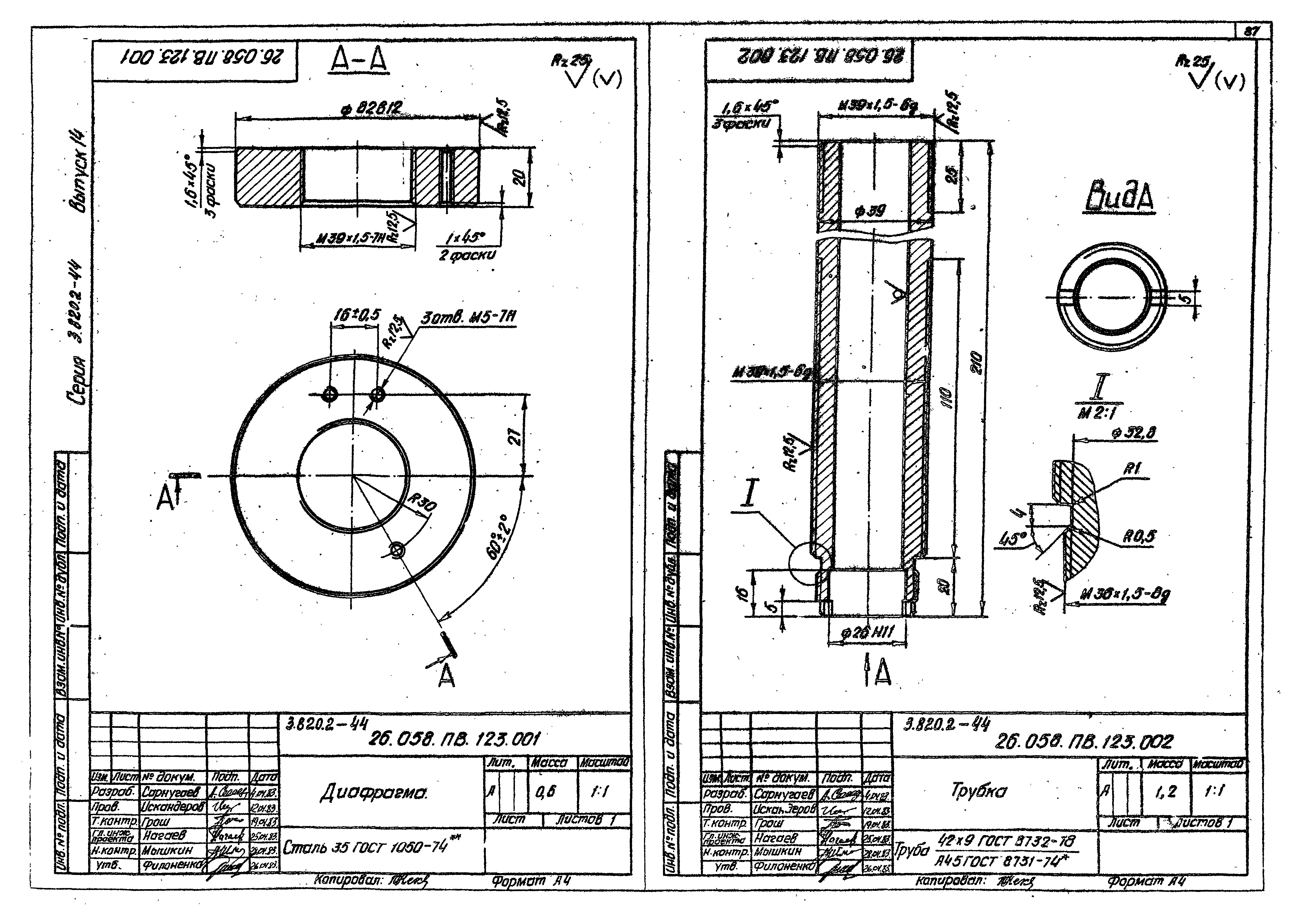
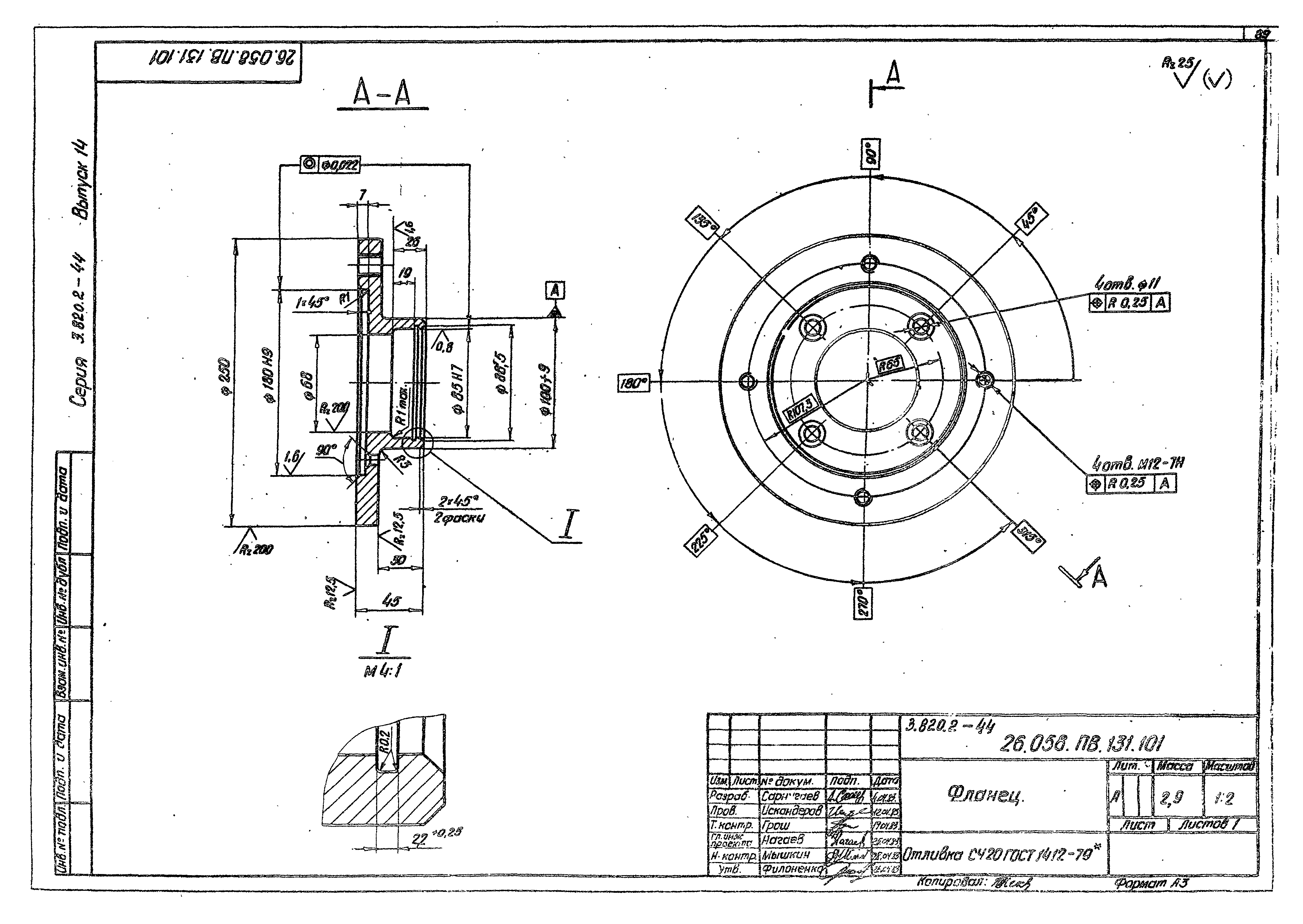
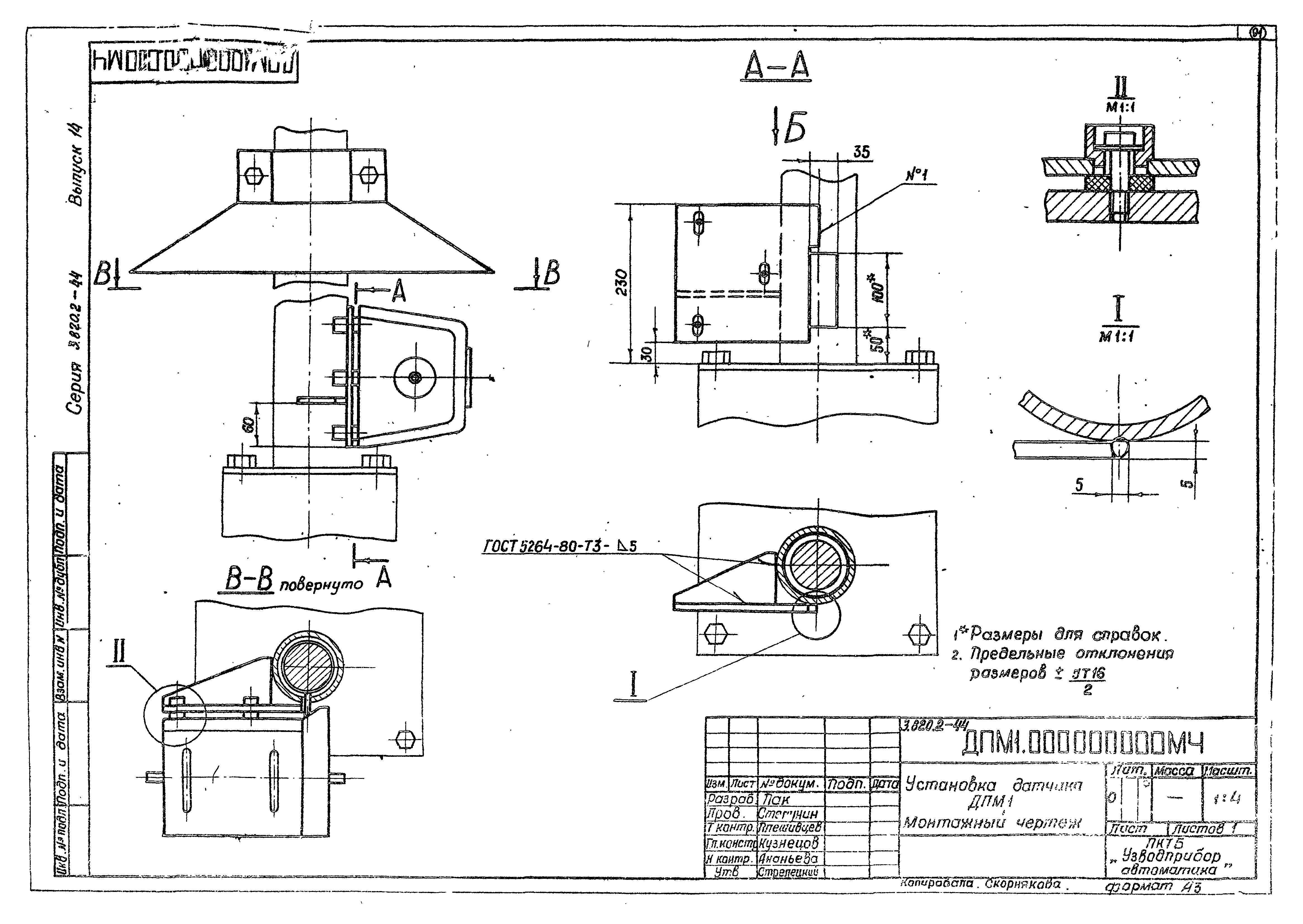
Скачать Серия 3.820.2-44 Выпуск 14. Подъемник одновинтовой с электроприводом г.п. 10 тс. марки 10 ЭВДата актуализации: 01.01.2021
|
| Обозначение: | Серия 3.820.2-44 |
| Обозначение англ: | Series 3.820.2-44 |
| Статус: | не определен законодательством |
| Название рус.: | Выпуск 14. Подъемник одновинтовой с электроприводом г.п. 10 тс. марки 10 ЭВ |
| Дата добавления в базу: | 01.09.2013 |
| Дата актуализации: | 01.01.2021 |
| Дата введения: | 28.05.1984 |
| Дата окончания срока действия: | 30.06.2003 |
| Разработан: | Средазгипроводхлопок Минводхоза СССР |
| Утверждён: | 25.11.1983 Минводхоз СССР (USSR Minvodkhoz 551) |
| Заменяет собой: |
|



























































































