Скачать Типовой проект 902-3-66.87 Альбом IV. Строительные изделияДата актуализации: 01.01.2021
|
| Обозначение: | Типовой проект 902-3-66.87 |
| Обозначение англ: | 902-3-66.87 |
| Статус: | не определен законодательством |
| Название рус.: | Альбом IV. Строительные изделия |
| Дата добавления в базу: | 01.09.2013 |
| Дата актуализации: | 01.01.2021 |
| Дата введения: | 23.04.1986 |
| Дата окончания срока действия: | 30.06.2003 |
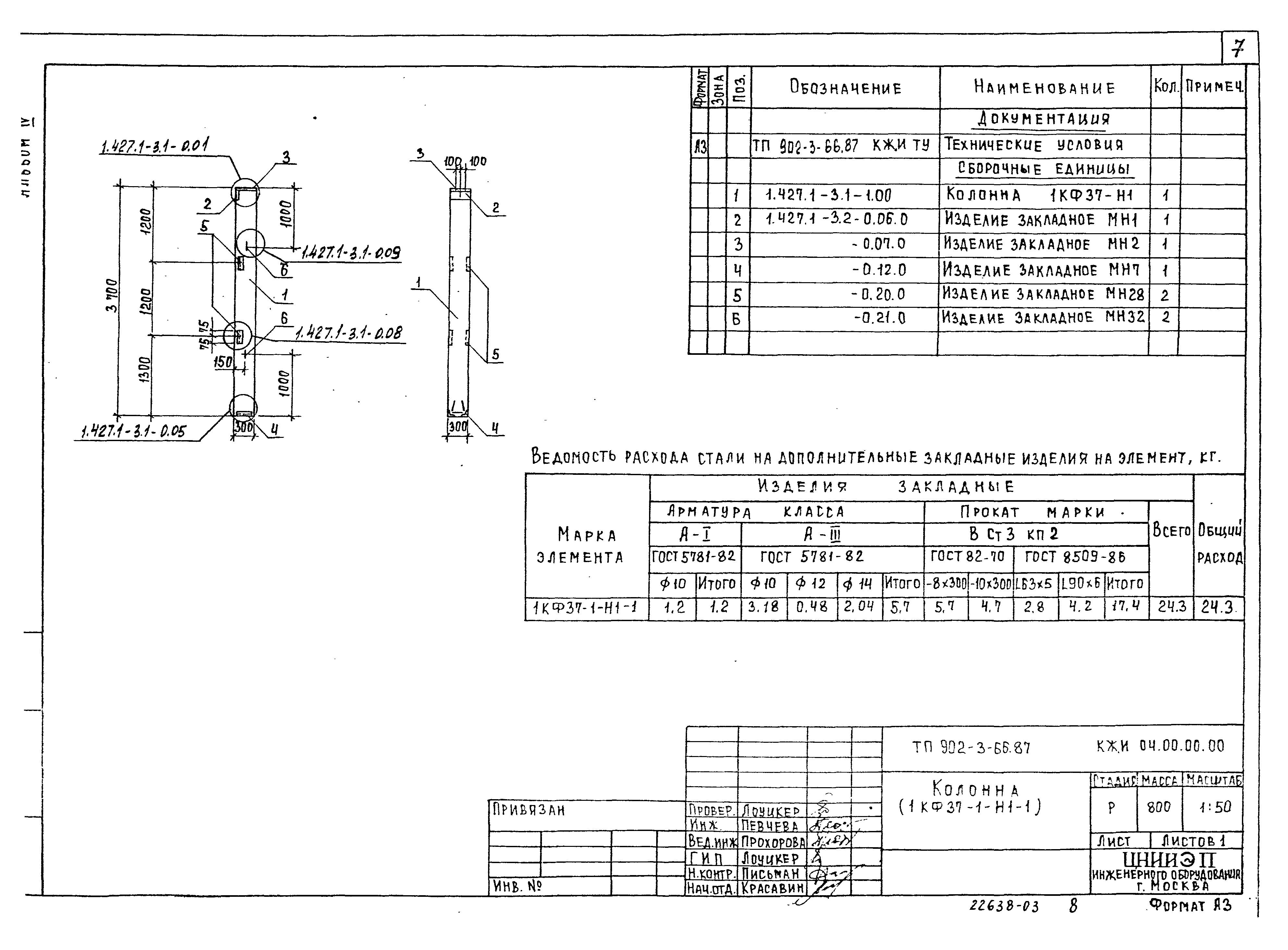
| Оглавление: | КЖ.И.ТУ Технические условия КЖ.И01.00.00.00 Колонна (К48-5-1; К48-5-2; К48-5-3) КЖ.И02.00.00.00 Колонна (К430-1-1; К30-1-2; К30-1-3) КЖ.И03.00.00.00 Колонна (1КФ55-1-Н1-1) КЖ.И04.00.00.00 Колонна (1КФ37-1-Н1-1) КЖ.И10.00.00.00 Балка стропильная (1БСД9-3АIVТ-1; 1БСД9-3АIVТ-2) КЖ.И11.00.00.00 Балка стропильная (1БСД9-БАIVТ-1) КЖ.И20.00.00.00 Плита покрытия (ПГ-2АIVТ-1; ПГ-2АIVТ-2) КЖ.И21.00.00.00 Плита покрытия (ПГ-5АIVТ-1) КЖ.И22.00.00.00 Плита покрытия (ПВ7-5АIVТ-1) КЖ.И00.01.00.00 Рамка металлическая Мр1 КЖ.И00.02.00.00 Рамка металлическая Мр2 КЖ.И00.03.00.00 Рамка металлическая Мр3 КЖ.И00.04.00.00 Щит металлический Щ1 КЖ.И00.00.01.00 Сетка арматурная С1 КЖ.И00.00.02.00 Сетка арматурная С2 КЖ.И00.00.03.00 Сетка арматурная С3 КЖ.И00.00.04.00 Сетка арматурная С4 КЖ.И00.00.00.01 Соединительный элемент М2 КЖ.И00.00.00.02 Соединительный элемент М1 КЖ.И00.00.00.03 Соединительный элемент М3 КЖ.И00.00.05.00 Соединительный элемент М4 |
| Разработан: | ЦНИИЭП |
| Утверждён: | 23.04.1986 Госгражданстрой (Gosgrazhdanstroy 145) |
| Издан: | ГП ЦПП (1995 г. ) |


















