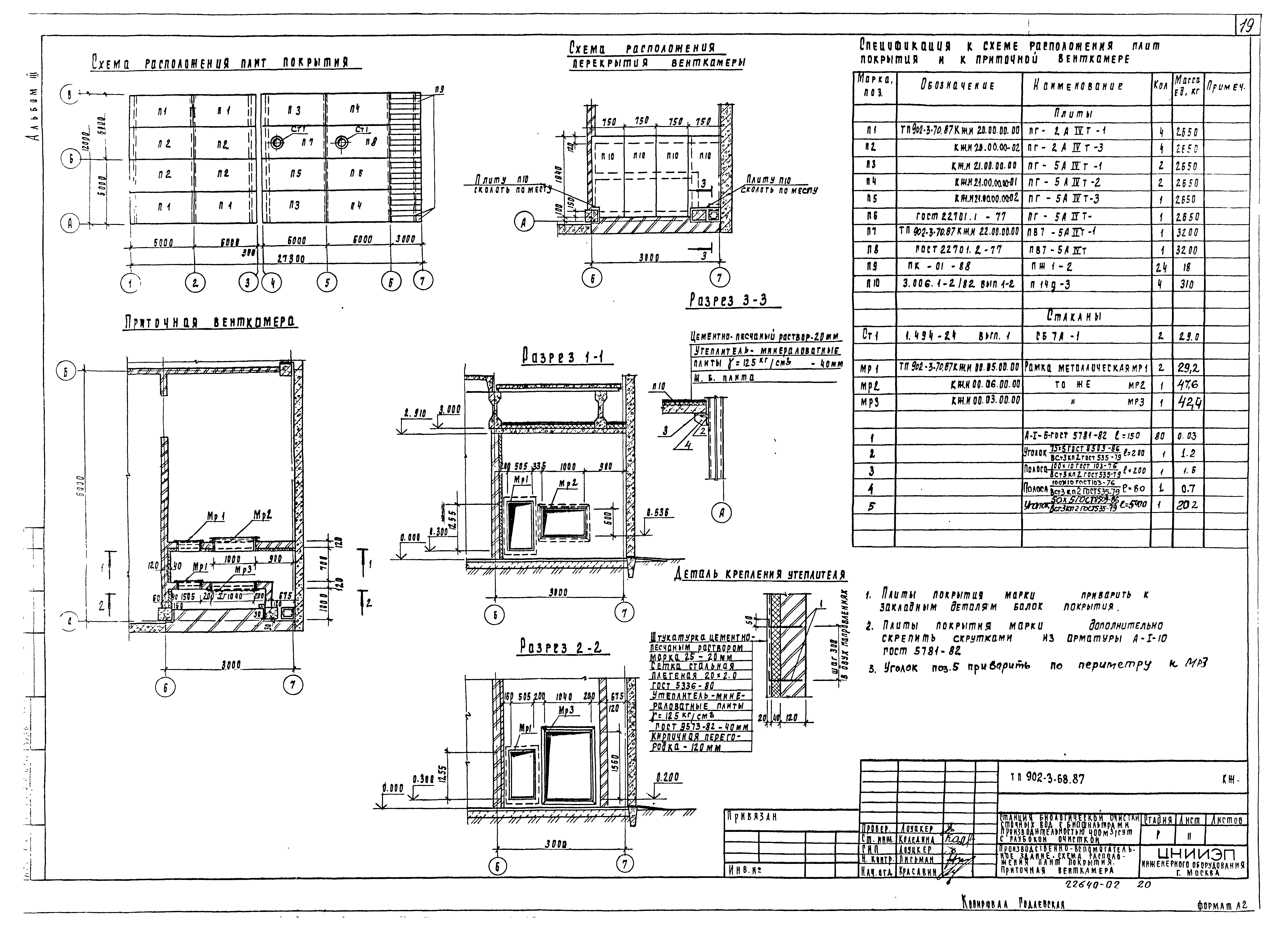
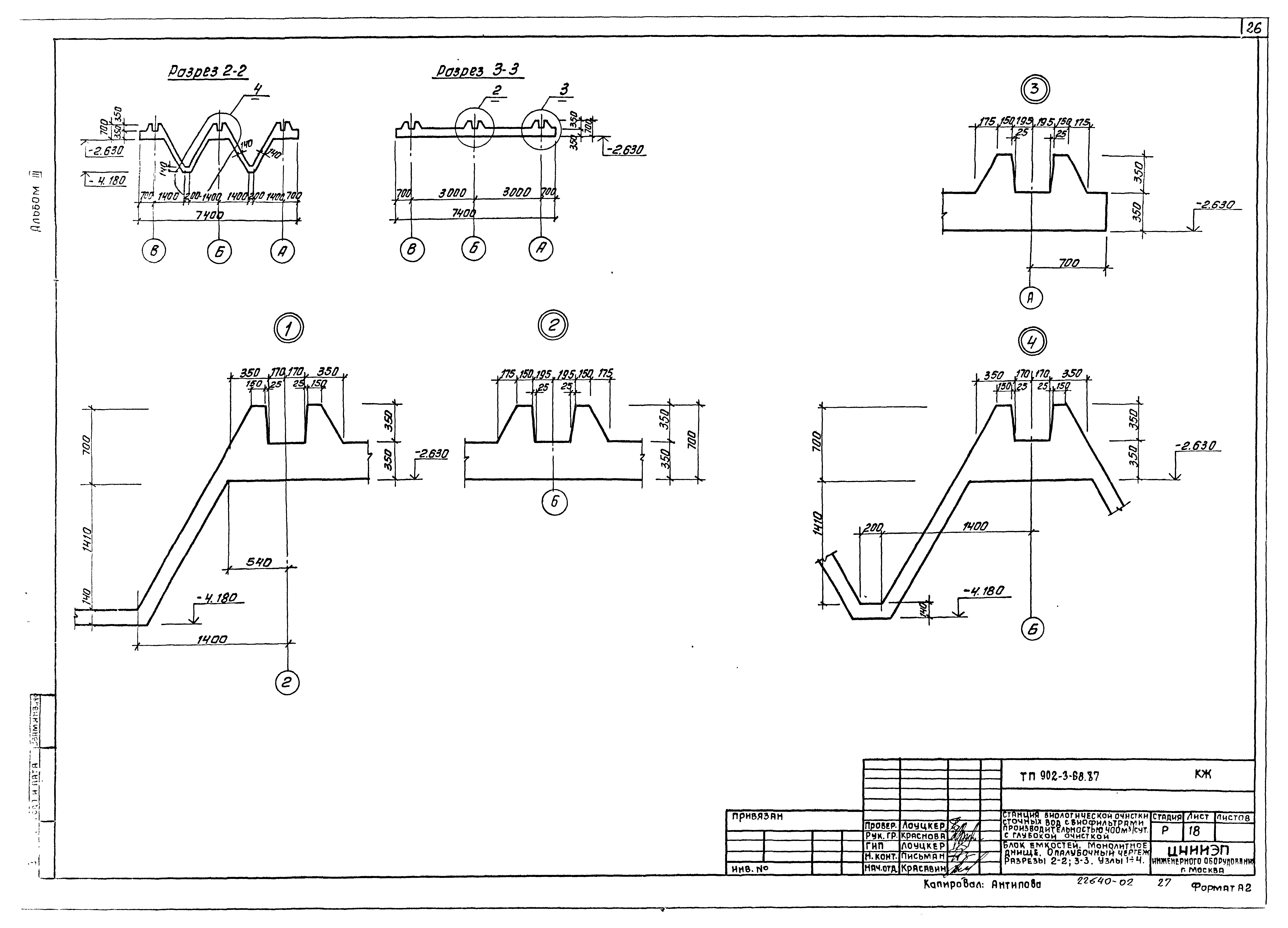
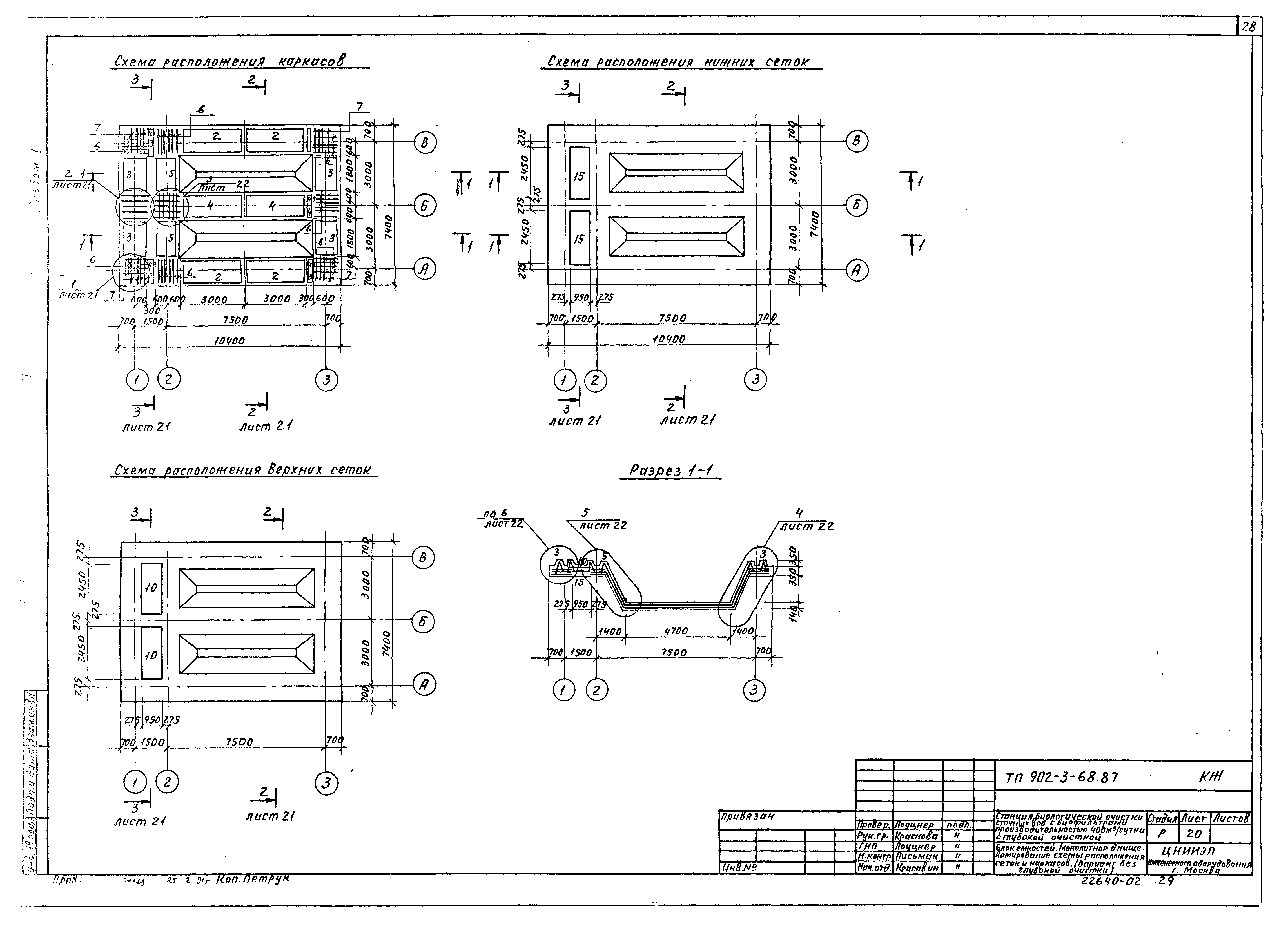
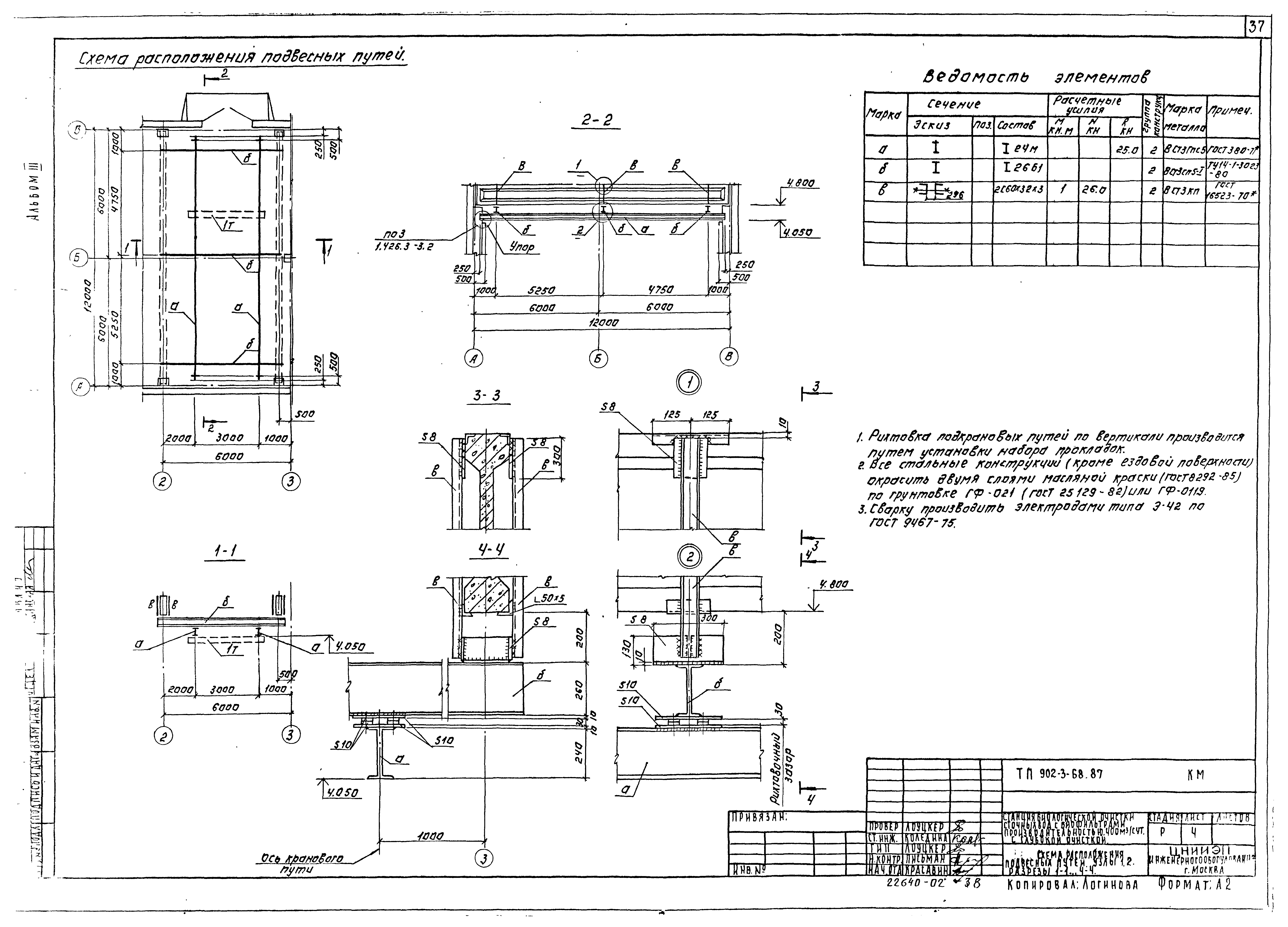
Скачать Типовой проект 902-3-68.87 Альбом III. Архитектурно-строительные решения. Конструкции железобетонные. Конструкции металлическиеДата актуализации: 01.01.2021
|
| Обозначение: | Типовой проект 902-3-68.87 |
| Обозначение англ: | 902-3-68.87 |
| Статус: | не определен законодательством |
| Название рус.: | Альбом III. Архитектурно-строительные решения. Конструкции железобетонные. Конструкции металлические |
| Дата добавления в базу: | 01.09.2013 |
| Дата актуализации: | 01.01.2021 |
| Дата введения: | 23.04.1986 |
| Дата окончания срока действия: | 30.06.2003 |
| Разработан: | ЦНИИЭП |
| Утверждён: | 23.04.1986 Госгражданстрой (Gosgrazhdanstroy 145) |
| Издан: | ГУП ЦПП (CPP GUP 1999 г. ) |












































