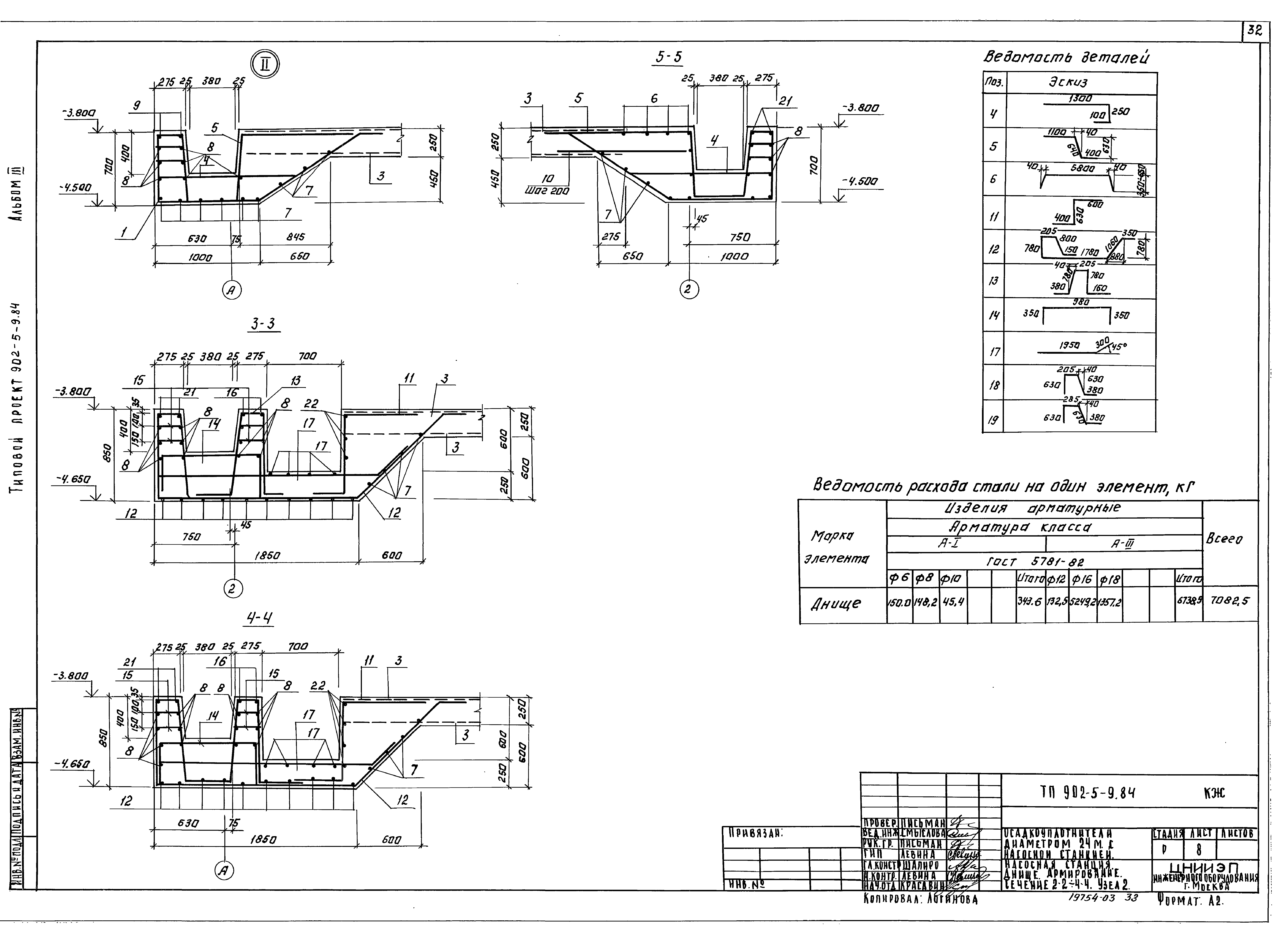
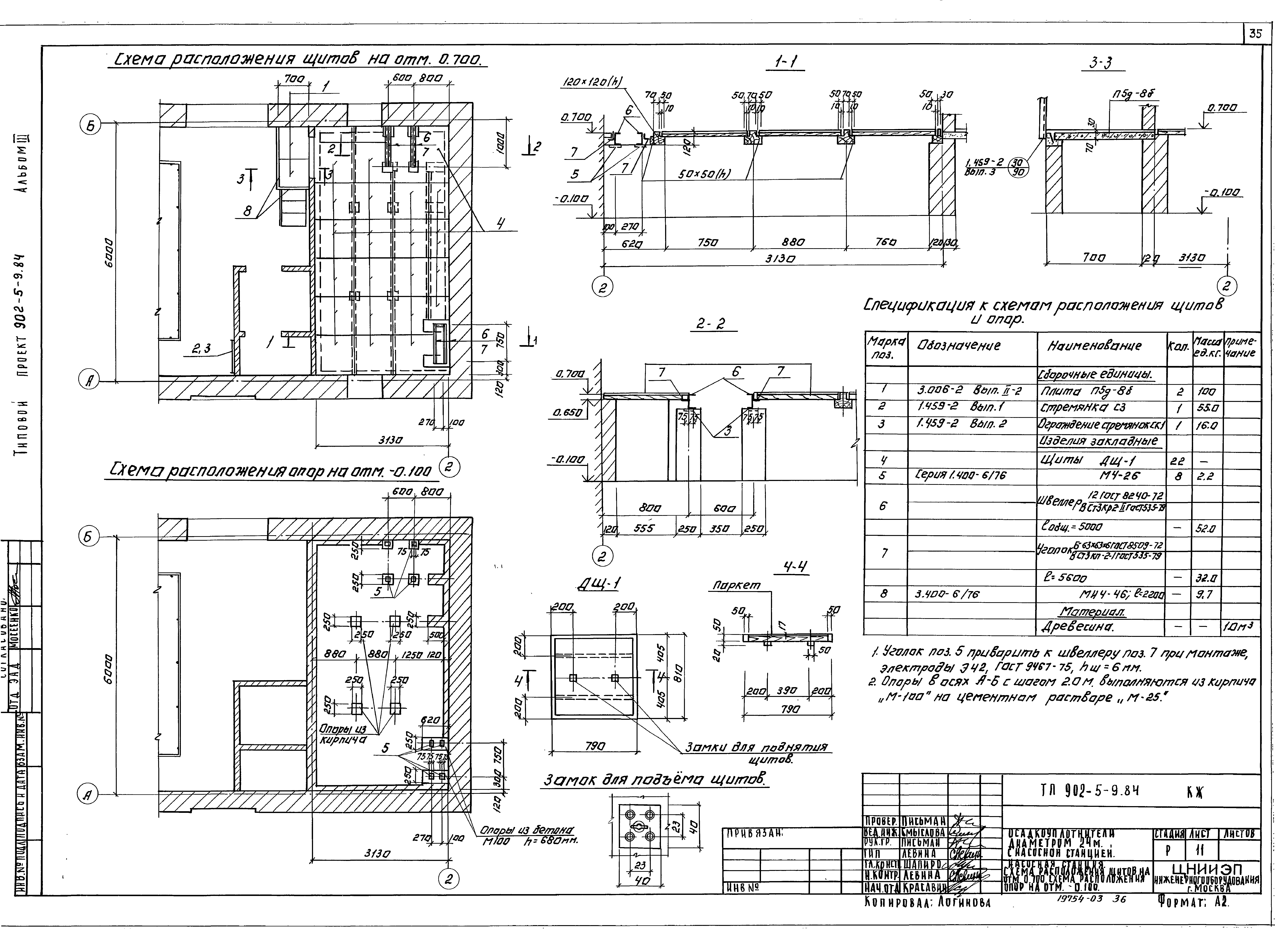
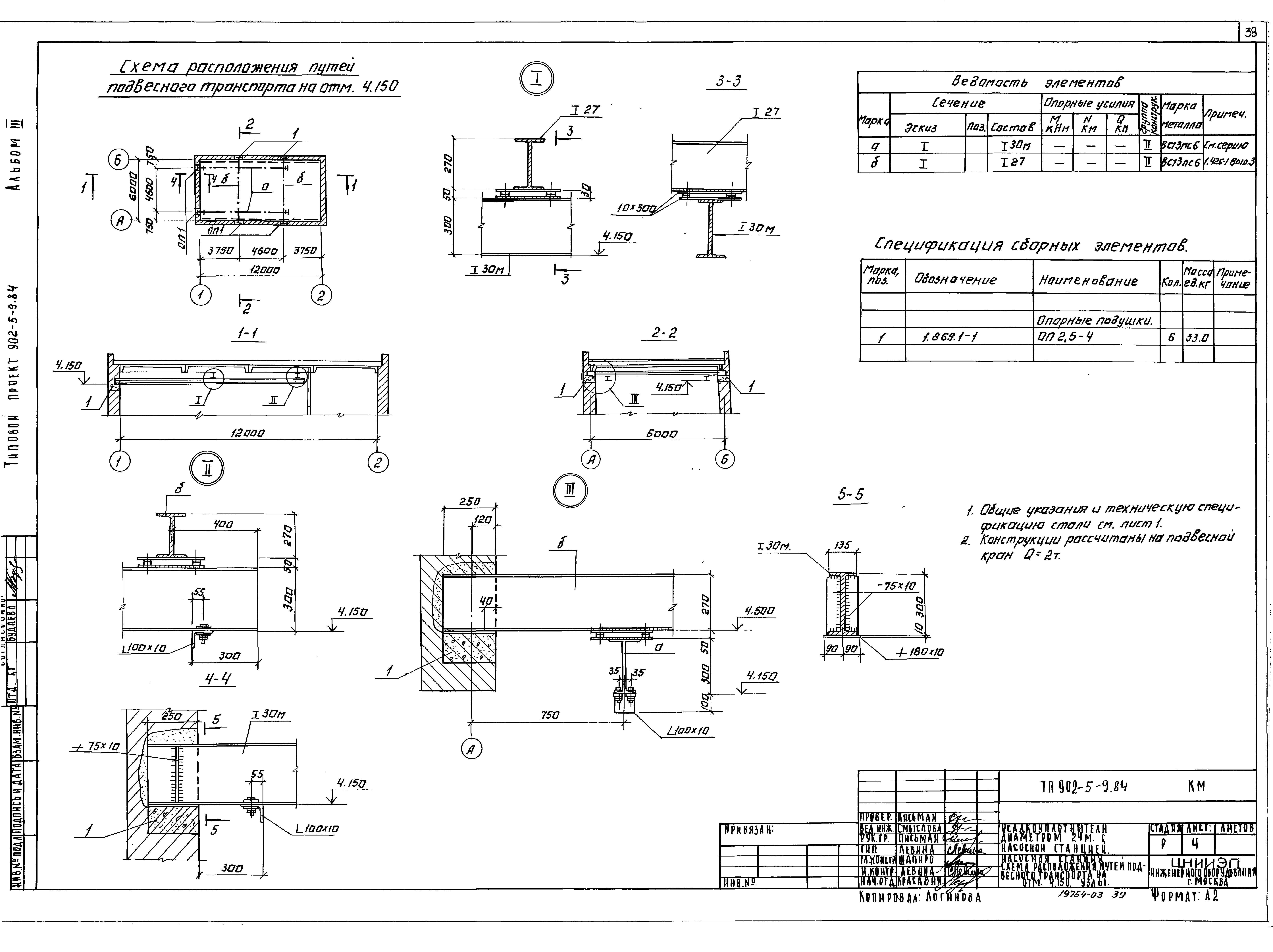
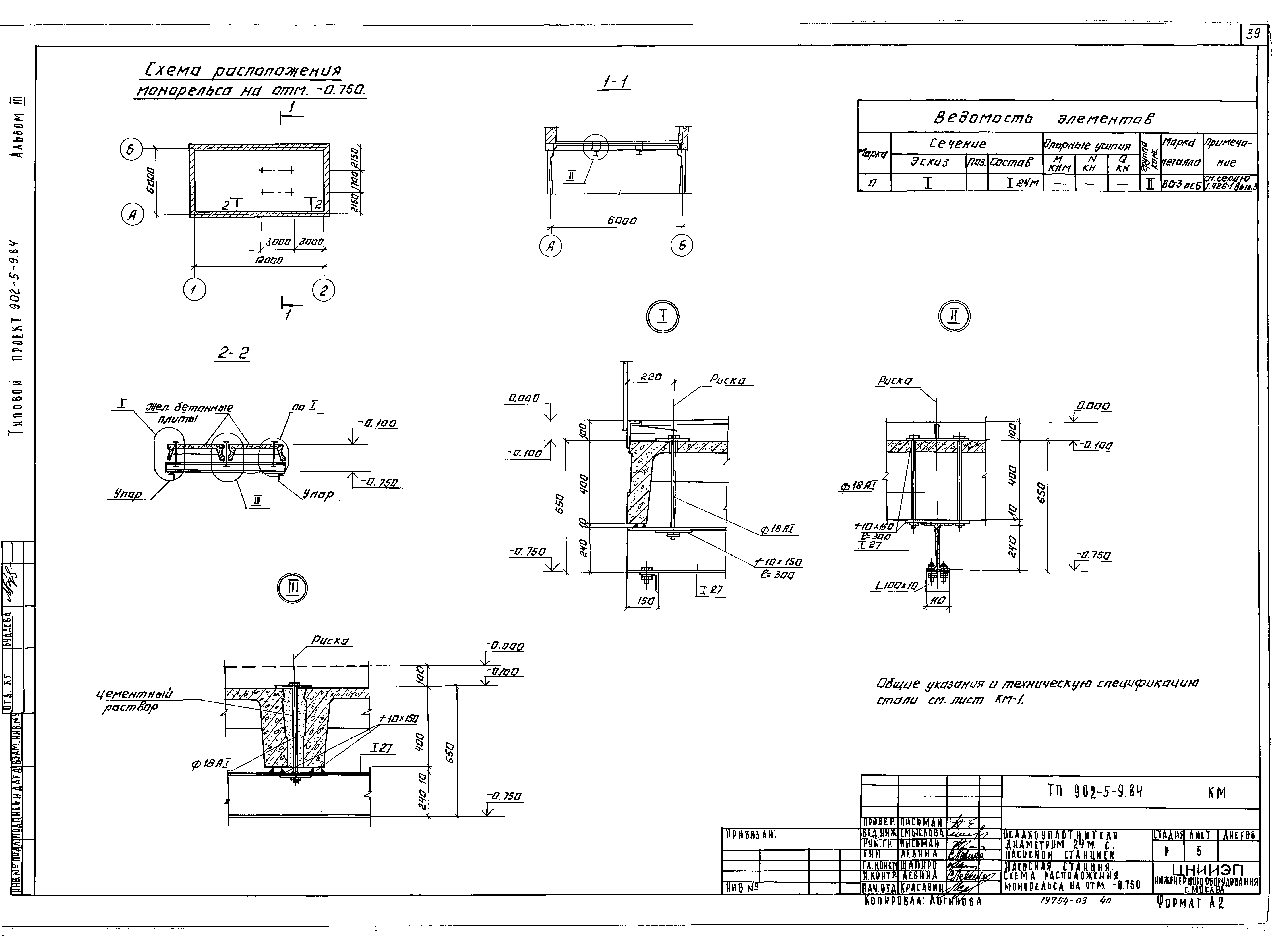
Скачать Типовой проект 902-5-9.84 Альбом III. Архитектурно-строительная частьДата актуализации: 01.01.2021
|
| Обозначение: | Типовой проект 902-5-9.84 |
| Обозначение англ: | 902-5-9.84 |
| Статус: | не определен законодательством |
| Название рус.: | Альбом III. Архитектурно-строительная часть |
| Дата добавления в базу: | 01.09.2013 |
| Дата актуализации: | 01.01.2021 |
| Дата введения: | 25.04.1984 |
| Дата окончания срока действия: | 30.06.2003 |
| Разработан: | ЦНИИЭП инженерного оборудования |
| Утверждён: | 14.02.1984 Госгражданстрой (Gosgrazhdanstroy 47) |









































