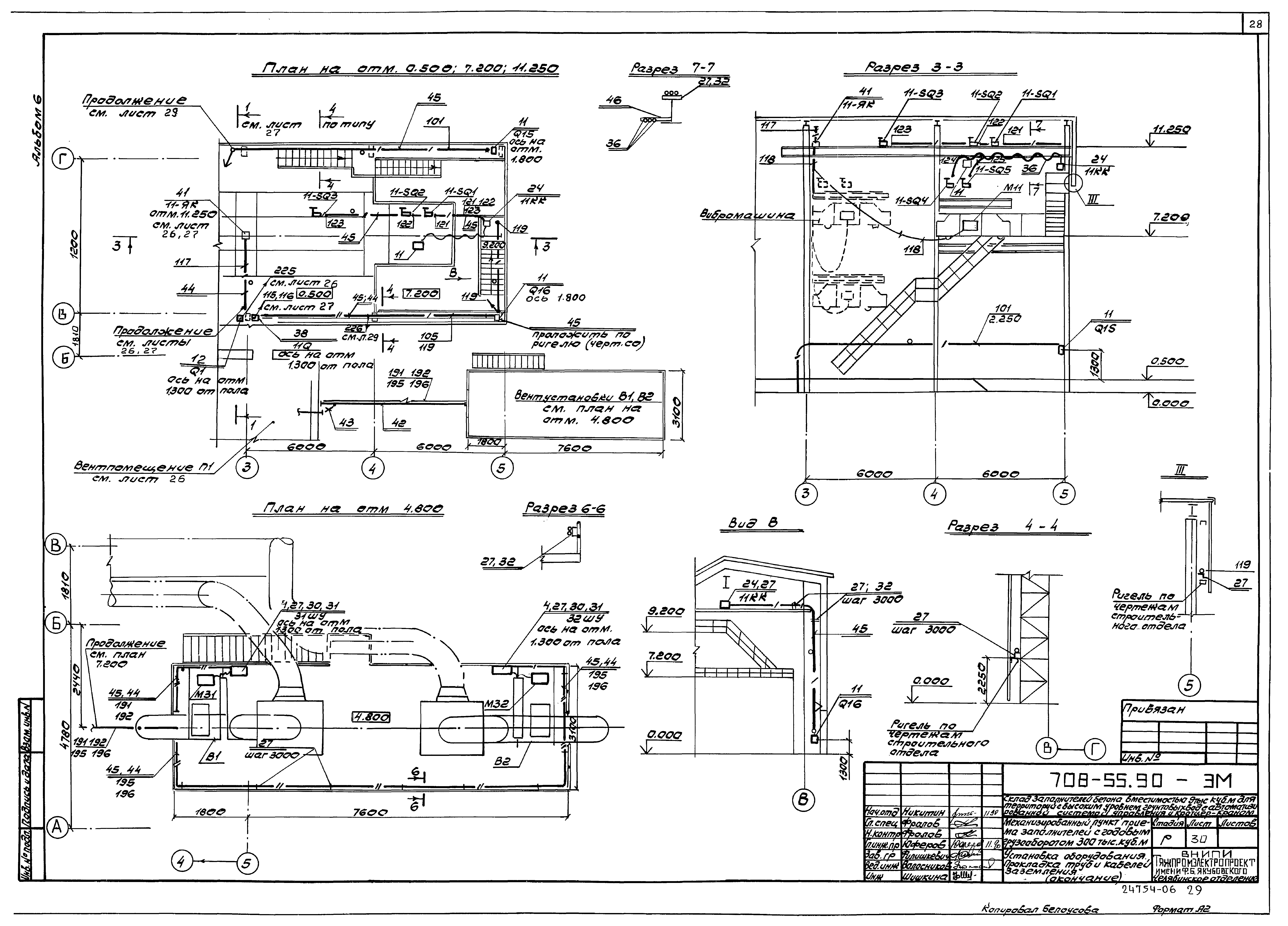
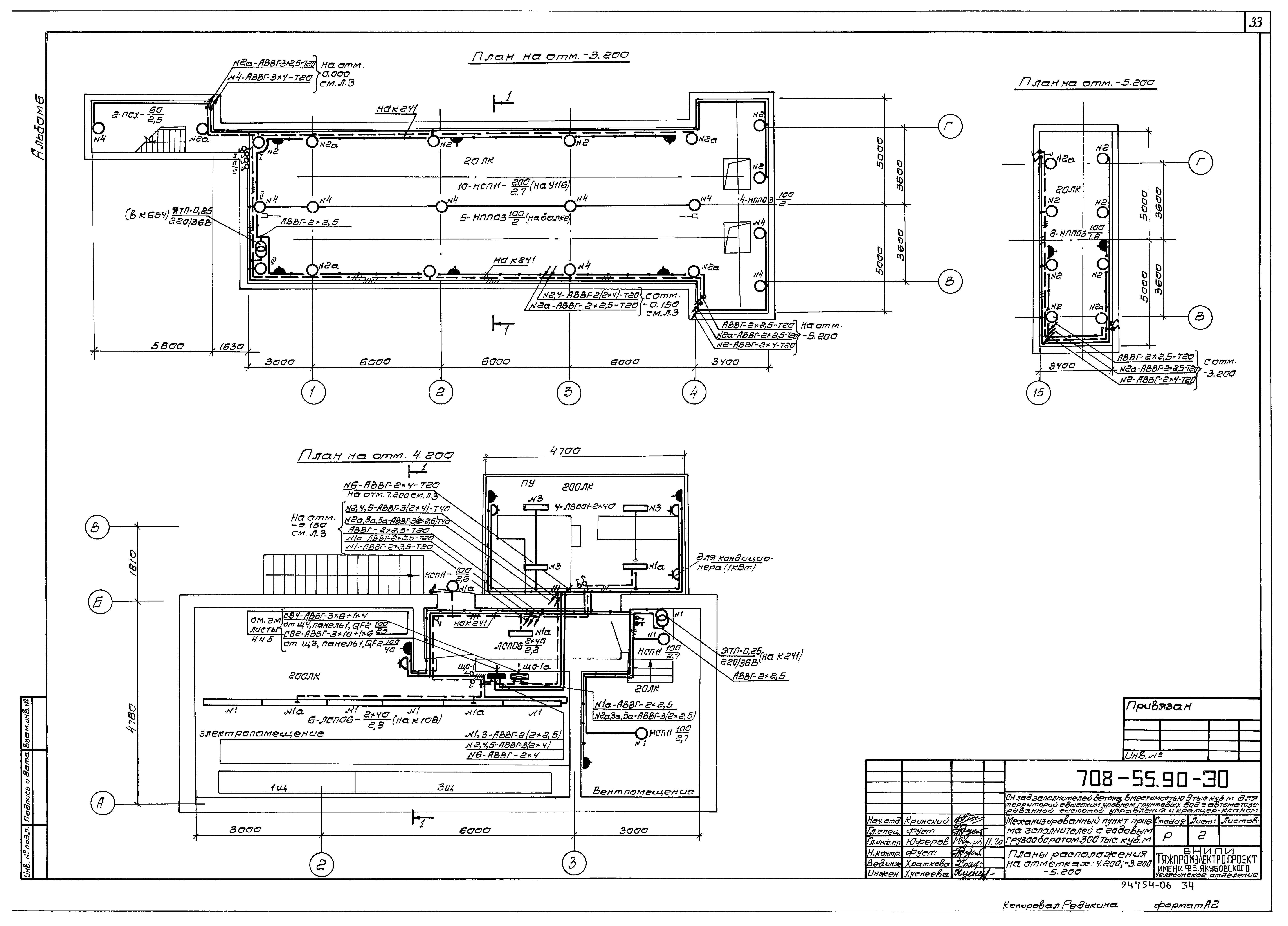
Скачать Типовой проект 708-55.90 Альбом 6. Электрооборудование силовое. ЭлектроосвещениеДата актуализации: 01.01.2021
|
| Обозначение: | Типовой проект 708-55.90 |
| Обозначение англ: | 708-55.90 |
| Статус: | не определен законодательством |
| Название рус.: | Альбом 6. Электрооборудование силовое. Электроосвещение |
| Дата добавления в базу: | 01.09.2013 |
| Дата актуализации: | 01.01.2021 |
| Дата введения: | 15.01.1991 |
| Дата окончания срока действия: | 30.06.2003 |
| Разработан: | Харьковский Промстройниипроект ВНИПИ Тяжпромэлектропроект Промтрансниипроект |
| Утверждён: | 13.09.1988 Госстрой СССР (Государственный комитет Совета Министров СССР по делам строительства) (USSR Gosstroy 31) |



































