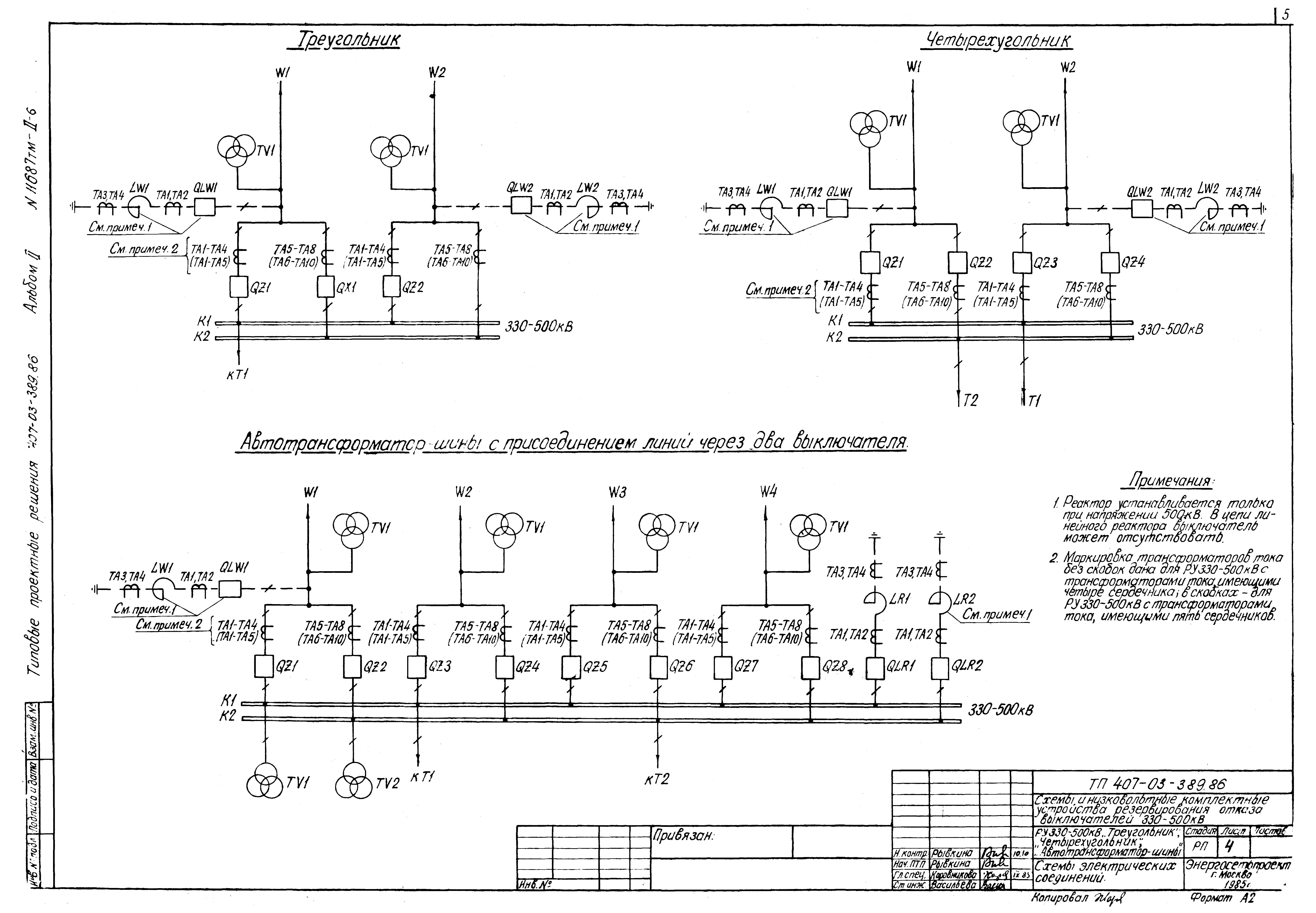
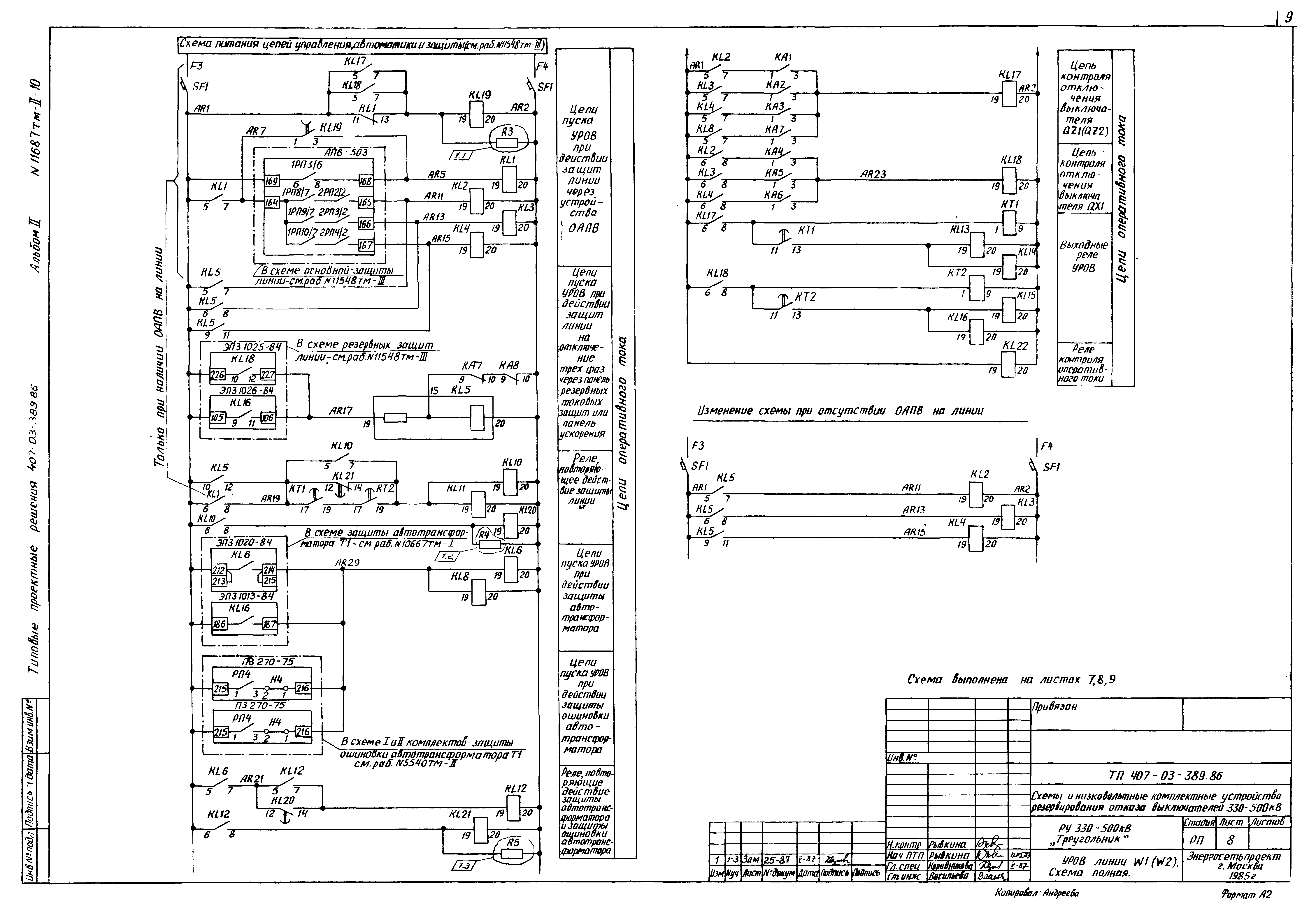
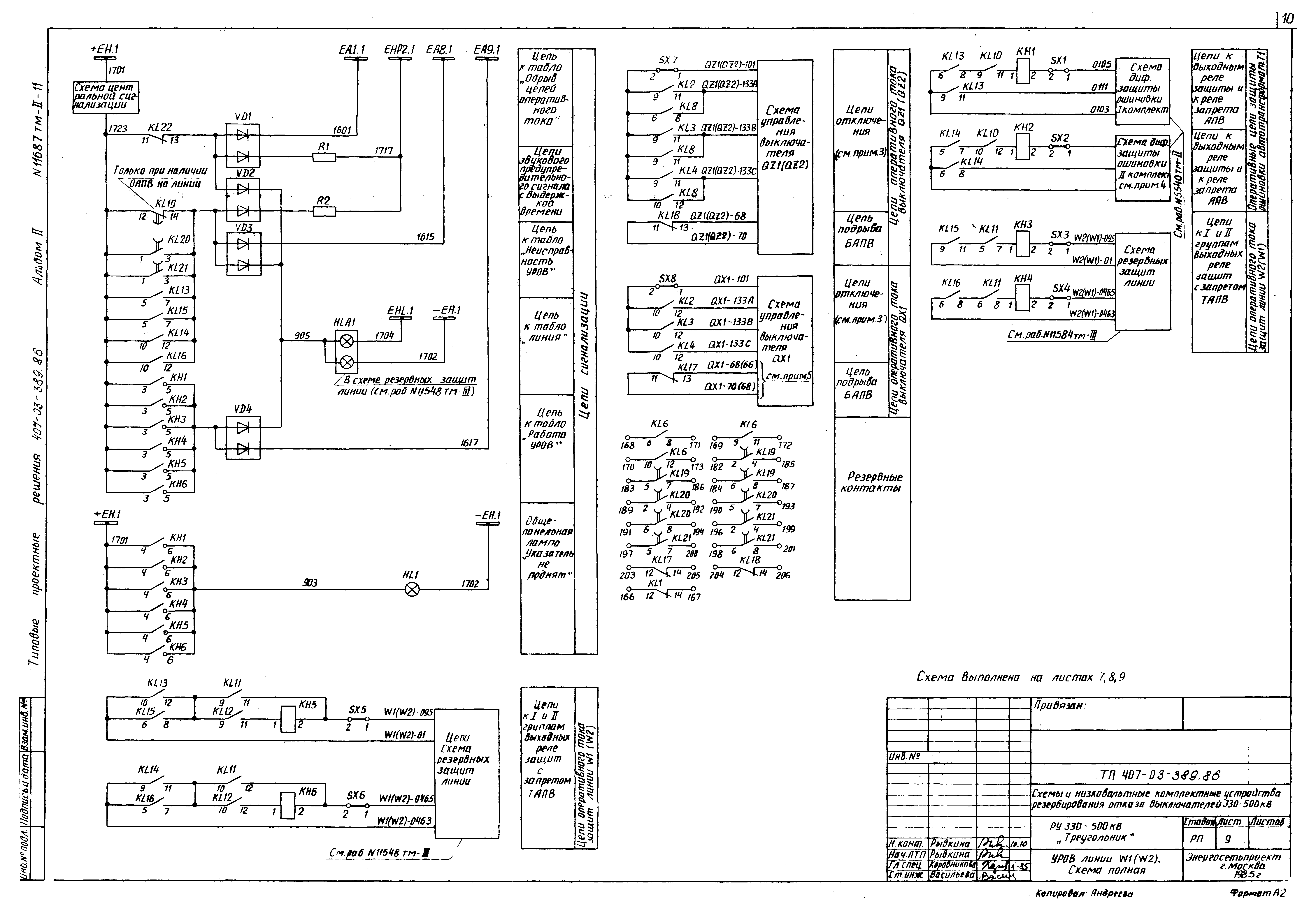
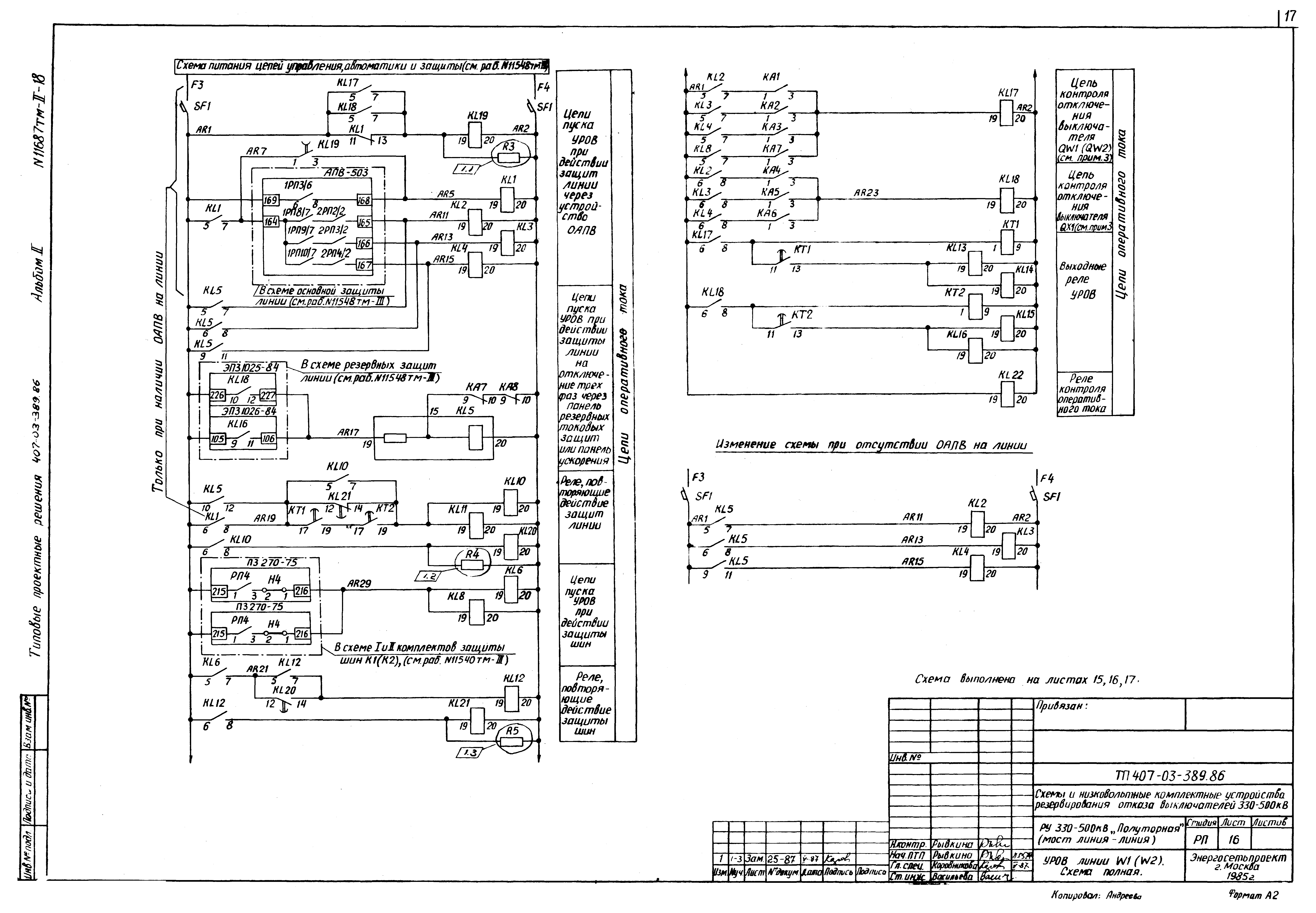
Скачать Типовые проектные решения 407-03-389.86 Альбом II. Полные схемы и низковольтные комплектные устройстваДата актуализации: 01.01.2021 Типовые проектные решения 407-03-389.86
Альбом II. Полные схемы и низковольтные комплектные устройства| Обозначение: | Типовые проектные решения 407-03-389.86 | | Обозначение англ: | 407-03-389.86 | | Статус: | справочные материалы, мп, тпр | | Название рус.: | Альбом II. Полные схемы и низковольтные комплектные устройства | | Дата добавления в базу: | 01.09.2013 | | Дата актуализации: | 01.01.2021 | | Дата введения: | 02.12.1985 | | Разработан: | Энергосетьпроект Минэнерго СССР
| | Утверждён: | 02.12.1985 Минэнерго СССР (USSR Minenergo 29)
|
                                
|