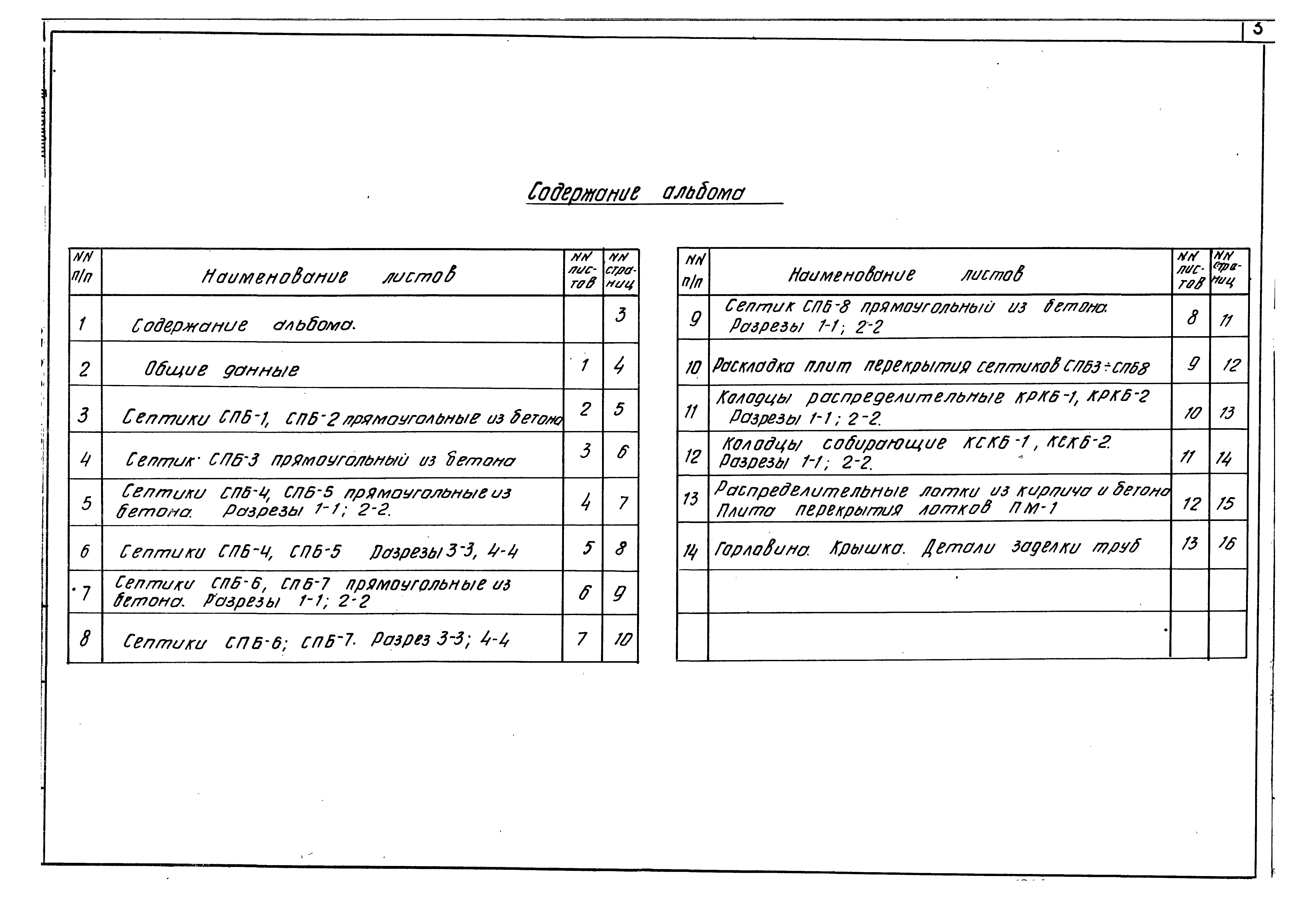
Скачать Типовой проект 902-3-25 Альбом III. Септики и вспомогательные сооружения из монолитного бетонаДата актуализации: 01.01.2021 Типовой проект 902-3-25
Альбом III. Септики и вспомогательные сооружения из монолитного бетона| Обозначение: | Типовой проект 902-3-25 | | Обозначение англ: | 902-3-25 | | Статус: | действует | | Название рус.: | Альбом III. Септики и вспомогательные сооружения из монолитного бетона | | Дата добавления в базу: | 01.09.2013 | | Дата актуализации: | 01.01.2021 | | Дата введения: | 10.06.1982 | | Разработан: | ЦНИИЭП
| | Утверждён: | 02.06.1982 Госгражданстрой (Gosgrazhdanstroy 150)
|
             
|