Скачать Серия СТ-02-31 Выпуск 2. Панели сплошного сечения для стен отапливаемых промышленных зданий. Рабочие чертежиДата актуализации: 01.01.2021
|
| Обозначение: | Серия СТ-02-31 |
| Обозначение англ: | Series СТ-02-31 |
| Статус: | не действует |
| Название рус.: | Выпуск 2. Панели сплошного сечения для стен отапливаемых промышленных зданий. Рабочие чертежи |
| Дата добавления в базу: | 01.09.2013 |
| Дата актуализации: | 01.01.2021 |
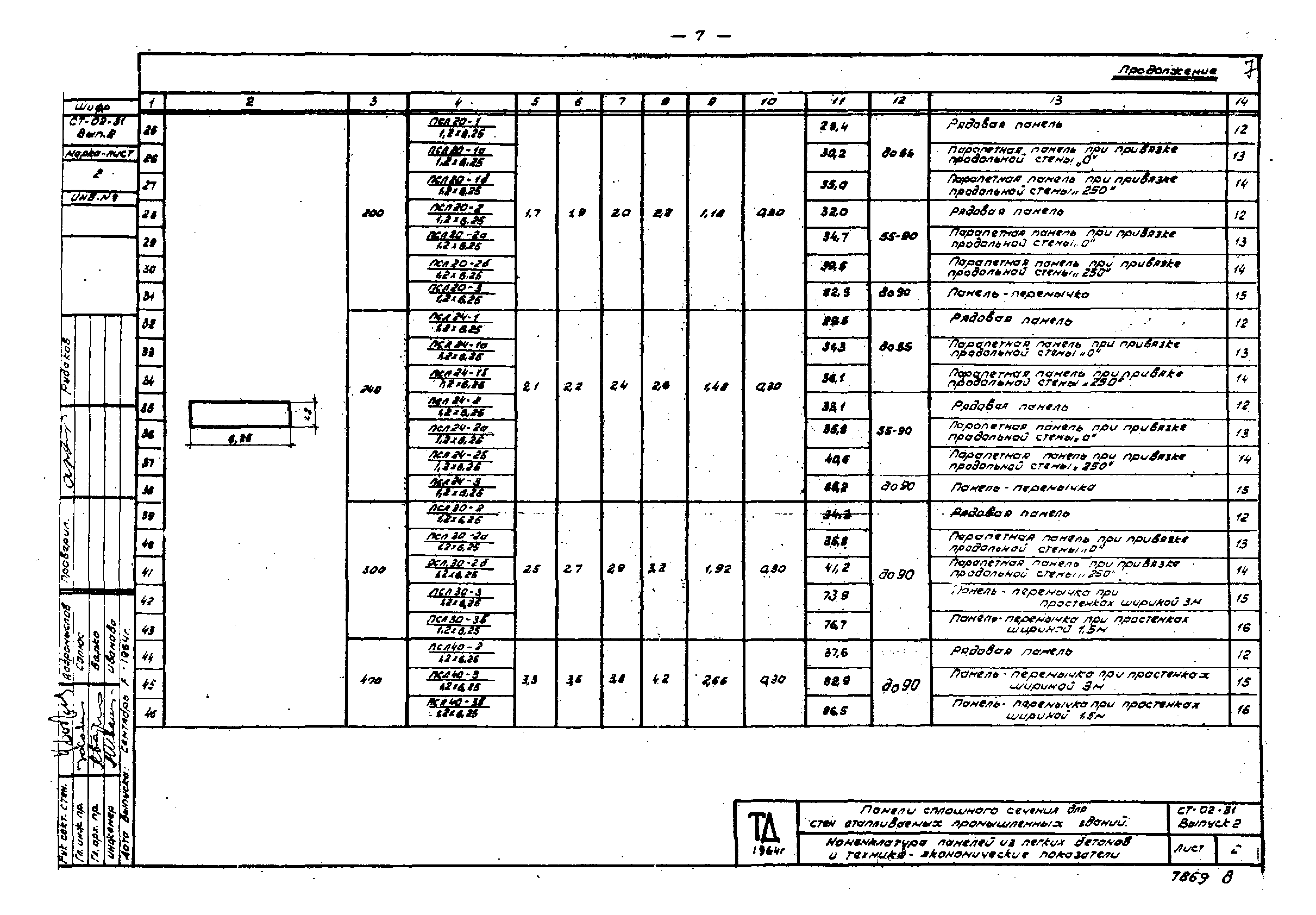
| Оглавление: | Пояснительная записка Номенклатура панелей из легких бетонов и технико-экономические показатели Номенклатура панелей из ячеистых бетонов и технико-экономические показатели Опалубка и армирование рядовых панелей размером 1,2х6 м, при толщинах 200, 240, 300 и 400 мм Опалубка и армирование парапетных панелей размером 1,2х6 м при привязке продольной стены "0", при толщинах 200, 240, 300 и 400 мм Опалубка и армирование парапетных панелей размером 1,2х6 м при привязке продольной стены "250", при толщинах 200, 240, 300 и 400 мм Опалубка и армирование панелей-перемычек размером 1,2х6 м, при толщинах 200, 240, 300 и 400 мм Опалубка и армирование панелей-перемычек размером 1,2х6 м, при ширине простенка 1,5 и толщинах 300 и 400 мм Опалубка и армирование рядовых панелей размером 1,2х6,25 м для углов здания, при толщинах 200, 300 и 400 мм Опалубка и армирование парапетных панелей размером 1,2х6,25 м для углов здания с привязкой продольной стены "0", при толщинах 200, 240 и 300 мм Опалубка и армирование парапетных панелей размером 1,2х6,25 м для углов здания с привязкой продольной стены "250", при толщинах 200, 240 и 300 мм Опалубка и армирование панелей-перемычек размером 1,2х6,25 м для углов здания, при толщинах 200, 240, 300 и 400 мм Опалубка и армирование панелей-перемычек размером 1,2х6,25 м для углов здания при ширине простенка 1,5 м и толщинах 300 и 400 мм Опалубка и армирование рядовой панели размером 1,2х6,4 м для углов здания при толщине 400 мм Опалубка и армирование парапетных панелей размером 1,2х6,4 м для углов здания с привязкой продольной стены "0" и "250", при толщине 400 мм Опалубка и армирование панели-перемычки размером 1,2х6,4 м для углов здания при толщине 400 мм Опалубка и армирование панели-перемычки размером 1,2х6,4 м для углов здания при ширине простенка 1,5 м и толщине 400 мм Опалубка и армирование рядовых панелей размером 1,8х6 м, при толщинах 200, 240, 300 и 400 мм Опалубка и армирование панелей-перемычек размером 1,8х6 м, при толщинах 200, 240, 300 и 400 мм Опалубка и армирование панелей-перемычек размером 1,8х6 м, при ширине простенка 1,5 м и толщинах 300 и 400 мм Опалубка и армирование рядовых панелей размером 1,8х6,25 м для углов здания, при толщинах 200, 240, 300 и 400 мм Опалубка и армирование панелей-перемычек размером 1,8х6,25 м, при толщинах 200, 240, 300 и 400 мм Опалубка и армирование панелей-перемычек размером 1,8х6,25 м, при ширине простенка 1,5 м и толщинах 300 и 400 мм Опалубка и армирование рядовой панели размером 1,8х6,4 м для углов здания, при толщине 400 мм Опалубка и армирование панели-перемычки размером 1,8х6,4 м для углов здания, при толщине 400 мм Опалубка и армирование панели-перемычки размером 1,8х6,4 м для углов здания при простенках шириной 1,5 м, при толщине 400 мм Опалубка панелей. Детали 1 - 8 Пространственные каркасы КП1 - КП6 Пространственные каркасы КП7 - КП12 Пространственные каркасы КП13 - КП18 Пространственные каркасы КП19, КП20 Пространственные каркасы КП21, КП22 Пространственные каркасы КП23, КП24 Пространственные каркасы КП25 - КП30 Пространственные каркасы КП31 - КП35 Пространственные каркасы КП36 - КП40 Пространственные каркасы КП41, КП42 Пространственные каркасы КП43, КП44 Пространственные каркасы КП45, КП46 Пространственный каркас КП47 Пространственный каркас КП48 Пространственный каркас КП49 Пространственный каркас КП50 Пространственный каркас КП51 Пространственные каркасы КП52 - КП57 Пространственные каркасы КП58, КП59 Пространственные каркасы КП60, КП61 Пространственные каркасы КП62, КП63 Пространственные каркасы КП64 - КП69 Пространственные каркасы КП70, КП71 Пространственные каркасы КП72, КП73 Пространственные каркасы КП74 - КП75 Пространственный каркас КП76 Пространственный каркас КП77 Пространственный каркас КП78 Узлы 1 и 2 Узлы 3 и 4 Узлы 5, 6, 7 и 8 Спецификация марок арматурных изделий и закладных элементов на один пространственный каркас Плоские каркасы КР1 - КР25 Плоские каркасы КР26 - КР36 Плоские каркасы КР37 - КР43 Плоские каркасы КР1 - КР15. Спецификация и выборка стали Плоские каркасы КР16 - КР30. Спецификация и выборка стали Плоские каркасы КР31 - КР43. Спецификация и выборка стали Закладные элементы М1 - М16 Закладные элементы М17 - М24 Спецификация стали на закладные элементы М1 - М13 Спецификация стали на закладные элементы М14 - М24 |
| Разработан: | ЦНИИпромзданий НИИЖБ Ленпромстройпроект |
| Утверждён: | 27.03.1965 Госстрой СССР (Государственный комитет Совета Министров СССР по делам строительства) (USSR Gosstroy 47) |















































































