Скачать Положение о системе планово-предупредительных ремонтов основного оборудования коммунальных теплоэнергетических предприятий (с нормами времени и нормами расхода материалов)

Дата актуализации: 01.01.2021

Положение о системе планово-предупредительных ремонтов основного оборудования коммунальных теплоэнергетических предприятий (с нормами времени и нормами расхода материалов)

Статус:действует
Название рус.:Положение о системе планово-предупредительных ремонтов основного оборудования коммунальных теплоэнергетических предприятий (с нормами времени и нормами расхода материалов)
Дата добавления в базу:01.09.2013
Дата актуализации:01.01.2021
Область применения:В документе дана классификация профилактических и ремонтных работ. Приведены перечень работ, выполняемых при текущем и капитальном ремонтах, а также нормы времени и расхода материалов на производство ремонтных и профилактических работ.
Оглавление:1. Общая часть
2. Наименование и классификации профилактических и ремонтных работ
3. Перечень работ, выполняемых при текущем и капитальном ремонтах
4. Планирование в организация работ по проведению планово-предупредительных ремонтов
5. Финансирование капитального в текущего ремонтов
6. Плановая и отчетная документация по капитальному и текущему ремонтам
7. Организация снабжения и хранения материалов и запасных деталей
8. Нормы времени на выполнение ремонтных работ
Приложение 1. График капитального (текущего) ремонта оборудования
Приложение 2. План капитального ремонта основных фондов
Приложение 3. План работ по текущему ремонту и содержанию основного оборудования котельных и тепловых сетей
Приложение 4. Бухгалтерская справка о размерах начисленной суммы амортизационных отчисленной суммы амортизационных отчислений и поступлений других средств, предназначенных на капитальный ремонт
Приложение 5. Расчет ссуды на сезонный недостаток амортизационных отчислений для капитального ремонта
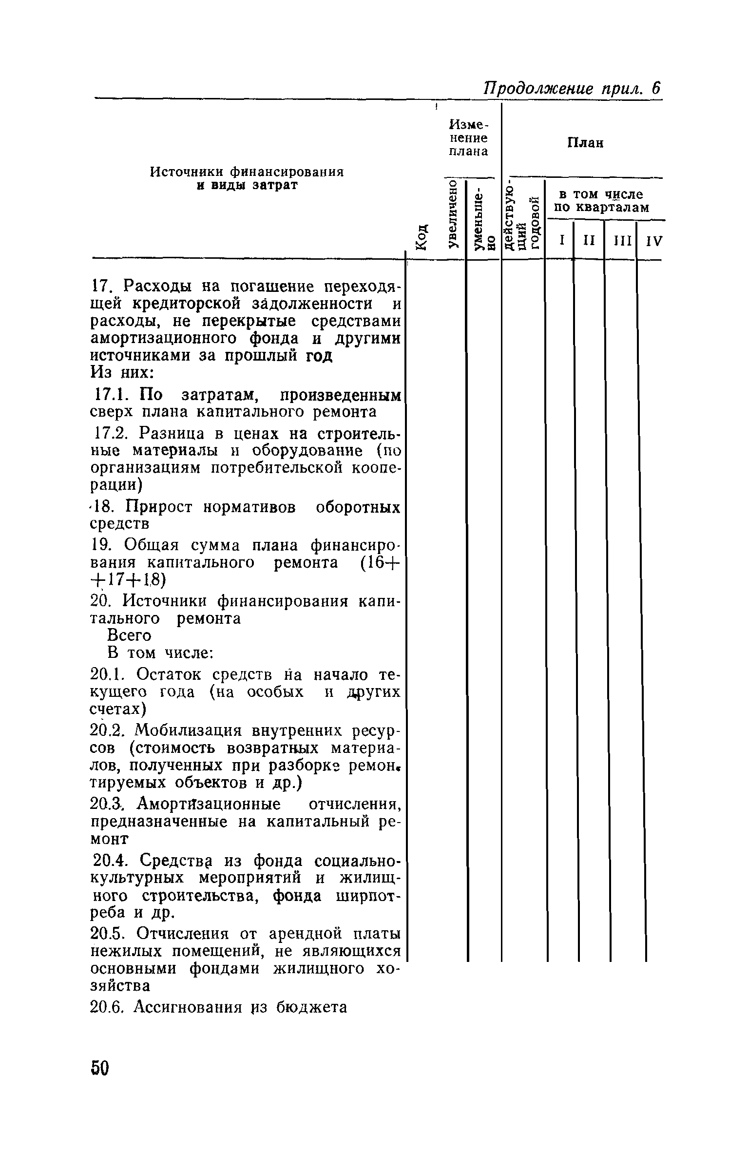
Приложение 6. План финансирования капитального ремонта
Приложение 7. Справка о распределении годовой суммы затрат на капитальный ремонт по отдельным объектам и об утверждении сметно-технической документации
Приложение 8. Справка о распределении сметной стоимости ремонта объекта по отдельным этапам
Приложение 9. Нормы неснижаемого запаса деталей для основного оборудования
Приложение 10. Типовые нормы времени на капитальный и текущий ремонты котельного оборудования и тепловых сетей
Приложение 11. Нормы расхода материалов на ремонты и профилактическое обслуживание коммунальных теплоэнергетических предприятий
Список литературы
Разработан: Академия коммунального хозяйства им. К.Д. Памфилова
Утверждён:06.04.1982 Академия коммунального хозяйства им. К.Д. Памфилова
Издан: Стройиздат (1986 г. )
Заменяет собой:
  • «Временные нормы расхода материалов на ремонт основных видов оборудования ПОК и ТС»