Скачать Серия 1.138-2 Выпуск 1. Плиты длиной 358, 328, 298, 268, 238 см для крупноблочных стен толщиной 40, 50, 60 смДата актуализации: 01.01.2021 Серия 1.138-2
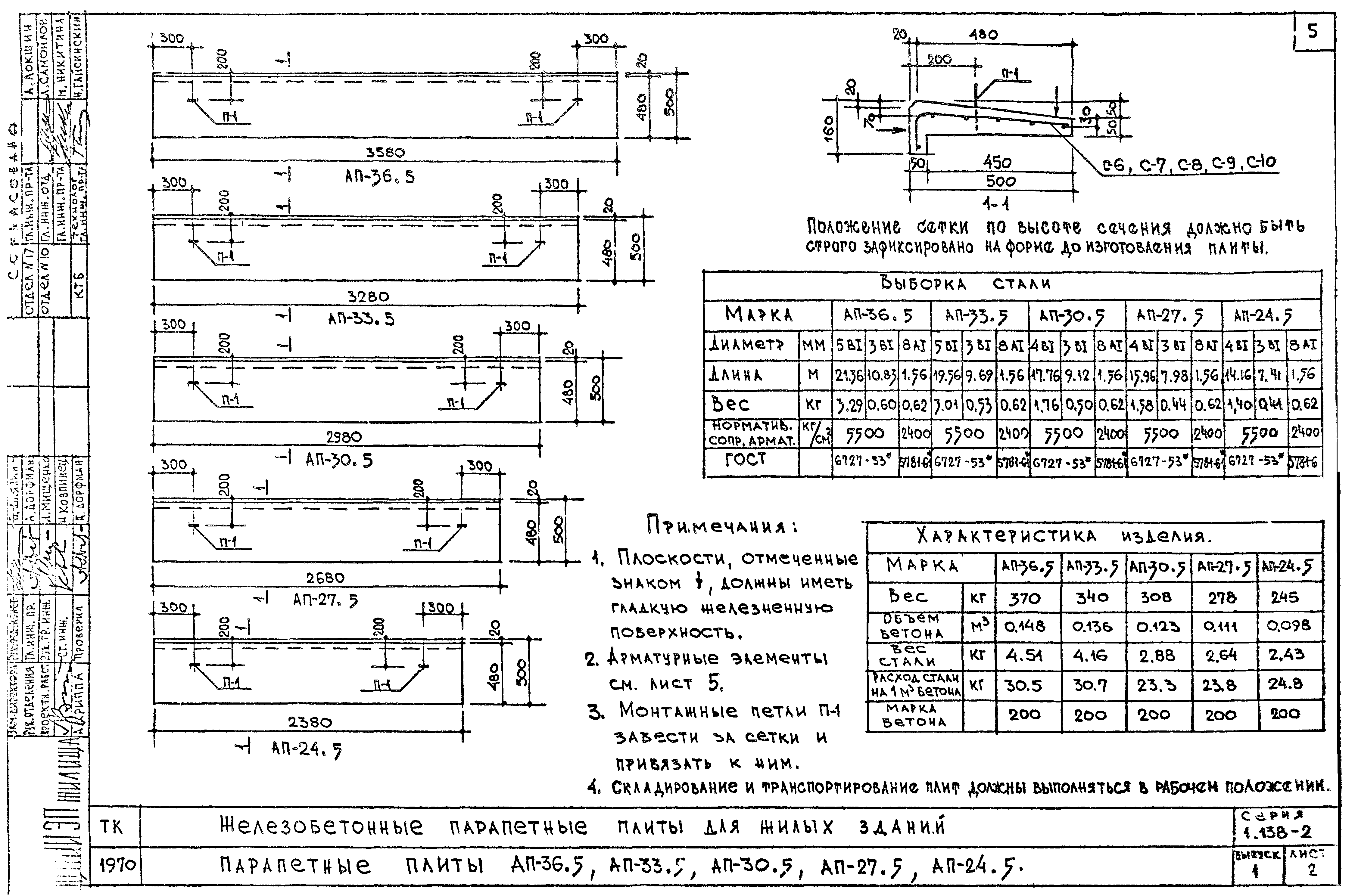
Выпуск 1. Плиты длиной 358, 328, 298, 268, 238 см для крупноблочных стен толщиной 40, 50, 60 см| Обозначение: | Серия 1.138-2 | | Обозначение англ: | Series 1.138-2 | | Статус: | заменен | | Название рус.: | Выпуск 1. Плиты длиной 358, 328, 298, 268, 238 см для крупноблочных стен толщиной 40, 50, 60 см | | Дата добавления в базу: | 01.09.2013 | | Дата актуализации: | 01.01.2021 | | Дата введения: | 01.01.1972 | | Дата окончания срока действия: | 01.09.1989 | | Область применения: | В выпуск включены рабочие чертежи унифицированных плит длиной 3580, 3280, 2980, 2680 и 2380 мм, предназначенных для применения в зданиях с крупноблочными стенами. Допускается применение указанных плит в зданиях с кирпичными стенами | | Разработан: | ЦНИИЭП жилища
| | Утверждён: | 26.10.1971 Государственный комитет по гражданскому строительству и архитектуре при Госстрое СССР (190)
| | Чем заменён: | | | Нормативные ссылки: | |
         
|