Скачать Серия 1.220.1-2 Выпуск 9. Колонны и ригели для сопряжения элементов каркасных и панельных зданий. Рабочие чертежиДата актуализации: 01.01.2021
|
| Обозначение: | Серия 1.220.1-2 |
| Обозначение англ: | Series 1.220.1-2 |
| Статус: | не действует |
| Название рус.: | Выпуск 9. Колонны и ригели для сопряжения элементов каркасных и панельных зданий. Рабочие чертежи |
| Дата добавления в базу: | 01.09.2013 |
| Дата актуализации: | 01.01.2021 |
| Дата введения: | 01.01.1981 |
| Дата окончания срока действия: | 01.04.1984 |
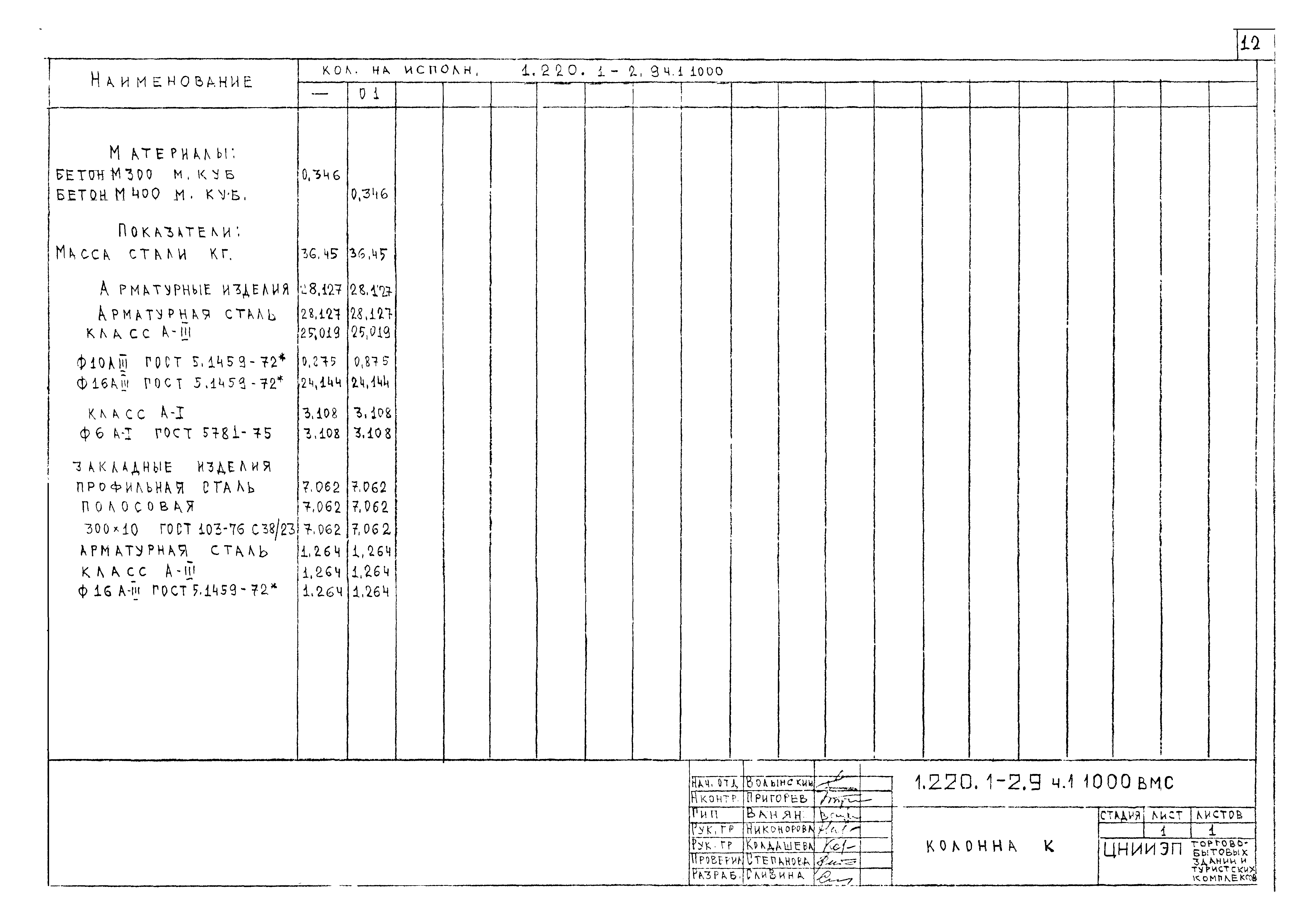
| Оглавление: | Содержание Пояснительная записка Колонна К Каркас пространственный КП Стержень сварной СС Изделие закладное МН Узел 1 Ригель Каркас пространственный КП Каркас КР Сетка С Изделие закладное МН Стержень гнутый Выборка стали на один ригель |
| Разработан: | ЦНИИЭП торгово-бытовых зданий и туристских комплексов ЦНИИЭП жилища |
| Утверждён: | 23.12.1980 Госгражданстрой (Gosgrazhdanstroy 363) |
| Чем заменён: |
















































