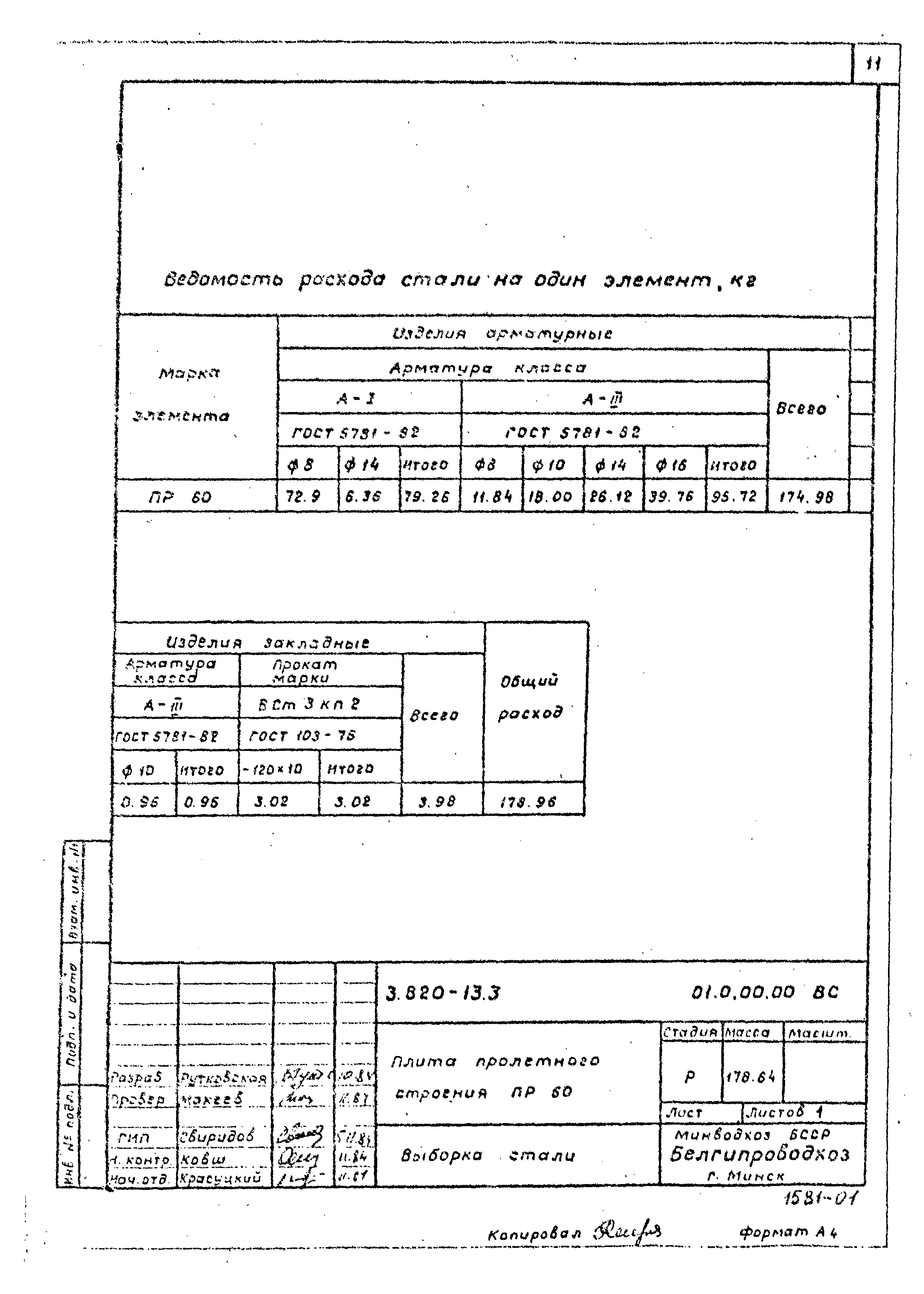
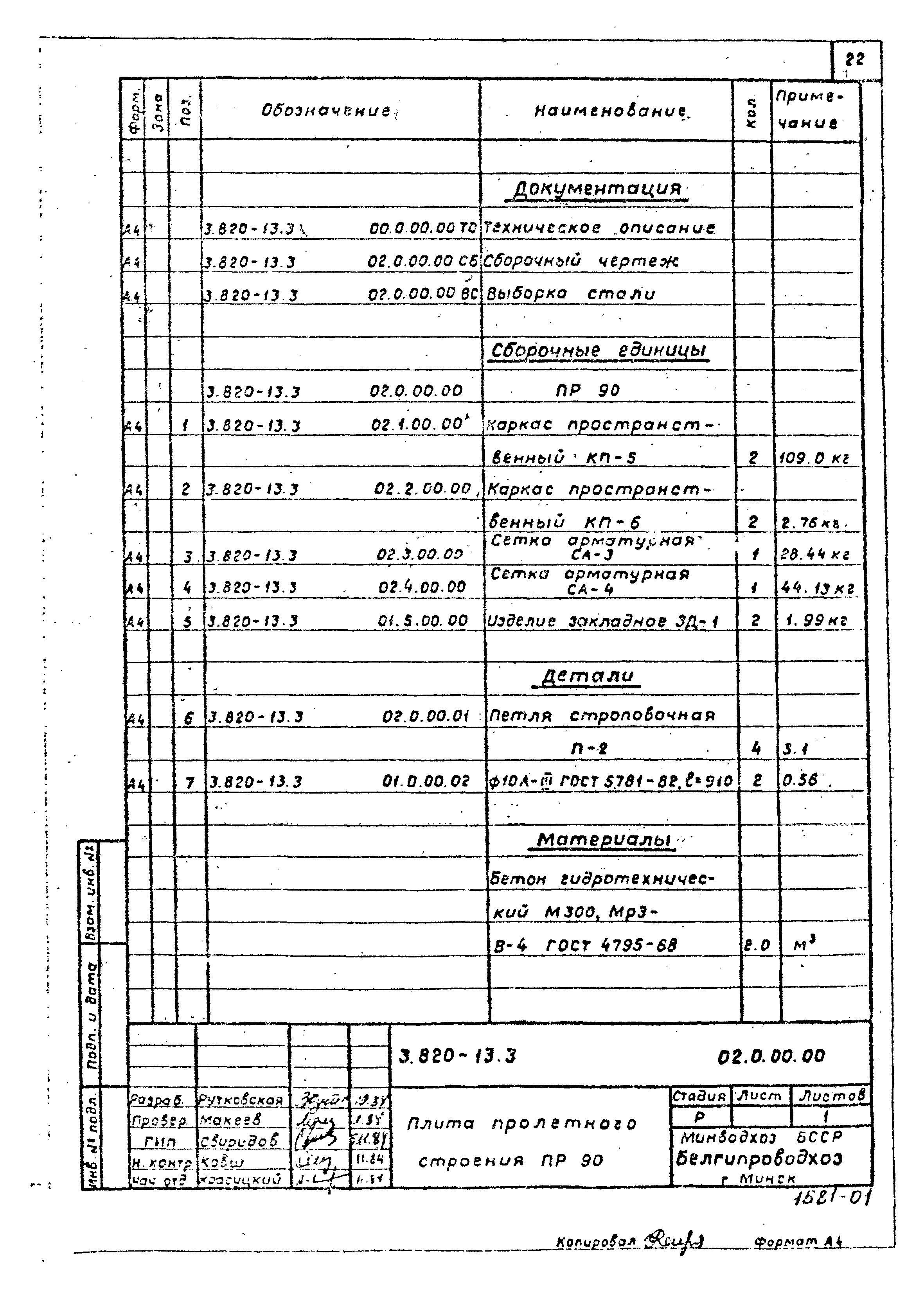
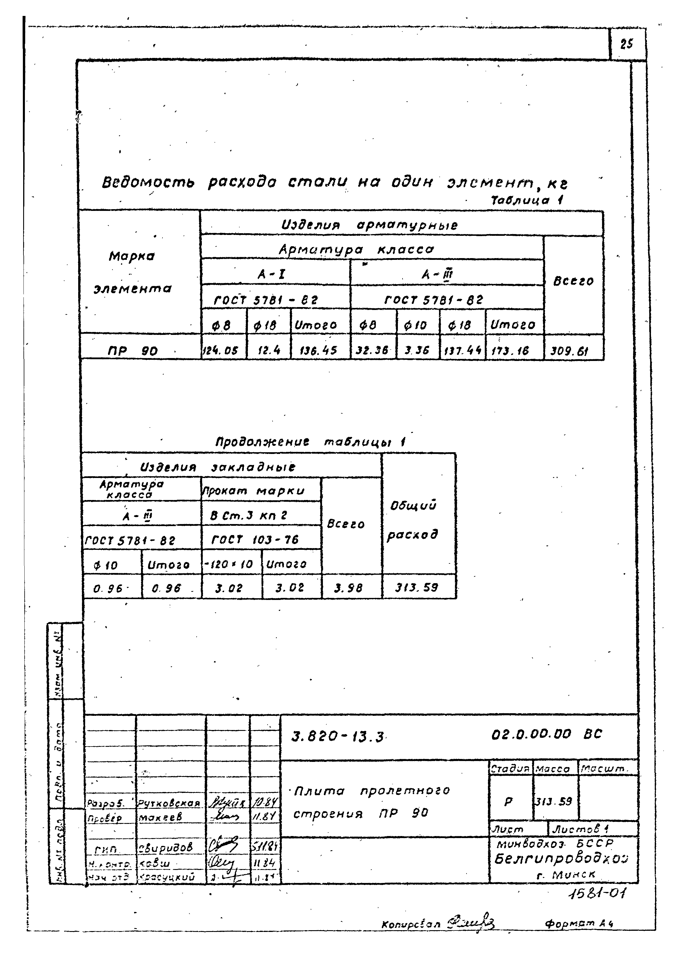
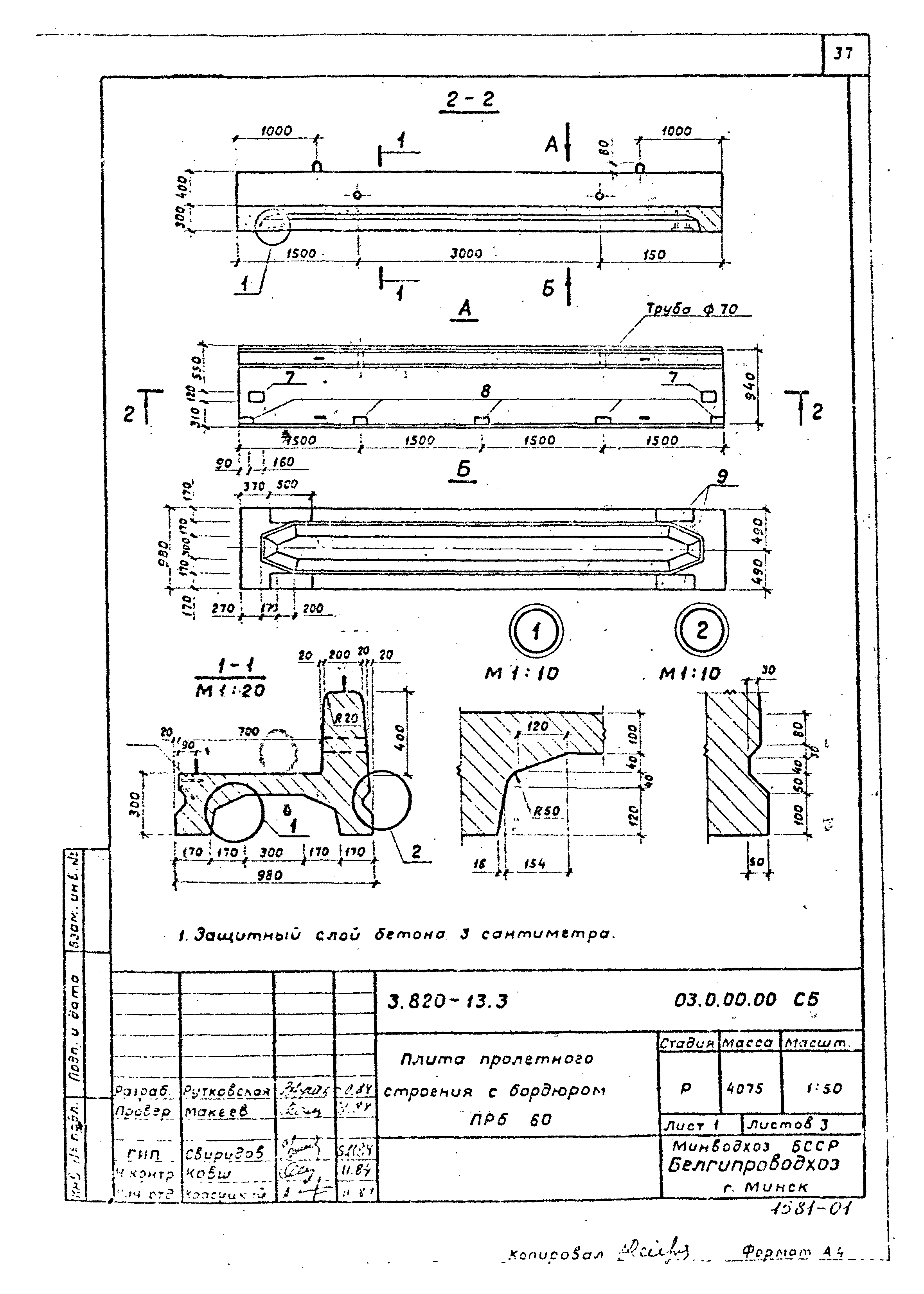
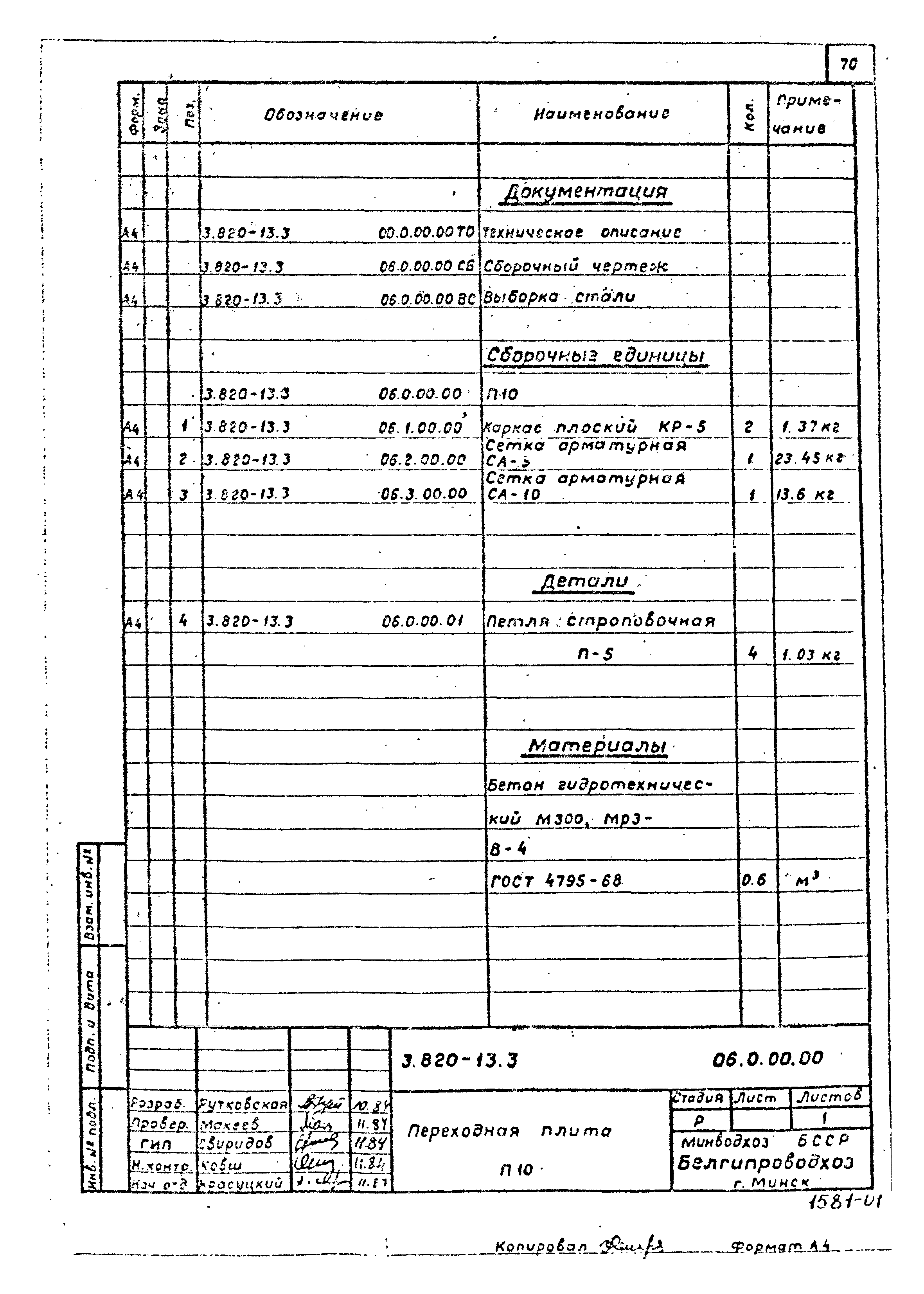
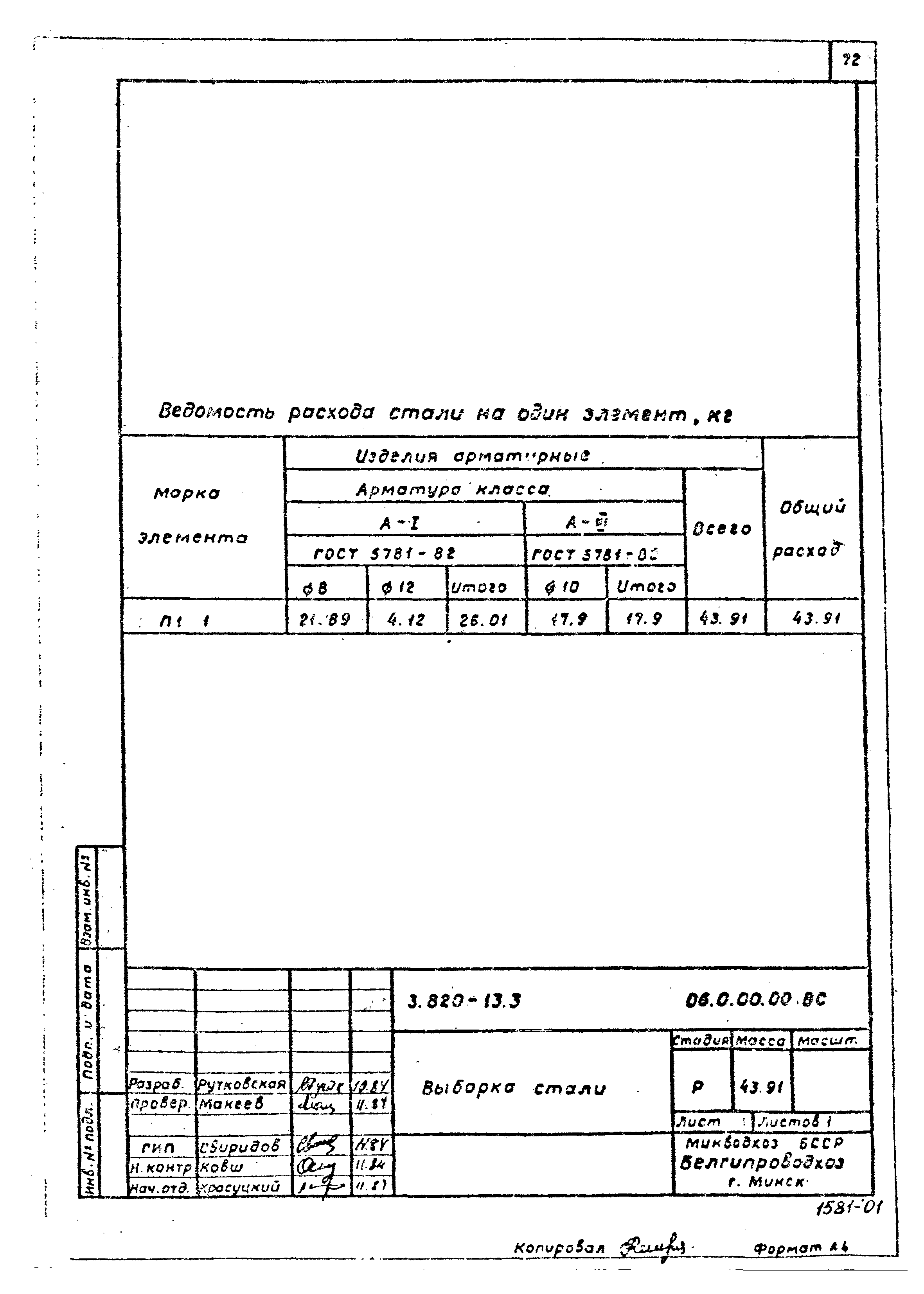
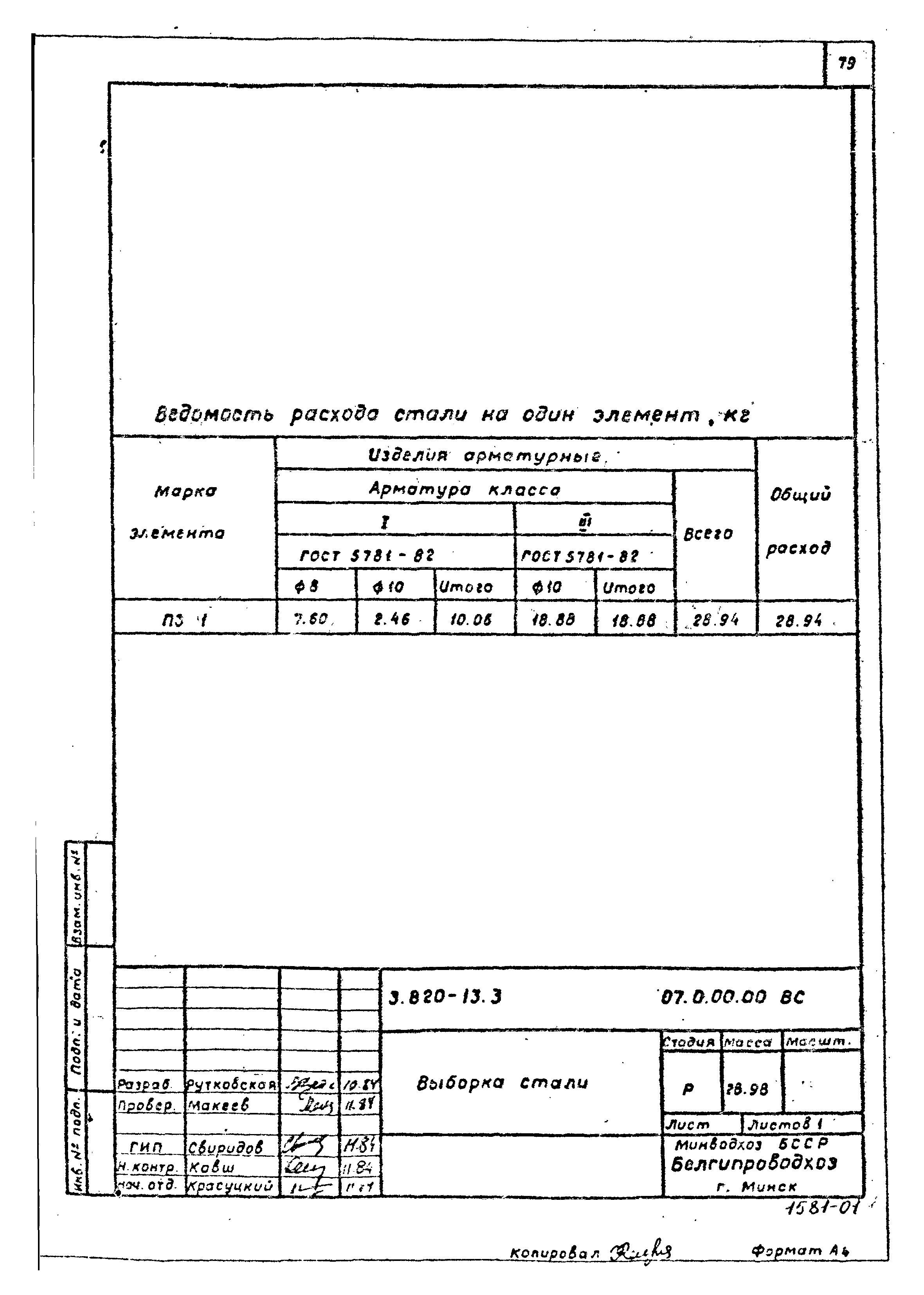
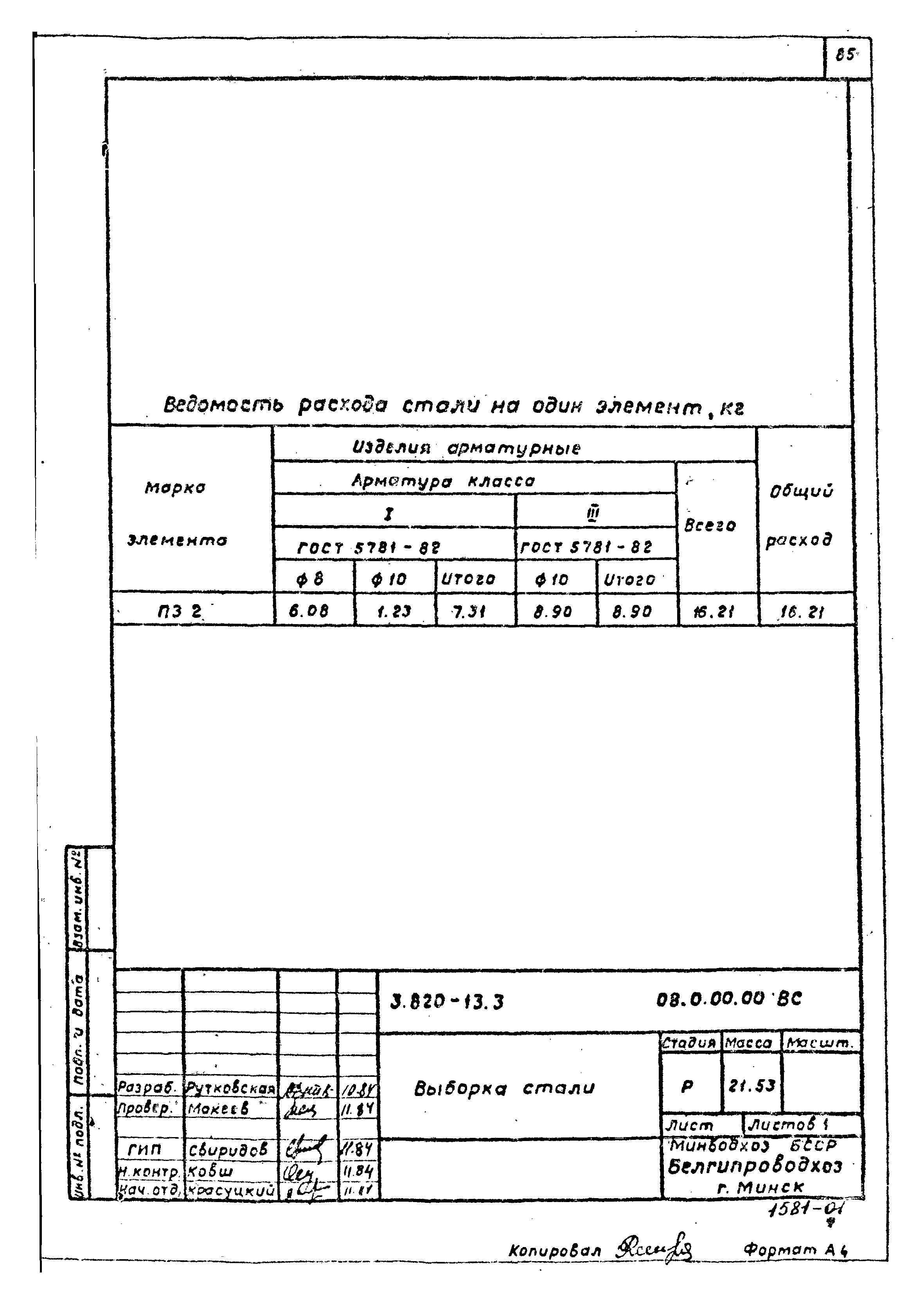
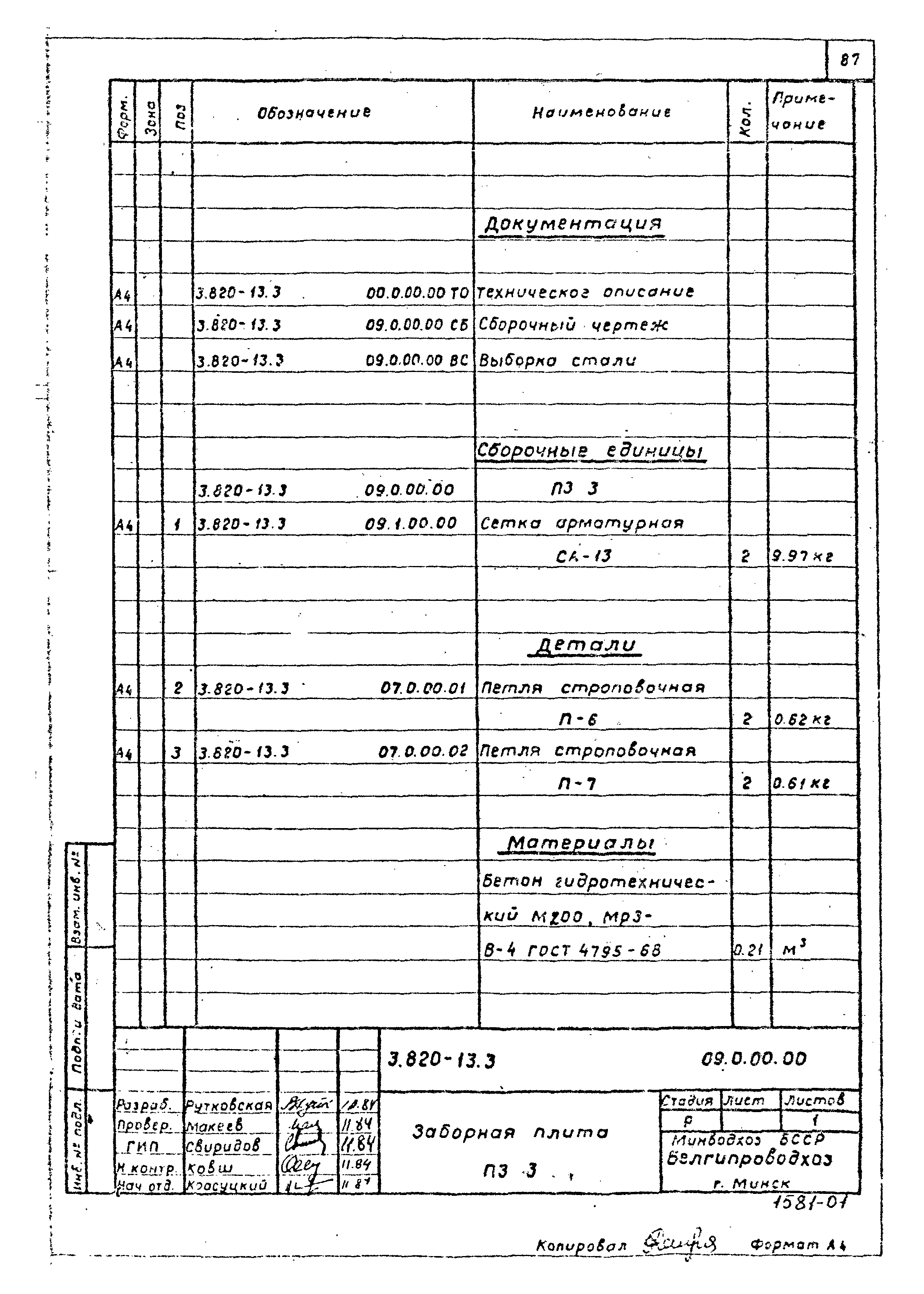
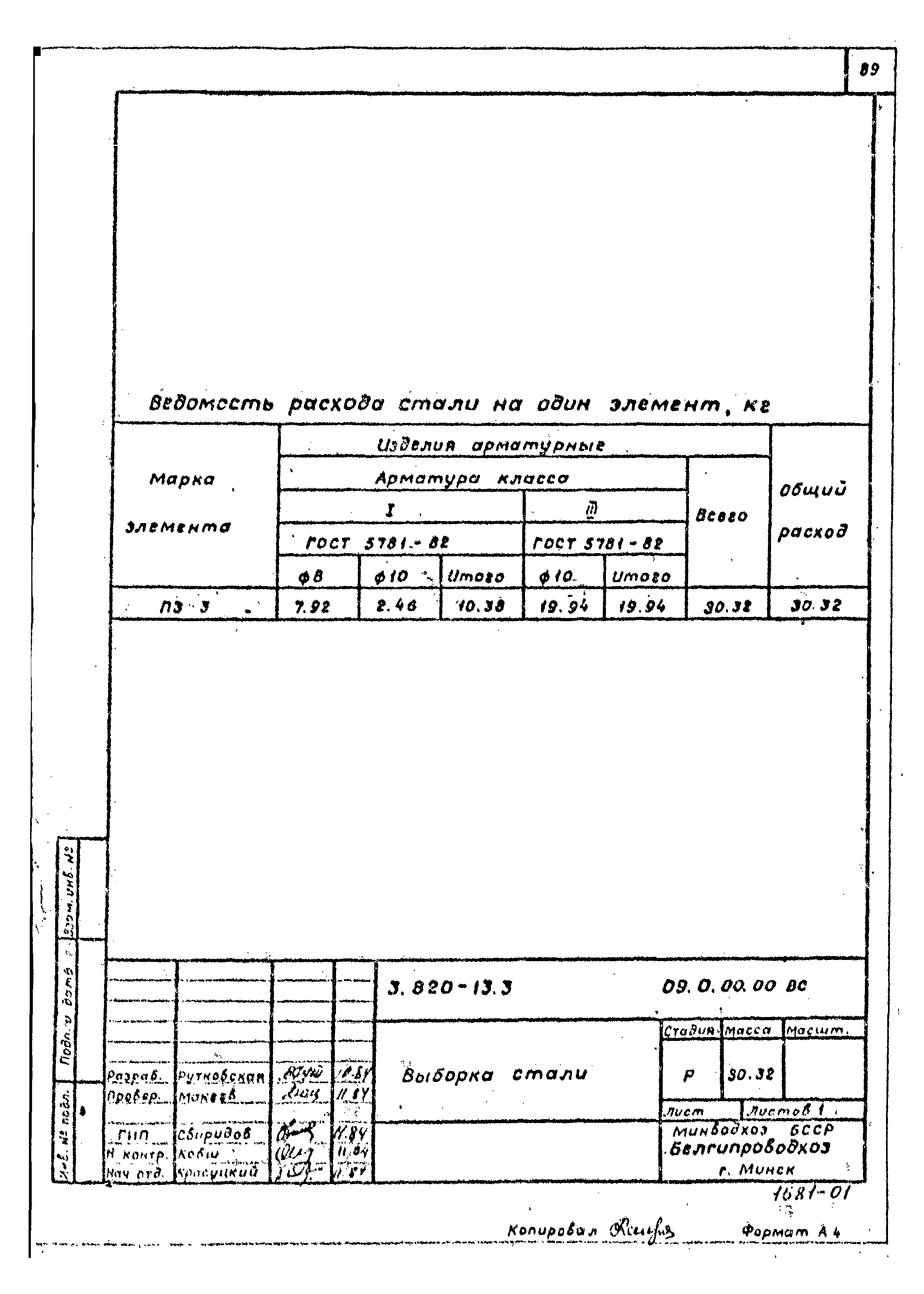
Скачать Серия 3.820-13 Выпуск 3. Конструкции для мостовых переездов на осушительных и оросительных системах под нагрузку А-35Дата актуализации: 01.01.2021
|
| Обозначение: | Серия 3.820-13 |
| Обозначение англ: | Series 3.820-13 |
| Статус: | не определен законодательством |
| Название рус.: | Выпуск 3. Конструкции для мостовых переездов на осушительных и оросительных системах под нагрузку А-35 |
| Дата добавления в базу: | 01.09.2013 |
| Дата актуализации: | 01.01.2021 |
| Дата введения: | 16.07.1984 |
| Дата окончания срока действия: | 30.06.2003 |
| Разработан: | Белгипроводхоз Минводхоза СССР |
| Утверждён: | 16.07.1984 Минводхоз СССР (USSR Minvodkhoz 568) |
| Заменяет собой: |



























































































